125500 (566740)
Текст из файла
Министерство образования и науки Украины
Донбасская государственная машиностроительная академия
Кафедра “Автоматизация производственных процессов”
Практическая работа №3
по ОКИУ
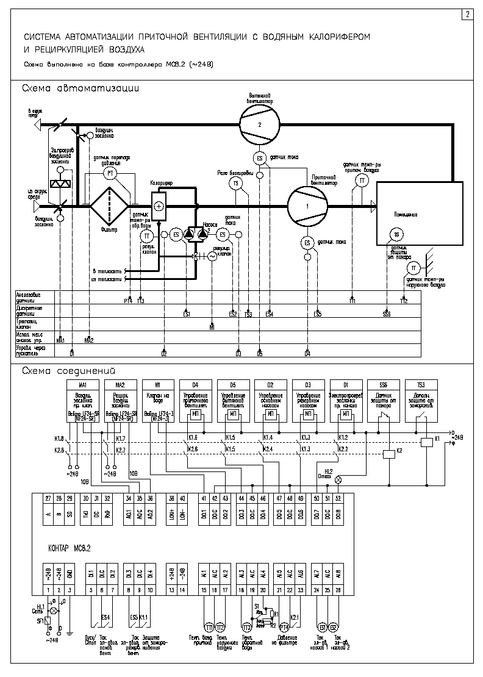
Система управления установкой приточной вентиляции помещения на базе контроллера МС8
Краматорск
Цель работы: изучить приборы комплекса КОНТАР: контроллеры МС8, МС5, модули релейные MR8.
Теоретические сведения
Система управления установкой приточной вентиляции на базе контроллера МС8.2
Контроллер обеспечивает два режима работы установки приточной вентиляции: рабочий и стояночный. В рабочем режиме обеспечивается приточная вентиляция с поддержанием комфортной температуры приточного воздуха, а в стояночном (дежурном) режиме вентилятор выключен, заслонка закрыта.
Контроллер предназначен для автоматизации установок с водяным калорифером – поэтому очень важной функцией является защита от его замораживания при низких температурах наружного воздуха.
Основные функциональные возможности контроллера
1 В рабочем режиме - ПИ-регулирование температуры приточного воздуха.
2 Управление включением / выключением вентиляторами в прямом и рециркуляционном каналах, открытием / закрытием воздушных заслонок подающего и рециркуляционного воздуха, включением насоса. При пуске оборудование включается последовательно с временными задержками. При неисправности основного насоса происходит автоматическое переключение на резервный насос.
3 Пуск / стоп - дистанционный (от внешнего переключателя). Возможность автоматического пуска утром и останова вечером с возможностью учета выходных и праздничных дней.
4 Защита от замораживания:
В дежурном (стояночном) режиме защита от замораживания обеспечивается ПИ-регулированием температуры обратной воды. Причем задание регулятору формируется по графику – чем ниже температура наружного воздуха, тем выше заданная температура воды. График может иметь до четырех линейных участков.
Для защиты при пуске сигнал на открытие воздушной заслонки прямого канала меняется плавно, а при закрытии быстро. Кроме того, зимой контроллер предварительно, до открытия заслонки и включения вентилятора, выдает сигналы для прогрева калорифера и электропрогрева заслонки. Определение времени года происходит либо автоматически по температуре наружного воздуха, либо вручную в зависимости от положения внешнего переключателя «ВРЕМЯ ГОДА»: «АВТОМАТИЧЕСКИ» \ «ЗИМА» \ «ЛЕТО».
В комплекте с контроллером поставляется воздушная заслонка, снабжённая сервоприводом с возвратной пружиной. При пропадании питания сервопривод автоматически закрывает заслонку, тем самым снижая риск замерзания водяного обогревателя.
В рабочем режиме зимой при понижении температур воздуха притока или обратной воды калорифера контроллер открывает клапан на воде. Если в дальнейшем температура повышается, то регулирование температуры приточного воздуха продолжается. Для защиты от замораживания в контроллере также сравнивается температура обратной воды с расчетной по графику (для текущего значения температуры наружного воздуха).
Если температура продолжает падать еще ниже, то контроллер переводит установку в стояночный режим. Это состояние продлится до тех пор, пока обслуживающий персонал не проверит оборудование, устранит причину и не подтвердит свое вмешательство переводом внешнего переключателя в состояние СТОП, а затем в состояние ПУСК. Для защиты от замораживания зимой автоматически включается насос.
Дополнительная защита происходит через релейные схемы независимо от контроллера при замыкании дискретного датчика, установленного в холодной части калорифера и размыкании датчика пожарной безопасности.
5 Сигнализацию через дискретный выход контроллера: о возможности замораживания, неисправности датчиков, вентиляторов и насосов, загрязнения воздушного фильтра, и других отказах. Особый алгоритм регулирования при отказах. Архивирование отказов в памяти контроллера.
6 Индикацию температур, давления на воздушном фильтре, состояния дискретных датчиков и т.д., а также настройку параметров контроллера при помощи встроенного в контроллер пульта оператора. Возможность вывода информации на экран монитора компьютера, Notebook, PDА или другого средства вычислительной техники через RS232C. Возможность связи через интерфейс RS485 с другими контроллерами комплекса КОНТАР, объединенными в единую сеть (в качестве Master или Slave). Возможность наглядного отображения информации о состоянии системы управления через Internet \ Ethernet на компьютер или мобильный телефон – в том числе мгновенная передача информации об отказах: возможности замораживании, обрывах датчиков, пожаре, проблемах напряжения питания контроллера.
Таблица - Пример спецификации для автоматизации установки приточной вентиляции для схемы на базе МС8.2
Характеристики
Тип файла документ
Документы такого типа открываются такими программами, как Microsoft Office Word на компьютерах Windows, Apple Pages на компьютерах Mac, Open Office - бесплатная альтернатива на различных платформах, в том числе Linux. Наиболее простым и современным решением будут Google документы, так как открываются онлайн без скачивания прямо в браузере на любой платформе. Существуют российские качественные аналоги, например от Яндекса.
Будьте внимательны на мобильных устройствах, так как там используются упрощённый функционал даже в официальном приложении от Microsoft, поэтому для просмотра скачивайте PDF-версию. А если нужно редактировать файл, то используйте оригинальный файл.
Файлы такого типа обычно разбиты на страницы, а текст может быть форматированным (жирный, курсив, выбор шрифта, таблицы и т.п.), а также в него можно добавлять изображения. Формат идеально подходит для рефератов, докладов и РПЗ курсовых проектов, которые необходимо распечатать. Кстати перед печатью также сохраняйте файл в PDF, так как принтер может начудить со шрифтами.
















