124859 (566714), страница 2
Текст из файла (страница 2)
; (2)
а отношение
(3)
называется скольжением. Чтобы в роторе наводилась ЭДС
, его скорость всегда должна быть меньше скорости поля статора. Чем больше разность скоростей, то есть чем больше
, тем больше ЭДС
и токи в роторе. Значит скольжение асинхронного двигателя, как и скорость вращения ротора зависят от нагрузки - с увеличением нагрузки ток ротора увеличиваеться, а скорость вращения уменьшаться. Из (3) и (1) имеем
. (4)
Частота ЭДС в роторе
равна
. (5)
Токи ротора, изменяясь с такой же частотой, создают поле ротора, которое вращается относительно ротора со скоростью
в ту же сторону, что и ротор :
. (6)
Скорость вращения поля ротора относительно статора
равна сумме скоростей ротора
и скорости вращения поля относительно ротора
:
. (7)
Значит, поле ротора неподвижно относительно статора и требование к работоспособности машины выполнено.
Поля
и
складываются в магнитопроводе и образуют основное поле двигателя, которое, как и в трансформаторе, при изменении нагрузки (а значит и полей
и
) от нуля до номинального значения остаётся практически неизменным и примерно равным полю холостого хода
:
. (8)
5. Вращающий момент АИД
Взаимодействие магнитных полей статора и ротора приводит к появлению механического вращающего момента, приложенного как к статору, так и к ротору. Статор укреплён неподвижно и приложенный к нему момент компенсируется реакцией элементов крепления. Ротор установлен в шарикоподшипниках и начинает раскручиваться до некоторой установившейся скорости
, которая определяется условием равновесия твёрдого вращающегося тела: сумма механических моментов приложенных к телу должна быть равна нулю:
. (9)
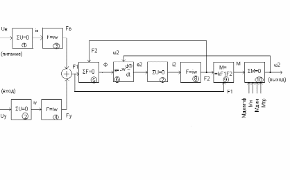
Весь процесс преобразования поданной на двигатель электрической энергии в механическую энергию вращения ротора с нагрузкой отображается схемой преобразований, приведенной на рисунке 5.
На электрические цепи возбуждения и управления подаются напряжения соответственно возбуждения
и управления
. Напряжение возбуждения неизменно и его можно считать питанием устройства, напряжение управления задается устройством управления. Поданные напряжения элементарными преобразователями ЭП1 и ЭП2 преобразуются в токи
и
.
Рисунок 5 - Схема преобразований сигнала в АИД
Это преобразование описывается условием равновесия электрической цепи: сумма ЭДС, разностей потенциалов и падений напряжений в электрической цепи равна нулю (иначе, интегральная форма материального уравнения или закона Ома для электрической цепи, второе правило Кирхгофа), которое
усл
овно в ЭП1 и ЭП2 записано как
. Токи, протекая по обмоткам, создают намагничивающие силы
и
– ЭП3 и ЭП4 (закон полного тока), действующие в магнитных цепях машины и складывающиеся во вращающееся поле
. Следующее преобразование ЭП5 приводит к появлению магнитного потока
и описывается условием равновесия магнитной цепи: сумма намагничивающих сил и падений магнитного напряжения в магнитной цепи равно нулю (второе правило Кирхгофа для магнитной цепи), что условно записано в ЭП5 как
. Магнитный поток
вращается, пересекает ротор и согласно закону электромагнитной индукции наводит в нём ЭДС
– ЭП6. В роторе возникает электрический ток
, что также описывается условием равновесия электрической цепи - ЭП7. Этот ток создаёт свою намагничивающую силу
- ЭП8,которая действует в магнитопроводе машины и совместно с
определяют в ЭП5. Взаимодействие полей
и
согласно закона электромагнитного усилия создаёт механический вращающий момент
, что отображено элементом ЭП9 и условной записью в нём
. Вращающий момент и другие моменты, действующие на ротор – момент нагрузки
, демпфирующий момент
, динамический момент
и момент трения
, определяют скорость вращения ротора
, что описывается уравнением равновесия твёрдого тела:
- ЭП10. Скорость
является выходным сигналом машины. Кроме того,
совместно с Ф определяет величину ЭДС в роторе и поэтому подана на ЭП6. Цепи
на ЭП5 и
на ЭП6 показывают наличие в двигателе внутренних отрицательных обратных связей. На рисунке 5 не показаны падения электрического напряжения на активных сопротивлениях цепей управления, возбуждения и ротора, ЭДС, индуцированные в обмотках возбуждения и управления потоком Ф, падение магнитного напряжения в магнитном сопротивлении магнитопровода. Эти преобразования носят вспомогательный характер, однако о них следует помнить и понимать, что они тоже являются отрицательными обратными связями, обеспечивающими устойчивую работу двигателя.
Схема преобразований даёт качественную картину работы двигателя. Количественный анализ работы, основанный на законах, указанных на схеме, позволяет найти выражение для момента, развиваемого двигателем:
; (10)
где
- число фаз обмотки статора;
,
- активное и реактивное сопротивления обмотки статора;
,
- активное и реактивное сопротивления ротора, приведённые к числам витков и фаз обмоток статора;
- коэффициент приведения параметров АИД к Г-образной схеме замещения;
Это выражение можно понимать так:
(11)
где
- электромагнитная мощность, передаваемая от статора к ротору магнитным полем, вращающимся с угловой скоростью
.
Годограф вектора вращающегося поля статора может иметь вид окружности или эллипса. Поле будет круговым если выполнены условия:
1)Токи
и
сдвинуты по фазе на угол
; (12)
где
- пространственный сдвиг осей обмоток возбуждения и управления.
2)Намагничивающие силы обмоток статора равны между собой
.
Обычно
задаётся равным 90 электрических градусов, так как в таком случае вращающееся поле имеет максимальную величину
. (13)
Поэтому сдвиг фаз токов
и
также задаётся равным 90.
Если одно или оба из этих условий не выполняются, то поле становится эллиптическим, а мгновенная частота вращения вектора поля - непостоянной. Чем больше отклонение от указанных условий, тем в большей степени поле отличается от кругового. Эллиптическое поле может быть представлено суммой двух неравных по величине круговых полей, вращающихся в противоположные стороны с одинаковой по абсолютной величине скоростью
. Прямое поле имеет постоянную максимальную амплитуду (13), а амплитуда обратного поля тем больше чем существеннее отклонения от указанных условий. Прямое поле создаёт полезный вращающий момент
, а обратное – тормозящий момент
, так что итоговый момент
, развиваемый двигателем, равен
. (14)
Выражение (10) справедливо, когда
,т.е. когда поле статора круговое, при эллиптическом же поле момент равен
; (15)
где
- ток обмотки управления, приведенный к числу витков обмотки возбуждения;
- фазы напряжений управления и возбуждения соответственно;
;
активное и реактивное сопротивления ротора, приведенные к
обмотке статора;
реактивное сопротивление намагничивания двигателя, приведенное к обмотке возбуждения.
Выражение (15) как и (10) можно представить в виде (11).
6. Способы управления АИД
Таким образом, меняя степень выполнения условий кругового поля можно менять результирующий вращающий момент, развиваемый двигателем, а значит менять скорость его вращения, то есть управлять двигателем. Отсюда три, применяемых на практике, способа управления АИД:
1)Амплитудное управление, когда меняется
по амплитуде при неизменной фазе;
2)Фазовое управление, когда меняется фаза
при неизменной амплитуде;
3)Амплтудно-фазовое управление, когда одновременно меняются и фаза и амплитуда
.
Анализ работы АИД при разных способах управления показывает, что амплитудное и амплитудно-фазовое управления дают практически одинаковые характеристики двигателя, а при фазовом управлении требуется повышенная мощность от устройства управления, особенно при малых сигналах управления. Кроме того, практическая реализация амплитудного и фазового управления схемно более сложна. Поэтому реальное применение находит только амплитудно-фазовое управление, которое и рассмотрено далее.
Амплитудно-фазовое управление реализуется с помощью схемы, показанной на рисунке 3. Для обеспечения сдвига фаз между
и
в цепь обмотки возбуждения включается конденсатор
. Величина его ёмкости рассчитывается из условия получения кругового поля при пуске двигателя. Изменение управляющего напряжения с помощью потенциометра
изменяет также и угол
. Это объясняется тем, что
,
а ток возбуждения
меняется при изменении
Недостаток всех трёх методов управления АИД - малая экономичность, так как из-за наличия обратного поля в статоре и роторе возникают значительные электрические потери.
7. Явление самохода и способы его устранения
Двигатель имеет самоход, если его ротор вращается при отсутствии сигнала управления. Практически, этот режим может возникнуть, когда подано только напряжение возбуждения – это технологический самоход, или когда снимается поданное ранее напряжение управления - методический (параметрический) самоход.
Причиной технологического самохода является появление слабого эллиптического поля, порождённого паразитными токами. Причиной появления последних может служить либо замыкание между листами стали магнитопровода статора, либо наличие короткозамкнутых витков в обмотках, либо разная магнитная проводимость машины в различных радиальных направлениях, либо изменение толщины стенок ротора по его окружности и прочее. Устранить этот вид самохода можно при тщательном контроле за технологией изготовления двигателя.
















