124763 (566710)
Текст из файла
Міністерство освіти і науки України
Національний університет водного господарства і природокористування
Кафедра електротехніки і автоматики
Розрахунково-графічна робота
з дисципліни
«Монтаж, налагодження та експлуатація систем автоматизації»
Варіант 9
Виконав:
студент 5 курсу
групи АУТП-51
Пастушенко А.В.
Перевірив:
Кованько О.В.
Рівне – 2010
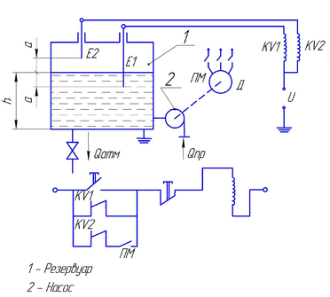
Рис1. Автоматична система регулювання рівня двопозиційним регулятором із зоною нечутливості
Дана АСР забезпечує підтримку заданого рівня води в резервуарі, запізнення в системі відсутнє. Із резервуара вода подається до споживача за допомогою насоса. Витрата Qот незалежить від рівня води в резервуарі. Заданий рівень води hзд=9м. Відцентровий насос, який подає воду в резервуар забезпечує витрату Qзд.пр=Qзд.от. Ця рівність справедлива при числі обертів nзд= 0,5nном. Коефіцієнт передачі об’єкта Kоб=9∙10-3с-1. Допустиме число вмикань двигуна m=19 вм/год.
Задача 1
Визначити на якій відстані відносно заданого hзд необхідно встановити контактні електроди.
Розв’язок
Так як по умовам задачі витрата нагнітаючого і відсмоктуючого насоса практично не залежить від рівня води в резервуарі, то об’єкт регулювання в динамічному відношенні може бути предствлений інтегруючою ланкою
У зв’язку з тим, що витрата насосів пропорційна числу обертів регулююча дія регулятора в приростах від заданого значення рівня В1=К(nном- nзд);
В1=К(2nзд- nзд)=К nзд=В2=В, де
К- коефіцієнт пропорційності
У відносних одиниціях регулююча дія записується так:
;
=1=B1=B2
Так як запізнення в системі рівне нулю, то при обмеженому числі вмикань двигуна, двопозиційний регулятор повинен мати статичну характеристику із зоною нечутливості, що не дорівнює нулю 2а≠0.
Таким чином параметри статичної характеристики регулятора:
B1=B2=B, a ≠ 0
Процес двопозиційного регулювання об’єкта з передаточною функцією
X
розраховується таким чином:
так як діапазон коливань
∆x=∆h=2a;
, де n – число перемикань.
n = 2m;
Тоді
;
Підставляючи значення величин знаходимо діапазон коливання рівня води в резервуарі у відносних одиницях
Діапазон коливань в абсолютних одиницях:
м
Таким чином електроди в резервуарі повинні бути встановлені на відмітках:
м
м
Задача 2
На нашу систему надходить ступінчаста збурюча дія зі сторони відтоку, для компенсації якої в рівноважному стані необхідне збільшення числа обертів
nзд = 0.5nном
∆n = 0.9nном
Потрібно визначити частоту включень електродвигуна та час його включеного і виключеного стану за один період і тривалість включення ПВ(%).
Розв’язок
Визначаємо регулюючу дію В1 на об’єкт при включеннях електродвигуна в приростах від умовного рівноважного стану у відносних одиницях
n1=0.5nном+0.9nном=0.14nном
n1 – число обертів електродвигуна при новому умовно-рівноважному стані
При вимкненні електродвигуна регулююча дія рівна
пер/год
Число ввімкнень електродвигуна
вм/год
(хв.)
(хв.)
Задача 3
Розглянемо АСР рівня води в резервуарі зображену на даному рисунку. Умови: вода подається до споживача самотоком.
hзд=9 (м);
h1=5.175 (м);
h2=12.825(м);
В рівноважному стані nзд=0,5nном.
Коефіцієнт передачі об’єкта Kоб=9∙10-3.
Постійна часу Tоб=19 (хв).
Визначити період встановившихся коливань рівня води в резервуарі, так як в даному випадку витрата води в резервуарі залежить від рівня то в динамічному відношенні об’єкт регулювання являється аперіодичною ланкою першого порядку з передаточною функцією:
В1=6.14;
В2=1;
(хв)
(хв)
(хв)
Характеристики
Тип файла документ
Документы такого типа открываются такими программами, как Microsoft Office Word на компьютерах Windows, Apple Pages на компьютерах Mac, Open Office - бесплатная альтернатива на различных платформах, в том числе Linux. Наиболее простым и современным решением будут Google документы, так как открываются онлайн без скачивания прямо в браузере на любой платформе. Существуют российские качественные аналоги, например от Яндекса.
Будьте внимательны на мобильных устройствах, так как там используются упрощённый функционал даже в официальном приложении от Microsoft, поэтому для просмотра скачивайте PDF-версию. А если нужно редактировать файл, то используйте оригинальный файл.
Файлы такого типа обычно разбиты на страницы, а текст может быть форматированным (жирный, курсив, выбор шрифта, таблицы и т.п.), а также в него можно добавлять изображения. Формат идеально подходит для рефератов, докладов и РПЗ курсовых проектов, которые необходимо распечатать. Кстати перед печатью также сохраняйте файл в PDF, так как принтер может начудить со шрифтами.
















