47649 (566460)
Текст из файла
Целью данной лабораторной работы является изучение принципов и получения практических навыков моделирования структурных схем в среде SIMULINK пакета MATLAB.
ТЕОРЕТИЧЕСКИЕ ИССЛЕДОВАНИЯ
Задание 1
Построить график функции в декартовой системе координат. Результаты представить в виде графика.
Диапазон изменения аргумента: 0.1-1.8
Шаг: 1/20=0.05
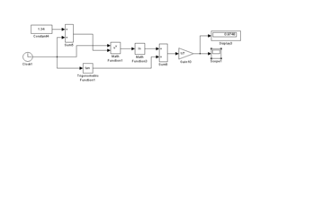
Структурная схема для построения данного графика функции представлена на рисунке 1.1
Рисунок 1.1 – Структурная схема моделирования функции к заданию 1
Задание 2
Решить системы линейных и нелинейных уравнений. Начальные приближения:
;
Задана система линейных уравнений:
;
Преобразую систему к виду:
;
Структурная схема для решения данного линейного уравнения представлена на рисунке 1.2
Рисунок 1.2 - Структурная схема для решения системы линейных уравнений к заданию 2
Задана система нелинейных уравнений:
;
Преобразую систему к виду:
;
Структурная схема решения данного линейного уравнения представлена на рисунке 1.3
Рисунок 1.3 - Структурная схема для решения системы нелинейных уравнений к заданию 2
Задание 3
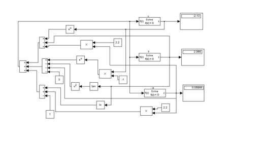
Осуществить моделирование структуры, представленной на рисунке 1.4
Рисунок 1.4 – Структурная схема к заданию 3
ЭКСПЕРИМЕНТАЛЬНЫЕ ИССЛЕДОВАНИЯ
-
Структурная схема для построения графика функции
к заданию 1 представлена на рисунке 2.1
Рисунок 2.1 – Структурная схема моделирования функции к заданию 1
Построил график функции к заданию 1, представленный на рисунке 2.2.
Рисунок 2.2 – График функции к заданию 1
-
Задана система линейных уравнений:
;
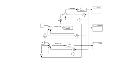
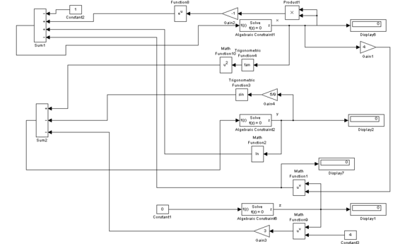
Структурная схема для решения данного линейного уравнения представлена на рисунке 2.3
Р
исунок 2.3 - Структурная схема для решения системы линейных уравнений к заданию 2
Построил структурные модели к заданию 2. Для линейной системы уравнений получил следующие значения:
;
-
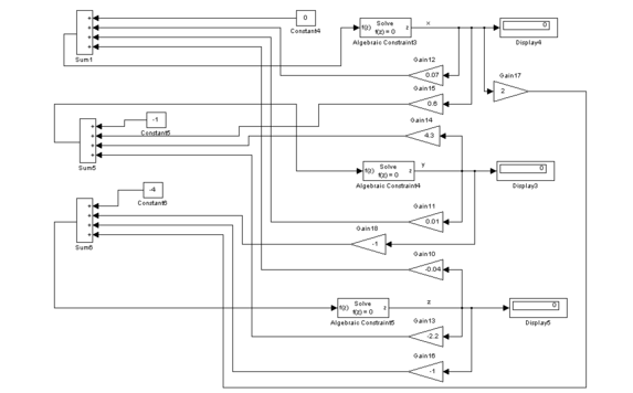
Задана система нелинейных уравнений:
;
Структурная схема решения данного линейного уравнения представлена на рисунке 2.4
Структурная схема для решения системы нелинейных уравнений к заданию 2.
Для нелинейной системы уравнений получил такие значения:
.
-
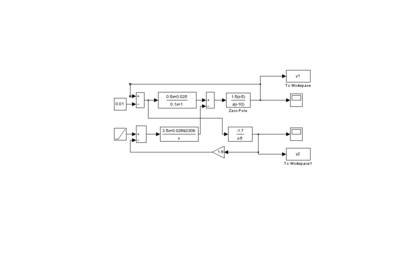
Построил структурную модель к заданию 3 (рисунок 2.5). График результатов работы модели F(t,y1) представлен на рисунке 2.6.
Рисунок 2.5 – Структурная схема к заданию 3
Рисунок 2.6 - График F(t,y1) результатов работы функции модели 3 к заданию 3
График результатов работы модели F(t,y2) представлен на рисунке 2.7.
y
Рисунок 2.7 - График F(t,y2) результатов работы функции модели 3 к заданию 3
ВЫВОДЫ
В результате выполнения данной лабораторной работы получил практические навыки моделирования структурных схем в среде SIMULINK пакета MATLAB. Также я научился строить графики функций в декартовой системе координат (рисунок 2.1). Я научился решать системы линейных и нелинейных уравнений, то есть нашел корни этих уравнений
А также получил результаты работы модели в задании 3 (рисунок 2.2 и 2.3).
Научился работать с такими блоками, как Sum, Algebraic Constraint, Gain, Product и другими.
Характеристики
Тип файла документ
Документы такого типа открываются такими программами, как Microsoft Office Word на компьютерах Windows, Apple Pages на компьютерах Mac, Open Office - бесплатная альтернатива на различных платформах, в том числе Linux. Наиболее простым и современным решением будут Google документы, так как открываются онлайн без скачивания прямо в браузере на любой платформе. Существуют российские качественные аналоги, например от Яндекса.
Будьте внимательны на мобильных устройствах, так как там используются упрощённый функционал даже в официальном приложении от Microsoft, поэтому для просмотра скачивайте PDF-версию. А если нужно редактировать файл, то используйте оригинальный файл.
Файлы такого типа обычно разбиты на страницы, а текст может быть форматированным (жирный, курсив, выбор шрифта, таблицы и т.п.), а также в него можно добавлять изображения. Формат идеально подходит для рефератов, докладов и РПЗ курсовых проектов, которые необходимо распечатать. Кстати перед печатью также сохраняйте файл в PDF, так как принтер может начудить со шрифтами.
к заданию 1 представлена на рисунке 2.1















