150074 (566347)
Текст из файла
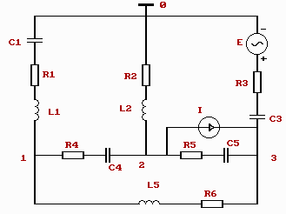
Часть 1. Анализ электрической цепи без учета индуктивных связей между катушками
-
Схема электрической цепи
Исходные данные:
E1 = Em*sin(t+1)
I1 = Im*sin(t+2)
Em =- 80 В, Im = 6 A
1 = +42, 2 = -50
= 2f, f = a*f0,
a = 1.05, f0 = 55 Гц
R1 = 12 Ом, R2 = 6 Ом,
R3 = 10 Ом, R4 = 8 Ом,
R5 = 5 Ом, R6 = 11 Ом.
L1 = 45 мГн, L2 = 40 мГн,
L6 = 25 мГн.
C1 = 320 мкФ, С3 = 200 мкФ,
С4 = 250 мкФ, С5 = 300 мкФ.
-
Определение токов методом узловых напряжений
-
Проверка по I закону Кирхгофа
-
Метод эквивалентного генератора
-
Н
апряжения на каждом элементе цепи
-
График значений токов в первой и третьей ветвях
-
Векторная диаграмма токов
1
.8 Векторно-топографическая диаграмма напряжений
Часть 2. Анализ электрической цепи с учетом индуктивных связей между катушками
-
Определение токов методом контурных токов
2.2 Напряжения на индуктивно связанных катушках
-
Напряжения на каждом элементе цепи
-
П
роверка по 2-му закону Кирхгофа -
Векторная диаграмма токов
-
В
екторно-топографическая диаграмма напряжений
Характеристики
Тип файла документ
Документы такого типа открываются такими программами, как Microsoft Office Word на компьютерах Windows, Apple Pages на компьютерах Mac, Open Office - бесплатная альтернатива на различных платформах, в том числе Linux. Наиболее простым и современным решением будут Google документы, так как открываются онлайн без скачивания прямо в браузере на любой платформе. Существуют российские качественные аналоги, например от Яндекса.
Будьте внимательны на мобильных устройствах, так как там используются упрощённый функционал даже в официальном приложении от Microsoft, поэтому для просмотра скачивайте PDF-версию. А если нужно редактировать файл, то используйте оригинальный файл.
Файлы такого типа обычно разбиты на страницы, а текст может быть форматированным (жирный, курсив, выбор шрифта, таблицы и т.п.), а также в него можно добавлять изображения. Формат идеально подходит для рефератов, докладов и РПЗ курсовых проектов, которые необходимо распечатать. Кстати перед печатью также сохраняйте файл в PDF, так как принтер может начудить со шрифтами.
апряжения на каждом элементе цепи
роверка по 2-му закону Кирхгофа
екторно-топографическая диаграмма напряжений















