150058 (566346)
Текст из файла
Лабораторная работа
«Амплитудный детектор»
Теоретическая часть
Амплитудным детектором называется радиотехническое устройство, в котором осуществляется выделение из амплитудно-модулированного высокочастотного колебания (рис. 1а) модулированного сигнала (рис. 1в). Детектирование может осуществляться как в нелинейных, так и в линейных цепях с периодически изменяющимися параметрами. На практике используются нелинейные амплитудные детекторы.
На рис. 1б показана функциональная схема нелинейного амплитудного детектора, содержащая нелинейный элемент (НЭ) и фильтр (Ф), пропускающий модулирующие колебания.
При детектировании немодулированного высокочастотного сигнала выходное напряжение детектора должно быть постоянным. В этом случае амплитудный детектор работает как выпрямитель переменного тока.
В зависимости от величины входного сигнала различают квадратичный режим детектирования (слабый сигнал) и линейный (большой сигнал).
В качестве нелинейного элемента в амплитудном детекторе могу быть использованы: диод, триод, пентод или транзисторы.
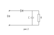
В настоящей работе в схеме амплитудного детектора используется диод, а фильтром служит сглаживающий конденсатор. Такой детектор называют диодным. На рис. 2 приведена схема диодного детектора.
Сопротивление R – это сопротивление тех цепей или приборов, которые подключаются к выходу детектора.
Анализ работы «линейного» детектора
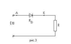
Рассмотрение работы детектора начнём со схемы, не содержащей конденсатор (см. рис. 3).
Будем считать, что напряжение Е (t) на входе меняется по гармоническому закону Е = Е
sin t, то есть сигнал не модулирован и детектор работает как выпрямитель. При большом уровне входного сигнала вольтамперную характеристику диода с достаточной точностью можно аппроксимировать ломаной прямой, проведённой на рис. 4а.
Этот случай детектирования, при котором пренебрегают нелинейностью характеристики диода на прямой ветви, называется линейным.
Диод открыт в течение периода, когда на его аноде (т. А) имеется положительный относительно катода (т. К) потенциал. В детекторах сопротивление диода R
в открытом состоянии много меньше нагрузочного сопротивления, поэтому в этот отрезок времени большая часть напряжения E падает на резисторе R. Форма выпрямленного напряжения U
повторяет форму входного напряжения Е(t). В течение другой половины периода диод закрыт и напряжение на выходе выпрямителя равно нулю. Из трафика (рис. 4в) видно, что выходное напряжение сильно пульсирует. Одним из основных параметров выпрямителя является коэффициент пульсаций К
. Коэффициентом пульсаций называется отношение амплитуды максимальной переменной составляющей на выходе к среднему значению выпрямленного напряжения. Среднее значение напряжения (рис. 4в) или его постоянная составляющая равна
U
=
= U
/ = 0.318 U
,
где U
– амплитуда пульсаций напряжения U
. Следует заметить, что, поскольку прямое напряжение на диоде очень мало, то можно считать U
Е
. Выпрямленное напряжение U
содержит также переменные составляющие, из которых максимальную амплитуду U
имеет составляющая основной частоты переменного напряжения Е.
Используя разложение в ряд Фурье, получаем
U
= 1.57 U
.
Отсюда следует, что коэффициент пульсаций в схеме выпрямителя довольно высок
К
=
= 157%.
Для уменьшения пульсаций напряжения применяют специальные сглаживающие фильтры. Простейшим фильтром может служить конденсатор большой ёмкости, который включается параллельно нагрузочному резистору R (см рис. 2). Включение конденсатора существенно изменяет условия работы диода.
Во время некоторой части положительного полупериода, когда напряжение на диоде прямое, через диод проходит ток, заряжающий конденсатор до напряжения, близкого к Е
. Зарядка конденсатора через сравнительно малое сопротивление диода происходит быстро. В то время, когда ток через диод не проходит, конденсатор разряжается через нагрузку R и создаёт на ней напряжение, которое постепенно снижается. На рис. 5 момент времени t
– это тот момент, когда потенциал катода в процессе зарядки конденсатора сравнивается с потенциалом анода и ток через диод прекращается, несмотря на продолжающийся положительный полупериод напряжения Е(t). Конденсатор не успевает заметно разрядиться за время между импульсами тока диода, то есть за время t = t
- t
, так как RC>>t. Начиная с момента времени t
положительной части синусоидального напряжения, потенциал анода становится выше потенциала катода диода и происходит быстрая подзарядка конденсатора до прежнего значения напряжения на нём в момент t
.
Итак, зарядка конденсатора через сравнительно малое сопротивление открытого диода происходит быстро, разряд же на большое сопротивление нагрузки R совершается гораздо медленнее. Вследствие этих двух по разному текущих процессов напряжение на конденсаторе и включённой параллельно ему нагрузке пульсирует незначительно.
Напряжение на конденсаторе U
приложено плюсом к катоду, минусом к аноду диода. Поэтому напряжение на диоде U
определяется разностью между входным напряжением Е и напряжением на конденсаторе.
U
= Е – U
Максимальное обратное напряжение на диоде получается при отрицательном значении входного напряжения Е = – Е
. Поскольку напряжение на конденсаторе также близко к Е
, то наибольшее обратное напряжение близко к 2 Е
. На рис. 5 указан момент времени t
, когда реализуется наибольшее обратное напряжение. Таким образом, применение удваивает обратное напряжение по сравнению с его значением при отсутствии конденсатора. Как следствие, диод следует подбирать так, чтобы он выдерживал это обратное напряжение.
Практическая часть
-
Получим ВАХ диода на осциллографе при двух различных значениях нагрузочного сопротивления (графики 1 и 2).
-
Соберём схему диодного выпрямителя без конденсатора, получим осциллограмму выходного сигнала (график 3).
-
Включим в схему конденсатор и получим осциллограммы выходного сигнала в зависимости от частоты f при ёмкости С = 0.05мкФ (графики 4–6) и от ёмкости конденсатора при частоте f = 9000Гц (графики 7–9).
Вывод
В данной работе мы изучали амплитудный детектор; получили вольтамперную характеристику диода, по виду которой определили величину прямого напряжения, начиная с которого возможна линейная аппроксимация ВАХ. Также мы изучали форму выходного сигнала диодного выпрямителя в зависимости от величины емкости конденсатора С и частоты f. Все зависимости совпадают с теоретическими.
Литература
1. В.Н. Ушаков. «Основы радиоэлектроники и радиотехнические устройства». М., «Высшая школа», 1976
2. Е.И. Манаев. «Основы радиоэлектроники». М., «Радио и связь», 1985
Характеристики
Тип файла документ
Документы такого типа открываются такими программами, как Microsoft Office Word на компьютерах Windows, Apple Pages на компьютерах Mac, Open Office - бесплатная альтернатива на различных платформах, в том числе Linux. Наиболее простым и современным решением будут Google документы, так как открываются онлайн без скачивания прямо в браузере на любой платформе. Существуют российские качественные аналоги, например от Яндекса.
Будьте внимательны на мобильных устройствах, так как там используются упрощённый функционал даже в официальном приложении от Microsoft, поэтому для просмотра скачивайте PDF-версию. А если нужно редактировать файл, то используйте оригинальный файл.
Файлы такого типа обычно разбиты на страницы, а текст может быть форматированным (жирный, курсив, выбор шрифта, таблицы и т.п.), а также в него можно добавлять изображения. Формат идеально подходит для рефератов, докладов и РПЗ курсовых проектов, которые необходимо распечатать. Кстати перед печатью также сохраняйте файл в PDF, так как принтер может начудить со шрифтами.
















