144048 (566306)
Текст из файла
Министерство образования Российской Федерации
Государственное образовательное учреждение
высшего профессионального образования
Череповецкий Государственный Университет
Лабораторная работа
«Исследование температурного поля наружного угла методом электрического моделирования»
Выполнил студент
группы 5 ЭН – 22
Малинин М.С.
Проверил профессор
Федорчук Н.М.
г. Череповец
2007 г.
Цель работы
Исследование двумерного температурного поля наружного угла в условиях стационарной теплопередачи, сравнение результатов с расчетными данными.
Оборудование: установка – электрическая модель наружного угла.
Основные теоретические положения
Теплопередача через ограждение конструкций зданий, вызванная перепадом температуры между наружным и внутренним воздухом помещения, зависит от геометрической формы ограждения. В частности, увеличение теплопередачи через наружные углы зданий связано, в основном, с увеличением площади теплопередачи. Температура на внутренней поверхности угла оказывается ниже температуры плоской поверхности стены вдали от угла на (4-6)0 С, что может привести к выпадению конденсата на внутренней поверхности угла, уменьшению теплового сопротивления и к дальнейшему увеличению потери тепла. Устранение этих негативных явлений необходимо предусмотреть в процессе проектирования. Математическая зависимость понижения температуры в наружном углу от теплофизических свойств стены не установлена, и эту зависимость находят с помощью электрического моделирования.
Описание экспериментальной установки
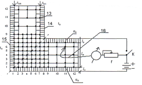
Установка выполнена из электропроводной графитовой бумаги с соблюдением принципов аналогии модели и натуры. Тепловое поле модели разбито на квадраты, размер которых в области сгиба стены уменьшен в два раза. Ширина полосы отражает в некотором масштабе толщину ограждений δ = k · lм; сопротивление тепловосприятию и теплоотдаче имитируют полоски бумаги шириной lв и lн, расположенные по периметру модели. В вершинах квадратов установлены клеммы 13 для измерения тока гальванометра, пропорционального их потенциалам. Температуру окружающей среды имитируют электрические потенциалы, подаваемые на ширине 14 и 15 от источника постоянного тока через выключатель К, переменный резистор r и гальванометр G к шине 15 подключен свободный щуп 16. выключатель К и переменный резистор сблокированы. Электрическая модель имеет ось симметрии, которая на рисунке показана пунктирной линией.
Показания гальванометра
| . | 1 | 2 | 3 | 4 | 5 | 6 | 7 | 8 | 9 | 10 | 11 | 12 |
| 1 | 123 | 112 | 84 | 58 | 44 | |||||||
| 2 | 134 | 115 | 86 | 64 | 44 | |||||||
| 3 | 121 | 116 | 96 | 67 | 53 | |||||||
| 4 | 124 | 119 | 114 | 108 | 96 | 92 | 64 | |||||
| 5 | 136 | 129 | 120 | 113 | 103 | 91 | 80 | |||||
| 6 | 101 | 135 | 122 | 120 | 112 | 104 | 97 | 85 | 90 | 76 | 63 | 43 |
| 7 | 142 | 139 | 133 | 125 | 119 | 113 | 109 | 102 | 95 | 93 | 51 | 63 |
| 8 | 147 | 143 | 140 | 134 | 130 | 125 | 110 | 109 | 106 | |||
| 9 | 151 | 147 | 143 | 140 | 134 | 134 | 125 | 117 | 110 | 113 | 106 | 104 |
| 10 | 157 | 155 | 151 | 149 | 142 | 141 | 132 | 134 | 122 | |||
| 11 | 158 | 160 | 159 | 156 | 152 | 149 | 145 | 146 | 144 | 137 | 139 | 139 |
| 12 | 155 | 164 | 163 | 161 | 159 | 157 | 155 | 154 | 150 | 149 | 150 | 157 |
Усредненные значения гальванометра для симметричных точек
| 1 | 2 | 3 | 4 | 5 | 6 | 7 | 8 | 9 | 10 | 11 | 12 | |
| 1 | 117,7 | 105,8 | 83,7 | 57 | 43,5 | |||||||
| 2 | 121,6 | 117,7 | 90,7 | 61 | 57 | |||||||
| 3 | 127,6 | 121,6 | 105,8 | 83,7 | 61 | |||||||
| 4 | 132,4 | 127,6 | 121,6 | 117,7 | 105,8 | 90,7 | 83,7 | |||||
| 5 | 139 | 132,4 | 127,6 | 121,6 | 117,7 | 105,8 | 90,7 | |||||
| 6 | 138 | 139 | 132,4 | 127,6 | 121,6 | 117,7 | 105,8 | 90,7 | 83,7 | 61 | 57 | 43,5 |
| 7 | 147,7 | 138 | 139 | 132,4 | 127,6 | 121,6 | 117,7 | 105,8 | 90,7 | 83,7 | 61 | 57 |
| 8 | 152 | 147,7 | 138 | 139 | 132,4 | 127,6 | 121,6 | 117,7 | 105,8 | |||
| 9 | 156,5 | 152 | 147,7 | 138 | 139 | 132,4 | 127,6 | 121,6 | 117,7 | 105,8 | 90,7 | 83,7 |
| 10 | 160 | 156,5 | 152 | 147,7 | 138 | 139 | 132,4 | 127,6 | 121,6 | |||
| 11 | 161 | 160 | 156,5 | 152 | 147,7 | 138 | 139 | 132,4 | 127,6 | 121,6 | 117,7 | 105,8 |
| 12 | 155 | 161 | 160 | 156,5 | 152 | 147,7 | 138 | 139 | 132,4 | 127,6 | 121,6 | 117,7 |
Расчет температур отдельных точек на модели угла
| 1 | 2 | 3 | 4 | 5 | 6 | 7 | 8 | 9 | 10 | 11 | 12 | |
| 1 | -2,97 | -0,64 | 5,27 | 10,76 | 13,71 | |||||||
| 2 | -5,29 | -1,28 | 4,84 | 9,49 | 13,71 | |||||||
| 3 | -2,54 | -1,49 | 2,73 | 8,86 | 11,81 | |||||||
| 4 | -3,18 | -2,12 | -1,07 | 0,2 | 2,73 | 5,69 | 9,49 | |||||
| 5 | -5,71 | -4,23 | -2,3 | -0,86 | 1,25 | 3,79 | 6,11 | |||||
| 6 | 1,68 | -5,5 | -2,76 | -2,33 | -0,64 | 1,04 | 2,52 | 5,06 | 4 | 6,96 | 9,7 | 13,92 |
| 7 | -6,98 | -6,34 | -5,08 | -3,39 | -2,12 | -0,86 | -0,01 | 1,47 | 2,94 | 3,37 | 12,23 | 9,7 |
| 8 | -8,03 | -7,19 | -6,56 | -5,29 | -4,44 | -3,39 | -0,22 | -0,01 | 0,62 | |||
| 9 | -8,88 | -8,03 | -7,19 | -6,56 | -5,29 | -5,29 | -3,39 | -1,7 | -0,22 | -0,86 | -0,62 | 1,04 |
| 10 | -10,14 | -9,72 | -8,87 | -8,46 | -6,98 | -6,77 | -4,87 | -5,29 | -2,76 | |||
| 11 | -10,36 | -10,78 | -10,57 | -9,93 | -9,09 | -8,46 | -7,61 | -7,82 | -7,4 | -5,92 | -6,34 | -6,34 |
| 12 | -9,72 | -11,62 | -11,41 | -10,98 | -10,57 | -10,14 | -9,72 | -9,51 | -8,67 | -8,46 | -8,67 | -10,14 |
Характеристики
Тип файла документ
Документы такого типа открываются такими программами, как Microsoft Office Word на компьютерах Windows, Apple Pages на компьютерах Mac, Open Office - бесплатная альтернатива на различных платформах, в том числе Linux. Наиболее простым и современным решением будут Google документы, так как открываются онлайн без скачивания прямо в браузере на любой платформе. Существуют российские качественные аналоги, например от Яндекса.
Будьте внимательны на мобильных устройствах, так как там используются упрощённый функционал даже в официальном приложении от Microsoft, поэтому для просмотра скачивайте PDF-версию. А если нужно редактировать файл, то используйте оригинальный файл.
Файлы такого типа обычно разбиты на страницы, а текст может быть форматированным (жирный, курсив, выбор шрифта, таблицы и т.п.), а также в него можно добавлять изображения. Формат идеально подходит для рефератов, докладов и РПЗ курсовых проектов, которые необходимо распечатать. Кстати перед печатью также сохраняйте файл в PDF, так как принтер может начудить со шрифтами.
















