144045 (566304)
Текст из файла
Министерство образования Российской Федерации
Государственное образовательное учреждение
высшего профессионального образования
Череповецкий Государственный Университет
Кафедра Сопротивление материалов
Лабораторная работа № 1
«Испытание стержней на устойчивость»
Выполнил студент
группы 5 ЭН – 22
Малинин М.С.
Проверил профессор
Титов В.А.
г. Череповец
2007 г
Цель работы
Определение критической силы для центрального сжатого стержня и пределов применения расчетных формул
Задачи работы
-
Определить предельную гибкость
-
Определить фактическую гибкость для двух типов закрепления концов стержня
-
Сделать вывод о выборе формулы для определения критической силы
-
Определить критическую силу для двух типов закрепления концов стержня.
Основные теоретические положения
При осевом сжатии стержней, поперечные размеры которых малы по сравнению с длиной, может произойти потеря устойчивости стержня, т.е. стержень будет искривляться в плоскости наименьшей жесткости.
Наименьшее значение нагрузки, при которой прямолинейная форма равновесия стержня становится неустойчивой, называется критической силой.
В случае, когда потеря устойчивости происходит при напряжениях, не превосходящих предела пропорциональности, критическая сила Pкр определяется по формуле Эйлера: Pкр = π2 · E · Уmin / (μ · l) 2
E – модуль продольной упругости материала стержня;
Уmin – минимальный осевой момент инерции поперечного сечения стержня;
μ – коэффициент приведения длины, который зависит от способа закрепления концов стержня;
l – длина стержня.
Если потеря устойчивости происходит при напряжениях, превосходящих предел пропорциональности, критическую силу вычисляют через критические напряжения σкр, которые определяют по формуле Ясинского:
σкр = a – b · λ
где a и b – коэффициенты, зависящие от материала стержня
(для стали a = 310 МПа, b = 1,4 МПа)
λ – гибкость стержня.
Практически применимость той или другой формулы для вычисления критической силы устанавливают сравнением гибкости стержня λ с предельной гибкостью для материала стержня λпред, которые определяются по формулам:
λ = μ · l / ίmin λпред = √ π2 · E / σпц
где σпц - предел пропорциональности материала стержня
ίmin - минимальный радиус инерции площади F поперечного сечения стержня, определяемый по формуле: ίmin = √ Уmin / F
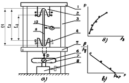
Схема установки
-
схема установки
-
график нагрузка – прогиб
-
определение критической нагрузки
Состав установки
-
Верхняя траверса
-
Верхний зажим для закрепления стержня
-
Четыре стойки
-
Нижний зажим для закрепления стержня
-
Нижняя траверса
-
Индикатор
-
Динамометр
-
Силовой механизм
-
Стержень
-
Индикатор для измерения прогибов стержня
Данные о стержне при μ = 1 : l = 87 см, h = 5,1 мм, b = 4,05 см
Данные о стержне при μ = 0,7 : l = 84,25 см, h = 5,1 мм, b = 4,05 см
Результат измерений
| μ = 1 | |||||||||||||||||||
| Нагрузка P | мм | 0 | 42 | 85 | 130 | 172 | |||||||||||||
| Н | 0 | 200 | 400 | 600 | 800 | ||||||||||||||
| Прогиб fg, мм · 10 -2 | 92 | 111 | 145 | 191 | 354 | ||||||||||||||
| μ = 0,7 | |||||||||||||||||||
| Нагрузка P | мм | 90 | 172 | 200 | 346 | 432 | |||||||||||||
| Н | 400 | 800 | 1200 | 1600 | 2000 | ||||||||||||||
| Прогиб fg, мм · 10 -2 | 9 | 21 | 50 | 99 | 338 | ||||||||||||||
μ = 1 μ = 0,7
Вычисление теоретического значения Pкр
Для μ = 1
Уmin = b · h3 / 12 = 4,05 · 0,513 / 12 = 44,76 · 10-11 м4
F = b · h = 0,002 м2
ί2 = Уmin / F = 44,76 · 10-11 / 0,002 = 2,24 · 10-6 м2
ί min = 1,49 · 10-3 м
λ = μ · l / ίmin = 1 · 0,87 / 1,49 · 10-3 = 584
λпред = √ π2 · E / σпц = √10 · 2 · 1011 / 2 · 108 = 100
Т.к. λ > λпред то Pкр= π2 · E · Уmin / (μ · l) 2 =
= 10 · 2 · 1011 · 44,76 · 10-11 / (1 · 0,87)2 = 1182,7 H
Для μ = 0,7
Уmin = b · h3 / 12 = 4,05 · 0,513 / 12 = 44,76 · 10-11 м4
F = b · h = 0,002 м2
ί2 = Уmin / F = 44,76 · 10-11 / 0,002 = 2,24 · 10-6 м2
ί min = 1,49 · 10-3 м
λ = μ · l / ίmin = 0,7 · 0,8425 / 1,49 · 10-3 = 395
λпред = √ π2 · E / σпц = √10 · 2 · 1011 / 2 · 108 = 100
Т.к. λ > λпред то Pкр= π2 · E · Уmin / (μ · l) 2 =
= 10 · 2 · 1011 · 44,76 · 10-11 / (0,7 · 0,8425)2 = 2560 H
Расчет погрешности измерений
Δ1 = Pкртеор – Pкропыт / Pкртеор = 1182,7 – 1045 / 1182,7 = 11,6 %
Δ2 = Pкртеор – Pкропыт / Pкртеор = 2560 – 2240 / 2560 = 12,5 %
Результаты определения критической силы
| Схема закрепления | Значение Pкр, H | Расхождение, % | |
| опытное | теоретическое | ||
| μ = 1 | 1045 | 1182,7 | 11,6 |
| μ = 0,7 | 2240 | 2560 | 12,5 |
Вывод
В ходе лабораторной работы мы определили критическую силу Pкр для центрального сжатого стержня и пределов применения расчетных формул. В процессе вычислений было выяснено, что для нахождения критической силы нужно использовать формулу Эйлера. Расчеты показали следующие значения: при μ = 1 Pкртеор = 1182,7 Н, при μ = 0,7 Pкртеор = 2560 Н; по графику видно, что при μ = 1 Pкропыт = 1045 Н, при μ = 0,7 Pкропыт = 2240 Н. Полученная ошибка (11,6% и 12,5%) объясняется погрешностью лабораторной установки, снятием показаний приборов и неточностью расчетов.
Характеристики
Тип файла документ
Документы такого типа открываются такими программами, как Microsoft Office Word на компьютерах Windows, Apple Pages на компьютерах Mac, Open Office - бесплатная альтернатива на различных платформах, в том числе Linux. Наиболее простым и современным решением будут Google документы, так как открываются онлайн без скачивания прямо в браузере на любой платформе. Существуют российские качественные аналоги, например от Яндекса.
Будьте внимательны на мобильных устройствах, так как там используются упрощённый функционал даже в официальном приложении от Microsoft, поэтому для просмотра скачивайте PDF-версию. А если нужно редактировать файл, то используйте оригинальный файл.
Файлы такого типа обычно разбиты на страницы, а текст может быть форматированным (жирный, курсив, выбор шрифта, таблицы и т.п.), а также в него можно добавлять изображения. Формат идеально подходит для рефератов, докладов и РПЗ курсовых проектов, которые необходимо распечатать. Кстати перед печатью также сохраняйте файл в PDF, так как принтер может начудить со шрифтами.
















