123187 (566194)
Текст из файла
ДонГТУ Лабораторная работа № 2
АУТПТЭК Изучение аппаратуры автоматизации
УФИ - ИПР
Цель работы: изучение назначения, функциональных возможностей, принципа действия и конструкции комплекта аппаратуры: устройство формирования информации - индикатор работы погрузочного пункта, УФИ-ИРП.
1 ТЕОРЕТИЧЕСКИЕ ИССЛЕДОВАНИЯ
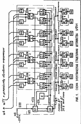
Устройство формирования информации УФИ предназначено для сбора, формирования и передачи информации о прохождении вагонеток в четырех точках контроля (с учетом направления их движения) в подсистеме учета, контроля и анализа работы внутришахтного транспорта с локомотивной откаткой наугольных шахтах, опасных по газу и пыли.
Устройство может быть применено для телеконтроля состояния объекта ("включено" - "отключено"), а также для обнаружения ферромагнитных масс.
Индикатор работы погрузочного пункта шахты ИРП.1М предназначен для обработки и оперативного представления диспетчеру на поверхности шахты информации о расстановке вагонеток на порожняковой и грузовой ветвях погрузочных и разгрузочных пунктов. Используется в АСУП шахты, в подсистеме учета, контроля и анализа работы внутришахтного транспорта с электровозной откаткой.
Индикатор является оконечным выходным устройством в подсистеме, работает совместно с устройством формирования информации УФИ и отображает в удобной для восприятия визуальной форме количество вагонеток, загруженных с начала смены.
Комплект аппаратуры УФИ - ИРП обеспечивает:
1) сбор, формирование и передачу информации о прохождении вагонеток в четырех точках контроля с учетом направления их движения (УФИ);
-
приём, формирование и выдачу информации на поверхность шахты диспетчеру о прохождении вагонеток через точки контроля (УФИ);
-
телеконтроль состояния восьми объектов ("включено' - "отключено") (УФИ);
4) возможность одновременной передачи восьми сигналов по свободной паре жил телефонного кабеля благодаря частотному способу разделения этих сигналов (УФИ);
5) передачу каждого из восьми сигналов на своей частоте: 30, 33, 36, 40, 44, 46, 53 и 58 кГц (УФИ);
-
пересчет количества осей в число вагонеток (УФИ);
-
определение направления движения вагонеток (УФИ);
8) возможность обнаружения ферромагнитной массы в зоне установки чувствительного элемента (УФИ);
9) приём и обработку информации для подсчета количества вагонеток (ИРП);
10) преобразование подсчитанного числа вагонеток на ветви в длину светящегося столбика дискретно-аналогового газоразрядного индикатора (ИРП);
-
сложение и вычитание числа вагонеток на ветви (ИРП);
-
отображение в удобной для восприятия визуальной форме количества вагонеток, загруженных с начала смены (ИРП).
2 Техническая характеристика УФИ - ИРП
2.1 Техническая характеристика устройства формирования информации (УФИ)
-
Номинальное напряжение питания (частотой 50 Гц), В 220
-
Потребляемая мощность (не более), В*А 60
-
Контролируемая скорость движения вагонеток (не более),
км/ч 50
2.1.4 Количество:
точек контроля 4
выходных каналов 2
2.1.5 Параметры выходных сигналов первого канала;
а) характер сигнала - импульсно-потенциальный (I импульс на одну вагонетку);
б) полярность - положительная.
2.1.6 Параметры выходных сигналов второго канала.
а) характер сигнала - замыкание бесконтактного ключа (I замыкание на одну вагонетку):
б) максимальное напряжение постоянного тока. В, коммутируемое бесконтактным ключом при сопротивлении нагрузки не менее 1000 Ом 26,4.
2.1.7 Масса. кг:
блока БПП 20
блока ВДГ 10
элемента ЧЭ-1 (ЧЭ-2) без соединительного кабеля I
-
Наибольшая длина линии связи, км, при использовании свободных пар телефонного кабеля, имеющих парную свивку, при сопротивлении шлейфа 500 Ом и наименьшем сопротивлении изоляций 200 кОм/км 7
-
Наработка на отказ по одной точке контроля, ч 2500
2.1.10Срок службы (не менее), лет 6
2.2 Техническая характеристика индикатора работы погрузочного пункта (ИРП.1М)
2.2.1Номинальное напряжение литания (частотой 50 Гц), В 220
2.2.2 Допустимые колебания напряжения питающей сети индикатора от 0,85 до 1,1 номинального значения
-
Потребляемая мощность, В*А 35
-
Количество транспортных ветвей, по которым
отражается информация 2
-
Количество отображаемых вагонеток на транспортной ветви участка, шт. до 50 или 100
-
Количество учитываемых вагонеток с начала смены, шт. до 999
-
Скорость счета (не менее) имп/с 2,5
Режим индикации
а)для параметра "Сначала смены" - непрерывный;
б)для параметра "Груз" и "Порожняк" - по вызову диспетчера.
2.2.9 Погрешность считывания по шкале количества вагонеток на ветви, шт.
2.2.10. Масса, кг
3 Горнотехнические условия применения комплекта аппаратуры УФИ - ИРП
Аппаратура предназначена для работы на угольных шахтах, опасных по газу в пыли.
-
Блок питания и приёмников (БПП) - устанавливается на поверхности шахты вне взрывоопасных помещений и предназначен для работы в условиях умеренного климата (температура окружающего воздуха от I до 40°С, относительная влажность до 80% при температуре 25°С).
-
Блоки датчиков-генераторов (БДГ) - устанавливаются в подземных точках контроля; окружающая среда - рудвичвая атмосфера со взрывчатой концентрацией метана я пыли в аварийных случаях; температура окружающей среды от минус 5 до 35°С; относительная влажность до 96% при температуре 25°С.
-
Чувствительные элементы (43) - устанавливаются совместно с БДГ в подземных точках контроля; окружающая среда - рудничная атмосфера шахт, опасных по газу и пыли, со взрывчатой концентрацией метана и пыли в аварийных случаях; температура окружающего воздуха от минус 5 до 35°С; относительная влажность до 96% при температуре 15°С; запыленность окружающей среды 1600 м2/м3; вибрация: диапазон частот от 1 до 60 Гц, максимальное ускорение - 10 м/с2.
-
Индикатор работы погрузочного пункта ИРП.1У эксплуатируется в условиях.
температура окружающей среды, "С +1
40
относительная влажность, % до 60 при 25
С
2 ЭКСПЕРИМЕНТАЛЬНЫЕ ИССЛЕДОВАНИЯ
Передача сигналов осуществляется одной линией связи на разных каналах
Несущий сигнал: 110 кГц
Таблица 1 – Частоты каналов
| Точки контроля | 1 | 2 | 3 | 4 | ||||||||
| Каналы | 1 | 2 | 3 | 4 | 5 | 6 | 7 | 8 | ||||
| Частота сигнала, кГц | 30 | 33 | 36 | 40 | 44 | 48 | 53 | 58 | ||||
Характеристики
Тип файла документ
Документы такого типа открываются такими программами, как Microsoft Office Word на компьютерах Windows, Apple Pages на компьютерах Mac, Open Office - бесплатная альтернатива на различных платформах, в том числе Linux. Наиболее простым и современным решением будут Google документы, так как открываются онлайн без скачивания прямо в браузере на любой платформе. Существуют российские качественные аналоги, например от Яндекса.
Будьте внимательны на мобильных устройствах, так как там используются упрощённый функционал даже в официальном приложении от Microsoft, поэтому для просмотра скачивайте PDF-версию. А если нужно редактировать файл, то используйте оригинальный файл.
Файлы такого типа обычно разбиты на страницы, а текст может быть форматированным (жирный, курсив, выбор шрифта, таблицы и т.п.), а также в него можно добавлять изображения. Формат идеально подходит для рефератов, докладов и РПЗ курсовых проектов, которые необходимо распечатать. Кстати перед печатью также сохраняйте файл в PDF, так как принтер может начудить со шрифтами.
















