62413 (566038)
Текст из файла
1
Кафедра: Автоматика и Информационные Технологии
Лабораторная работа
«ИНТЕГРАЛЬНЫЕ ЛОГИЧЕСКИЕ ЭЛЕМЕНТЫ»
1. Цель и содержание работы
Изучение принципа работы и технических характеристик интегральных микросхем, приобретение навыков составления, минимизации и реализации на логических элементах простых логических функций.
2. Домашнее задание
1. Записать паспортные данные логических элементов ТТЛ серии 155 типа И-НЕ, И-ИЛИ-НЕ [8].
2. Рассмотреть основные понятия и теоремы алгебры логики. Познакомиться с методами минимизации логических функций (диаграммы Вейча, карты Карно) [2,5,7].
3. Произвести синтез комбинационной схемы. Данные взять из табл. 2.
3. Краткие сведения из теории полупроводниковой электроники
В цифровой схемотехнике простейшие логические операции осуществляются с помощью логических элементов (ЛЭ). Широкое распространение получили интегральные схемы (ИС) транзисторно-транзисторной логики (ТТЛ). Большинство ИС, выпускаемых промышленностью серийно, представляют собой ЛЭ, выполняющие функции НЕ, ИЛИ-НЕ, И-ИЛИ-НЕ и т.д.
Возможность использования ЛЭ в цифровой аппаратуре оценивается параметрами, основными из которых являются: Еп – номинальное напряжение источника питания, равное +5В для ТТЛ элементов;
Рпот – потребляемая элементом мощность от Еп;
U0вх – входное напряжение «0»;
U1вх – входное напряжение «1»;
U0вых – выходное напряжение «0»;
U1вых – выходное напряжение «1»;
Uп – помехи статического напряжения;
Краз – нагрузочная способность;
Коб – коэффициент объединения по входу.
Для оценки большинства параметров ИС используют передаточную, входную и выходную характеристики ЛЭ [1,2].
Передаточная характеристика – это зависимость выходного напряжения от входного
Uвых = F (Uвх).
Входная характеристика – это зависимость входного тока от входного напряжения Iвх = F(Uвх). Выходная характеристика – это зависимость выходного напряжения от тока нагрузки (выхода) Uвых = F(Iн). По этой характеристике находят выходные токи и напряжения при различных режимах работы логического элемента. Совместное использование входной и выходной характеристик позволяет определить нагрузочную способность, коэффициент объединения по входу, а также входное и выходное сопротивления ЛЭ. Передаточная характеристика для ЛЭ с инвертированием входных сигналов и усилением по напряжению, к числу которых относятся элементы НЕ, И-НЕ, ИЛИ-НЕ, имеет два линейных участка, соответствующих уровням логического «0» и логической «1», и узкий переходной участок (см. рис. I). Переходный участок имеет пороговую точку А, являющуюся точкой пересечения передаточной характеристики с прямой единичного усиления (Uвых = Uвх). Передаточная характеристика совокупности однотипных логических элементов из-за отклонений параметров отдельных компонентов, обусловленных нестабильностью технологических процессов изготовления интегральных микросхем, представляет собой не одну кривую, а некоторую область, ограниченную сверху и снизу двумя граничными кривыми, показанными на рис. 2.
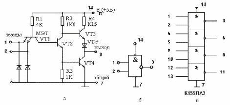
Рис. 3. Принципиальная электрическая схема элемента И-НЕ:
а – на два входа; б – условное обозначение ЛЭ; в-нумерация выводов микросхемы
По этой характеристике можно определить запасы помехоустойчивости элемента, проведя под углом 45° (при условии равенства масштабов по осям координат) касательные к нижней и верхней граничным кривым передаточной характеристики (рис. 2).
Согласно рис. 2, запас помехоустойчивости по нулевому уровню на входе (допустимый уровень положительной помехи) равен ∆U+п= Uн-Uвых макс. Запас помехоустойчивости по единичному уровню сигнала на входе или допустимый уровень отрицательной помехи на входе равен
∆U-п = U1вык мин – Uпор.
На рис. 3, а представлена принципиальная электрическая схема элемента И-НЕ, являющегося базовым элементом ТТЛ. На рис. 3, б показано условное обозначение ЛЭ на принципиальных электрических схемах. (Выводы питания +5 В и общий провод допускается не показывать). На рис. 3, в-нумерация выводов микросхемы К155ЛА3 (4 логических элемента 2И-НЕ).
Принцип работы ЛЭ И-НЕ ТТЛ
Основная особенность микросхем ТТЛ состоит в том, что во входной цепи используется специфический интегральный прибор – многоэмиттерный транзистор (МЭТ), имеющий несколько эмиттеров, объединенных общей базой.
Эмиттеры расположены так, что непосредственное взаимодействие между ними через участок базы отсутствует. Поэтому МЭТ можно рассматривать как совокупность нескольких независимых транзисторов с объединенными коллекторами и базами. Такой транзистор занимает меньшую площадь, а следовательно, имеет малую паразитную емкость, благодаря чему предельное быстродействие микросхем ТТЛ выше. В зависимости от сигналов на входе, МЭТ работает в прямом (нормальном) либо в инверсном (обратном) включении. МЭТ имеет существенное различие в коэффициентах передачи тока в обоих режимах. В инверсном включении, когда напряжение на эмиттерах выше напряжения на коллекторе, коэффициент передачи тока очень мал (0,005 – 0,05).
При одновременной подаче на все входы ЛЭ сигналов с уровнем больше 2,3 В все эмиттерные р-n переходы МЭТ будут находиться в закрытом состоянии. При этом через резистор R1 и многоэмиттерный транзистор в базу транзистора VT2 поступает ток, открывающий этот транзистор. Часть тока эмиттера VT2 поступает в базу транзистора VT4, который также открывается. Транзистор VT3 при этом окажется в закрытом состоянии, т.к. напряжения, действующего на его базе, недостаточно для открытия перехода база-эмиттер транзистора VT3 и диода VD5. На выходе схемы сигнал будет иметь низкий уровень, что соответствует логическому нулю. Следует иметь в виду, что в аналогичном состоянии схема будет находиться, если все входы подсоединить к источнику электропитания (+Еп) или оставить их свободными.
Если хотя бы на один из входов подать сигнал с уровнем, меньшим 0,5 В, то транзисторы VT2 и VT4 окажутся закрытыми, т. к. ток базы МЭТ переключается через соответствующий открытый эмиттерный переход во входную цепь. Транзистор VT3 при этом будет открыт, а выходной сигнал будет соответствовать логической единице (высокий уровень). Схема будет находиться в этом же состоянии, если хотя бы один из входов соединить с общим проводом или соединить с другой схемой, имеющей сигнал логического нуля на выходе.
Следует отметить, что если вход ЛЭ никуда не подключен, т.е. «висит в воздухе», то это равноценно подключению его к высокому уровню.
Если один из входов подключен к «единице», а другой – к «нулю», то ЛЭ ТТЛ будет реагировать на низкий потенциал, т. к. он имеет приоритет перед высоким потенциалом.
Микросхемы с тремя логическими состояниями
Устройства, оперирующие с дискретной информацией, при высоком уровне выходного напряжения имеют малое сопротивление между выводом «Выход» и шиной питания. В противоположном состоянии у «Выхода» малое сопротивление по отношению к общей шине. В обоих случаях выходной вывод имеет определенный электрический потенциал, который воздействует на входы последующих приборов (МС).
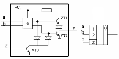
Существует категория МС, способных принимать и третье состояние, когда выход МС отключен от нагрузки. Такое состояние называют ВЫСОКОИМПЕДАНСНЫМ. Перевод МС в это состояние осуществляется по специальному входу Z. В зависимости от конкретного типа МС отключение выхода может осуществляться 1 или 0. Упрощенная электрическая схема элемента с тремя состояниями представлена на рис. 4. Когда на входе Z низкий уровень, то VT3 заперт и не влияет на работу схемы. Если Z имеет высокий уровень, то VT3 открыт и базы транзисторов VT1 и VT2 соединены с низким потенциалом (земля). Транзисторы VT1 и VT2 закрыты.
В результате связь логической части элемента с его выходом разрывается, элемент со стороны выхода приобретает высокий импеданс. Уровень потенциала на выходе неопределен (плавающий) – он может быть любым в зависимости от соотношения токов утечки VT1 и VT2. Третье состояние в отличие от 1 и 0 обозначается Z, а символ такого выхода – ромб с поперечной чертой. Элементы с 3 состояниями выхода разработаны специально для применения в качестве выходного управляемого буфера для подключения цифровых блоков к магистралям.
МС с открытым коллектором
Выходы некоторых МС выполнены так, что верхний выходной транзистор и относящиеся к нему элементы отсутствуют. Это так называемые элементы со свободным (открытым) коллектором (рис. 5).
На его выходе формируется сигнал только низкого уровня. Поэтому для нормальной работы выходного транзистора коллектор следует подключить к источнику питания через внешнюю нагрузку: резистор, элемент индикации, реле и т.п.
Для выпуска таких МС есть по меньшей мере две причины:
1. Выходной транзистор может быть использован для управления внешними устройствами, которые к тому же могут работать от других источников питания. Например, МС 155 ЛА11 позволяет под-водить к выходному транзистору до 30 В. Эти МС легко также вводить в линейный (усилительный) режим.
2. ЛЭ с открытым коллектором допускают параллельное подсоединение нескольких выходов к общей нагрузке. Такое объединение выходов называют МОНТАЖНОЙ (ПРОВОДНОЙ) ЛОГИКОЙ.
Имея дело с монтажной логикой, следует учитывать, что каждый компонент схемы утрачивает самостоятельность и действует как элемент общей системы. Так, если на одном выходе низкий потенциал, то тот же потенциал окажется на выходе всей системы. Чтобы обеспечить логическую 1 на общем выходе, необходимо иметь логические 1 на всех выходах.
Каждый из ЛЭ производит операцию И-НЕ:
.
Следовательно:
Fвых
.
Преобразовав последнее выражение на основе закона Де Моргана, получим:
,
или
.
Из этих выражений следует, что ЛЭ с объединенными выходами функционируют подобно ЛЭ И-ИЛИ-НЕ, выполняя операцию ИЛИ-НЕ по отношению к входным переменным, связанным операциями И в каждом ЛЭ. Такое толкование послужило причиной наименования «МОНТАЖНОЕ ИЛИ». Однако для положительной логики верно «монтажное И». Схема подключения микросхем с открытым коллектором к общей нагрузке представлена на рис. 6.
Выполнение логических функций на логических элементах
Сколь угодно сложные логические функции можно реализовать с помощью набора логических элементов. Наибольшее распространение получил потенциальный способ представления информации, при котором «0» и «1» соответствует низкий или высокий уровень напряжения в соответствующей точке схемы. Сигнал сохраняет постоянный уровень (нулевой или единичный) в течение периода представления информации (такта). В цифровых устройствах все данные, необходимые для вычислений, а также результаты представляются в виде набора дискретных сигналов, принимающих одно из возможных значений «0» или «1». Преобразование цифровой информации часто осуществляется в комбинационных схемах (КС). Комбинационной называется логическая цепь, состояние которой однозначно определяется набором входных сигналов и не зависит от предыдущих состояний.
Для описания комбинационных схем используется математический аппарат булевых функций – алгебра логики. Переменные Х1, Х2,…, Хn называются двоичными, если они принимают только два значения: «0» и «1». Функция от двоичных переменных Y(Х1, Х2., Хn) называется булевой, если она также принимает два значения «0» и «1». Связь между входными и выходными сигналами в КС аналитически описывается булевыми функциями. Существуют различные способы задания или представления булевых функций: словесное описание, табличный способ, алгебраический способ.
От таблиц истинности можно перейти к алгебраической форме представления функций. В такой форме удобно производить различные преобразования функций, например, с целью их минимизации.
Основные булевы функции двух переменных, их обозначение и наименования приведены в табл.I.
Система, содержащая функции конъюнкции, дизъюнкции и отрицания, является функционально полной. К ним относятся Стрелка Пирса и Штрих Шеффера.
Характеристики
Тип файла документ
Документы такого типа открываются такими программами, как Microsoft Office Word на компьютерах Windows, Apple Pages на компьютерах Mac, Open Office - бесплатная альтернатива на различных платформах, в том числе Linux. Наиболее простым и современным решением будут Google документы, так как открываются онлайн без скачивания прямо в браузере на любой платформе. Существуют российские качественные аналоги, например от Яндекса.
Будьте внимательны на мобильных устройствах, так как там используются упрощённый функционал даже в официальном приложении от Microsoft, поэтому для просмотра скачивайте PDF-версию. А если нужно редактировать файл, то используйте оригинальный файл.
Файлы такого типа обычно разбиты на страницы, а текст может быть форматированным (жирный, курсив, выбор шрифта, таблицы и т.п.), а также в него можно добавлять изображения. Формат идеально подходит для рефератов, докладов и РПЗ курсовых проектов, которые необходимо распечатать. Кстати перед печатью также сохраняйте файл в PDF, так как принтер может начудить со шрифтами.
















