62384 (566028)
Текст из файла
ИДЕНТИФИКАЦИЯ И МОДЕЛИРОВАНИЕ ТЕХНОЛОГИЧЕСКИХ ОБЪЕКТОВ
Идентификация параметров электромеханической системы
Введение
Цель работы: приобрести навыки определения постоянных времени системы по переходной характеристике.
Дано:
-передаточную функцию электромеханической системы:
;(1)
-постоянные времени Т1=1, Т2=10;
-уравнения изменения скорости двигателя постоянного тока (t):
;(2)
где
- относительное время процесса;
- коэффициент, который характеризует степень расхождения постоянных времени Т1 и Т2;
- коэффициент демпфирования;
Тм, Тя - электромеханическая и электромагнитная постоянные времени двигателя соответственно, причем Тм=Т2 в уравнении (1).
Ход работы
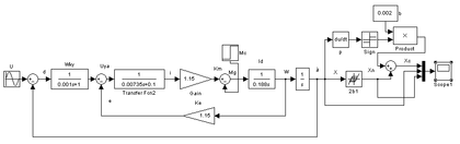
1. Соответственно заданных данных и передаточной функции системы строим функциональную схему системы, используя среду Matlab. Схема представлена на рисунке 1.
Рисунок 1 - Функциональная схема.
2. График переходного процесса представленный на рисунке 2.
Рисунок 2 - График переходного процесса.
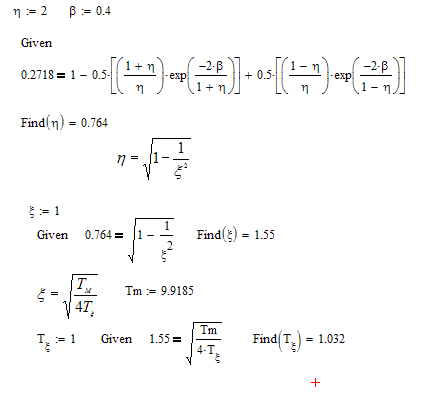
По графику переходной функции (рисунок 2) определим время t1 при
получили t1=11.95.
Вычисляем ТМ с помощью формулы
,
получили ТМ= 9,9185,
.
3. При
, необходимо определить из графика
и решить уравнение (2) относительно , а потом определить
. Получили значение
4. Рассчитываем значение Тя
5. Определим ошибки идентификации за формулами:
и
Выводы: в ходе работы было определено постоянные времени по переходной характеристике, установлен что коэффициент, который характеризует различие постоянных времени не влияет на относительное время при разгоне двигателя к заданному единичному уровню, экспериментально получении значения постоянных времени почти совпадают с заданными.
Моделирование нелинейных объектов
Цель работы: Приобрести навыки моделирования нелинейных объектов. А также анализа их влияния на точность системы
Исходные данные:
тип двигателя: ПБВ 132;
номинальный момент: 35 Н·м;
номинальная скорость: 600 об/мин;
номинальная мощность: 2,2 кВт;
номинальное напряжение: 53 В;
номинальный ток: 50 А;
максимальный момент: 350 Н·м;
максимальная скорость: 2000 об/мин;
момент инерции якоря: 0,188/0,1901 кг/м2;
максимальное теоретическое ускорение: 1860 м/с2;
электромеханическая постоянная времени: 14,2 мс;
электромагнитная постоянная времени: 7,35 мс.
величина люфта: 2b=0.004.
Теоретические сведения
Люфт в кинематических передачах приводов подач станков может вызывать потерю устойчивости системы управления и ухудшение динамических показателей. Кроме этого он вызывает искажение траектории контурного движения и снижает точность обработки.
Структура механизма с нелинейностью типа «люфт» содержит нелинейный элемент, геометрическая модель которого описывается соотношениями:
при
,
где Х – входная величина нелинейного звена; ХН – выходная величина нелинейного звена; 2b – величина люфта.
Ход работы:
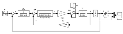
С применением пакета Matlab составляем модель электромеханической системы, схема которой представлена на рисунке 1.
Рисунок 1 – Схема электромеханической системы в среде Matlab
Расчёты всех коэффициентов используемых в электромеханической системе, произведенные при помощи пакета MathCAD, приведены ниже.
Активное сопротивление якоря:
Конструктивный коэффициент:
.
Определяем параметры входных воздействий:
Амплитуда входного воздействия
, пусть
А=1;
Частота входного воздействия
,
принимаем
.
Входное воздействие будет иметь вид:
.
Эпюры сигналов на входе и выходе звена модели с нелинейным элементом типа «люфт», полученные при помощи пакета Matlab, изображены на рисунке 2.
Рисунок 2 – Графики сигналов на входе и выходе звена типа «люфт» в среде Matlab
При моделировании систем с нелинейностями типа «люфт» нелинейное звено заменяется эквивалентным звеном с передаточной функцией
которая называется гармонической передаточной функцией нелинейного звена.
Коэффициент передачи нелинейного звена и фазовая характеристика определяются выражениями:
.
Коэффициенты гармонической линеаризации в функции
, характеризующие соотношения амплитуд синфазной
и квадратурной
составляющих первой гармоники выходного сигнала ХН1 к амплитуде А сигнала на входе Х:
Тогда передаточная функция примет вид:
.
Модель замены люфта линейным элементом в среде Matlab изображена на рисунке 3.
Рисунок 3 – Схема модели замены люфта линейным элементом
Полученные эпюры сигналов на входе в линейное замещённое звено типа «люфт» и на его выходе изображены на рисунке 4.
t, с
Рисунок 4 – Графики сигналов на входе в линейное замещённое звено типа «люфт» и на его выходе
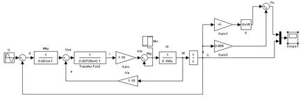
Составим модель компенсации люфта и проведём её исследование, схема модели в среде Matlab изображена на рисунке 5.
Рисунок 5 – Схема модели компенсации люфта в среде Matlab
Полученные эпюры сигналов на входе (выходе) звена типа «люфт» и после компенсации изображены на рисунке 6.
Х
Хн
Хк
Рисунок 6 – Графики сигналов на входе звена типа «люфт» и после компенсации в среде Matlab
Выводы: в ходе лабораторной работы я приобрел навыки моделирования нелинейного объекта типа «люфт», проанализировала их влияние на точность системы, составила и исследовала модель для компенсации люфта.
Оптимизация параметров пид-регуляторов для объектов управления с нелинейностями
Цель работы: освоение пакета прикладных программ Nonlinear Control Design (NCD) Blockset системы MATLAB для автоматической настройки параметров моделируемых систем электроприводов в условиях ограничений.
Индивидуальное задание:
Коэффициенты передаточной функции:
,
,
,
.
Неопределенный параметр
в диапазоне 0,2…0,5.
Желаемые параметры качества переходного процесса δ=±5%; σ=1,2; tпп=1,5 с
Ход работы
Передаточная функция объекта (электропривода):
Коэффициент интегральной составляющей:
.
Коэффициент дифференциальной составляющих:
.
Пропорциональная составляющая (предельное значение):
.
Строим исследуемую схему в среде MatLab.
Рисунок 1 – Структурная схема модели для оптимизации ПИД-регулятора
Графики переходного процесса с оптимизированными параметрами ПИД-регулятора, представлены на рисунках 3-4.
Рисунок 3 – График переходного процесса для заданной модели (Scope)
Параметры системы при оптимизации:
Start time: 0 Stop time: 60.
There are 2405 constraints to be met in each simulation.
There are 3 tunable variables.
There are 1 simulations per cost function call.
Creating a temporary SL model tp484964 for computing gradients...
Creating simulink model tp484964 for gradients...Done
f-COUNT MAX{g} STEP Procedures
7 -0.01 1
14 -0.01 1 Hessian modified twice
15 -0.01 1 Hessian modified twice
Optimization Converged Successfully
Active Constraints:
1203
Рисунок 4 – График переходного процесса для заданной модели (NCDOutPort)
Вывод: в ходе лабораторной работы я изучил пакет прикладных программ Nonlinear Control Design (NCD) Blockset системы MATLAB для автоматической настройки параметров моделируемых систем электроприводов в условиях ограничений, научился решать задачи оптимизации при наличии ограничений какого-либо коэффициента системы.
Характеристики
Тип файла документ
Документы такого типа открываются такими программами, как Microsoft Office Word на компьютерах Windows, Apple Pages на компьютерах Mac, Open Office - бесплатная альтернатива на различных платформах, в том числе Linux. Наиболее простым и современным решением будут Google документы, так как открываются онлайн без скачивания прямо в браузере на любой платформе. Существуют российские качественные аналоги, например от Яндекса.
Будьте внимательны на мобильных устройствах, так как там используются упрощённый функционал даже в официальном приложении от Microsoft, поэтому для просмотра скачивайте PDF-версию. А если нужно редактировать файл, то используйте оригинальный файл.
Файлы такого типа обычно разбиты на страницы, а текст может быть форматированным (жирный, курсив, выбор шрифта, таблицы и т.п.), а также в него можно добавлять изображения. Формат идеально подходит для рефератов, докладов и РПЗ курсовых проектов, которые необходимо распечатать. Кстати перед печатью также сохраняйте файл в PDF, так как принтер может начудить со шрифтами.
















