62206 (566006)
Текст из файла
Описание схемы
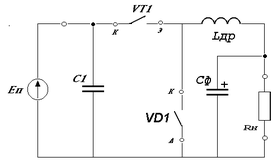
Дана схема рис.5-16(16 1 2 40):
Даные элементов схемы:
VD1 и VD2 -- диоды
Rн – сопротивление нагрузки
Lдр – индуктивность дросселя
Сф – емкость выходного фильтра
С1 - ёмкость конденсатора, включаемого между зажимами источника питания
Еп – ЭДС
VT1 - транзистор
Данная схема является однотактным широтно-импульсным преобразователем (ШИП) постоянного напряжения (последовательный конвертор).
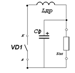
Схема замещения: транзисторы и диоды заменяем на ключи.
Схема примет вид:
Рассмотрим вариант схемы, когда VT1 остаётся открытым до и после коммутации.
Схема примет вид:
Задание 1
Рассчитаем вышеприведённую схему в пакете MATHcad на промежутке времени [t1,t2]:
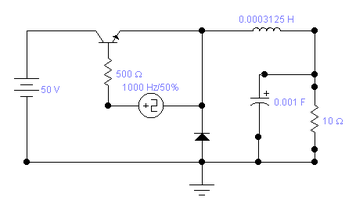
Исходные данные:
E=k1*50 E=1*50 E=50в
Rн=kr*5 Rн=2*5 Rн=10 Ом
fт=kf*500 fт=32*500 fт=16000
Lдр=0,0003125 Гн
Сф=0,001 Ф
Временная диаграмма сигнала управления транзистором в ШИП:
t1=0
t2=0,0003
t3=0,001
t4=0,0013
t5=0,002
t6=0,0023
T=0,001-период Кз=0,3
Расчёт:
Задание 2
Рассчитаем схему на промежутке времени [t2,t3]:
В момент времени t>0,0003 схема примет вид:
Расчёт:
3адание 3
Рассчитаем схему на промежутке времени [t3,t4]:
В момент времени t>0,001 схема примет вид:
Расчёт:
Задание 4
Рассчитаем схему на промежутке [t4,t5]:
В момент времени t>0,0013 схема примет вид:
Расчёт:
Ток быстро спадает, конденсатор начинает разряжаться и ток начинает бежать в другую сторону.
Посмотрим поведение схемы на промежутке времени [0,00155;0,0023].Схема на этом промежутке принимает вид:
Задание 5
Посмотрим поведение нашей схемы в виде диаграмм. Для этого воспользуемся программой для черчения, расчёта, симуляции и анализа любых схем аналоговой и цифровой электроники – Electronic WorkBench.
Для этого нарисуем свою схему и зададим для неё параметры:
Характеристики
Тип файла документ
Документы такого типа открываются такими программами, как Microsoft Office Word на компьютерах Windows, Apple Pages на компьютерах Mac, Open Office - бесплатная альтернатива на различных платформах, в том числе Linux. Наиболее простым и современным решением будут Google документы, так как открываются онлайн без скачивания прямо в браузере на любой платформе. Существуют российские качественные аналоги, например от Яндекса.
Будьте внимательны на мобильных устройствах, так как там используются упрощённый функционал даже в официальном приложении от Microsoft, поэтому для просмотра скачивайте PDF-версию. А если нужно редактировать файл, то используйте оригинальный файл.
Файлы такого типа обычно разбиты на страницы, а текст может быть форматированным (жирный, курсив, выбор шрифта, таблицы и т.п.), а также в него можно добавлять изображения. Формат идеально подходит для рефератов, докладов и РПЗ курсовых проектов, которые необходимо распечатать. Кстати перед печатью также сохраняйте файл в PDF, так как принтер может начудить со шрифтами.
















