46685 (565978)
Текст из файла
Міністерство освіти і науки України
Національний технічний університет
“Харківський політехнічний інститут”
Кафедра “Обчислювальної техніки та програмування”
Звіти
лабораторних робіт
«Автоматизоване проектування»
м. Харків 2007
Лабораторная работа №1
Разработка функциональной схемы. Разбиение схемы на пять иерархических уровней. Моделирование элементов нижнего иерархического уровня.
Цель работы: Декомпозиция полученного задания.
Разработка функциональной схемы устройства. Получение и закрепление практических навыков моделирования логических элементов в системе автоматизированного проектирования OrCAD 10.3
Индивидуальные задания:
| № п/п | Формулировка задания | Серия | Элементы I иерархического уровня |
| 14. | Умножить два числа с одновременным анализом двух разрядов множителя, начиная со старших разрядов | 74AS | 2И, 2ИЛИ, НЕ, 2И-НЕ, 2ИЛИ-НЕ, XOR2 |
Алгоритм
Разработка функциональной схемы
Для реализации алгоритма умножения необходимо:
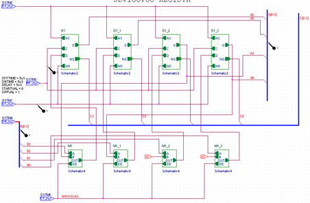
16-ти разрядный регистр для частичной суммы.
8-ми разрядный сдвиговый регистр для множителя.
8-ти разрядный сумматор.
16-разрядный сумматор.
счетчик импульсов для определения конца умножения.
Функциональная схема будет иметь следующий вид:
Разбиение схемы на пять иерархических уровней.
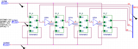
Элементы 1-го уровня иерархии:
2И, 2ИЛИ, НЕ, 2И-НЕ, 2ИЛИ-НЕ, XOR2
Элементы 2-го уровня иерархии:
Триггер D;
Сумматоры;
Мультиплексоры;
Элементы 3-го уровня иерархии
4-х разрядные:
Регистры;
Сумматоры;
Счетчики;
Элементы 4-го уровня иерархии
8-ти разрядный сумматор;
16-ти разрядный сумматор;
8-разрядный регистр.
16-разрядный регистр.
Элементы 5-го уровня иерархии
Элементом 5-го уровня иерархии является само устройство умножения двух 8-ми разрядных чисел.
Моделирование элементов нижнего иерархического уровня
1. Моделирование элемента 2И
Выбираем необходимый элемент из библиотеки, и подаем цифровые сигналы.
Определяем временные характеристики элемента.
Из результатов моделирования видно, что задержка элемента при переходе от 0 в 1 составляет 5 нс, ширина зоны неопределенности 4 нс.
Из результатов моделирования видно, что задержка элемента при переходе от 1 к 0 составляет 5,5 нс, ширина зоны неопределенности 4,5нс.
2. Моделирование элемента 2ИЛИ
Выбираем необходимый элемент из библиотеки, и подаем цифровые сигналы.
Определяем временные характеристики элемента.
Из результатов моделирования видно, что задержка элемента при переходе от 0 в 1 составляет 6,3 нс, ширина зоны неопределенности 5,3нс.
Из результатов моделирования видно, что задержка элемента при переходе от 1 к 0 составляет 6,3 нс, ширина зоны неопределенности 5,3нс.
3. Моделирование элемента НЕ
Выбираем необходимый элемент из библиотеки, и подаем цифровые сигналы.
Определяем временные характеристики элемента.
Из результатов моделирования видно, что задержка элемента при переходе от 0 в 1 составляет 5 нс, ширина зоны неопределенности 4 нс..
Из результатов моделирования видно, что задержка элемента при переходе от 1 к 0 составляет 4 нс, ширина зоны неопределенности 3 нс.
4. Моделирование элемента 2И-НЕ
Выбираем необходимый элемент из библиотеки, и подаем цифровые сигналы.
Определяем временные характеристики элемента.
Из результатов моделирования видно, что задержка элемента при переходе от 0 к 1 составляет 4,5 нс, ширина зоны неопределенности 3,5 нс.
Из результатов моделирования видно, что задержка элемента при переходе от 1 к 0 составляет 4 нс, ширина зоны неопределенности 3 нс.
5. Моделирование элемента 2ИЛИ-НЕ
Выбираем необходимый элемент из библиотеки, и подаем цифровые сигналы.
Определяем временные характеристики элемента.
Из результатов моделирования видно, что задержка элемента при переходе от 0 к 1 составляет 4,5 нс, ширина зоны неопределенности 3,5 нс.
Из результатов моделирования видно, что задержка элемента при переходе от 1 к 0 составляет 4,5 нс, ширина зоны неопределенности 3,5 нс.
5. Моделирование элемента 2XOR
Выбираем необходимый элемент из библиотеки, и подаем цифровые сигналы.
Определяем временные характеристики элемента.
Из результатов моделирования видно, что задержка элемента при переходе от 0 к 1 составляет 5,8 нс, ширина зоны неопределенности 4,4 нс.
Из результатов моделирования видно, что задержка элемента при переходе от 1 к 0 составляет 5,6 нс, ширина зоны неопределенности 4,2 нс.
После моделирования всех элементов нижнего уровня получили временные характеристики для библиотеки 74AS:
| ЭЛЕМЕНТ | Задержка, нс | Задержка, нс | Ширина зоны неопределенности, нс | |
| 01 | 10 | 01 | 10 | |
| 2И | 5 | 5,5 | 4 | 4,5 |
| 2ИЛИ | 6,3 | 6,3 | 5,3 | 5,3 |
| НЕ | 5 | 6 | 4 | 5 |
| 2И-НЕ | 4,5 | 4 | 3,5 | 3 |
| 2ИЛИ-НЕ | 4,5 | 4,5 | 3,5 | 3,5 |
| 2XOR | 5,8 | 5,6 | 4,4 | 4,2 |
Лабораторная работа №2
Моделирование элементов второго иерархического уровня.
Цель работы: Разработка функциональной схемы устройства. Получение и закрепление практических навыков проектирования и моделирования елементов второго иерархического уровня в системе автоматизированного проектирования OrCAD 10.3
Моделирование D-триггера
Получаем временную диаграмму:
Определяем временные характеристики элемента.
Из результатов моделирования видно, что задержка триггера при переключении от 0 к 1 составляет 13,5нс.
Из результатов моделирования видно, что задержка триггера при переключении от 1 к 0 составляет 13,5 нс.
Моделирование мультиплексора
Получаем временную диаграмму:
Определяем временные характеристики элемента.
Из результатов моделирования видно, что задержка мультиплексора при переключении от 0 к 1 составляет 11,8 нс.
Из результатов моделирования видно, что задержка мультиплексора при переключении от 1 к 0 составляет 15,8 нс.
Моделирование cумматора
Получаем временную диаграмму:
Определяем временные характеристики элемента.
Из результатов моделирования видно, что задержка сумматора при переключении от 0 к 1 составляет 11,8 нс.
Из результатов моделирования видно, что задержка сумматора при переключении от 1 к 0 составляет 10 нс.
| Элемент | Максимальное время задержки, нс |
| D-триггер | 13,5 |
| Сумматор | 11,8 |
| Мультиплексор | 15,8 |
Лабораторная работа №3
Моделирование элементов третьего иерархического уровня
Моделирование 4-разрядного сдвигового регистра со сдвигом на 2 разряда.
Получаем временную диаграмму:
Определяем временные характеристики элемента.
Из результатов моделирования видно, что задержка регистра составляет 8,9нс.
Моделирование 4-разрядного сумматора
Получаем временную диаграмму:
Определяем временные характеристики элемента.
Из результатов моделирования видно, что задержка сумматора составляет 25,2 нс.
Моделирование 4-разрядного счетчика
Получаем временную диаграмму:
Определяем временные характеристики элемента.
Из результатов моделирования видно, что задержка счетчика составляет 41,8 нс.
| Элемент | Максимальное время задержки, нс |
| Регистр | 16,6 |
| Сумматор | 25,2 |
| Счетчик | 41,8 |
Лабораторная работа №4
Характеристики
Тип файла документ
Документы такого типа открываются такими программами, как Microsoft Office Word на компьютерах Windows, Apple Pages на компьютерах Mac, Open Office - бесплатная альтернатива на различных платформах, в том числе Linux. Наиболее простым и современным решением будут Google документы, так как открываются онлайн без скачивания прямо в браузере на любой платформе. Существуют российские качественные аналоги, например от Яндекса.
Будьте внимательны на мобильных устройствах, так как там используются упрощённый функционал даже в официальном приложении от Microsoft, поэтому для просмотра скачивайте PDF-версию. А если нужно редактировать файл, то используйте оригинальный файл.
Файлы такого типа обычно разбиты на страницы, а текст может быть форматированным (жирный, курсив, выбор шрифта, таблицы и т.п.), а также в него можно добавлять изображения. Формат идеально подходит для рефератов, докладов и РПЗ курсовых проектов, которые необходимо распечатать. Кстати перед печатью также сохраняйте файл в PDF, так как принтер может начудить со шрифтами.















