лаба_6 (564138)
Текст из файла
Московский Авиационный Институт
(Государственный Технический Университет)
Кафедра 304
Вычислительные машины, системы и сети.
Отчет по лабораторной работе №6:
Исследовать схем распределения счетчиков.
Бригада №3.
Выполнили студенты гр. 03-404
Лазарев О. В .
Самсонов И. А.
Принял преподаватель:
Мурсенков П. А.
Москва 2011.
Цель работы:
Изучить структуры распределителей; исследовать работу распределителей.
Порядок выполнения:
Распределителем сигналов называется устройство, которое при поступлении на его вход переключающих сигналов формирует управляющий сигнал в одном из выходных каналов.
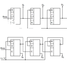
Построим схему распределителя на основе суммирующего счетчика, построенного на D-триггерах.
Число каналов: 4.
Последовательность включения каналов: 1,2,4,4,3,2,2,3,…
Составим таблицу состояний и выхода распределителя сигналов:
Карта Вейча:
| Состояние счетчика | Выходы каналов | |||
|
|
|
| ||
| 0 | 0 | 0 | 1 | |
| 0 | 0 | 1 | 2 | |
| 0 | 1 | 0 | 4 | |
| 0 | 1 | 1 | 4 | |
| 1 | 0 | 0 | 3 | |
| 1 | 0 | 1 | 2 | |
| 1 | 1 | 0 | 2 | |
| 1 | 1 | 1 | 3 | |
| 2 | 3 | 4 | 4 |
| 3 | 2 | 2 | 1 |
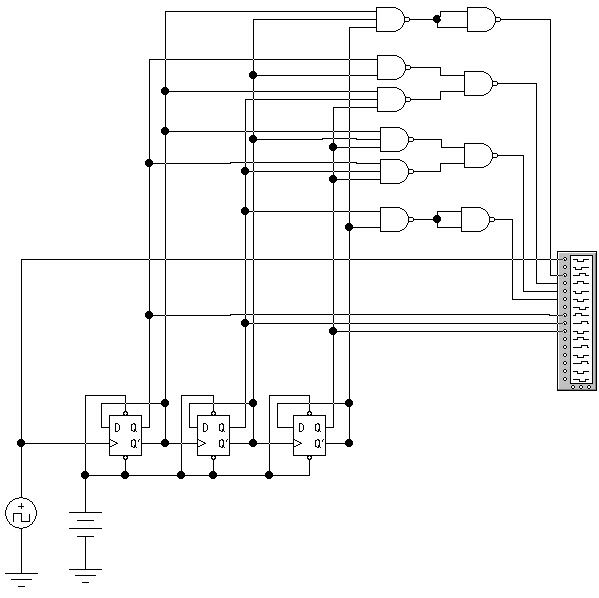
Формулы для составления схемы на элементах И-НЕ:
С
хема счетчика на D-триггерах:
Рис. 1.
Структурная схема реализуется следующим способом:
Рис. 2.
В
ременная диаграмма:
Г
Рис. 3.
Характеристики
Тип файла документ
Документы такого типа открываются такими программами, как Microsoft Office Word на компьютерах Windows, Apple Pages на компьютерах Mac, Open Office - бесплатная альтернатива на различных платформах, в том числе Linux. Наиболее простым и современным решением будут Google документы, так как открываются онлайн без скачивания прямо в браузере на любой платформе. Существуют российские качественные аналоги, например от Яндекса.
Будьте внимательны на мобильных устройствах, так как там используются упрощённый функционал даже в официальном приложении от Microsoft, поэтому для просмотра скачивайте PDF-версию. А если нужно редактировать файл, то используйте оригинальный файл.
Файлы такого типа обычно разбиты на страницы, а текст может быть форматированным (жирный, курсив, выбор шрифта, таблицы и т.п.), а также в него можно добавлять изображения. Формат идеально подходит для рефератов, докладов и РПЗ курсовых проектов, которые необходимо распечатать. Кстати перед печатью также сохраняйте файл в PDF, так как принтер может начудить со шрифтами.
















