МУ к курсовому проект_расчет зеркальных антенн (563776), страница 4
Текст из файла (страница 4)
1. Повторяют пункт I1.
-
Рассчитываются характеристики направленности облучателя
-
Выбирается угол раскрыва, обеспечивающий максимальный КНД.
-
Далее пункты, соответствующие предыдущей методике.
Приложения
Приложение 1
примеры электрических схем зеркальных антенн
с механическим сканированием
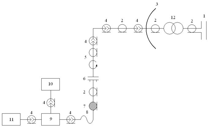
1. Зеркальная антенна с одномерным сканированием в горизонтальной плоскости
1 –Облучатель;
2 –Воздушная коаксиальная линия;
3 – Зеркальная антенна;
4 –Коаксиальный разъем;
5 – Вращающееся сочленение;
6 –Волноводное соединение с дросселем;
7 – Коаксиальная линия с диэлектрическим заполнением;
8 – Гибкий волновод;
9 – Антенный переключатель;
10 –Приемник;
11 –Передатчик;
12 – Согласующее устройство.
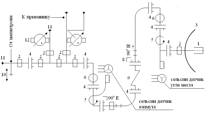
2. Зеркальная антенна с двумерным сканированием в горизонтальной плоскости вертикальной плоскостях
1 –Облучатель;
2 – Прямоугольный волновод;
3 – Зеркальная антенна;
4 – Волноводное соединение с дросселем;
5 – Вращающееся сочленение;
6 –Круглый волновод;
7 –Фланцевое волноводное соединение;
8 –Поворот волноводного тракта под прямым углом (изгиб);
9 –Скрутка;
10 –Подвижный короткозамыкатель;
11 –Постоянный короткозамыкатель;
12 – Устройство защиты приемника.
3. Зеркальная антенна с одномерным сканированием в горизонтальной плоскости
1 –Облучатель;
2 –Прямоугольный волновод;
3 – Зеркальная антенна;
4 – Фланцевое волноводное соединение;
5 –Согласующее устройство;
6 –Переход от волновода с прямоугольным сечением к волноводу с круглым сечением;
7 – Поворот волноводного тракта под прямым углом (изгиб);
8 –Круглый волновод;
9 – Вращающееся сочленение;
10 –Элемент связи;
11 –Подвижный короткозамыкатель;
12 –Антенный переключатель;
Приложение 2
- Функции
| x | |||||
| 0,0 0,1 0,2 0,3 0,4 0,5 0,6 0,7 0,8 0,9 1,0 | 1,0000 0,9988 0,9950 0,9888 0,9801 0,9691 0,9557 0,9400 0,9221 0,9021 0,8801 | 1,0000 0,9992 0,9967 0,9925 0,9867 0,9793 0,9703 0,9598 0,9477 0,9342 0,9192 | 1,0000 0,9994 0,9975 0,9944 0,9900 0,9845 0,9777 0,9698 0,9606 0,9504 0,9390 | 1,0000 0,9995 0,9980 0,9955 0,9920 0,9876 0,9821 0,9758 0,9684 0,9602 0,9510 | 1,0000 0,9996 0,9983 0,9963 0,9934 0,9896 0,9851 0,9798 0,9736 0,9667 0,9591 |
| 1,1 1,2 1,3 1,4 1,5 1,6 1,7 1,8 1,9 2,0 | 0,8562 0,8305 0,8031 0,7742 0,7439 0,7124 0,6797 0,6461 0,6117 0,5767 | 0,9029 0,8853 0,8664 0,8464 0,8252 0,8030 0,7799 0,7559 0,7311 0,7057 | 0,9266 0,9132 0,8987 0,8833 0,8670 0,8499 0,8319 0,8132 0,7938 0,7737 | 0,9410 0,9301 0,9184 0,9059 0,8926 0,8786 0,8639 0,8485 0,8325 0,8159 | 0,9507 0,9415 0,9317 0,9211 0,9099 0,8981 0,8856 0,8726 0,8589 0,8448 |
| 2,1 2,2 2,3 2,4 2,5 2,6 2,7 2,8 2,9 3,0 | 0,5412 0,5054 0,4695 0,4335 0,3977 0,3622 0,3271 0,2926 0,2589 0,2260 | 0,6796 0,6530 0,6260 0,5986 0,5710 0,5432 0,5153 0,4974 0,4597 0,4321 | 0,7530 0,7318 0,7100 0,6879 0,6654 0,6426 0,6195 0,5963 0,5729 0,5494 | 0,7987 0,7811 0,7629 0,7443 0,7253 0,7060 0,6863 0,6664 0,6463 0,6259 | 0,8301 0,8149 0,7993 0,7833 0,7668 0,7501 0,7329 0,7155 0,6979 0,6800 |
| 3,1 3,2 3,3 3,4 3,5 3,6 3,7 3,8 3,9 4,0 | 0,1941 0,1633 0,1337 0,1054 0,0785 0,053 0,02910 0,00675 -0,01397 -0,03302 | 0,4048 0,3778 0,3512 0,3251 0,2995 0,2746 0,2503 0,2268 0,2040 0,1821 | 0,5260 0,5025 0,4792 0,4560 0,4330 0,4103 0,3878 0,3657 0,3439 0,3226 | 0,6055 0,5849 0,5643 0,5437 0,5231 0,5025 0,4821 0,4618 0,4416 0,4217 | 0,6619 0,6436 0,6252 0,6067 0,5881 0,5695 0,5509 0,5323 0,5138 0,4953 |
| 4,1 4,2 4,3 4,4 4,5 4,6 4,7 4,8 4,9 5,0 | -0,05038 -0,06602 -0,07995 -0,09217 -0,10072 -0,11154 -0,11876 -0,12437 -0,12845 -0,13103 | 0,1610 0,1408 0,1216 0,1033 0,0861 0,06979 0,05453 0,04030 0,02709 0,01490 | 0,3018 0,2814 0,2616 0,2424 0,2237 0,2057 0,1883 0,1715 0,1555 0,1401 | 0,4020 0,3826 0,3635 0,3447 0,3263 0,3082 0,2906 0,2734 0,2567 0,2404 | 0,4770 0,4588 0,4407 0,4229 0,4052 0,3878 0,3706 0,3537 0,3372 0,3209 |
| 5,1 5,2 5,3 5,4 5,5 5,6 5,7 5,8 5,9 6,0 | -0,13219 -0,13201 -0,13055 -0,12791 -0,12416 -0,11940 -0,11374 -0,10725 -0,10005 -0,09223 | 0,00373 -0,00643 -0,01559 -0,02378 -0,03103 -0,03734 -0,04276 -0,04731 -0,05104 -0,05397 | 0,12542 0,11146 0,09822 0,08570 0,07389 0,06280 0,05243 0,04276 0,03379 0,02550 | 0,2246 0,2093 0,1945 0,1802 0,16648 0,15328 0,14063 0,12853 0,11697 0,10597 | 0,3050 0,2894 0,2742 0,2593 0,2449 0,2308 0,2172 0,2040 0,1912 0,1788 |
| 6,1 6,2 6,3 6,4 6,5 6,6 6,7 6,8 6,9 7,0 | -0,08389 -0,07513 -0,06606 -0,05676 -0,04734 -0,03787 -0,02846 -0,01918 -0,01012 -0,00134 | -0,05615 -0,05762 -0,05843 -0,05861 -0,05821 -0,05728 -0,05587 -0,05403 -0,05179 -0,04921 | 0,01789 0,01093 0,00462 -0,00108 -0,00618 -0,01070 -0,01466 -0,01809 -0,02101 -0,02345 | 0,09551 0,08561 0,07624 0,06741 0,05912 0,05134 0,04407 0,03731 0,03104 0,02524 | 0,16698 0,15541 0,14437 0,13378 0,12363 0,11393 0,10466 0,09584 0,08745 0,07949 |
| 7,1 7,2 7,3 7,4 7,5 7,6 7,7 7,8 7,9 8,0 | 0,00709 0,01509 0,02262 0,02963 0,03607 0,04190 0,04709 0,05163 0,05549 0,05866 | -0,04633 -0,04321 -0,03987 -0,03637 -0,03275 -0,02904 -0,02529 -0,02154 -0,01780 -0,01412 | -0,02543 -0,02699 -0,02815 -0,02893 -0,02936 -0,02948 -0,02930 -0,02886 -0,02818 -0,02729 | 0,01990 0,01502 0,01056 0,00653 0,00289 -0,00036 -0,00324 -0,00578 -0,00799 -0,00988 | 0,07195 0,06482 0,05811 0,05179 0,04587 0,04033 0,03516 0,03035 0,02589 0,02177 |
| 8,1 8,2 8,3 8,4 8,5 8,6 8,7 8,8 8,9 9,0 | 0,06114 0,06293 0,06403 0,06447 0,06426 0,06343 0,06200 0,06002 0,05751 0,05451 | -0,01053 -0,00705 -0,00371 -0,00053 0,00247 0,00528 0,00788 0,01025 0,01240 0,01431 | -0,02622 -0,02498 -0,02360 -0,02211 -0,02053 -0,01887 -0,01716 -0,01542 -0,01367 -0,01191 | -0,01147 -0,01280 -0,01386 -0,01468 -0,01528 -0,01567 -0,01588 -0,01591 -0,01580 -0,01554 | 0,01798 0,01449 0,01132 0,00842 0,00581 0,00346 0,00136 -0,00051 -0,00215 -0,00358 |
| 9,1 9,2 9,3 9,4 9,5 9,6 9,7 9,8 9,9 10 | 0,05108 0,04726 0,04310 0,03865 0,03395 0,02907 0,02405 0,01895 0,01381 0,00869 | 0,01597 0,01739 0,01857 0,01950 0,02020 0,02066 0,02090 0,02093 0,02075 0,02037 | -0,01018 -0,00847 -0,00681 -0,00520 -0,00366 -0,00219 -0,00080 0,00049 0,00170 0,00280 | -0,01516 -0,01467 -0,01408 -0,01342 -0,01269 -0,01190 -0,01107 -0,01021 -0,00933 -0,00843 | -0,00481 -0,00586 -0,00673 -0,00744 -0,00801 -0,00843 -0,00873 -0,00892 -0,00900 -0,00899 |
Приложение 3
















