Приложение к лаб 2 (563640), страница 2
Текст из файла (страница 2)
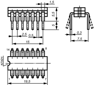
151.15-4
153.15-1
155.15-3
157.29-1
201.12-1
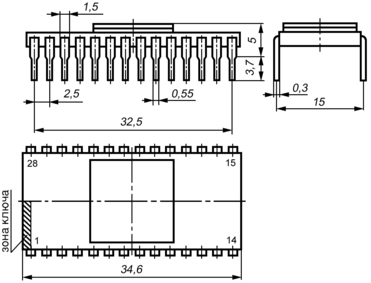
201.14-1
201.14-6
201.14-8(9,10)
201.16-5(6)
201.16-13
201.16-17
201.16-8
201.9-1
210.24-1
2101.8-1
2102.14-2
2103.16-6
2104.18-3
2106.16-2
2120.9-1
2121.28-6
2123.40-2
2140.20-1
2205.48-3
238.12-1
238.16-1
238.16-4
238.18-3
239.24-7
244.48-1
301.8-1,2
301.12-1
311.8-2
311.10-1
401.14-5
401.14-4
401.14-3
401.16-1
402.16-1
402.16-21(23,25,33)
402.16-18
402.16-2
405.24-2
4116.8-2
4122.40-1
413.48-3
4134.48-2
421.40-1
429.42-1
462.64-1
Н208.24-1В
Н209.24-1В
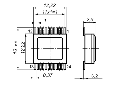
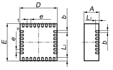
| Типоразмер | Число выводов | Основные размеры, мм | ||||||
| n | nD | nE | Dmax, Emax | A2max | bmax | L2max, L3max | Eном | |
| 5101 | 24 | 7 | 5 | 10,0 | 5,0 | 0,9 | 1,6 | 1,25 |
| 5103 | 44 | 11 | 11 | 15,0 | 5,0 | 0,9 | 1,6 | 1,25 |
| 5105 | 56 | 13 | 13 | 20,0 | 5,0 | 0,9 | 1,6 | |
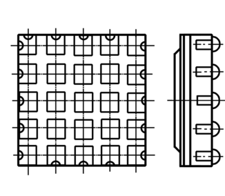
5 тип (периферийный микрокорпус)
e – шаг расположения выводов
5 тип (матричный микрокорпус)
Сравнительные характеристики матричных и периферийных корпусов ( тип 5 )
| Число выводов | Периферийный корпус | Матричный микрокорпус | ||||
| e=1мм | e=2 мм | e=2,5 мм | ||||
| Размеры, мм | Площадь, мм2 | Размеры, мм | Площадь, мм2 | Размеры, мм | Площадь, мм2 | |
| 16 | 6,8х6,8 | 46,2 | 7х7 | 49 | 11х11 | 121 |
| 24 | 9,5х7,9 | 75 | 9х9 | 81 | 13,5х13,5 | 182 |
| 48 | 14,5х14,5 | 210 | 13х13 | 169 | 18,5х18,5 | 342 |
| 64 | 18,6х18,6 | 346 | 15х15 | 225 | 21х21 | 441 |
| 100 | 28х28 | 784 | 19х19 | 361 | 26х26 | 676 |
| 144 | 38х38 | 1444 | 23х23 | 529 | 31х31 | 961 |
| 196 | 52х52 | 2700 | 27х27 | 729 | 36х36 | 1296 |
Приложение 4.
СПРАВОЧНЫЕ ДАННЫЕ ДЛЯ ОПРЕДЕЛЕНИЯ ГАБАРИТНЫХ РАЗМЕРОВ ПЕЧАТНОЙ ПЛАТЫ.
Габаритные размеры и шаги установки корпусных ИС в зависимости от среднего числа задействованных выводов, при котором возможно применение двухсторонних печатных плат с односторонней установкой корпусных ИС или многослойных печатных плат с двусторон-ней установкой ИС при числе слоев не менее четырех.
Таблица П 4.1
| Корпус по ГОСТ 17467-79 | Габариты корпуса, мм | Размер монтажной площадки, мм | Среднее число задействованных выводов | Шаг установки ИС по осям, мм | |
| tx | ty | ||||
| 1203.14-5 | 8 9 11 12 14 | 22.5 22.5 25.0 25.0 27.5 | 15.0 17.5 17.5 20.0 22.0 | ||
| 1206.14-5 | 19.5x22x5.0 | 14.0x13.7 | 8 10 12 14 | 22.5 25.0 27.5 29.0 | 25.0 25.0 25.0 25.0 |
| 1207.14-5 | 19.5x29.5x5.0 | 4.0 21.2 | 8 10 12 14 | 22.5 25.0 27.5 29.0 | 32.5 35.0 37.5 39.0 |
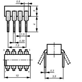
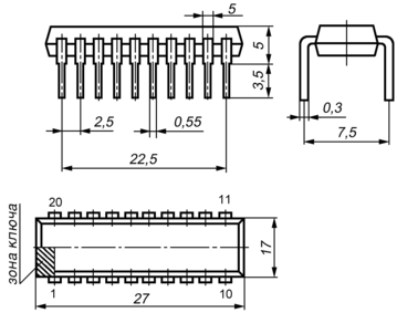
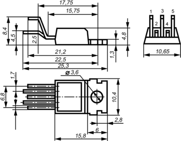
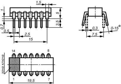
| 1211.28-5 157.29-1 | 39.0x29.0x5.0 | 34.0 20.0 | 13 20 22 24 26 28 | 42.5 47.5 50.0 52.5 55.0 57.5 | 32.5 32.5 32.5 32.5 32.5 32.5 |
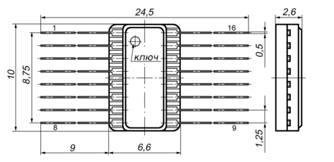
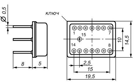
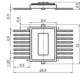
| 2102.14-2(3,5) 201.14-8(9,10) | 19.2 7.5 5.0 | 4.2 3.2 | 8 9 11 12 14 | 22.5 22.5 25.0 25.0 27.5 | 12.5 15.0 15.0 17.5 17.5 |
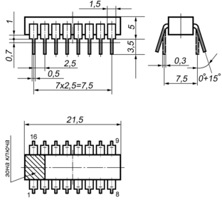
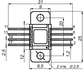
| 201.16-5(6) 201.16-8 201.16-13(5) 201.16-17 | 19.5 7.5 5.5 19.2 7.5 5.5 | 4.2 3.2 5.0 3.0 4.4 2.2 7.0 3.5 | 8 9 11 12 14 16 | 22.5 22.5 25.0 25.0 27.5 27.5 | 12.5 15.0 15.0 17.5 17.5 20.0 |
| 201A.16-1 | 19.2 10.0 4.7 | 6.0 5.0 | 8 10 12 14 | 22.5 25.0 27.5 29.0 | 15.0 15.0 17.5 17.5 |
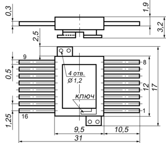
| 2207.48-5 244.48-1 | 31.0 25.0 3.8 | d=8.0 | 30 32 34 36 38 40 42 44 46 | 50.0 52.5 55.0 57.5 60.0 62.5 65.0 67.5 70.0 | 40.0 40.0 40.0 40.0 40.0 40.0 42.5 45.0 47.5 |
| 2130.24-5 | 18 20 22 24 | 45.0 47.5 47.5 50.0 | 22.5 22.5 25.0 25.0 | ||
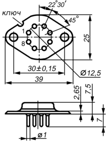
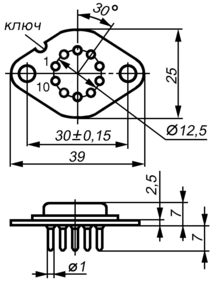
| 3101.8-5 301.8-2 302.8-1 301.12-1 3101.12-5 | d=9.5; h=4.8 d=9.5; h=4.8 d=9.5; h=5.5 d=9.5; h=4.8 d=9.5; h=4.8 | d=3.0 d=3.0 d=3.0 d=3.0 d=3.0 | 8 8 8 10 12 | 12.5 12.5 12.5 15.0 17.5 | 12.5 12.5 12.5 17.5 17.5 |
| 311.8-1(2) 311.10-1 | 39.0 25.0 7.0 39.0 25.0 7.0 | d=8 d=8 | 8 10 | ||
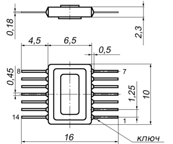
| 401.14-3(4) 401.14-5 | 10.0 6.5 2.3 10.0 6.7 2.2 | 4.9 2.0 | 10 11 12 14 | 12.5 12.5 15.0 15.0 | 15.0 17.5 17.5 20.0 |
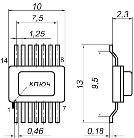
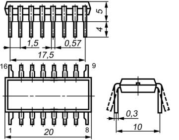
| 402.16-21,23, 25,32 402.16-33 406.16,5 | 12.0 9.4 2.7 | 5.1 3.1 4.1 3.1 | 14 16 | 12.5 17.5 | 20.0 20.0 |
| 402.16-18 4112.16-1(2,3) | 12.8 9.4 2.8 12.8 9.4 2.8 | 5.5 4.5 5.5 4.5 | 14 16 | 15.0 20.0 | 20.0 20.0 |
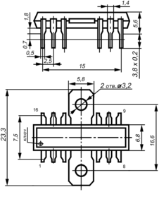
| 4131.24-1(2) 4131.24-3 | 19.7 16.8 3.1 | 10.7 8.4 7.5 7.4 | 18 20 22 24 | ||
| 4119.28-1(2) | 18.3 12.8 3.0 | 5.0 5.0 | 13 20 22 24 26 28 | ||
| 4122.40-1(2) | 25.8 12.8 3.0 | 6.0 5.0 | 30 32 34 38 40 | ||
| 429.42-1(3) | 26.6 16.7 2.9 | 6.2 6.2 | 30 32 34 36 38 40 42 | ||
Таблица П 4.2.















