Приложение к лаб 2 (563640)
Текст из файла
24
Приложение 1.
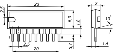
ГРПМ-1
| A | L | |
| ГРПМ1-31ШУ2 | 68 | 78 |
| ГРПМ1-45ШУ2 | 92 | 102 |
| ГРПМ1-61ШУ2 | 120 | 130 |
ГРПП-3
ГРПМ-9
| A | A1 | L | N | |
| ГРПМ9-18ШУ1 | 45 | 7,5 | 55 | 30 |
| ГРПМ9-30ШУ1 | 68 | 7,75 | 78 | 53 |
| ГРПМ9-42ШУ1 | 90 | 7,5 | 100 | 75 |
| ГРПМ9-52ШУ1 | 110 | 8,125 | 120 | 93,75 |
| ГРПМ9-14ШУ1 | 65 | 8,125 | 75 | 48,75 |
| ГРПМ9-31ШУ1 | 128 | 7,75 | 138 | 112,5 |
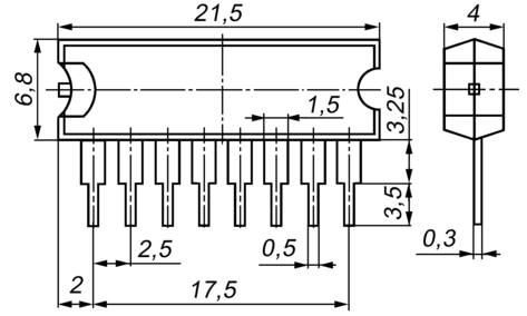
СНП-34
| Наименование | Обозначение |
| Тип | СНП |
| Номер разработки | 34 |
| Номер разработки с серебрянными контактами | 34С |
| Число контактов | 135(113,90,69,46,30,20) |
| Условный размер корпуса | 132х12,5 (132х9,4; 44х12,5) |
| Часть соединителя: вилка(розетка) | В (Р) |
| Номер типоконструкции: прямое соединение угловое соединение | 21 22 |
| Исполнение: всеклиматическое | В |
Приложение 2.
ЛИНЕЙНЫЕ РАЗМЕРЫ ПЕЧАТНЫХ ПЛАТ
| Ш | Д | Ш | Д | Ш | Д | Ш | Д |
| 10 | 10 15 20 30 40 | 15 | 15 20 25 30 | 20 | 20 25 30 40 45 50 60 80 | 30 | 30 40 45 50 60 80 90 |
| 75 | 75 80 85 90 95 100 170 | 80 | 80 85 90 95 100 110 120 130 140 150 160 180 200 240 | 85 | 85 90 95 100 | 90 | 90 95 100 110 120 130 140 150 160 170 180 |
| 135 | 240 | 140 | 140 150 160 170 180 190 200 220 240 260 280 320 360 | 150 | 150 160 170 180 190 200 300 | 160 | 160 170 180 190 200 220 240 260 280 300 320 360 |
Примечание. Ш - ширина ПП, Д - длинна ПП, выделенные размеры ПП являются предпочтительными.
| Ш | Д | Ш | Д | Ш | Д | Ш | Д | Ш | Д | |
| 40 | 40 45 50 60 75 80 100 120 140 160 | 45 | 45 50 60 70 75 80 85 90 100 | 50 | 50 60 75 80 85 90 95 100 | 60 | 60 75 80 85 90 95 100 120 140 160 180 | 240 | 240 260 280 300 320 340 360 | |
| 100 | 100 110 120 130 140 150 160 170 180 190 200 240 280 | 110 | 110 120 130 135 140 150 160 170 180 190 200 220 | 120 | 120 130 140 150 160 170 180 190 200 220 240 280 320 360 | 130 | 130 140 150 170 180 190 200 260 | 170 | 170 175 180 190 200 340 | |
| 180 | 180 190 200 220 240 260 280 300 320 340 360 | 200 | 200 220 240 260 280 300 320 340 360 | 220 | 220 240 260 280 300 320 340 360 | |||||
Приложение 3.
1102.8-1
1102.9-5
1102.9-4
1102.9-7
115.9-1
1501.5-1
Характеристики
Тип файла документ
Документы такого типа открываются такими программами, как Microsoft Office Word на компьютерах Windows, Apple Pages на компьютерах Mac, Open Office - бесплатная альтернатива на различных платформах, в том числе Linux. Наиболее простым и современным решением будут Google документы, так как открываются онлайн без скачивания прямо в браузере на любой платформе. Существуют российские качественные аналоги, например от Яндекса.
Будьте внимательны на мобильных устройствах, так как там используются упрощённый функционал даже в официальном приложении от Microsoft, поэтому для просмотра скачивайте PDF-версию. А если нужно редактировать файл, то используйте оригинальный файл.
Файлы такого типа обычно разбиты на страницы, а текст может быть форматированным (жирный, курсив, выбор шрифта, таблицы и т.п.), а также в него можно добавлять изображения. Формат идеально подходит для рефератов, докладов и РПЗ курсовых проектов, которые необходимо распечатать. Кстати перед печатью также сохраняйте файл в PDF, так как принтер может начудить со шрифтами.















