Ушаков_ТПЭВМ (562163), страница 18
Текст из файла (страница 18)
Рис. 12.11. Методы нанесения жидкого фоторезиста:
а - погружением; б - центрифугированием; в - накатыванием ребристым роликом
Поливом с центрифугированием можно получить почти беспористое покрытие. Плату устанавливают на планшайбу 1 (рис. 12.11, б), которая получает вращение от электродвигателя 5 через зубчатые колеса 4, шкив 3 и фрикционный ролик 2. Изменяя расстояние между роликом и осью вращения планшайбы, можно регулировать частоту ее вращения. Фоторезист наносят во время первых оборотов центрифуги, а затем частоту вращения увеличивают. Толщина получаемого покрытия зависит от вязкости фоторезиста и частоты вращения центрифуги. Для получения тонких пленок используют высокую частоту вращения, при этом необходимы фоторезисты с достаточно низкой вязкостью. Толщина слоя обычно составляет от 2 до 4 мкм, а неравномерность толщины 0,5 ... 1,0 мкм.
Накатывание фоторезиста ребристым роликом, (рис. 12.11, в) обеспечивает большую равномерность нанесенного слоя. Канавки на поверхности ролика служат резервуаром для фоторезиста.
Недостатки жидких фоторезистов - малая толщина и неравномерность слоя покрытия, большая трудоемкость процесса нанесения и невозможность его использования для нанесения на платы с отверстиями.
Рис. 12.12. Последовательность фотопечати с применением сухого
фоторезиста:
а - нанесение фоторезиста; б - экспонирование; в - отделение несущей пленки;
г - удаление неэкспонированных участков
Сухие фоторезисты в настоящее время получили широкое применение. Они заменили жидкие, так как более технологичны и просты в употреблении.
Сухой пленочный фоторезист представляет собой тонкую пленку, полимеризующуюся под действием ультрафиолетового облучения. Он состоит из трех слоев: оптически прозрачной пленки (обычно полиэтилентерефталата), светочувствительного полимера и защитной лавсановой пленки. Покрывающие пленки предохраняют фоторезист от механических повреждений и возможного загрязнения.
Нанесение сухого пленочного фоторезиста (рис. 12.12) осуществляется при помощи валкового механизма (ламинатора). Накатывающий валик 4 оснащен устройством для обеспечения заданного давления на заготовку 1. Процесс происходит при повышенной температуре. При этом защитная пленка 3 удаляется, а открытая поверхность полимера 5 приклеивается к медной фольге 6, так как адгезия светочувствительного полимера к фольге больше, чем к несущей пленке 2. В результате экспонирования на плате образуется изображение светлых мест фотошаблона 7. Оптически прозрачная пленка 8 отделяется от несущей поверхности, и изображение проявляется в воде. При этом неэкспонированные участки удаляются.
Метод фотопечати обеспечивает высокую разрешающую способность, позволяющую получать проводники, ширина которых и расстояние между ними составляет 0,1 мм.
Трафаретная печать (сеткографический метод). Метод основан на получении необходимого рисунка схемы на поверхности медной фольги путем продавливания защитной краски резиновым ракелем через сетчатый трафарет. Сетки для трафаретов изготовляют из капроновых или лавсановых нитей. Более высокая точность рисунка схемы получается при использовании сетки из фосфористой бронзы или нержавеющей стали диаметром 35...40 мкм. Размер ячейки трафарета составляет 60...80 мкм. Металлическая сетка выдерживает большое число оттисков и применяется в серийном производстве. Недостатками ее по сравнению с шелковой сеткой являются малая эластичность и склонность к окислению. Требуемый рисунок на трафарете получается с помощью фоторезистов. Открытые участки сетки трафарета соответствуют рисунку печатной платы.
Краска для защитного слоя должна обладать высокой кислотостойкостью хорошей адгезией с платой, минимальным временем сушки и сметанообразной консистенцией. Жидкая краска дает расплывчатое изображение, а густая трудно продавливается через трафарет. Печатные свойства краски и их адгезионная способность зависят от связующего вещества, в качестве которого используют различные смолы с олифами. В состав краски входят также растворители (керосиновая фракция, уайт-спирит и др.), разбавитель и компоненты, улучшающие вязкость, пластичность, растекаемость и адгезионные свойства краски. Наиболее широко используют краску СТ3.12—51 и гальваностойкую краску СТ3.13.
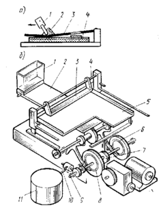
Рис. 12.13. Нанесение защитного слоя через трафарет:
а - принципиальная схема; б - схема автомата
При нанесении краски вручную (рис. 12.13, а) плату 4 устанавливают по базовым технологическим отверстиям и наносят некоторое количество краски, обеспечивающее образование валика 2 вдоль всей длины шпателя 1 при его движении по трафарету 3. Волна краски перед шпателем является своеобразным резервуаром, обеспечивающим с некоторым избытком весь процесс печати. Отпечатанную плату помещают в сушилку. Сушку осуществляют до тех пор, пока плату можно будет взять в руки без опасения повредить оттиск. В случае двусторонней платы таким же образом наносят схему с другой стороны платы.
Машинная печать предусматривает осуществление тех же операций, что и ручная. Движение шпателя, подача резиста и подъем трафарета автоматизированы. Платы подаются на рабочую позицию (рис. 12.13, б) из магазина 1 столом 2, снабженным вакуумным присосом. Вакуумный насос 11 включается переключателем 10. Движением стола управляет кулачок 8, сидящий на распределительном валу 9. Сетчатый трафарет 5, закрепленный в рамке, может перемещаться в вертикальном направлении от кулачка 7. Рабочий ход ракеля 3 осуществляется при движении стола от кулачка 6. В конце рабочего хода ракель поворачивается вокруг оси 4, вакуум снимается и плата с нанесенным рисунком направляется на сушку.
Получение рисунка схемы методом трафаретной печати на 60% дешевле, чем фотохимическим.
Однако метод трафаретной печати имеет малую разрешающую способность, которая определяется размером ячеек в сетке (обычно 0,08 мм). Так как краска растекается, то разрешающая способность уменьшается до 0,10...0,15 мм. Трафаретную печать используют в том случае, если ширина проводников и расстояние между ними более 0,3 мм, точность переноса изображений не выше 0,1 мм.
Типичные дефекты трафаретной печати - поры и проколы в слое нанесенного резиста, неровные края проводников, неравномерная толщина. Основными причинами дефектов являются запыленность помещения, несоответствующая вязкость резиста, износ трафарета, царапины на трафарете, возникающие от твердых частиц, попадающих в краску. На свойство красок существенно влияют климатические условия на участке (температура, влажность).
-
Химические и гальванические процессы изготовления печатных плат
Основное назначение химических и гальванических процессов заключается в металлизации монтажных отверстий и защите рисунка печатной платы при травлении.
Типовой технологический процесс химической и гальванической металлизации печатных плат (ГОСТ 23770—79) состоит из этапов подготовки поверхности, сенсибилизации, активации, химического и гальванического меднений, гальванического осаждения сплава SnPb.
Подготовка поверхности монтажных отверстий печатных плат заключается в гидроабразивной обработке, подтравливании диэлектрика в отверстиях серной кислотой и фтористым водородом, промывки в проточной воде.
Сенсибилизация (повышение чувствительности к меди) осуществляется в растворе двухлористого олова, соляной кислоты и металлического олова в течение 5...7 мин с последующей промывкой в дистиллированной воде. В результате сенсибилизации на поверхности стенок отверстий адсорбируется пленка ионов двухлористого олова, являющаяся восстановителем для палладия.
Активация проводится в водном растворе двухлористого палладия и аммиака в течение 5...7 мин. Металлический палладий служит центром кристаллизации при химическом меднении. Для сокращения технологического цикла и улучшения качества металлизации используют совмещенный активирующий раствор, в состав которого входят соли палладия и олова.
Химическое меднение состоит в восстановлении меди на активированных поверхностях из раствора, в который входят соли меди, никеля, формалина, соды и др. Время осаждения слоя меди толщиной 0,25 ...0,5 мкм составляет 15...20 минут. Для облегчения удаления водорода, выделяющегося в процессе меднения, и для лучшего смачивания отверстий раствором процесс ведется с плавным покачиванием плат или с наложением ультразвукового поля. Осадки меди в этом случае имеют более плотную структуру, что объясняется лучшими условиями для удаления водорода закрывающего поверхность диэлектрика.
Гальваническую металлизацию применяют для увеличения тонкого слоя меди, полученного при химической металлизации до толщины 5...8 мкм, и последующего образования проводящего рисунка схемы с толщиной меди в отверстиях 25 мкм.
Гальваническое меднение требует замкнутого контура проводящих покрытий, которое осуществляется технологическими проводниками, прошивкой отверстий медной проволокой и применением специальных рамок. Медь наращивают в сернокислом, борфтористо-водородном и других электролитах. При продолжительном воздействии электролита на изоляционное основание возможно ухудшение его диэлектрических свойств.
Рис. 12.14. Схема гальванического меднения печатных плат
Нанесение гальванических покрытий осуществляют в ваннах (рис. 12.14).
Плату 4 зажимают в металлической рамке и подвешивают на шине 1, установленной в ванне 2 с электролитом. Шину подключают к отрицательному источнику тока, а электроды 3, изготовленные из электролитической меди, - к положительному источнику тока. На плате, которая является катодом, осаждается медь. Для получения хорошего покрытия на стенках отверстий предусматривается перемещение рамки, что обеспечивает постоянное обновление электролита в отверстиях.
Важным технологическим параметром является рассеивающая способность процесса, от которой зависит отношение толщины покрытия в отверстии к толщине покрытия на поверхности платы. Так как это отношение не может быть больше единицы, то необходимо наносить более толстый слой на поверхность платы, чтобы получить слой заданной толщины в отверстии.
Гальваническое осаждение сплава «олово — свинец» толщиной 8...20 мкм производится с целью предохранения проводящего рисунка при травлении плат и обеспечения хорошей паяемости. Возможно применение специальных покрытий (палладий, золото и др.) толщиной 2...5 мкм. Осаждение гальванических сплавов более сложно, что вызвано необходимостью поддержания определенного состава покрытия. Адгезия гальванического покрытия зависит от качества подготовки поверхности для металлизации и соблюдения режимов процесса.
Травление является химическим процессом, при котором участки медной фольги, не защищенные резистом, удаляются с поверхности диэлектрического основания, а участки, покрытые резистом, сохраняются и формируют рисунок печатной платы. В качестве резиста используются фоторезист, трафаретная краска или устойчивый к воздействию травителей гальванически нанесенный слой оловянно-свинцового сплава (припоя) или благородных металлов. Процесс травления включает в себя предварительную очистку, собственно травление металла, очистку после травления и удаления фоторезиста.
Травление печатных плат с рисунками, защищенными сплавами на основе олова-свинца или благородных металлов, производится в растворах на основе хлорной меди (ГОСТ 23727— 79). Такие растворы имеют низкую стоимость, просты в приготовлении и легко удаляются с платы после травления. Если рисунок платы защищен печатными красками, то травление производится в железомедном хлоридном растворе.
















