Курс лекций по антеннам (561371), страница 2
Текст из файла (страница 2)
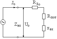
– входное сопротивление антенны
– волновое сопротивление фидера (волновода)
– нормированное сопротивление антенны
Это соотношение справедливо для основного типа волн.
Мощности, подводимые к антенне и излученные антенной.
Мощность
делится на две части:
-
излучаемая
-
потери на активном сопротивлении (в земле, в окружающих металлических проводниках, оттяжках, строениях и т.д.)
– излученная мощность, как для всякой линейной цепи, пропорциональна квадрату действующего значения тока в антенне.
– коэффициент пропорциональности.
Сопротивление излучения можно определить как коэффициент, связывающий
антенны с
в данной точке антенны.
(форма антенны, геометрические размеры, )
Мощность потерь:
– эквивалентное сопротивление потерь отнесенное к току I
– полная мощность (подводимая к антенне)
где
– активное сопротивление антенны в точке запитки
Для оценки эффективности работы антенны вводят понятие КПД антенны
, для увеличения
необходимо уменьшение
.
Метод определения электромагнитного поля антенн.
Теория антенн позволяет определить основные характеристики такие как ДН,
,
и их зависимость от частоты.
Параметры антенн можно найти непосредственно из уравнений Максвелла, связывающих в дифференциальной форме значения электромагнитного поля с плотностью тока и заряда в рассматриваемой точки пространства. Найти точные решения весьма затруднительно, поэтому пользуются приближенными методами решения.
Существует множество методов. Мы будем рассматривать различные методы для линейных и апертурных антенн.
Для расчета линейных (проволочных) антенн используется теория элементарного электрического диполя. Кроме того, должно быть известно распределение тока вдоль проводов антенны
Провода антенны мысленно разбиваются на элементарные участки. Каждый участок рассматривается как элементарный электрический диполь. Поле антенны определяется как сумма полей, создаваемых отдельными элементами с учетом их поляризации, амплитуд и фаз. Суммирование полей сводится к интегрированию по источникам.
Рис. 14. Принцип определения поля проволочной антенны
Таким образом, поле излучения проволочной антенны определяется как суперпозиция полей, создаваемых элементарными излучателями с известными токами.
Для расчета полей апертурных антенн используется так называемый апертуный метод.
Сущность его состоит в том, что каждый элемент площади раскрыва антенны рассматривается как гюгенсовый источник (элементарная площадка ) и поле всей антенны в дальней зоне определяется суммированием (интегрированием) всех элементарных полей с учетом их поляризации, амплитуд и фаз.
Симметричный электрический вибратор в свободном пространстве.
Приближенные законы распределения тока и заряда по вибратору.
Рис. 15. Симметричный вибратор
Симметричный вибрато – два одинаковых плеча по размерам и форме, между которыми включается генератор.
До разработки строгой теории симметричного вибратора (конец 30-х начало 40-х годов) при расчете поля вибратора применялся приближенный метод. В его основе лежит предположение о синусоидальном распределении тока по вибратору (закон стоячих волн) связанное с некоторой внешней аналогией между симметричным вибратором и 2-х проводной линией разомкнутой на конце.
Переход от двухпроводной линии к вибратору и полагают, что при таком переходе закон распределения тока не нарушается, то есть
(1)
– амплитуда тока в пучности тока вибратора
– длина плеча
– расстояние от начала координат до произвольной точки
– коэффициент фазы тока текущего по вибратору
Как видно из формулы (1) распределение тока не зависит от толщины вибратора.
В действительности двухпроводная линия и симметричный вибратор являются колебательными системами с распределенными параметрами, но они существенно различаются.
-
распределенные параметры L и С длинной линии, по ее длине = сonst, а у симметричного вибратора по длине const.
Рис. 16. Разомкнутая двухпроводная линия Рис. 17. Симметричный вибратор
-
для двухпроводной линии – ток изменяется по закону стоячей
волны, формула (1) и в узлах равен нулю
-
для симметричного вибратора – ток не может быть распределен по закону (1), и в узлах не обращается в нуль
Однако расчет поля симметричного вибратора в дальней зоне в предположении синусоидального распределения тока по вибратору дает хорошее совпадение с экспериментальными данными для тонких вибраторов
.
Однако если будем рассчитывать
в ряде случаев приводит к неверным результатам.
Здесь
, но это не так.
При известном законе распределения тока по вибратору, легко установить приближенный закон распределения заряда, воспользовавшись законом сохранения заряда. Считаем, что вибратор тонкий a << l , тогда можно сказать, что существует одна составляющая
.
Заряды, существующие на поверхности проводника, описываются уравнением:
(2)
– поверхностный заряд на единицу длины.
Решение уравнения (2) имеет вид, без учета фазы заряда:
(3)
Приведем несколько распределений
и
по длине вибратора для различных
по формулам (1) и (3)
а) б)
в)
Рис. 18. Распределение тока на тонком симметричном вибраторе разной длинны
Направленные свойства симметричного вибратора.
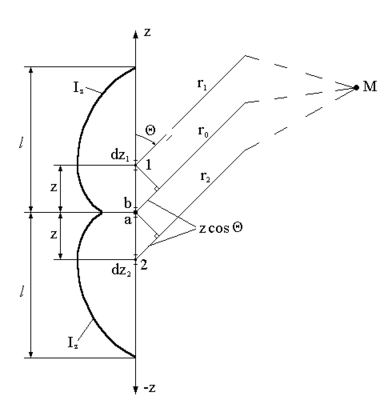
Ток
– распределен по синусоидальному закону.
Рис. 19. К вычислению поля создаваемого симметричным вибратором в дальней зоне
Вибратор разделяется на большое количество участков
, так как
– мало, то можно считать, что
. Выделим на плечах вибратора на расстоянии z от 0 – элементарные участки
, те они расположены симметрично относительно 0. Определим поле создаваемое двумя
в точке М, в дальней зоне. Так как
, то можно считать, что
.
от
(1)
от
– амплитуда тока в точках 1 и 2
– расстояние от т.1 до т. М
– расстояние от т.2 до т. М
– угол между осью вибратора и направлением на точку наблюдения, так как векторы на точку
направлены по одной линии, то можно записать:
(2)
Здесь
, где
– ток в точках питания вибратора.
Из т. 1 и 0 опустим перпендикуляры на направления
и
.
;
– разность хода лучей
,
– это условие говорит о том, что амплитуды полей, создаваемые каждым элементом одинаковые. Однако, разностью фаз (хода лучей) пренебрегать нельзя, так как пространственный сдвиг фаз между полями элементов 1 и 2
определяется отношением разности хода лучей к
.
(3)
подставляя (3) в (2) получим:
(4)
так как
, то (4) примет вид
(5)
Возьмем интеграл
или
(6)
– первый множитель не зависит от направления
– АДН
– ФДН
Из выражения (6) видно, что симметричный вибратор обладает направленными свойствами только в меридиональной плоскости (плоскость электрического вектора)
Напряженность электрического поля симметричного вибратора в его экваториальной плоскости (плоскость магнитного вектора
)
не зависит от угла
, то есть представляет собой окружность.
Как видно из формулы (6) направленные свойства симметричного вибратора при синусоидальном распространении тока определяются только отношением
. В случае когда
(полуволновой вибратор) выражение (6) примет вид
Анализ выражения (6) показывает, что:
а) излучение вдоль вибратора при любом отношении
– отсутствует
б) если
, то излучения, в направлении перпендикулярном оси поля, всех элементарных вибраторов максимальны и синфазны, а значит, в этих направлениях они складываются. Поле в данном направлении (
и
) максимально.
Диаграмма направленности симметричных вибраторов.
Рис. 20. Диаграмма направленности симметричных вибраторов с разным соотношением
Нормированная диаграмма направленности
Сопротивление излучения. КНД.
Действующая длинна симметричного вибратора
Мощность излучения симметричного вибратора
Эта формула связывает мощность излучения с квадратом тока через сопротивление излучения.
Для определения воспользуемся методом вектора Пойнтинга. В соответствии с этим методом симметричный вибратор окружается сферой радиусом
, центр сферы совпадает с центром симметричного вибратора.
Рис. 21. Сферические координаты площадки излучения
Полагая
После интегрирования получается формула, которую в 1924 году получил Баллангайн.
,
где
постоянная Эйлера
– интегральный синус
– интегральный косинус
(См. в Янке Е., Эмде Ф. «Специальные функции»)
Рис. 22.Сопротивление излучения тонкого симметричного вибратора, отнесенное к току в пучности, в зависимости от
если
, то
если
, то
Входное сопротивление симметричного вибратора.
Мощность, подведенная от генератора к симметричному вибратору делится на излучаемую, теряемую в самом вибраторе (омические потери, потери в изоляторах, окружающих металлический проводник и в земле).
Излучаемая мощность характеризуется сопротивлением излучения
.
Мощность потерь характеризуется сопротивлением
.
Кроме излученного поля, есть еще колеблющееся вблизи антенны. Этому полю соответствует реактивная мощность. Эта мощность, то отдается генератором в пространство, то принимается генератором.
Реактивная мощность характеризуется реактивным сопротивлением
Таким образом
для симметричного вибратора, как правило
, тогда
Рассмотрим полуволновой вибратор (
).
Расчет ведут следующим образом. В вибраторе существуют потери, пусть
, тогда
, но этого не может быть, так как
в точке питания он конечен, значит и
– конечно.
Закон синуса тока – справедлив для линии без потерь, а у нас существуют потери, значит закон не синусоидальный, а такой, какой бывает в линиях с потерями. Он соответствует закону гиперболического синуса:
где
,
– коэффициент затухания и
– коэффициент фазы.
Поэтому при расчете
«коротких» вибраторов (
и
), то есть у которых узел тока находится от точек питания вибратора не ближе
, исходят из синусоидального распределения тока.
При расчете
«длинных» вибраторов (
) следует исходить из распределения тока по закону
.
Найдем формулу для расчета активной составляющей
через ток в пучности
через ток в точках запитки
Используя
, получим
Значение
для данной длины находят из таблиц или графиков
для
При расчете
пользуются формулой входного сопротивления разомкнутой на конце двухпроводной линии без потерь, заменяя в ней волновое сопротивление линии волновым сопротивлением антенны (симметричного вибратора)
Таким образом
(7)
точность формулы (7) повышается с уменьшением толщины вибратора (уменьшается радиус провода).
Зависимость входного сопротивления симметричного вибратора от величины отношения
и от
показаны на рисунках ниже.
Рис. 22. Кривые активной и реактивной составляющих входного сопротивления тонких вибраторов в зависимости от
Об укорочении вибратора. Настройка
тем больше чем толще вибратор, чем толще вибратор, тем лучше диапазонные свойства это для
(3401000 Ом).
Вибратор становится более широкодиапазонным и
уменьшается, которая определяется отношением связанной с вибратором реактивной энергии и излучаемой.
пучности узлы
где А – коэффициент пропорциональности
При определении
симметричного вибратора, питаемого вблизи узла тока, полагая что
, можно получить следующие формулы.
;
;
В случае параллельного резонанса (
) получаем
;
Случай последовательного резонанса. Питание вибратора в пучности тока, из формулы (7) получается
Ома
Симметричный щелевой вибратор
Для оценки эффективности работы антенны вводят понятие КПД антенны
, для увеличения
необходимо уменьшение
.
Действующая длина симметричного вибратора.
Определим
вибратора для любых направлений в экваториальной плоскости, то есть
.
Воспользуемся формулой
подставив в (1) уравнение
, получим
получаем действующую длину отнесенную к
:
Зная
и
можно определить
с помощью выражения:
Для вибраторов малой длины
т.е. действующая длина равна половине его геометрической длине.
Объясним
с точки зрения амплитудного распространения.
имеет равноамплитудное значение по всей длине. Поэтому у вибраторов малой длины
.
Направленное действие системы излучателей.
Поле идентичных излучателей, одинаково ориентированных в пространстве (Теорема перемножения ДН).
Направленное действие при излучении системы излучателей объясняется интерференцией полей, создаваемые отдельными излучателями. Вследствие этого диаграмма направленности зависит от:
-
вида излучателя,
-
расстояния между излучателями,
-
взаимного расположения излучателей,
-
от размеров антенной системы,
-
соотношения между амплитудами и фазами токов в излучателях,
-
поляризационных свойств отдельного излучателя.
Напряженность поля в дальней зоне
излучателя
Поляризация поля излучателя зависит от вида и расположения последнего в пространстве.
Вектор напряженности поля, создаваемого всеми излучателями, будет равен геометрической сумме всех
векторов напряженностей полей, т.е. при суммировании полей в рассматриваемой точке необходимо учитывать ориентацию каждого вектора в пространстве (поляризацию), а также его амплитуду и фазу. Если рассматриваемая система состоит из излучателей различного типа, произвольно расположенных в пространстве, задача суммирования полей не может быть упрощена и в общем случае решение получается весьма громоздким. Однако для системы идентичных излучателей при одинаковой ориентации в пространстве общее выражение для результирующей напряженности поля несколько упрощается. В этом случае напряженность поля, создаваемого каждым отдельным излучателем системы в удаленной точке пространства, будет, в частности, характеризоваться одинаковой поляризацией. Поэтому амплитуду общей напряженности поля системы можно определить как сумму комплексных амплитуд составляющих
Для рассматриваемой системы
Предположим, что излучатели являются абсолютно ненаправленными, т.е. что множитель
, тогда
Это выражение определяет напряженность поля в любом направлении (
зависит от углов
и
)
Обозначим
Тогда
Выражение
определяет диаграмму направленности системы излучателей, которые являются абсолютно ненаправленными. Множитель
не влияет на форму диаграммы направленности. Поэтому можно записать выражение для диаграммы направленности
Это выражение позволяет сформулировать так называемую теорему перемножения диаграмм направленности, которая гласит: диаграмма направленности системы из
идентичных и одинаково ориентированных направленных излучателей определяются произведением диаграммы направленности одиночного излучателя на диаграмму направленности той же системы из
воображаемых направленных излучателей.
Эта теорема имеет очень важное значение для исследования сложных антенных систем.
Поле линейной системы идентичных излучателей.
Выражение
можно упростить в случае расположения излучателей вдоль прямой линии на одинаковых расстояниях друг от друга. Такая система излучателей называется линейной системой или линейной решеткой.
Рис.23. Линейная система идентичных излучателей.
Множитель
является множителем решетки, определяющим диаграмму направленности линейной системы ненаправленных излучателей.
Выражение
существенно упростится, если амплитуды токов будут одинаковы, а фазы у них изменяются по линейному закону.
где
- угол сдвига фаз между токами соседних излучателей; т.е. предполагается, что
В выражение
входит сумма
членов геометрической прогрессии
,
.
Сумма
членов геометрической прогрессии
Подставляя выражение
в выражение
, получим
Выражение
является очень важным в теории антенн. Множитель
в показателе есть расстояние от середины антенной системы до точки наблюдения, а
определяет фазовый угол тока, соответствующего той же средней точке антенны. При указанных обозначениях выражение
можно переписать:
Модуль выражения
определяет собой амплитудную характеристику направленности рассматриваемой системы направленных излучателей. Фазовый множитель выражения
определяет фазовую характеристику системы, а следовательно, форму ее волновой поверхности (поверхности равных фаз). При сферической форме волновой поверхности ее центр называется фазовым центром антенной системы.
где
Это выражение определяет собой диаграмму направленности линейной системы из
ненаправленных излучателей и является так называемым множителем решетки.
Выражение
определяет ненормированную диаграмму направленности системы из
ненаправленных излучателей, так как его максимальное значение отличается от единицы и равно
при
. Действительно, при этом выражение
превращается в неопределенность вида
.
определяет максимально возможное значение выражения
. Поэтому нормированное значение этого выражения будет
В том случае, когда направление максимума диаграммы одиночного излучателя совпадает с направлением, для которого получается максимум множителя системы, можно написать выражение для нормированной диаграммы направленности системы направленных излучателей в виде
Рассмотрим несколько случаев.
а) Два излучателя при разных фазовых соотношениях и расстояниях между ними.
Это выражение определяет диаграмму направленности двух ненаправленных излучателей, разнесенных на расстояние
, с токами, сдвинутыми по фазе на угол
.
Рассмотрим несколько частных случаев.
Рис.24. Горизонтальная диаграмма направленности двух синфазных вертикальных вибраторов, расположенных на расстоянии
.
Такая антенная система, называемая синфазной
, характеризуется тем, что максимумы излучения получаются в направлении, перпендикулярном линии расположения излучателей. В этом направлении длина пути от каждого излучателя до точки наблюдения будет одинаковой. Поэтому векторы напряженностей полей, создаваемых каждым из вибраторов, будут в фазе, так как поля в указанном направлении будут запаздывать на одно и то же время относительно токов в вибраторах. Минимумы излучения (нули) получаются вдоль линии расположения излучателей. Это объясняется тем, что волны, излучаемые двумя синфазными источниками, в этом направлении проходят пути, отличающиеся между собой на половину длины волны. В результате волны, попадающие из источников в точку наблюдения, оказываются в противоположных фазах.
Рис.25. Горизонтальная диаграмма направленности двух вертикальных вибраторов с токами в противоположных фазах.
Рассмотренная антенная система, называемая иногда переменно-фазной
, характеризуется тем, что максимумы излучения получаются вдоль линии расположения излучателей, а минимумы (нули)- в направлении, перпендикулярном этой линии. Такая форма диаграммы направленности обусловлена интерференцией полей двух источников, подобной рассмотренной выше для синфазных излучателей.
Рис. 26. Горизонтальная диаграмма направленности вертикальной антенны с рефлектором.
Как видно из рис.4, диаграмма напоминает собой кардиоиду. Такая диаграмма является характерной для так называемой антенны с рефлектором (зеркалом). Волны, излучаемые антенной, как бы отражаются от рефлектора, расположенного позади антенны на расстоянии в четверть длины волны. Для того чтобы получилась указанная на рисунке кардиоидная диаграмма, амплитуды токов антенны и рефлектора должны быть одинаковыми, а ток в рефлекторе должен опережать по фазе ток в антенне на
.
Взаимное влияние вибраторов.
Введение.
Т
еория одиночного симметричного вибратора в предположении, что он находится в пространстве, свободном от других излучателей, и настолько удален от земли, что ее влиянием можно пренебречь.
вибратор
используется редко
Во многих случаях антенны состоят не из одного, а из ряда вибраторов, расположенных на сравнительно небольших расстояниях так, что между ними имеется заметная электромагнитная связь. Кроме того, большое число вибраторных антенн располагается непосредственно над поверхностью земли или неподалеку от нее, так, что земля оказывает влияние на параметры антенн.
расстояние
мало
Влияние находящихся неподалеку вибраторов, а также земли сказывается в том, что сопротивление излучения, а также входное сопротивление вибратора будут отличаться от соответствующих сопротивлений одиночного вибратора так же, как сопротивление контура, связанного с другими контурами, отличается от сопротивления одиночного контура. Изменяется также и диаграмма направленности.
Комплексные сопротивления системы вибраторов.
Рассмотрим систему, состоящую из
связанных между собой излучателей. Для них можно записать следующую систему уравнений:
Здесь
- комплексные напряжения и токи на зажимах
,
и
вибраторов.
- собственные сопротивления на зажимах
,
и т.д. вибраторов.
- взаимное сопротивление между
и
вибраторами;
- взаимное сопротивление между
и
вибраторами и т.д.
Взяв отношение
в первом из равенств
, получим значение эквивалентного входного сопротивления на зажимах
вибратора:
Подобные же выражения получаются и для других вибраторов. Полное комплексное сопротивление можно представить в виде суммы собственного сопротивления
и сопротивления
, вносимого остальными вибраторами в первый
где
При равенстве токов вносимое сопротивление становится равным взаимному.
Таким образом, взаимным сопротивлением двух вибраторов можно назвать сопротивление, которое вносится
вибратором в
(или наоборот), в случае, когда токи обоих вибраторов одинаковы по фазе и по амплитуде.
Из системы уравнений
видно, что при заданных напряжениях на зажимах вибраторов и известных значениях собственных и взаимных сопротивлений могут быть определены все токи вибраторов. Если же токи вибраторов определены или заданы заранее, тогда с помощью выражений
могут быть найдены полные комплексные сопротивления вибратора.
Взаимные сопротивления параллельных полуволновых вибраторов.
Не приводя всех математических выводов, проделанных А. А. Пистолькорсом и В. В. Татариновым, приведем графики для активной и реактивной составляющих взаимного сопротивления линейных (тонких) полуволновых вибраторов с одинаковыми токами, расположенных параллельно друг другу на расстоянии
.
Рис.27. Два параллельных полуволновых вибраторов, расположенных на одном уровне.
Рис. 28. Кривая активной составляющей Рис. 29. Кривая реактивная составляющей
взаимного сопротивления двух полу- взаимного сопротивления двух полу-
волновых вибраторов в зависимости волновых вибраторов в зависимости
Как видно из рис. 28, активное взаимное сопротивление принимает и положительные, и отрицательные значения. Случай отрицательного значения обозначает, что под влиянием электромагнитного поля, создаваемого током соседнего вибратора, в рассматриваемом вибраторе при неизменном токе происходит уменьшение мощности излучения и соответственно сопротивления излучения.
При сближении вибраторов
взаимное активное сопротивление стремится к пределу
Ом, который представляет собой сопротивление излучения полуволнового вибратора от собственного тока или просто собственное сопротивление излучения.
Как видно из рис.29, собственное реактивное сопротивление вибратора общей длиной
Таким образом, значение собственного сопротивления симметричного вибратора общей длиной
а взаимное сопротивление двух полуволновых вибраторов, расположенных, как показано на рис. 27,
, где оба слагаемых определяются их графиков рис. 28 и рис. 29.
При расчете сложных многовибраторных антенн возникает необходимость определения взаимных сопротивлений параллельных вибраторов, сдвинутых относительно друг друга, как показано на рис. 30.
Рис.30. Два параллельных полуволновых вибратора, расположенных на одном уровне.
Симметричный щелевой вибратор.
На основании принципа двойственности по аналогии с элементарной щелью поле, создаваемое симметричной щелью, можно найти, если известно поле, создаваемое симметричным электрическим вибратором, имеющим одинаковую форму и размеры со щелью.
Если в симметричном электрическом вибраторе ток изменяется по синусоидальному закону, то в щелевом
Поэтому в формулах для поля симметричного электрического вибратора
заменим на
, и учтем, то, что
ампер электрического тока создает такое же электрическое поле как
вольт напряжения в щели.
Из принципа двойственности и из данной формулы видно, что щелевой вибратор обладает направленными свойствами в своей меридиальной плоскости.
Диаграмма направленности щелевого вибратора зависит от
и совпадает с диаграммой направленности симметричного вибратора.
Вдоль оси щелевой вибратор не излучает. Максимум диаграммы направленности наблюдается вдоль нормали к оси щели.
При
в экваториальной плоскости щель не обладает направленными свойствами.
где
- сопротивление излучения симметричного вибратора.
-
комплексная величина.
-
комплексная проводимость щели.
Щель обладает резонансными свойствами. Щель излучает в одну сторону. Проводимость излучения односторонней щели определяется по формуле
Питание вибраторных антенн.
Для питания антенн в диапазоне ультракоротких волн открытые линии из-за антенного эффекта обычно не используются, а большей частью для этой цели применяется экранированный, в частности коаксиальный фидер.
Рис. 31. Непосредственное подсоединение
коаксиального фидера к симметричному
вибратору.
епосредственное присоединение коаксиального несимметричного фидера к симметричной антенне нарушает симметрию токов в ней и приводит к появлению тока на наружной поверхности экрана фидера. При непосредственном соединении, как показано на рис. 31, выходное напряжение фидера возникает не только между входными зажимами симметричного вибратора, но и между одним из зажимов вибратора (правым на рисунке) и оболочкой фидера. Напряжение между зажимами вибратора вызывает в нем симметричные токи, замыкающиеся с одной половины на другую, как показано сплошными линиями на рисунке. Напряжение между правой половиной вибратора и экраном кабеля вызывает дополнительный ток, замыкающийся с этой половины вибратора на оболочку фидера, как показано пунктирными линиями. Появление тока снаружи экрана приводит к излучению фидера. Кроме того, нарушается симметрия токов в половинах вибратора. Все это заметно искажает диаграмму направленности антенны, что считается недопустимым.Поэтому для соединения коаксиального фидера с симметричной антенной применяются специальные переходные устройства, называемые также симметрирующими устройствами. Основная задача, которую они выполняют, заключается в обеспечении электрической симметрии каждой половины антенны относительно оболочки фидера.
На практике применяется довольно большое количество подобных переходных устройств. Наиболее распространенные из них рассматриваются ниже.
а
Рис. 32. Симметрирующее
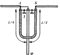
устройство типа «U-колено»
) «U-колено». Схема симметрирующего устройства типа «U-колено» показана на рис. 32. Центральный провод коаксиального фидера присоединяется к зажиму А левой половины вибратора. От этой точки напряжение к зажиму Б правой половины вибратора подается через участок кабеля длиной
U-колено является трансформатором сопротивления по той причине, что входное сопротивление нагрузки общего фидера (Ф) между точками A3 в четыре раза меньше, чем входное сопротивление вибратора на зажимах АБ.
Схема U-колено может быть использована также для перехода с коаксиального кабеля на симметричный двухпроводный фидер, открытый или экранированный.
К недостаткам рассмотренного переходного устройства относится то, что оно может применяться только при работе на одной волне или, точнее, в узкой полосе частот, так как геометрические размеры устройства связаны определенным образом с длиной волны.
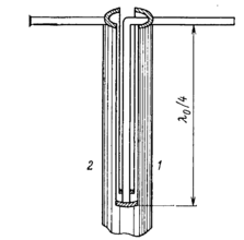
Рис. 33. Симметрирующее устройство
типа «четвертьволновый стакан»
) «Четвертьволновый стакан». Переходное устройство типа «четвертьволновый стакан» показано на рис. 33. Металлический цилиндр («стакан») длиной в четверть волны охватывает с небольшим зазором внешнюю оболочку кабеля и припаян с нижней стороны к этой оболочке. Верхняя часть цилиндра не соединена с оболочкой и может быть закрыта диэлектрической шайбой. Внутренняя поверхность указанного цилиндра и наружная поверхность кабеля образуют четвертьволновую линию, короткозамкнутую на конце, входное сопротивление которой (на зажимах 2-3) при достаточно большом волновом сопротивлении этой линии будет очень велико.Таким образом, зажим 1 антенны изолирован от наружной оболочки кабеля непосредственно, а зажим 2 изолирован от оболочки (от точки 3) большим входным сопротивлением отрезка четвертьволновой линии. Следовательно, обе половины вибратора оказываются примерно в одинаковых условиях относительно оболочки кабеля и симметрия вибратора не нарушается.
Сопротивление нагрузки для фидера (в точках 1-2) при точной настройке стакана остается примерно равным входному сопротивлению самой симметричной антенны.
Рассмотренное переходное устройство так же, как и «U-колено», является весьма узкополосным.
Рис. 34. Симметрирующая щель
) Симметрирующая щель. На рис. 34 показано переходное устройство в виде отрезка коаксиального фидера с двумя продольными щелями. Длина каждой щели равна четверти длины волны ( В рассмотренном переходном устройстве симметричное возбуждение сохраняется не только на резонансной волне
но и при изменении длины волны. В последнем случае, однако, ухудшается согласование между коаксиальным фидером и вибратором. Тем не менее указанное переходное устройство является более широкополосным, чем «U-колено» или «четвертьволновый стакан».
Сопротивление излучения вибратора.
Сопротивление излучения является одним из основных параметров проволочной антенны. Сопротивление излучения это коэффициент, связывающий мощность излучения антенны и квадратом действующего значения тока.
Для расчета сопротивления излучения используют два метода:
1) метод интегрирования вектора Пойтинга
2) метод наводимых ЭДС.
В обоих случаях сопротивление излучения определяется по формуле
где
- действующее значение тока, к которому относится сопротивление
. Однако способ определения мощности излучения антенны несколько отличается в каждом из упомянутых методов.
Рассмотрим сущность метода интегрирования вектора Пойтинга и его применение для расчета симметричного вибратора. Идея метода заключается в следующем. Предполагается, что рассматриваемая антенна расположена в свободном неограниченном пространстве. Антенна мысленно окружается замкнутой поверхностью
(обычно сферой большого радиуса), и определяется поток мощности электромагнитных волн, проходящих через указанную сферу во внешнее пространство. Так как предполагается, что потери в пространстве, окружающем антенну, отсутствуют, поток мощности является мощностью излучения антенны:
Здесь
- численное значение вектора Пойтинга, определяющее собой мощность, проходящую через единичную площадку, касательную к поверхности сферы; для свободного пространства
где
- действующее значение напряженности электрического поля на площадке.
Таким образом, произведение
определяет поток мощности через элементарную площадку
, а интеграл в формуле
определяет всю мощность излучения антенны.
Рассчитаем рассмотренным методом сопротивление излучения тонкого симметричного вибратора с синусоидальным распределением тока. Действующее значение напряженности поля, создаваемого таким вибратором, можно определить с помощью выражения
Учитывая, что в сферических координатах
получаем
Для симметричного вибратора
не зависит от
. Поэтому сопротивление излучения, отнесенное к току в пучности,
Интеграл в правой части равенства не выражается через элементарные функции. Произведя интегрирование, можно для
получить следующее выражение:
где
- интегральный синус от аргумента
;
- интегральный косинус от аргумента
;
- постоянная Эйлера.
Рис. 35. Сопротивление излучения тонкого симметричного вибратора, отнесенное к току в пучности, в зависимости от
.
Как видно из рисунка, при увеличении отношения
в начале сопротивление излучения вибратора возрастает. Это объясняется тем, что пока
приблизительно меньше
, ток по всей длине вибратора остается синфазным (т.е. имеет одно направление вдоль провода) и с увеличением длины провода так же, как и в случае элементарного электрического диполя, мощность излучения и соответственно сопротивление излучения увеличивается. Когда длина вибратора
становится больше, чем
, на вибраторе появляются участки с током противоположной фазы, что при том же токе в пучности приводит к уменьшению мощности и сопротивлению излучения. Так можно объяснить ход кривой
в пределах
. При дальнейшем увеличении отношения
кривая
имеет колебательный характер с максимальными значениями при четном числе и минимальными при нечетном числе полуволн, укладывающихся по длине вибратора.
Необходимо особо отметить два значения сопротивления излучения:
Ом для тонкого полуволнового вибратора
и
Ом для волнового
.
Помимо сопротивления излучения у симметричного вибратора различают еще входное сопротивление
Активная составляющая входного сопротивления может быть определена
Значение реактивной составляющей входного сопротивления симметричного вибратора может быть определено
Рис. 36. Кривые активной и реактивной составляющих входного сопротивления тонких вибраторов в зависимости от
.
Как показывает строгая теория и опыт, у тонкого вибратора, общая длина которого точно равняется половине длины волны,
т.е. входное сопротивление , кроме активной, имеет еще индуктивную составляющую. По мере увеличения толщины вибратора длиной
эта реактивная составляющая уменьшается по величине, в то время как активная составляющая изменяется незначительно.
Анализ этих графиков показывает что:
1) При изменение
в пределах
входное сопротивление
имеет два резонансных участка.
При
- последовательный резонанс
При
-
имеет отрицательный характер.
При утолщении проводника (возрастает
) резонансное значение
уменьшается, особенно для параллельного резонанса.
2) Чем толще вибратор, тем слабее выражена частотная зависимость входного сопротивления вибратора, т.е. полоса частот расширяется, добротность уменьшается.
Коэффициент направленного действия вибратора.
При известной величине мощности излучения легко может быть определен коэффициент направленного действия симметричного вибратора, т.е. отношение величины вектора Пойтинга в данном направлении к средней величине вектора Пойтинга на поверхности полной сферы, охватывающий вибратор (при одинаковых расстояниях в обоих случаях).
Понятие коэффициента направленного действия диполя ввел советский ученый А.А. Пистолькорс в 1929 г.
Коэффициент направленного действия в максимальном направлении поля излучения
Подставив в выражение для
формулу
и
, получим расчетную формулу
Обратим внимание на три характеристичные цифры
По известным значениям коэффициента направленного действия и сопротивлению излучения можно найти действующую длину вибратора, приведенную к входному току
Действующая длина вибратора определяется равновеликой площадью входного тока.
Действительно, интегрируя функцию
по всей длине вибратора и отнеся этот интеграл к
, получим
Следовательно, под
можно понимать длину гипотетического вибратора с равномерным распределением тока, который в направлении максимального излучения создает ту же напряженность поля, что и реальная антенна.
Например, для полуволнового вибратора
его полной длины
, а для очень короткого вибратора
- половину его полной длины
.
Конструкции вибраторных антенн.
а
) Простейшей и наиболее распространенной антенной является полуволновой вибратор. При подключении двух проводной линии к полуволновому вибратору КСВ ко входу равна
. Поэтому требуется настройка линии на бегущую волну.
б) вибратор с шунтовым питанием настройка достигается путем подбора размеров
и
. В точке
узел напряжения и это дает возможность крепить вибратор к опоре без изолятора.
в) петлеобразный вибратор (Пистолькорса)
Петлеобразный вибратор может быть снабжен дополнительными перемычками.
Подбирая
и
можно провести согласование в довольно широкой полосе частот.
Другой разновидностью вибратора с шунтом может быть следующий шлейф.
При правильном подборе размеров и угла
можно согласовать в четырёхкратном диапазоне длин волн
при КСВ не более
.
Симметрирование полуволнового вибратора при запитке его коаксиалом.
Сопротивление нагружающие отрезки кабелей равны
Если кабель имеет волновое сопротивление
, а длина отрезка
, то сопротивление нарушающее кабель в точке
. КСВ близок к единице.
.
. Если
стремится к 0, то сопротивление нагружающее кабель питание в точке
в два раза меньше, т.е. около
.
3) Широкополосное мостиковое симметрирующее устройство.
4
) В диапазоне СМ длин волн используются жесткие коаксиальные волноводы.
5) Возбуждение при помощи двух профильных щелей, прорезанных во внешнем проводнике коаксиала.
Использование полуволнового вибратора в сложных антенных системах.
Полуволновой вибратор находит широкое применение как самостоятельная антенна, как элемент многовибраторных систем, а также как облучатель зеркальных антенн.
а) Многовибраторные настроенные синфазные антенны.
Многовибраторные настроенные синфазные антенны впервые появились в
годах и использовались для цепей дальней связи на КВ. Затем они стали использоваться и на метровых волнах в радиолокационной аппаратуре.
Такая антенна состоит из большого числа вибраторов, горизонтальных или вертикальных, возбуждаемых синфазно и подвешенных высоко на мачтах в вертикальной плоскости.
Рис. 37. Схема многовибраторной синфазной антенны.
Восемь полуволновых вибраторов в каждом этаже четыре этажа.
Для обеспечения синфазности вибраторов провода фидера перекрещиваются через каждую половину длины волны как показано на рисунке 38.
Рис. 38. Схема синфазного питания вертикальной секции антенны.
Многовибраторная синфазнафая антенна концентрирует излучение в направлении, перпендикулярная плоскости расположения вибраторов.
Для того чтобы излучения происходило в одну сторону от указанной плоскости устанавливаются рефлектор, обычно пассивный. Настройка рефлектора осуществляется короткозамыкателями.
Токи в вибраторах рефлектора должны опережать токи в антеннах на
.
Диаграмму направленности можно получить очень узкой, чем больше вибраторов, тем уже диаграмма направленности.
б) Директорные антенны (антенны типа “Волновой канал”).
По сравнению с многовибраторными синфазными антеннами директорная антенна имеет более простое устройство. Такая антенная представляет собой ряд параллельных вибраторов длиной около полуволны каждый, расположенных на общей рее на расстояниях около четверти длины волны друг от друга. Один из вибраторов питаетсмя от генератора и называется активным. Остальные вибраторы возбуждаются электромагнитным полем питаемого вибратора и называются пассивными.
При правильной настройке антенны максимум излучения ее получается вдоль оси расположения вибраторов.
Рис. 39. Трехэлементная система из вибраторов с пассивным рефлектором и директором.
Ток рефлектора опережает ток в активном вибраторе. Ток в директоре отстает от тока в активном вибраторе.
Рис. 40. Диаграмма направленности системы в плоскости вибраторов (– – – –) и в плоскости, перпендикулярной осям вибраторов (–––––).
Настройка вибраторов в резонанс должна производится путем подбора длин вибраторов. Рефлектор как правило несколько больше активного вибратора и имеет индуктивный характер, а директор несколько меньше активного вибратора и имеет емкости характер.
Для получения максимума излучения вдоль антенны необходимо подбирать расстояние между вибраторами.
Необходимо для правильной настройки изменение длины
зависит от толщины вибраторов. Чем толще вибраторы, тем больше надо изменять длину вибратора для достижения нужной настройки.
Как правило в практике используется более пяти вибраторов.
Рис. 41. Директорная антенна.
Рис. 42. Экспериментальная диаграмма направленности антенны из питаемого вибратора, рефлектора и шести директоров: в плоскости, перпендикулярной осям вибраторов (–––––); в плоскости вибраторов (– – – – ).
С увеличением количества директоров
уменьшается, но не прямо пропорционально длине.
Рис. 43. Ширина главного лепестка диаграммы направленности директорной антенны в зависимости от ее относительной длины.
Рис.44. Кривая коэффициента направленного действия директорной антенны в зависимости от ее относительной длины.
С увеличением
ширина уменьшается все меньше и меньше, т.е. бесконечно увеличивать количество директоров становится не целесообразно.
Волноводные излучатели и рупорные антенны.
Излучение происходит из открытого конца волновода. Для канализации электромагнитной энергии используется волноводы прямоугольного или круглого типа.
Однако волноводы могут быть использованы не только для канализации электромагнитной энергии, но и для ее излучения.
Открытый конец волновода можно рассматривать как простейшую антенну СВЧ.
Открытый конец волновода представляет собой площадку с электромагнитным полем.1
Особенности электромагнитного поля в открытом конце волновода.
-
Волна не является поперечной типа ТЕМ. (имеет более сложную структуру).
-
Кроме падающей волны присутствует отраженная.
-
Наряду с основным типом волны на конце волновода присутствуют высшие типы волн.
Кроме того поле присутствует не только в раскрыве волновода, но и на внешней поверхности вследствие затекания на эту поверхность токов с конца волновода.
Учет этих факторов очень усложняет задачу определения поля излучения из открытого конца волновода, и ее строгое математическое решение встречает большие трудности. По этой причине обычно применяют приближенные методы решения. Для этого решения задачу разбивают на две задачи: внутреннюю и внешнюю.
-
Внутренней задачей является нахождения поля в раскрыве волновода.
-
Внешней задачей является нахождение поля излучения по известному полю в раскрыве.
Рассмотрим прямоугольный волновод.
Рис. 45. Прямоугольный волновод (а) и структура поля в нем при волне типа
: в плоскости xOy (б); в плоскости xOz (в); в плоскости yOz (г).
- напряженность падающего электромагнитного поля в середине раскрыва волновода.
- длина волны в свободном пространстве.
- комплексный коэффициент отражения.
Поле в дальней зоне:
- волновое сопротивление фронта волны на открытом конце волновода.
- волновое сопротивление среды равно
.
С учетом найденных отношений поля в главных плоскостях
Диаграмма направленности открытого конца прямоугольного волновода.
Рис. 46. Диаграмма направленности излучения из открытого конца прямоугольного волновода при
Как видно из рисунков ширина диаграммы направленности большая. Для получения более острой диаграммы направленности сечение волновода можно плавно увеличивать, превращая волновод в рупор. В этом случае структура поля в волноводе в основном сохраняется.
Плавное увеличение сечения волновода улучшает согласования его со свободным пространством.
Рис. 47.Основные типы электромагнитных рупоров.
Наибольшее распространение получили секториальные и пирамидальный рупора.
Рассмотрим продольное сечение прямоугольного рупора плоскостью E или H.
Рис. 48. Продольное сечение прямоугольного рупора.
Исследование рупора как правило ведется приближенными методами из-за математических сложностей.
Первоначально определяется поле в раскрыве. При решении этой задачи рупор предполагается бесконечно длинным, а его стенки идеально – проводящими.
После решения внутренней задачи обычным методом решается внешняя задача, т.е. находится поле излучения.
H – плоскостной секториальный рупор.
Для нахождения структуры поля в рупоре используем цилиндрическую систему координат
.
Волна
будет иметь компоненты
.
Рис. 49. Цилиндрическая система координат для анализа секториальных рупоров.
Решая систему уравнений Максвелла и используя асимптотические выражения функций Ганкеля для больших значений аргумента
, получаем следующие значения для составляющих поля
Здесь
напряженность электрического поля в точке рупора с координатами
причем
.
Формулы (1) показывают, что при больших
составляющая
и поле в рупоре представляет собой поперечную электромагнитную цилиндрическую волну. Вследствие того, что у большинства применяемых рупоров раскрыв плоский, а волна в рупоре цилиндрическая, поле в раскрыве не будет синфазным.
Для определения фазовых искажений в раскрыве рассмотрим продольное сечение рупора. Дуга окружности с центром в вершине рупора
проходит по фронту волны и, следовательно, является линией равных фаз. В произвольной точке
, имеющей координату
, фаза поля отстает от фазы в середине раскрыва (в точке
) на угол
Рис. 50. К определению фазовых искажений в раскрыве рупора.
Так как обычно в рупорах
, то можно ограничиться первым членом разложения
Формула (2) и
является приближенными. Ими можно пользоваться, когда
или
. В применяемых рупорах эти условия обычно выполняются.
Иногда удобно максимальные фазовые ошибки в раскрыве рупора определять через его длину и половину угла раскрыва
.
Из формулы
видно, что при заданной
поле в раскрыве будет тем меньше отличаться от синфазного, чем больше длина рупора
. Габаритные ограничения требуют нахождения компромиссного решения, т.е. определения такой длины рупора, при которой максимальный фазовый сдвиг в его раскрыве не будет превышать некоторой допустимой величины. Эта величина обычно определяется наибольшим значением коэффициента направленного действия, которое можно получить от рупора заданной длины. Для
секториального рупора максимально допустимый фазовый сдвиг составляет
, что соответствует следующему соотношению между оптимальной длиной рупора, размером раскрыва
и длиной волны
:
Для определения распределения амплитуд поля в раскрыве рупора примем
Таким образом, поле в раскрыве
секториального рупора окончательно представим выражениями
Диаграмма направленности в плоскости
Характерные зависимости коэффициента направленного действия от относительного раскрыва рупора
для различных длин рупора приведены ниже.
Рис. 51. Зависимость КНД Н – секториального рупора от относительной ширины раскрыва
при различной длине рупора.
Для того чтобы исключить зависимость коэффициента направленного действия от
оси ординат отложено произведение
. Из графиков видно, что для каждой длины рупора существует определенный раскрыв рупора
, при котором коэффициент направленного действия максимален. Уменьшение его при дальнейшим увеличение
объясняется резким возрастанием фазовых ошибок в раскрыве.
Рупор, который при заданной длине имеет максимальный коэффициент направленного действия, называется оптимальным. Из кривых, изображенных на рис.3 видно, что при точки максимума кривых
соответствует равенству
откуда
тогда
Если длину рупора взять больше
, то при той же площади раскрыва коэффициента направленного действия возрастает, но не очень сильно. Точкам максимума коэффициента направленного действия соответствует коэффициент использования площади раскрыва
.
Если длину рупора непрерывно увеличивать, то в пределе при
мы получим синфазное поле в раскрыве рупора. Коэффициент использования синфазной площадки с косинусоидальным распределением амплитуды поля равен
. Таким образом увеличение длины рупора по сравнению с его оптимальной длиной не может повысить коэффициент направленного действия более чем на
Коэффициент полезного действия рупорных антенн вследствие малых потерь практически может быть принят за единицу.
E-плоскостной секториальный рупор.
Поле в раскрыве
плоскостного секториального рупора
Здесь
;
расстояние от горловины рупора.
Из формулы (1) видно, что основным отличием поля в
плоскостном рупоре от поля в волноводе является цилиндрическая форма волны. Вследствие этого в раскрыве рупора будут фазовые искажения, аналогичные искажениям в
плоскостном рупоре.
Если угол раскрыва рупора
невелик, то можно положить
. В этом случае напряженность электрического поля в раскрыве может быть представлена:
Поле излучения
секториального рупора в плоскости
Из этой формулы следует, что диаграмма направленности в
плоскости
плоскостного рупора такая же, как у открытого конца волновода.
Здесь так же, как и в случае
плоскостного рупора, для нахождения амплитуды поля необходимо вычислить модуль комплексных величин, определяемых выражениями (2) и (3). Диаграмма направленности
плоскостного рупора в плоскости вектора
определится модулем выражения, стоящего в квадратных скобках формулы (3), умноженным на
.
Коэффициент усиления
плоскостного рупора определяется выражением
Рис. 52. Зависимость КНД Е – секториального рупора от относительной ширины раскрыва
при различной длине рупора.
Кривые зависимости коэффициента направленного действия от размеров рупора представлены на рис.52. Здесь, как и в случае
плоскостного рупора, кривые имеют экстремум. Точки экстремума приблизительно определяются равенством
откуда
При таких соотношениях размеров рупора максимальные фазовые искажения на краях раскрыва достигают значений
Коэффициент использования площади раскрыва
оптимального
плоскостного секториального рупора такой же, как оптимального
плоскостного рупора, т.е.
.
При выборе размеров
плоскостного рупора можно руководствоваться такими же соображениями, которые были изложены выше применительно к
плоскостному рупору.
Пирамидальный рупор.
Приближенно можно считать, что фронт волны в пирамидальном рупоре имеет сферический характер. Фазовые искажения в раскрыве рупора определяются выражением
где
длина рупора в плоскости
длина рупора в плоскости
Для остроконечного рупора
, для клиновидного рупора
.
Структура поля в плоскостях
и
подобна структуре поля в этих же плоскостях в
и
плоскостных секториальных рупорах соответственно. Вследствие этого диаграмма направленности пирамидального рупора определяется теми же выражениями, что и для
и
рупора в соответствующих плоскостях.
Коэффициент направленного действия пирамидального рупора:
Используя эту формулу можно рассчитать коэффициент направленного действия пирамидального рупора с помощью графиков для
и
рупоров.
В этом случае формулу удобно представить в виде:
величины, стоящие в круглых скобках, непосредственно отложены по осям ординат на указанных графиках.
Расчет рупорных антенн.
Основной задачей расчета рупорных антенн является определение главных размеров рупора
Исходными данными обычно являются
и
в плоскостях
и
-
,
.
Порядок расчета следующий:
в) для пирамидального рупора
Определив размеры находим оптимальные размеры рупора
и
.
Для пирамидальных рупоров эти размеры могут быть различными и несовместимыми. В этом случае берется наибольшее значение с тем, чтобы фазовые искажения в раскрыве не превысили допустимых.
Способы уменьшения длины рупора.
Существенным недостатком рупорных антенн является сравнительно большая длина рупоров. Длина рупора пропорциональна квадрату одного из размеров раскрыва. Это накладывает некоторые ограничения на использования рупоров в качестве остронаправленных антенн.
Существует два пути решения задачи уменьшения длины рупора. Первый заключается в применение многорупорной антенны. Идея метода состоит в том, что требующийся большой размер раскрыва однорупорной антенны разбивают на
число рупоров, образующих многорупорную антенну. Тогда длина
каждого рупора может быть уменьшена в
раз по сравнению с длиной
однорупорной антенны.
Рис. 53. Схема многорупорной антенны.
Недостатком многорупорной антенны является трудность обеспечения точной синфазности возбуждения всех рупоров и усложнения конструкции.
Другой путь уменьшения длины рупорной антенны состоит в применении специальных устройств, корректирующих фазовые искажения в раскрыве рупора.
Существует много методов коррекции.
Рис. 54. Один из методов выравнивания фаз поля в раскрыве рупора.
Одни из них основаны на том, что искусственно выравниваются длина пути, проходимого электромагнитной волной от вершины рупора до всех точек раскрыва. В других используется различные типы линз, помещаемых в раскрыве и выравнивающих фазовый фронт волны.
На рис.54 показан один из методов выравнивания длины пути. Секториальный рупор изогнут таким образом, что длина пути луча 1, идущего по средней линии рупора от его вершины до раскрыва, равна длине пути любого другого луча, идущего от вершины рупора к любой точке раскрыва. Кривая
, по которой растянуты стенки согнутого рупора, должна иметь форму параболы, для того, чтобы поле в раскрыве было синфазным, должно выполняться равенство
откуда
На рис.55 показана рупорная антенна с помещенной в ее раскрыве линзой.
Рис. 55. Рупорная антенна с линзой, помещенной в ее раскрыве:
а – ускоряющая линза, б – замедляющая линза
Применение рупорных антенн.
В качестве самостоятельных антенн рупорные антенны используются в тех случаях, когда не требуется очень узкая диаграмма направленности и когда антенная должна быть достаточно диапазонной (широкополосной).
Рупорные антенны могут работать в широком диапазоне частот.
Рис. 56. Изменение КНД пирамидальных и конических рупоров с частотой.
При помощи рупора можно перекрыть приблизительно двойной диапазон волн. Собственно говоря, диапазонность рупорной антенны ограничивается не рупором, а питающим его волноводом.
Большая диапазонность рупорных антенн и простота конструкции является существенными достоинствами этого типа антенн СВЧ, благодаря которым они находят широкое применение в технике антенных измерений и измерений характеристик электромагнитного поля.
Рупорные антенны широко применяются в качестве облучателей боле сложных антенных устройств. Например, для облучателей зеркальных и линзовых антенн.
Линзовые антенны.
Назначение и принцип действия линзовых антенн.
Линзовой антенной называют совокупность электромагнитной линзы и облучателя. Линза представляет собой радиопрозрачное тело с определенной формой поверхности, имеющее коэффициент преломления, отличной от нуля.
Линза предназначена для трансформации соответствующим образом фронта волны, создаваемого облучателем.
Принципиально линзовые антенны можно использовать для формирования различных диаграмм направленности . Однако на практике линзовые антенны подобно оптическим линзам применяются, главным образом, для превращения расходящегося пучка лучей в параллельный, т.е. для превращения криволинейной (сферической или цилиндрической) волновой поверхности в плоскую.
Рис. 57. Линзовые антенны:
а – ускоряющая волноводная линза; б – замедляющая диэлектрическая линза;
в – иллюстрация принципа действия линз
Всякая линзовая антенная состоит из двух основных частей: облучателя и собственно линзы. Облучателем может быть любой однонаправленный излучатель. Важно, чтобы возможно большая часть энергии излучения попадала на линзу, а не рассеивалась в других направлениях и чтобы у поверхности линзы, обращенной к облучателю, фронт волны был близок к сферическому или цилиндрическому. Выполнение последнего условия позволит рассматривать облучатель либо как точечный, либо как линейный источник электромагнитных волн.
В качестве облучателя могут быть использованы небольшой рупор, открытый конец волновода, вибратор с пассивным рефлектором. Облучатель обычно располагают так, чтобы его фазовый центр совпадал с фокусом сферической линзы или с фокальной осью цилиндрической линзы. Поверхность линзы обращенной к облучателю, называется освещенной стороной. Противоположная (“теневая”) сторона линзы образует ее раскрыв. Прямая
, проходящая через фокус и центр раскрыва, называется осью линзы. Точка
пересечения оси линзы с освещенной стороной называется вершиной линзы. Линия
пересечения освещенной стороны линзы продольной осевой плоскостью называется профилем линзы. Профиль может быть вогнутым и выпуклым. Раскрыв линзы, как правило, делается плоским. Форма раскрыва может быть круглой или прямоугольной.
Принцип действия линзы основан на том, что линза представляет собой среду, в которой фазовая скорость распространения электромагнитных волн либо больше скорости света
, либо меньше ее
. В соответствии с эти линзы разделяются на ускоряющие
и замедляющие
.
В ускоряющих линзах выравнивание фазового фронта происходит за счет того, что участки волновой поверхности часть своего пути проходят в линзе с повышенной фазовой скоростью. Эти участки пути различны для разных лучей. Чем сильнее луч отклонен от оси линзы, тем больший участок он проходит с повышенной фазовой скоростью внутри линзы. Таким образом, профиль ускоряющей линзы должен быть вогнутым.
В замедляющих линзах, наоборот, выравнивание фазового фронта происходит не за счет убыстрения движения периферийных участков волновой поверхности, а за счет замедления движения середины этой поверхности. Следовательно, профиль замедляющей линзы должен быть выпуклым.
Принцип действия линзы можно рассматривать не только с точки зрения движения фазового фронта, но также с точки зрения преломления лучей.
Поперечные размеры раскрыва линз обычно много больше длины рабочей волны. Вследствие этого к линзе могут быть применены законы геометрической оптики. Учитывая, что отношение скорости света
к фазовой скорости
есть коэффициент преломления среды
линзу можно рассматривать как радиопрозрачное тело с коэффициентом преломления
. У замедляющей линзы
, ускоряющая линза имеет
.
На границе раздела воздух-поверхность линзы лучи будут преломляться. Угол преломления
согласно законам геометрической оптики будет связан с углом падения
известны равенством.
Профиль линзы должен быть выбран таким, чтобы все преломленные лучи были параллельными. Это равносильно условию чтобы оптическая длина пути всех лучей до раскрыва была одинаковой.
Рис. 58. Преобразование расходящегося пучка лучей в параллельный
в результате преломления их линзой.
Рассмотрение принципа действия линзы как с одной точки зрения так и с другой приемлемо и приводит к одним и тем же результатам.
Уравнение профилей линзы.
Введем прямоугольную систему координат xOy с центром в вершине линзы. Условием синфазности поля в раскрыве линз является равенство длины оптического пути для всех лучей, выходящих из фокуса линзы и идущих до ее раскрыва.
Ускоряющая линза.
Рис. 59. Ускоряющая линза.
– фокусное расстояние,
– показатель преломления.
Условие равенства 1-го и 2-го оптических лучей
записанное в прямоугольной системе координат.
В полярной системе координат. Это равенство по электрической длине (по равенству фаз)
в полярной системе координат.
Замедляющая линза.
Рис. 60. Замедляющая линза.
откуда
оно определяет профиль замедляющей линзы.
Уравнение в полярной системе координат
Ускоряющие металлические линзы.
или
. Среду с такими параметрами легко создать. Мы уже рассматривали – прямоугольный волновод.
Если на пути электромагнитной волны поставить параллельно вектору
ряд металлических пластин, отстоящих друг от друга на расстоянии а, больше, чем
, то фазовая скорость распространения волны как и для волновода, определяется выражением
Коэффициент преломления равен
Пределы изменения
. Одинаково во избежание появления высших типов волн
, таким образом
.
С другой стороны при фиксированном а, можно менять ширину пластин
, изменяя тем самым отрезок пути, пройденный волной с повышенным
.
Рис. 61. Линзы из параллельных металлических пластин.
Ширина может меняться как от пластины к пластине, так и вдоль самой пластины.
В первом случае все пластины прямоугольны, но различной ширины, во втором случае они одинаковые, но имеют профиль как на рис. 00.
Рис. 62. Первый случай. Н – линза. Рис. 63. Второй случай. Е – линза.
Такие линзы называются металлопластинчатой или металлической.
Если профиль линзы расположен в плоскости Н электромагнитного поля, то эта линза Н, если в плоскости Е, то ее называют Е – линзой.
Эти обе линзы трансформируют цилиндрическую волну в плоскую. Профиль обеих линз описывается одним и тем же уравнением для ускоряющих линз.
В общем случае, когда необходимо трансформировать сферическую волну в плоскую, профиль линзы должен иметь форму части поверхности эллипсоида вращения, образованного вращением эллипса вокруг оси х.
Для Н – линзы можно.
a – соnst, b – var или b – const, a – var
n – const, b – var b – const, a – var
Выбор фокусного расстояния и коэффициента преломления металлических линз.
Из формул следует, что
зависит от
,
,
. Связь между ними найдем, подставив в уравнение значения
,
и решив относительно
, получим
или
Рис. 64. Зависимость относительной величины фокусного расстояния от относительной толщины металлической линзы при различных коэффициентах преломления.
Для уменьшения отражения необходимо чтобы
.
Кривые имеют минимум. Для каждого п существует такое
, что ни при какой толщине оно не может быть меньше.
С уменьшением
увеличивается
, так как при конструировании стремятся
сделать минимальным, то вопрос решается компромиссом.
При заданном
по графикам находят
и
наиболее приемлемые для данного случая.
Из графика видно, что при меньших
получается меньшее
. Если
будет сильно отличаться от 1, то возникнут заметные отражения от обеих поверхностей линз, из-за большого различия электрических параметров двух сред (воздух-линза). По этой причине вопрос о выборе
решение также компромиссно, между обеспечением малого коэффициента отражения и малыми габаритами.
Зонирование линз.
Зонирование приводит к появлению необлученных вблизи ступенек частей поверхности линзы.
Рис. 65. Вредные зоны в зонированной линзе
Они уменьшают коэффициент поверхностного раскрыва линзы, то есть уменьшают эффективную поверхность и вызывают увеличение УБЛ. Другими словами существует проблема и ее надо решить. Один из путей решения этой проблемы.
Рис. 66. Зонированная линза, не имеющая вредных зон
– пр-во металлопластиковой линзы
– воздух более плотная оптическая среда
Т.к. лучи падают нормально окружностям, преломление лучей в т. 1,2,3. Для того чтобы 1 и 2 были параллельными при данных
и
кривая теневой стороны линзы должна иметь профиль гиперболы. Таким образом, вредные зоны устраняются.
Полоса пропускания линзовых антенн.
Металлопластиковые линзы принципиально являются узкополосными антеннами. Это связано с тем, что коэффициент преломления линзы
сильно зависит от рабочей длины волны
.
Эта зависимость имеет вид.
Рис. 67. Зависимость коэффициента преломления п от длины волны
При отклонении
от рассчитанного
изменяется, вследствие чего в раскрыве появляются фазовые искажения.
Относительная
в % гладкой линзы выражаются формулой
Здесь индекс нуль означает, что соответствующие величины берутся на расчетной частоте
.
Обычно максимально допустимые фазовые искажения (
)на краю линзы принимаются равными
. Тогда
Для зонирования линзы, положив,
имеем
Здесь
– ширина последней ступени, приближенно равная
, а
– число ступеней.
Рис. 68. Зависимость относительной полосы пропускания от относительной толщины гладкой линзы (сплошная кривая) и от числа ступеней зонированной линзы (пунктир).
Поле в раскрыве и поле излучения ускоряющей линзы.
Для того чтобы найти поле излучения, необходимо найти поле в раскрыве линзы. Поле в раскрыве получается синфазным. Необходимо выяснить вопрос о распределении амплитуд в раскрыве. Для этого обратимся к рисунку
Рис. 69. К нахождению распределение амплитуд поля в раскрыве металлической линзы
Облучатель считается ненаправленным, то в одинаковых секциях
будет сосредоточено одинаковое количество энергии.
После преломления она будет распределяться в различных секторах, разного сечения
и, следовательно, плотность потока электромагнитной энергии будет повышаться к краям линзы по мере увеличения угла
.
Найдем количественные соотношения, определяющие указанное возрастание потока к краям линзы. Возьмем для рассмотрения цилиндрическую линзу в ней распределение энергии будет изменятся обратно пропорционально изменению величины
.
Перейдя к пределу, находим, что плотность потока мощности будет изменяться обратно пропорционально производной
.
Из рисунка видно, что
и учтя, что
мы получим
;
Плотность потока мощности обратно пропорциональна
и определяется выражением
– волновое сопротивление фронта
С учетом направленных свойств облучателя, распределение амплитуды поля в раскрыве линзы будет
Рис. 70. Распределение амплитуд поля в раскрыве цилиндрической линзы:
а – ненаправленный излучатель; б – направленный излучатель с ДН
, где
, и ослаблением первичного поля на краях линзы на 10 дБ
Линзы с широкоугольным сканированием луча в пространстве.
В ряде случаев требуется обеспечить качение главного лепестка ДН в широком угле.
Для этой цели можно:
-
перемещать всю линзовую антенну на требуемые углы
-
перемещать облучатель относительно линзы перпендикулярно оси линзы
Пункт 2. Позволяет перемещать ДН в пространстве без искажений в области углов
. При дальнейшем отклонении луча в пространстве луч отклоняется, но очень сильно искажается. Для того чтобы эти искажения были минимальными применяются специальные линзы.
Цилиндрическая линза.
Сферическая и цилиндрическая линза Люнеберга.
1944г. Люнеберг предложил линзу, которая представляет собой сферу из радиопрозрачного материала с переменным коэффициентом преломления. Облучатель (обычно небольшой рупор) располагается на поверхности сферы. Коэффициент преломления такой линзы должен изменятся по закону
– расстояние от центра сферы до точки наблюдения в сфере
когда
т.е. линза согласована с внешним пространством
В радиальном направлении коэффициент преломления изменяется, повышаясь до значения
в центре сферы.
Рис. 71. Сферическая линза: а – линза, образованная из шаровых сегментов; б – траектория лучей в линзе.
Расчет поля излучения сферической линзы производится как для синфазной круглой площадки с
. Распределение в таком эквивалентном отверстии амплитуд близко к равномерному.
Рассмотренная линза обладает сферической симметрией. Перемещая облучатель по поверхности линзы можно обеспечить поворот неискаженной ДН на любой угол.
Кроме шаровых, возможны также цилиндрические линзы с переменным коэффициентом преломления (п). Для этих линз коэффициент преломления должен изменится по закону
– расстояние от оси цилиндра
Рис. 72. Продольное сечение одного из образцов цилиндрической линзы
Цилиндрическая линза состоит из двух круглых металлических пластин, образующих основания цилиндра, пространство между которыми заполняется диэлектриком. Линза возбуждается прямоугольным волноводом с волной типа
, причем электрический вектор
параллелен пластинам.
Изменение п по радиусу достигается путем изменения «b ». Зависимость «b » от
может быть найдена следующим образом
Приравнивая
находим
Раскрывом цилиндрической линзы Люнеберга является часть боковой поверхности цилиндра, противоположная точке облучения, имеющая ширину b и длину
.
Рис. 73. Сферическая линза
Применение линзовых антенн.
Линзовые антенны, несмотря на ряд ценных качеств (возможность получения высокой направленности излучения при малом уровне побочных лепестков), пока еще находят ограниченное применение. В настоящее время они применяются, главным образом, в радиорелейных линиях связи.
Основным недостатком являются их высокая стоимость, связанная с высокой точностью изготовления и относительная сложность конструкции.
Однако они представляют большой принципиальный интерес. Не исключена возможность, что в дальнейшем они найдут более широкое применение.
Зеркальные антенны. Общие сведения и принципы действия.
Зеркальными антеннами называются антенны, у которых поле в раскрыве формируется в результате отражения электромагнитной волны от металлической поверхности специального профиля.
Источником электромагнитной волны обычно служит какая-нибудь небольшая элементарная антенна, называемая в этом случае облучателем зеркала или просто облучателем.
Зеркало и облучатель являются основными элементами зеркальной антенны.
Зеркало обычно изготавливается из алюминиевых сплавов. Иногда для уменьшения парусности зеркало делается не сплошным, а решетчатым.
Наиболее распространенным является зеркала в виде параболоида вращения, усеченного параболоида, параболического цилиндра или цилиндра специальной формы.
Рис. 74. Основные типы зеркальных антенн
Рис. 75.
Рассмотрим принцип действия зеркальных антенн. Электромагнитная волна, излученная, достигнув проводящей поверхности зеркала, наводит на ней токи, которые создают вторичные поля, обычно называемые полями отраженной волны.
Для того чтобы на зеркало попала основная часть излученной электромагнитной энергии, облучатель должен излучать только в одну полусферу, в направлении зеркала, то есть должен быть однонаправленным.
В раскрыве антенны
обычно имеет плоский фронт для получения острой ДН либо фронт, обеспечивающий получение диаграммы специальной формы (например, типа cosec
). На
и диаметром зеркала волна становится сферической.
– нормированная ДН сформированная зеркалом.
Преобразование сферической и цилиндрической волны в плоские при помощи зеркал.
Необходимо определить какую форму должно иметь зеркало для преобразования сферической и цилиндрической волны в плоскую.
Решение этой задачи приведем с использованием метода геометрической оптики.
Рис. 76. К выводу уравнения профиля зеркала
– Уравнение параболы в полярной системе координат
Следовательно, поверхность зеркала должна быть поверхностью параболоида вращения, образованного вращением параболы вокруг оси z.
Точеный источник сферической волны должен помещаться в фокусе F параболоида. Двойное фокусное расстояние 2f называют параметром параболоида. Обозначим
. Тогда
Приведенные выкладки полностью применимы и для нахождения профиля зеркала, преобразующего цилиндрическую волну в плоскую.
Очевидно, в этом случае поверхность зеркала должна быть не параболоидом вращения, а параболическим цилиндром, и линейный облучатель, являющийся источником цилиндрической волны, должен располагаться вдоль фокальной плоскости зеркала.
Геометрические характеристики и основные свойства параболоидного зеркала.
Основные свойства параболоида:
-
Нормаль к поверхности параболоида в любой точке
лежит в плоскости, содержащей ось z, и составляет угол
с прямой, соединяющей эту точку с фокусом F. -
Любое сечение параболоида плоскостью, содержащей ось z, является параболой с фокусом в точке F. Кривая, получающаяся при сечении параболоида плоскостью, параллельной оси z, является также параболой с тем же фокусным расстоянием f.
Рис. 77. Траектория падающих и отраженных от параболоида лучей.
Из первого свойства следует, что для анализа вопросов отражения волн от поверхности зеркала и наведения в них на нем токов, можно ограничится рассмотрением любого сечения зеркала плоскостью проходящую через ось z, либо параллельную ей.
Кроме того, из второго свойства следует, что для контроля точности изготавливается параболоида достаточно иметь только один шаблон.
В заключении приведем некоторые определения и соотношения, характеризующие параболическое зеркало.
Поверхность, ограниченная кромкой параболоида и плоскостью
называется раскрывом зеркала.
Рис. 78. Геометрические характеристики параболоидного зеркала.
Форму зеркала удобно характеризовать либо
, либо величиной половины угла раскрыва
.
Методы расчета поля излучения.
Расчет электромагнитного поля излучения зеркальных антенн может производится двумя методами.
1. Метод называемый апертурным: состоит в том, что первоначально находится поле в раскрыве зеркала (в апертуре), а затем, путем использования принципа эквивалентных токов, находится поле излучения, создаваемое этим раскрывом.
Поле в раскрыве находится с помощью законов геометрической оптики, т.е. на основе представлений о падающим и отраженном лучах.
Рис.89
Этот метод берем если радиусы кривизны и радиусы раскрыва много больше длины волнны.
2. Второй метод состоит в том, что первоначально находятся токи на освещенной поверхности зеркала. Эти токи определяются через поле, создаваемоц отличителем по формуле
где
- вектор плотности поверхостных токов,
- вектор направленности магнитного поля падающей волны у поверхности зеркала,
-орт внешней нормали к поверхности зеркала.
Формула верна
лишь для случая падения плоской волны на бесконечно проводящую плоскость. Зеркало же является криволинейной поверхностью конечных размеров. Однако, если же выполняются условия, в первой задаче, то ошибка в расчетах будет мала, т.е. если радиусы кривизны и радиус раскрыва зеркала много больше длины волны.
Определив по формуле
плотность электрических токов, находят поле излучения зеркальных антенн. Для этого нужно получить выражение для элемента поверхности зеркала и полученное выражении проинтегрировать по всей освещенной поверхности зеркала. Для упрощения расчетов излучением токов на теневой поверхности пренебрегают.
При практических расчетах наибольшее распространение получил первый метод как более простой, который мы и рассмотрим.
Апертурный метод расчета поля излучения.
Задача нахождения поля излучения зеркальных антенн разбивается на две:
1. Вначале находится поле в раскрыве антенны (внутренняя задача).
2. По известному полю в раскрыве определяется поле излучения (внешняя задача).
Определение поля в раскрыве параболоидного зеркала.
Рис. 80. К определению нормированной координаты точки в раскрыве зеркала.
Поле в раскрыве определяется методом, геометрической оптики. Всегда выполняется условие
, следовательно зеркало находится в дальней зоне и падающую от облучателя волну на участке от
до поверхности зеркала можно считать сферической. В ней амплитуда поля изменяется обратно пропорционально расстоянию. Поэтому на указанном участке поле будет убывать пропорционально
. После отражения от поверхности зеркала волна становится плоской и ее амплитуда до раскрыва зеркала с расстоянием не изменяется. Таким образом, если нам известна нормированная диаграмма направленности облучателя
, поле в раскрыве зеркала легко находится.
Для удобства расчетов введем нормированную координату точки в раскрыве зеркала
зная, что
,
мы получим
Очевидно, что
и
меняются в пределах
Нормированное значение амплитуды поля в раскрыве определится выражением
Подставив в это выражение значение
, мы получим окончательно.
Из нее видно, что поле в раскрыве зависит только от координаты
.
При расчете поля в раскрыве зеркальных антенн систему координат (или облучатель) размещают таким образом, чтобы ее плоскости лежали в плоскости вектора
(плоскость xoz) и вектора
(плоскость yoz). Для этих плоскостей затем и рассчитываются поле излучения и диаграмма направленности антенны. Расчет ведется в предположении, что поле в раскрыве зависит только от радиальной координаты
, а диаграмма направленности облучателя при расчете в плоскости вектора
есть
, а при расчете в плоскости вектора
есть
.
Типичное распределение нормированной амплитудного поля в раскрыве зеркала имеет вид.
Рис. 81. Типичное распределение нормированной амплитуды поля в раскрыве зеркала.
Наиболее интенсивно облучается центр зеркала, а поле к его краям по амплитуде падает вследствие уменьшения значение
и увеличения
с увеличением
.
Для упрощения расчетов последующих найденное выражение
целесообразно аппроксимировать интерполяционным полиномом
Рис . 82
Узлами интерполяции, т.е. точками, где
совпадает с
, будем считать точки раскрыва зеркала, соответствующие значениям
:
Тогда коэффициенты
определяются из системы уравнений:
На этом решении задачи определения поля в раскрыве параболоида можно считать законченным.
При инженерных расчетах для упрощения вычислений обычно можно ограничиться тремя членами полинома, т.е. положить
. Тогда
В этом случае в качестве узлов интерполяции берут точки в центре раскрыва зеркала
, на краю зеркала
и приблизительно в середине между этими крайними точками
. Коэффициенты этого полинома определяются из системы уравнений:
Относительная погрешность, определяющая отклонение полинома от заданной функции
, может быть вычислена по формуле
Расчеты показывают, что во многих случаях уже при трех членах полинома относительная погрешность не превышает
. Если требуется большая точность, следует брать большее число членов полинома.
Определение поля излучения параболического зеркала.
Раскрыв представляет собой круглую площадку с полем линейной поляризации. Фаза поля неизменна в плоскости этой площадки, а амплитуда описывается полиномом
.
Каждый
-ый компонент поля в раскрыве создает в дальней зоне
-площадь раскрыва.
-амплитуда напряженности поля в центре площадки:
,
Полное поле в дальней зоне будет равно сумме полей , создаваемых каждой компонентом,
Выражение, определяемое суммой в формуле
, представляет собой ненормированную диаграмму направленности зеркальной антенны:
Для получения нормированной диаграммы направленности найдем максимальное значение
. Максимум излучения синфазной площадки, как известно, имеет место в направлении, перпендикулярном этой площадке, т.е. при
. Этому значению
соответствует значение
Заметим, что
при любых
. Следовательно,
Тогда
Формула (5) описывает нормированную диаграмму направленности параболоидной зеркальной антенны и является расчетной. Постоянные коэффициенты
зависят от распределения поля в раскрыве зеркала. Их значения определяются системой уравнений (3).
Если ограничиться тремя членами полинома (2), т.е. положить
, нормированная диаграмма направленности параболоидного зеркала опишется выражением
Связь между диаграммой направленностью параболоидной антенны и распределения поля в ее раскрыве.
Из формулы (1) видно, что диаграмма направленности определяется полностью распределением поля в ее раскрыве, (т.е.
) и соотношением (
)
Анализ показывает, что при фиксированном
главный лепесток ДН будет наиболее узким при равномерном распределении поля в раскрыве
. Одинаково при таком распределении УБЛ будет большими.
При равномерном распределении поля коэффициенты
согласно системе уравнений принимают следующие значение
,
и
нормальная ДН описывается выражением
коэффициент использования поверхности в этом случае равен
.
Если амплитуда спадает к краям зеркала, то ДН расширяется, а УБЛ уменьшается – это хорошо, но
повышается – это нежелательно. Ищут компромиссное решение.
Для максимального КУ спад на краю зеркала не должен превышать – 10 дБ по отношению к центру.
Для минимального значения УБЛ этот спад равен (-15…-20)дБ.
Таким образом:
-
Распределение в раскрыве зеркала определяется ДН облучателя и соотношение
-
Выбирая тот или иной облучатель, размер параболоида и значения
, добиваться получения требуемой ДН зеркальных антенн.
В качестве примера рассмотрим ДН зеркальной антенны, облучаемой эллиптическим диполем с дисковым рефлектором.
ДН для Е и Н – плоскостей для двух значений
приведены на рис. 5. Видно , что
. Это объясняется тем что в плоскости Н поле в раскрыве зеркала более равномерно, чем в плоскости Е . это обусловлено направленными свойствами облучателя.
Рис. 83. Диаграммы направленности параболоида, облучаемого диполем с дисковым рефлектором.
Рис. 84
Эта ДН облучателя в плоскости Е она дает спадающее к краям поле в раскрыве зеркала.
Рис.7
Эта ДН облучателя в плоскости Н она дает менее спадающее поле в раскрыве зеркала.
В табл. 1 даны значения ширины
ДН по половине мощности и УБЛ для зеркал различной глубины. В этой таблице Н1 и Н2 – первый и второй боковые лепестки в плоскости
; Е1 и Е2 – соответствующие лепестки в плоскости
.
Таблица 1.
| Уровень боковых лепестков, дБ | ||||||||
| Н1 | Н2 | Е1 | Е2 | |||||
| 0,4 | 1,67 | 1,73 | – | – | – | – | ||
| 0,6 | 1,73 | 1,95 | 16 | 20 | 20 | 25 | ||
| 0,8 | 1,90 | 2,27 | 24 | 29 | 25 | 29 | ||
| 1,0 | 2,17 | 2,63 | 27 | 30 | 26 | 30 | ||
Приведенные в таблице данные являются ориентировочными. На практике соответствующие величины могут изменятся в зависимости от ряда факторов (типа облучателя, точности изготовления антенны, точности фокусировки и т.п.).
КНД и КУ зеркальных антенн.
где
- геометрическая площадь,
- коэффициент использования поверхности и определяется амплитудой поля в раскрыве зеркала.
В случае параболических зеркал имеем.
Подставив (1) в (2) получим
Для приближенного расчета
пренебрегают зависимостью распределения поля от
и считают, что амплитуда поля в раскрыве является функцией только координаты
, тогда (3) упрощается и принимает вид
Для облучателя в виде диполя с диполевым рефлектором
имеет вид.
Рис. 84. Завистимость коэффициента использования поверхности раскрыва от угла раскрыва зеркала.
при
– это объясняется тем, что поле очень малых зеркал приблизительно равномерное. С увеличением глубины зеркал
быстро уменьшается.
КНД по формуле а) не учитывает потерь энергии на рассеивание, то есть энергии проходящей от облучателя мимо зеркала.
Для более полной характеристики следует использовать такой параметр, как КУ антенны
Тепловыми потерями электромагнитной энергии на поврхности зеркала можно пренебречь (они очень малы).
где
– энергия попадающая на зеркало,
– мощность излученная облучателем.
Для определения этого отношения окружим облучатель сферой радиусом
элемент поверхности сферы равен
Рис. 85. К определению КПД зеркальной антенны.
Полная мощность облучателя определяется выражением
где
– амплитуда напряженности поля в направлении максимального излучения облучателя;
нормированная ДН облучателя.
Мощность излучения, попадающего на зеркало.
Из выражения (б) видно, что
полностью определяется ДН облучателя и величиной
. Очевидно, чем больше
, то есть чем глубже зеркало, тем большая часть излученной энергии попадает на зеркало и следовательно, тем больше
. Таким образом характер применения
противоположен характеру изменения
. Опять компромисс.
Облучатель зеркал.
Приближенный расчет параболической антенны.
Проработать самостоятельно
Смещение облучателя из фокуса в направлении,
перпендикулярном оси параболоида.
Управление ДН.
Если фазовый центр облучателя совпадает с F зеркала, то фронт волны, отраженной от зеркала, будет плоским и совпадать с раскрывом зеркала. Направление максимума ДН совпадает с осью зеркала. Смещение облучателя в направлении перпендикулярном оптической оси зеркала вызывает отклонение направления главного максимума в сторону, противоположную смещению облучателя.
Рис. 86. Отклонение ДН, вызванное смещением облучателя в направлении перпендикулярном оси параболоида.
В т. А фронт волны придет раньше, чем в т. В. В результате в т. А поле будет опережать по фазе поле в т. В и фрон волны отклонится на некоторый угол
.
Направление максимума излучения всегда перпендикулярно фронту волны и следовательно вся ДН отклонится на тот же угол
в сторону противоположную смещению облучателя.
Выведем приближенные соотношения для определения угла отклонения направления максимальной ДН от оси антенны в зависимости от
.
За время t луч пройдет расстояние
.
обычно
, тогда можно положить
или в градусах
Вынос облучателя приводит не только к отличию ДН, но и ее искажению вследствие нарушения линейного закона изменения фазы поля в раскрыве.
Это приводит к увеличению
и увеличению УБЛ, что ведет к уменьшению КУ. Чем меньше зеркало, тем меньше будут искажения при том же угловом смещении облучателя, то есть тем на больший угол можно отклонить ДН, сохраняя в основном ее форму.
Допустимый вынос из фокуса можно определить из следующего неравенства
Вывод
Рассмотренный способ смещения ДН применяется на практике, в частности в радиорелейных станциях с автоматическим сопровождением цели.
Рис. 11. Линии равных фаз отраженной Рис. 12. Создание равносигнальной
от зеркала поля для различных смещений зоны вдоль оси антенны.
облучателя.
Антенные решетки с управляемой диаграммой направленностью.
Общие сведения об антенных решетках.
Актуальная задача антенной техники – создание с управляемой диаграммой направленностью. При этом необходимо обеспечить:
-
Острую направленность антенны.
-
Высокую скорость перемещения антенного луча в пространстве.
-
Движение диаграммы направленности по любой заданной траектории.
-
Широкий сектор обзора.
Этим требованиям наиболее полно отвечают антенные системы в виде систем дискретных излучателей с электрически управляемой диаграммой направленностью.
Блок-схема антенной решетки в общем виде может быть представлена следующим образом.
Рис.86. Структура схемы с управляемым лучом.
Получение направленного излучения с помощью таких систем объясняется интерференцией полей, создаваемых отдельными излучателями. Поэтому диаграмма направленности всей антенной решетки зависит от типа излучателей, от их расположения, от расстояний между ними, длины волны и от амплитутдно-фазового распределения.
Соответствующим расположением излучателей и возбуждением в них токов определенных амплитуд и фаз можно получить различные диаграммы направленности:
- напряженность электрического поля в точке наблюдения от
излучателя.
Общая напряженность
будет равна геометрической сумме всех
векторов
, т.е. при суммировании полей в рассматриваемой точке необходимо учитывать ориентацию каждого вектора в пространстве, а также амплитуду и фазу.
Если излучатели ориентированы в пространстве одинаково и одинаковы
Для рассматриваемой системы
Кроме того, учитывая, что размеры системы намного больше расстояния до точки наблюдения
Предположим, что все излучатели ненаправлены, т.е.
не зависит от
и
может быть принятой равной 1, тогда
- диаграмма направленности системы из ненаправленных излучателей возбуждаемых токами
.
Обозначим
, тогда
.
не влияет на форму диаграммы направленности, которая может быть записана
- описывает теорему перемножения диаграмм направленностей, которая гласит: Диаграмма направленности из системы
идентичных и одинаково ориентированных направленных излучателей определяется произведением диаграммы направленности одиночного излучателя на диаграмму направленности той же системы из
воображаемых направленных излучателей.
Поле линейной системы идентичных излучателей.
Рис.87. Линейная система идентичных излучателей.
Абсолютное значение
определяет собой диаграмму направленности линейной тсистемы идентичных излучателей.
Множитель
- является множителем решетки. Он не зависит от
. Это обстоятельство позволяет применять правило перемножения диаграммы направленности для любой плоскости
в пространстве, используя один и тот же множитель системы.
Частный случай
, фазы итающих токов изменяются по линейному закону.
где
- угол сдвига фаз между токами соседних излучателей; т.е. предполагается, что
Подставляя
в
и учитывая, что амплитуды токов приняты равными 1, получаем
В выражение
входит сумма
членов геометрической прогрессии
,
.
Сумма
членов геометрической прогрессии
Подставляя выражение
в выражение
, получим
Выражение
является очень важным в теории антенн. Множитель
в показателе есть расстояние от середины антенной системы до точки наблюдения, а
определяет фазовый угол тока, соответствующего той же средней точке антенны. При указанных обозначениях выражение
можно переписать:
Модуль выражения
определяет собой амплитудную характеристику направленности рассматриваемой системы направленных излучателей. Фазовый множитель выражения
определяет фазовую характеристику системы, а следовательно, форму ее волновой поверхности (поверхности равных фаз). При сферической форме волновой поверхности ее центр называется фазовым центром антенной системы.
Это выражение определяет собой диаграмму направленности линейной системы из
ненаправленных излучателей и является так называемым множителем решетки.
- диаграмма направленности из
- ненаправленных излучателей.
Выражение
определяет ненормированную диаграмму направленности системы из
ненаправленных излучателей, так как его максимальное значение отличается от единицы и равно
при
. Действительно, при этом выражение
превращается в неопределенность вида
.
определяет максимально возможное значение выражения
. Поэтому нормированное значение этого выражения будет
Рассмотрим несколько случаев.
а) Два излучателя при разных фазовых соотношениях и расстояниях между ними.
Это выражение определяет диаграмму направленности двух ненаправленных излучателей, разнесенных на расстояние
, с токами, сдвинутыми по фазе на угол
.
Рассмотрим несколько частных случаев.
Рис.88. Горизонтальная диаграмма направленности двух синфазных вертикальных вибраторов, расположенных на расстоянии
.
Такая антенная система, называемая синфазной
, характеризуется тем, что максимумы излучения получаются в направлении, перпендикулярном линии расположения излучателей. В этом направлении длина пути от каждого излучателя до точки наблюдения будет одинаковой. Поэтому векторы напряженностей полей, создаваемых каждым из вибраторов, будут в фазе, так как поля в указанном направлении будут запаздывать на одно и то же время относительно токов в вибраторах. Минимумы излучения (нули) получаются вдоль линии расположения излучателей. Это объясняется тем, что волны, излучаемые двумя синфазными источниками, в этом направлении проходят пути, отличающиеся между собой на половину длины волны. В результате волны, попадающие из источников в точку наблюдения, оказываются в противоположных фазах.
Рис.89. Горизонтальная диаграмма направленности двух вертикальных вибраторов с токами в противоположных фазах.
Рассмотренная антенная система, называемая иногда переменно-фазной
, характеризуется тем, что максимумы излучения получаются вдоль линии расположения излучателей, а минимумы (нули)- в направлении, перпендикулярном этой линии. Такая форма диаграммы направленности обусловлена интерференцией полей двух источников, подобной рассмотренной выше для синфазных излучателей.
Рис.90. Горизонтальная диаграмма направленности вертикальной антенны с рефлектором.
Как видно из рис.4, диаграмма напоминает собой кардиоиду. Такая диаграмма является характерной для так называемой антенны с рефлектором (зеркалом). Волны, излучаемые антенной, как бы отражаются от рефлектора, расположенного позади антенны на расстоянии в четверть длины волны. Для того чтобы получилась указанная на рисунке кардиоидная диаграмма, амплитуды токов антенны и рефлектора должны быть одинаковыми, а ток в рефлекторе должен опережать по фазе ток в антенне на
.
Параметры диаграммы направленности линейной антенной решетки.
Рис.91. К расчету ширины диаграммы направленности линейной решетки при отклонении максимума от нормали.
Воспользуемся формулой
Главный максимум диаграммы направленности ориентирован в направлении
, для которого суммарный фазовый сдвиг между полями соседних излучателей обращается в нуль, т.е.
откуда
С учетом этого выражения
где
фиксированный угол, соответствующий направлению главного максимума диаграммы направленности.
Выражение
позволяет проанализировать зависимость направленных свойств линейных антенных решеток из
изотропных излучателей от
при любом положении диаграммы направленности.
Ограничимся случаем:
При этом диаграмма направленности в пределах
характеризуется одним главным лепестком и рядом боковых при сравнительно малых значениях угла
. При этом диаграмму направленности можно аппроксимировать диаграмму направленности функцией
; ошибка аппроксимации не меньше
.
Когда главный максимум перпендикулярен линии расположения излучателей (
- поперечное излучение), ширина главного лепестка на уровне
Если
- продольное излучение, то
и
т.е. с отклонением луча от нормали он расширяется и если взять
, то при поперечном излучении
, а при продольном излучении
, т.е. больше в 7 раз. Это существенный недостаток УБЛ При равномерном возбуждении УБЛ
, что соответствует
.
Дифракционные максимумы, как уже было отмечено, могут возникнуть в тех случаях, когда расстояние между соседними излучателями решетки
. Углы
, соответствующие дифракционным максимумам, можно найти при помощи соотношения
или
Ближайший к нормали дифракционный максимум будет иметь при
. В этом случае получим
Направление дифракционных максимумов
и их число зависят от длины волны
, расстояния между соседними излучателями в решетке
и направления главного максимума
.
Если
, то дифракционные максимумы отсутствуют при любых положениях главного максимума
. В этом не трудно убедиться, проанализировав выражение
. Действительно. Наименьшее абсолютное значение
получится при
и
. Но даже и в этом случае
, чего быть не может. Очевидно также, что при поперечном излучении
дифракционные максимумы могут возникнуть лишь в том случае, когда расстояние между соседними излучателями будет удовлетворять неравенству
. Если
дифракционный максимум появится лишь тогда, когда
превысит
, а при
- когда
станет большим
.
Способы подавления дифракционных максимумов:
-
Уменьшать диаграмму направленности излучателя.
-
Использование неэквидистантной антенной решетки.
Рис. 92.
Способы электрического управления положением антенного луча.
Электрическое управление положениям антенного луча может осуществляться а) фазовым и б) частотным методами.
а) При помощи фазовращателей. Изменение фазового сдвига может быть плавным или дискретным.
На практике применяются фидерные схемы антенных решеток. Различают:
-
последовательные
-
параллельные
-
комбинированные фидерные схемы.
Последовательная схема:
Рис.93. Линейная решетка с последовательной схемой включения фазовращателей.
В последовательных схемах используются, как правила, идентичные фазовращатели, при помощи которых создаются одинаковые фазовые сдвиги между токами в соседних излучателях. Если нужно отклонить антенный луч на некоторый угол, то следует изменить электрическую длину всех фазовращателей на одну и ту же величину, соответствующую этому отклонению. Питающий фидер здесь работает в режиме бегущих волн, а излучатели слабо связаны с фидером при помощи направленных ответвителей.
Недостатки:
-
Предъявляются высокие требования к системе управления.
-
должна быть высокая стабильность работы фазовращателей.
-
Большие потери.
-
Неровномерность распределения мощности между фазовращателями.
Параллельная схема:
Рис. 94. Линейная решетка с параллельной схемой включения фазовращателей
В параллельной схеме через каждый фазовращатель проходит лишь
часть излучаемой мощности, поэтому требования к допустимой мощности фазовращателей оказываются более низкими. Коэффициент полезного действия схемы примерно соответствует коэффициенту полезного действия одной параллельной ветви и, как правило, получается более высоким, чем в последовательной схеме. Схема не требует высокой стабильности фазовращателей. Недостаток: сложность системы управления.
Комбинированная схема:
Рис. 95. Линейная решетка с комбинированной схемой включения фазовращателей.
Схема, показанная на рис.95, является комбинированной, так как в ней деление мощности осуществляется последовательно при помощи направленных ответвителей, а фазовращатели включены параллельно.
Достоинством этой схемы является возможность осуществления независимой регулировки амплитудного распределения путем изменения коэффициентов связи в направленных ответвителях.
Проходная схема:
Рис.96. Проходная (а) и отражательная (б) схемы линейных антенных решеток.
В проходных схемах общий разветвленный фидерный тракт отсутствует. Деление мощности здесь осуществляется при помощи слабонаправленной антенны и специальных приемных элементов. Мощность с выхода передатчика поступает в слабонаправленную антенну и излучателя ею преимущественно в ту часть окружающего пространства, где размещены приемные элементы решетки. Положение антенного луча, формируемого излучающими элементами решетки, определяются сдвигами по фазе между токами в этих элементах. Оно может быть изменено за счет воздействия на управляемые фазовращатели.
Отражательные схемы отличаются от проходных тем, что в них излучающие элементы совмещены с приемными, а на месте излучающие элементов установлен отражающий экран. Благодаря этому энергия проходит через каждый фазовращатель дважды: в прямом и обратном направлениях.
б) При частотном управлении меняется частота питающего решетку генератора. Это приводит к изменению сдвига по фазе между токами в излучателях решетки, в результате которого меняется положение антенного луча. Частотное управление является наиболее простым с точки зрения технического выполнения, но требует перестройки частоты передатчика в сравнительно широких пределах.
Решетки с частотным управлением так же, как и решетки с фазовым управлением, могут быть построены по последовательной или параллельным схемам. На практике, однако, ввиду более простой конструкции и лучшего согласования с питающим фидером наиболее широко применяются решетки с последовательной схемой включения фазовращателей и определяется, как известно, фазовым сдвигом между токами в соседних излучателях
. Последний в свою очередь зависит от длины отрезка фидера
, включенного между соседними излучателями, и от длины волны в фидере
, и может быть представлен в виде
где
целое число, выбираемое так, чтобы сдвиг по фазе
был меньше
.
В соответствии с этим направление главного максимума определяется равенством
Из последнего выражения видно, что чем больше отношение
и
, тем сильнее будет отклоняться главный максимум при одном и том же изменении частоты питающего генератора. На практике для увеличения угла отклонения луча, вызванного изменением частоты, широкое применение находят свернутые и зигзагообразные волноводы, так как с их помощью можно получить отношение
большим единицы.
Многолучевые антенные решетки.
Антенные решетки, при помощи которых может быть сформирован ряд независимых друг от друга диаграмм направленности, называются многолучевыми. Схема многолучевой антенной решетки с пятью входами показана на рис.10. В ее состав входят решетка излучателей и диаграммаобразующая схема.
Диаграммаобразующая схема служит для обеспечения независимого питания излучателей решетки через разные входы. При подключении передатчика к одному из входов схемы в излучателях решетки создается вполне определенное, свойственное лишь этому входу амплитудно-фазовое распределение диаграмма направленности. Подключение же передатчика к любому другому входу диаграммообразующей схемы вызывает изменение амплитудно-фазового распределения в излучателях решетки и соответственно формирование другой, отличной от предыдущей, диаграммы направленности.
Рис. 97. Схема многолучевой антенной решетки.
Как правило, диаграммообразующие схемы строятся таким образом, чтобы питание с любого входа обеспечивало равноамплитудное распределение, но каждому входу соответствовала бы своя фазовая характеристика. При переключении входов дискретно меняется сдвиг по фазе
между токами соседних излучателей. В соответствии с этим также дискретно меняется положение антенного луча в пространстве. Если, например, при питании с 1-го входа сдвиг по фазе между токами соседних излучателей равен
, а при питании со 2-го -
, то главные максимумы формируемых при этом лучей 1и 2 будут ориентированы под углами
где
- расстояние между соседнеми излучателями решетки;
,
- углы, образованные направлениями главных максимумов 1-го и 2-го лучей с нормалью к решетке соответственно.
В общем случае число входов диаграммообразующей схемы соответствует числу лучей, формируемых многолучевой антенной решеткой, а число входов схемы равняется числу излучателей решетки. Если многолучевая антенная решетка предназначена для работы в заданном секторе пространства, то она выполняется таким образом, чтобы соседние лучи пересекались примерно на уровне половинной мощности. Многолучевая антенная решетка является весьма универсальным устройством. Если она имеет
входов, то при одновременном их использовании формируется
независимых друг от друга лучей как в режиме передачи, так и в режиме приема, а при поочередном – формируется один из лучей, соответствующий подключенному входу. На рис. 10(б) показана антенная решетка с пятью входами, при помощи которой обеспечивается формирование пяти независимых друг от друга диаграмм направленности.
Для питания многолучевых антенных решеток применяются последовательные или параллельные диаграммообразующие схемы.
















