Схемотехника ЭВМ0 (561016), страница 2
Текст из файла (страница 2)
Исследование работы сдвигающего регистра в режиме одиночного сигнала
-
Собрать схему сдвигающего регистра в соответствии с задани-
ем, при этом необходимо использовать следующие рекомендации:
первой закоммутировать схему установки сдвигающего регистра в
нулевое состояние по R входам. Сигнал установки «0» необходимо по-
дать на все входы R с выхода переключательного регистра
или
который в свою очередь необходимо подключить на одну из лам-
почек индикации Л1 или Л5.
закоммутировать входы синхронизации С всех четырех триггеров.
Сигнал синхронизации подается с выхода генератора одиночных им-
пульсов;
в соответствии с заданием закоммутировать схему регистра (при
этом необходимо выход старшего разряда регистра подсоединить ко
входу младшего разряда);
подключить вход «Синхр» генератора одиночных импульсов к выходу генератора синхроимпульсов.
-
Установить на регистре нулевой код, используя при этом переключательный регистр
или
. Следует помнить, что после установки регистра в «0» необходимо кнопку (
или
) вернуть в исходное состояние (загорается лампочка индикации установки нуля Л1 или Л5.
3. Записать произвольный код слова в регистр с помощью кнопок
(
) подачей установочного сигнала на входы S (при этом приня-
то, что коду «1» соответствует высокий положительный потенциал и
загорается лампочка индикации триггера, а коду «0» — низкий потен-
циал, и лампочка индикации триггера не горит). После ввода кода
слова необходимо отключить от входов S коммутационные шнуры.
4. Осуществить операцию сдвига кода слова нажатием кнопки
«Пуск» генератора одиночного импульса.
5. При различном числе сдвигов проследить. циркуляцию кода
слова в сдвигающем регистре.
6. Используя цифровой вольтметр, замерить амплитуды выходных
сигналов триггеров и по ним построить потенциальные диаграммы.
7. Преобразовать последовательный код слова в параллельный и
наоборот. Параллельный код слова можно прочесть с помощью лам-
почек индикации, подключенных к выходам триггеров. Последова-
тельный ввод слова в регистр можно осуществить следующим обра-
зом, установив все триггеры в «0», кнопками
или
ввести на S или
R входы первого разряда регистра соответствующий код старшего разряда («0» или «1») слова: кнопкой «Пуск ГОИ» сдвинуть записанный
код в .следующий разряд регистра; после этого вновь занести на
первый разряд регистра необходимый код второго разряда слова и
опять осуществить операцию сдвига; Также занести остальные раз-
ряды кода слова. Так как регистр закольцован, то при подаче серии
сигналов сдвига на любом выходном триггере регистра можно наблю-
дать последовательный код слова, хранящего в регистре (для этого
необходимо регистрировать лампочку индикации Л1 только на одном
разряде Qi).
Исследование работы сдвигающего регистра
в автоматическом режиме
1. Подключить к выходу схемы регистра осциллограф. При этом
один вход осциллографа подсоединяется к 1-му разряду регистра, а
второй — поочередно к выходу 2-го, 3-го и 4-го разрядов регистра
соответственно. Осциллограф переключается во внешний режим син-
хронизации, которая осуществляется от выхода 4-го разряда регистра.
2. С использованием переключательного регистра
или
ввести
в регистр код 1000 или 0111.
3. Отключить вход синхронизации С триггеров регистра от гене-
ратора одиночных импульсов и подключить его к входу генератора
синхроимпульсов (500 кГц).
4. зарисовать осциллограммы с выходных разрядов регистра.
5. Определить длительность сигнала, паузы и среднее время за-
держки сигнала в разрядах (на уровне 0,5 амплитуды сигнала).
6. Исследовать работу регистра в качестве делителя частоты. Для
этого необходимо, подавая на входы регистра коды слов 1000, 1010,
0101, 0011, 1100, снять осциллограммы.
7. Разобрать схему.
Работа следующих заданных схем исследуется аналогично п. 1.
Содержание отчета
1. Наименование работы.
2. Цель работы.
3. Схемы регистров в соответствии с заданием.
4. Перечень применяемых приборов и устройств.
5. Результаты измерений, временные диаграммы.
6. Осциллограммы, снятые в контрольных точках.
7. Анализ полученных результатов и выводы.
8. Подпись выполнявшего работу студента.
Контрольные вопросы
-
Определите назначение регистра.
-
Объясните работу сдвигающего регистра.
-
Определите время сдвига в регистре.
-
Какова возможность преобразования кода в схеме?
-
Какие типы регистров существуют?
-
Назовите поразрядные логические операции, выполняемые на регистрах
-
Определите неисправности в схеме.
Варианты заданий построений 4-разрядных регистров
Работа №6. ИССЛЕДОВАНИЕ ПРИНЦИПОВ
ПОСТРОЕНИЯ СЧЕТЧИКОВ
Цель работы: изучение схемы двоичных счетчиков; построение и исследование счетчиков и пересчетных схем с заданным числом состояний.
Счетчиком называется операционное устройство, фиксирующее
число сигналов во входной последовательности.
По целевому назначению счетчики подразделяются на простые
и реверсивные. Простые счетчики работают либо в режиме сложения (суммирующие счетчики), либо в режиме вычитания (вычитающие счетчики). Реверсивные счетчики реализуют оба режима
счета.
Основой построения счетчиков служат триггеры.
Если соединения разрядов счетчика передают перенос в старший
разряд при переходе младшего разряда из состояния 1 в состояние 0,
счетчик работает в режиме сложения:
0011 — исходное состояние разрядов счетчика;
1 — входной сигнал суммируется;
< < – – — межразрядные переносы при переходе 1-0;
0100 — результирующее состояние.
Если перенос в старший разряд образуется при переходе младше-
го разряда из состояния 0 в состояние 1, счетчик работает в режиме вычитания:
0100 — исходное состояние разрядов счетчика;
1 — входной сигнал вычитается;
< < – – — межразрядные переносы при переходе 0-1;
0011 — результирующее состояние.
Выбор перехода 1-0 определяется передачей на следующий раз-
ряд сигнала прямого выхода триггера j-k (или инверсного выхода
триггера D), а перехода 0-1 — передачей инверсного выхода триггера
j-k (или прямого выхода триггера D).
Быстродействие счетчика зависит от реализации межразряд-
ных соединений. Существует три основных способа передачи пе-
реносов: последовательный, параллельный и групповой. Группо-
вой перенос представляет комбинацию параллельного переноса
в группе и последовательного между группам разрядов счетчика
или наоборот.
В счетчике с последовательным переносом на вход следующего
(старшего) разряда счетчика подается сигнал непосредственно с вы-
хода предшествующего (младшего) разряда, поэтому триггеры счетчи-
ка переключаются последовательно: выходной сигнал на последнем
старшем разряде появляется только после срабатывания всех младших
разрядов, т.е. средняя задержка переключения n-разрядного счетчика
определяется:
где
– средняя задержка переключения счетчика;
– cредняя задержка переключения триггера; n — количество разрядов счетчика.
На рис. 6.1, a, б приведены схемы суммирующего, а на рис.
6.1, в, г – вычитающего счетчиков с последовательным перено-
сом, реализованных на триггерах j-k и D-типов соответственно.
В счетчиках с параллельным переносом на информационный
вход каждого разряда поступают сигналы с выходов всех предшест-
вующих (младших) разрядов, а входной счетный сигнал одновременно
(параллельно) поступает на синхровходы С триггеров во, всех разря-
дах. Счетчики с параллельным переносом обычно строятся на базе j-k
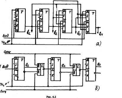
и D-триггеров, синхронизируемых входом. На рис. 6.2, а представлена
схема суммирующего счетчика с параллельным переносом на тригге-
рах типа j-k.
Средняя задержка переключения счетчика с параллельным пере-
носом определяется:
, где
– средняя задержка пере-
ключения одного триггера.
При построении реверсивного счетчика необходимо предусмот-
реть возможность выбора режима счета (сложение или вычитание). Схема асинхронного реверсивного счетчика с последовательным пе-
реносом, показана на рис. 6.2, б. В зависимости от управляющего сиг-
нала (сложение — вычитание) открываются схемы И-ИЛИ-НЕ меж-
разрядных переносов либо для режима сложения, либо для режима
вычитания.
Одним из основных параметров, характеризующих счетчик, является емкость счетчика.
Емкостью счетчика называется число его различных состоя-
ний. Двоичный n-разрядный счетчик имеет максимальную емкость
.
Для рассмотренных выше четырехразрядных двоичных счет-
чиков имеем
различных состояний: 0000, 1000, 0100, 1100,
..., 1111; порядок смены состояний при подаче входных сигналов
определяется режимом счета. Если выходной сигнал снимается
только со старшего разряда счетчика, то он будет указывать, что
на вход подано
сигналов.
















