1304336150_946_maevec.ru (559910)
Текст из файла
МОСКОВСКИЙ АВИАЦИОННЫЙ ИНСТИТУТ
(ГОСУДАРСТВЕННЫЙ ТЕХНИЧЕСКИЙ УНИВЕРСИТЕТ)
Н.И.БОБКОВ
кафедра
БЕЗОПАСНОСТЬ ЖИЗНЕДЕЯТЕЛЬНОСТИ
УЧЕБНОЕ ПОСОБИЕ
Москва
МАИ
2009
Введение
Человек постоянно находится во взаимодействии с факторами внешней среды, которые могут представлять для него некоторую опасность. Обеспечить безопасную жизнедеятельность человека можно при условии знания этих опасностей и соблюдения им определенных правил взаимодействия с внешней средой, выполнение которых обеспечивает ему и обществу минимальный ущерб.
Безопасность жизнедеятельности – это наука о сохранении здоровья и безопасности человека в среде обитания. Она изучает опасные и вредные факторы и разрабатывает методы защиты человека от их воздействия.
Дисциплина безопасность жизнедеятельности включает следующие составные части:
Защита от антропогенных воздействий (охрана окружающей среды) – система мер, направленных на гармоничное взаимодействие между деятельностью человека и благоприятным состоянием окружающей его природной среды.
Защита от техногенных воздействий на производстве (охрана труда) – система мероприятий и средств, обеспечивающих безопасность, сохранение здоровья и работоспособности человека в процессе труда.
Защита от чрезвычайных ситуаций – составная часть общегосударственных мероприятий для защиты населения и объектов хозяйства при чрезвычайных ситуациях.
Состояние проблемы безопасности жизнедеятельности
По данным международной организации труда в мире ежегодно происходит около 50млн. несчастных случаев, из них 0,5 миллиона со смертельным исходом. В настоящее время в мире насчитывается более 500млн. инвалидов, причем каждый пятый из них стал инвалидом в результате несчастного случая. Ежегодно в нашей стране происходит 750-800 крупных аварий, травмируется около миллиона человек, из них 30 тысяч становятся инвалидами.
От несчастных случаев на производстве в странах западной Европы ежегодно погибает 1 человек на 2000 работающих, в России – 3. Международная статистика показывает, что главная причина несчастных случаев – ошибки человека, из-за чего происходит около 80% всех аварий и катастроф. Причем 9 из 10 несчастных случаев возникают там, где предусмотрены средства защиты.
В результате антропогенных воздействий на окружающую среду в атмосферу ежегодно поступает около 5 млрд. тонн углекислого газа, при добыче полезных ископаемых из земли извлечено около100 млрд. тонн горных пород, при этом только 10% сырья извлекаемого из недр, превращается в готовую продукцию, остальные 90% – отходы.
Ежегодно сжигается 3 млрд. тонн нефти, это привело к тому, то за 30 лет содержание окиси углерода в атмосфере увеличилось на 5%.
Опасности и факторы, связанные с деятельностью человека
В процессе своей деятельности человек вступает во взаимодействие с орудиями труда, предметами труда и другими людьми. Кроме того, на него воздействуют факторы окружающей производственной среды: температура воздуха, шумы и вибрации, электромагнитные поля и т.д. При несоответствии факторов окружающей среды характеристикам человека появляется опасность.
Опасность – условия, при которых человек подвергается с определенной степенью вероятности действию неблагоприятных факторов. Опасности носят потенциальный (скрытый) характер. Опасность хранят все системы, имеющие энергию, а также химически или биологически активные компоненты.
Классификация опастностей
По природе возникновения опасности подразделяют на четыре группы:
-
Физические;
-
Химические;
-
Биологические;
-
Психофизиологические.
По времени появления:
-
Импульсные – проявляются мгновенно;
-
Кумулятивные – накапливаемые.
По месту действия:
-
Связанные с космосом;
-
Связанные с атмосферой;
-
Связанные с гидросферой;
-
Связанные с литосферой.
По последствиям, вызывающие:
-
Утомление;
-
Заболевания;
-
Травмы;
-
Смертельный исход;
-
Аварии;
-
Пожары.
По приносимому ущербу:
-
Социальные – приносят ущерб обществу в целом;
-
Технические – ущерб технике, зданиям и сооружениям;
-
Экологические – ущерб окружающей природной среде.
По сфере проявления:
-
Производственные;
-
Бытовые;
-
Дорожно-транспортные;
-
Спортивные;
-
Военные.
Опасность количественно оценивается риском нанесения ущерба здоровью.
Риск - это отношение тех или иных нежелательных последствий в единицу времени к возможному числу событий
где n-число неблагоприятных последствий (например, несчастных случаев)
N-число событий, (число людей, подвергающихся определенным опасностям)
Профессиональная деятельность в зависимости от риска смерти делится на 4 категории:
-
Безопасная R<10-4
-
Относительно безопасная 10-3
-4 -
Опасная 10-2
-3 -
Особо опасная R>10-2 1/чел.год
В настоящее время пользуются концепцией приемлемого риска Rприемл.
Приемлемый риск – компромисс между уровнем безопасности и возможностью ее достижения. Это такой малый риск, который общество приемлет на данном этапе. Приемлемый риск для несчастного случая со смертельным исходом
Факторы
Факторы, в результате которых возникают опасности, делят на 2 группы. Опасные и вредные.
Опасным фактором называется такой фактор воздействия, которого на человека в определённых условиях приводит к травме или другому внезапному резкому ухудшению здоровья.
Вредный фактор – воздействия на человека в определенных условиях приводит к заболеванию или снижению трудоспособности.
Классификация факторов
Факторы подразделяют по характеру воздействия на человека и по структуре (строению).
По характеру воздействия факторы делят на три группы:
-
Активные;
-
Пассивно-активные;
-
Пассивные.
К активным факторам относятся факторы, которые могут оказывать воздействие на человека за счет заключенных в них энергетических ресурсов. Активные факторы подразделяются на семь подгрупп:
-
Механические – характеризуются кинетической и потенциальной энергией;
-
Термические – характеризуются тепловой энергией и аномальной температурой;
-
Электрические – электрический ток, статическое электричество, электрические поля;
-
Электромагнитные – электромагнитные излучения и свет;
-
Химические – вредные вещества и газы;
-
Биологические – макро и микроорганизмы;
-
Психофизиологические - физические и нервнопсихические перегрузки.
Пассивно-активные – факторы, активизирующиеся за счет энергии, носителем которой является человек или оборудование. К ним относятся: неровные поверхности, подъемы и уклоны, по которым движется человек и машины.
Пассивные – факторы, которые проявляются опосредственно (косвенно): недостаточная прочность конструкций, повышенные нагрузки на механизмы, изменение свойств материалов. Формой проявления этих факторов являются разрушения аварии, взрывы.
По структуре факторы подразделяются на две группы:
-
Простые – электрический ток, вредные вещества и т.д.
-
Производные – порождаемые взаимодействием простых.
Опасности и факторы проявляются в виде несчастных случаев, травм, заболеваний, урона окружающей среде.
Несчастный случай – случай воздействия на человека опасного фактора. Характерным для несчастного случая являются мгновенность действия фактора, а результатом является травма.
Травма – повреждение тканей организма или нарушение его функций внешним воздействием. Травмы в зависимости от характера воздействия могут быть:
-
Механические – ушибы, переломы;
-
Термические – ожоги, обморожения;
-
Химические – отравление;
-
Электрические – фибриляция;
-
Психические – шок, испуг;
Несчастные случаи в зависимости от тяжести исхода могут быть:
-
Без потери трудоспособности;
-
С временной потерей трудоспособности;
-
С тяжелым исходом;
-
Со смертельным исходом.
В зависимости от места происшествия:
-
произошедшие на производстве;
-
бытовые.
Профессиональным заболеванием называется заболевание, которое развивается у человека в результате воздействия на него специфических для данных условий вредных факторов и вне контактов с ними возникнуть не может.
Условия, при которых реализуются потенциальные опасности, называются причинами.
Существует причинно-следственная связь – опасность> причина> последствия.
Предотвращение опасностей или защита от них базируется на знании причин, так как опасность – есть следствие причины, которая в свою очередь может быть следствием другой причины. Зная частоту возникновения первичных событий (причин), можно, двигаясь снизу верх, определить вероятность конечного события, на которое можно повлиять посредством предупредительных мер. Таким образом, осуществляется управление безопасностью. Уровень безопасности равен:
B(t)=1-R(t), где R(t) –риск
Такой подход позволяет сравнивать безопасность и повышать ее за счет методов и средств обеспечения безопасности жизнедеятельности.
Системы стандартов
Любая деятельность человека должна гарантировать безопасность, его самого, окружающих его людей и природной среды, в которой он осуществляет свою деятельность.
Одним из условий обеспечения безопасности является выполнение требований нормативно-технических документов, регламентирующих такую деятельность. К основным нормативным документам, регламентирующим вопросы безопасности жизнедеятельности относятся ГОСТы, санитарные нормы и правила (СН, СанПиН), строительные нормы и правила (СНиП), которые образуют системы стандартов. К системам стандартам в области безопасности жизнедеятельности относятся:
-
Система стандартов безопасности труда (ССБТ);
-
Система стандартов охраны природы (ССОП);
-
Стандарты безопасности в чрезвычайных ситуациях (БЧС);
Система стандартов безопасности труда представляет собой комплекс взаимосвязанных стандартов. Структура обозначений имеет следующий вид:
Г
ОСТ 12. Х. ХХХ – ХХ
год регистрации
Порядковый номер в подсистеме.
шифр
ССБТ подсистемы (0…5)
0 – организационно методические стандарты;
1 – стандарты требований и норм по видам опасных вредных факторов;
2 – стандарты требований безопасности производственного оборудования;
3 – стандарты требований к безопасности производственных процессов;
4 – стандарты требований безопасности к средствам защиты;
5 – стандарты требований безопасности к зданиям и сооружениям.
Система стандартов охраны природы
Г
ОСТ 17 . Х . Х . ХХ –ХХ
год регистрации
шифр Порядковый номер
ССОП
комплекса шифр группы (0-11)
Стандарты безопасности в чрезвычайных ситуациях.
Г
ОСТ Р. 22. Х . ХХ – ХХ
шифр Год регистрации
БЧС Порядковый номер
Российский номер группы(0-11)
ГОСТ
Условия производственной среды.
В процессе труда человек воздействует на предмет труда в определенных условиях среды. В результате такого процесса он может подвергаться различным внешним воздействиям (механическим, химическим, тепловым и т.д.)
Совокупность факторов воздействующих на человека в процессе труда, формируют условия труда. Условия труда – это совокупность факторов производственной среды, оказывающих влияние на здоровье и работоспособность человека.
Человек может безболезненно переносить те или иные воздействия до тех пор, пока они не превышают определенных уровней и продолжительности воздействия. Поэтому установлены предельно-допустимые величины (ПДВ) параметров того или иного фактора.
Предельно-допустимая величина – это такая максимальная (или минимальная) величина, при которой человек может работать ежедневно полную нормальной длительности смену весь трудовой период (до выхода на пенсию по возрасту), при этом у него не возникает отклонений в здоровье, вызванных этим фактором. ПДВ установлены официальными нормативными документами.
В зависимости от уровня факторов условия труда подразделяются на три категории:
-
Безопасные (оптимальные и допустимые);
-
Вредные;
-
Опасные (экстремальные).
Оценка условий труда производится на основе инструментальных измерений фактических параметров опасных и вредных факторов и сравнения их с допустимыми. На основании оценки составляют «паспорт условий труда на рабочем месте» . Степень вредности условий труда оценивают в баллах, при этом учитывается величина фактора и время его воздействия.
Превышение ПДВ является нарушением норм и правил по охране труда и требуют принятия мер или доплат за работу во вредных и опасных условиях.
Воздушная среда
Воздушная среда быть наружной, внутренней производственной, внутренней жилищной.
Наружная воздушная среда характеризуется метеорологическими условиями и наличием вредных веществ. Метеорологические условия определяются температурой воздуха, относительной влажностью, скоростью движения воздуха и барометрическим давлением. Условия во внутренней среде называются микроклиматом. Микроклимат характеризуется температурой воздуха, относительной влажностью и скоростью движения воздуха.
Влияние микроклимата на человека
Микроклимат влияет на процесс теплообмена человека с окружающей его внутренней средой. Параметры микроклимата могут быть оптимальные и допустимые.
При оптимальных условиях человек испытывает состояние теплового комфорта, обладает наивысшей работоспособностью, его система терморегуляции работает с наименьшими энергозатратами tопт=+17…23ОC.
Допустимые значения это условия при которых работоспособность снижается но после отдыха организма восстанавливает ее без последствий tдоп=+12…17ОC и +24…28ОC. При повышении температуры свыше +30ОC нарушается работа системы терморегуляции, может возникнуть тепловой удар.
Понижение температуры ниже 12ОC оказывает большое влияние на самочувствие и работоспособность человека. Оптимальные и допустимые значения влажность опт=40..60%, доп=60…75%.
При >80% затрудняется испарение влаги с поверхности кожи, что может нарушить терморегуляцию.
При <18% влага будет сильно испаряться и может привести к переохлаждению и обезвоживанию организма.
Скорость движения воздуха.. Она способствует эффективному отводу тепла.
Vопт=0,1…0,3 м/с , Vдоп=0,4-0,5 м/с. При V>0,7 м/с – происходит интенсивный отвод тепла и может наступить переохлаждение организма.
Параметры микроклимата человек воспринимает комплексно, поэтому для оценки состояния человека вводят эффективную температуру и эффективно-эквивалентную.
Эффективная температура (tэфф.) учитывает одновременное действие температуры и влажности.
Эффективно-эквивалентная (tэфф.- эквивал.) учитывает температуру, влажность и скорость движения воздуха.
Нормирование микроклимата
Микроклимат регламентируется ГОСТ 12.1.005-88* – воздух рабочей зоны.
Устанавливаются оптимальные и допустимые параметры микроклимата. Эти значения устанавливаются с учетом периода года и категории работ. Различают 2 периода года теплый (среднесуточная температура ≥10’C) и холодный (t<+10’C). Различают 3 категории работ в зависимости отзатрат:
-
Легкие физические работы (энергозатраты не более 170Дж/сек.)
-
Работы средней тяжести (энергозатраты 170- 290Дж/сек.)
-
Тяжелые физические работы (энергозатраты более 290 Дж/сек.)
Оптимальные параметры микроклимата ГОСТ12.1.005.88.
| Период года | Категории работ | T,ОC | ,% | v,м/с |
| Холодный | 1а. Легкие физ. Работы 1б. Легкие физ. Работы 2а. Средней тяжести 2б. Средней тяжести 3.Тяжелыефиз. работы | 22…24 21…23 18…20 17…19 16…18 | 40…60 40…60 40…60 40…60 40…60 | 0,1 0,1 0,2 0,3 0.3 |
| Теплый | 1а. Легкие физ. Работы 1б. Легкие физ. работы 2а. Средней тяжести 2б. Средней тяжести 3.Тяжелые физ.работы | 23…25 22…24 21…23 20…22 18…21 | 40…60 40…60 40…60 40…60 40…60 | 0,1 0,2 0,3 0,4 0,5 |
Измерение параметров микроклимата
Температуру измеряют термометром. При положительной температуре применяют ртутные термометры. При отрицательной температуре – спиртовые. В последнее время стоит применять электронные термометры, они отличаются высокой точность, большим диапазоном. Температура в помещении измеряется на расстоянии 1 метра от нагревательных приборов и стен.
Относительную влажность измеряют при помощи приборов – психрометров и гигрометров.
Скорость движения воздуха измеряют анемометрами.
Вредные вещества в воздушной среде.
В результате хозяйственной деятельности человека основному загрязнению подвергается воздушная среда. Чистый воздух содержит
Азот 78,08%; Кислород 20,95%; Углекислый Газ 0,03%; Инертные газы 0,93%
Многие технологические процессы сопровождаются выделением вредных веществ, поэтому воздух в рабочей зоне и в окружающей среде редко имеет приведенный состав.
Вредные вещества – это вещества, которые при контакте с организмом человека могут вызывать травмы и профессиональные заболевания.
Классификация вредных веществ.
-
По агрегатному состоянию.
-
По характеру воздействия на человека.
-
По степени воздействия.
-
По направленности воздуха.
По агрегатному состоянию вредные вещества могут быть газообразные, жидкие, твердые.
Газы и пары с воздухом образуют смеси. Жидкие и твердые вещества с воздухом образуют аэрозоли, которые могут быть: пыль, дым, туман.
ПЫЛЬ – наличие твердых частиц в воздухе более 1мкм.
ДЫМ – наличие твердых частиц в воздухе менее 1мкм.
ТУМАН – наличие жидкости менее 10мкм.
По характеру воздействия вредные вещества разделяются на 6 групп:
-
Общетоксичные – вызывают отравление всего организма.
-
Раздражающие – вызывают раздражение дыхательного тракта и слизистой оболочки.
-
Сенсибилирующие – аллергены вызывают аллергические явления.
-
Канцерогенные – вызывают онкологические или раковые заболевания.
-
Мутагенные – изменение наследственной информации.
-
Репродуктивные – влияющие на функцию воспроизведения потомства.
По степеням воздействия вредные вещества подразделяются на 4-е класса в зависимости от ПДК (предельной допустимой концентрации).
-
чрезвычайно опасные – <0,1мГ/м3
-
высокоопасные 0,1…1мГ/м3
-
умеренно опасные 1…10мГ/м3
-
малоопасные более 10мГ/м3
Содержание вредных веществ оценивается концентрацией(К), которая может выражаться как в массовых единицах, а также в объёмных единицах % – Объёмные.
Предельно допустимые концентрации.
Нормативные документы устанавливают среднее допустимые концентрации вредных веществ.
-
ПДКам – мГ/м3 (в атмосферном воздухе) для наружной среды. –такая концентрация при которой исключается неблагоприятное действие данного вещества в течении неограниченно длительного времени.
-
ОБУВ – ориентировочно-безопасный уровень вещества.
-
ПДК р.з. – (в рабочей зоне) – это такая концентрация вредного вещества в воздействии рабочей зоны, которая при ежедневной работе в течении 8-и часов или при другой продолжительности рабочей смены не более 41-ого часа в неделю не вызывает заболевание у рабочих на протяжении всего стажа.
Состояния между ПДКам и ПДКр.з.:
ПДКам<<ПДКр.з.
ПДКам и ПДКр.з. некоторых веществ приведены в таблице
| Вещество | ПДКам мГ/м3 | ПДКр.з. мГ/м3 | Класс опасности |
| Аммиак | 0,2 | 20 | 4 |
| Ацетон | 0,35 | 200 | 4 |
| Ртуть | 0,0003 | 0,01 | 1 |
| Свинец | 0,0003 | 0,01 | 1 |
| Серная кислота | 0,1 | 1 | 2 |
По направленности действия подразделяются на:
-
однонаправленные;
-
разнонаправленные;
К веществам однонаправленным относятся вещества близкие по химическому составу и по характеру воздействия
Однонаправленные – спирты, кислоты, щёлочь, SO2,SO3.
Если в воздушную среду выделяется одновременно несколько вредных веществ однонаправленного действия, то для обеспечения безопасности должны соблюдать следующее соотношение
(К1/ПДК1)+(К2/ПДК2)+…+(Kn/ПДКn)≤1
К1, К2, …, Кn – концентрация вещества.
Мероприятия по нормализации воздушной среды.
-
правовые
-
организационные
-
технические
Правовые – основные документы, регламентирующие загрязнения воздушной среды.
Организационные – сокращение времени работы на участках с сильно токсичными веществами, рациональная планировка.
Технические – по снижению выбросов в атмосферу
– по снижению выбросов в рабочей зоне.
Вентиляция производственных помещений.
Под вентиляцией понимают систему мероприятий и устройств, обеспечивающих необходимый воздухообмен в помещении. По способу перемещения воздуха вентиляции подразделяют:
-
естественную
-
механическую
-
смешанную
Интенсивность вентиляции оценивается показателем, который называется кратность воздухообмена:
K=L/V 1/час.
L – воздухообмен м3/час.
V – объём помещения
К – показывает сколько раз в час происходит смена объёма воздуха.
-
вредные вещества:
L=Кв/(ПДКрз – Кn) м3/час
Кв – количество вредных веществ выделяемых в рабочей зоне
Kn – концентрация вредных веществ в подаваемом воздухе.
-
если выделяется избыточное тепло:
L=(3600Qизб.)/(Cp*p*(tу-tп) м3/час
Qизб. – избыточная теплота в помещении
Ср – теплоёмкость воздуха при данной температуре
p – плотность воздуха
tу – температура удаляемая из помещения
tп – температура подаваемая
-
выделяется избыточная влага Y
L=G/(Aу-Ап)*103 м3 /час
G – избыточная влага Кг/час,
Ап, Ау – абсолютная влажность удаляемого и подаваемого воздуха.
Если в помещении одновременно выделяется несколько вредных веществ, то для определения общего воздухообмена нужно смотреть на направленность действия данных веществ:
-
если вещества однонаправленные, то общий воздухообмен определяется суммированием воздухообменов;
-
если вещества разнонаправленные, тогда общий воздухообмен определяется по тому веществу, для которого требуется наибольшее значение.
Естественная вентиляция.
При естественной вентиляции воздухообмена осуществляется за счет разности температур и гравитационного давления воздуха в помещении и наружного, а также в результате действия ветра. Существует два вида естественной вентиляции:
-
Неорганизованная. (проветривание)
-
Организованная управляемая (аэрация, дифлекторная).
Преимущества – аэрации: не требуется дополнительных источников энергии, возможность получения большой кратности воздухообмена.
Недостатки – необрабатываемый воздух в теплое время года эффективность аэрации падает.
Дифлекторы – насадки на крышах зданий.
Механическая вентиляция.
Это вентиляция, при которой воздух подается и удаляется из помещения по системе вентиляционных каналов при помощи вентиляторов.
В зависимости от направления воздушного потока, механическая вентиляция может быть:
-
приточная
-
вытяжная
-
приточно – вытяжная.
Разновидностью приточно – вытяжной вентиляции является рециркуляция.
По зоне действия механическая вентиляция подразделяется:
-
общеобменная
-
местная
-
комбинированная
При общеобменной вентиляции воздухообмен осуществляется по видимому объему помещения. Эту систему применяют, когда вредные вещества или теплота выделяются по всему объёму равномерно. Если помещение имеет большие размеры, а число рабочих мало, выделение вредных веществ немногочисленно или фиксировано, то целесообразно применять местную вентиляцию.
Если возможно внезапное поступление в рабочую зону большого количества вредных веществ, предусматривается аварийная вытяжная вентиляция.
Основные требования предъявляемые к системе вентиляции:
-
Количество приточного воздуха должно соответствовать количеству удаляемого воздуха.
-
Если в одном из смежных помещений выделяются вредные вещества, то количество удаляемого из этого помещения воздуха должно быть больше подаваемого для создания небольшого разряжения, чтобы вредные вещества не проникали в соседнее помещение.
-
При отсутствии вредных выделений в помещении, при объеме на 1 работающего до 30м3/час на одного работающего. При объеме больше 30м3 на одного работающего не менее 20м3 в час.
-
Система вентиляции должна быть пожаро, электро, взрывобезопасна, надежна в эксплуатации и не создавать шум на рабочих местах, превышать допустимые значения
Схема приточной вентиляции.
Очистка воздуха.
Очистка воздуха осуществляется как при подаче его в помещение, так и при его удалении из помещения.
Для очистки воздуха применяются:
-
для очистки от пыли – пылеуловители
-
для очистки от аэрозолей и смесей применяют фильтры.
Простейший пылеуловитель инерционная камера: Диаметр частиц не менее 50мкм.
Для лучшей очистки применяют центробежные (циклон) и ротационные пылеулавливатели.
-
Центробежные – 30 мкм.
-
Ротационные – до 10 мкм.
Фильтры могут быть как:
-
адсорбционные (поглощение твердыми веществами – уголь)
-
абсорбционные (поглощение через жидкий поглотитель – масло).
-
электрофильтр (электромагнитные и электростатические поля).
Качество очистки определяется показателем, который называется эффективностью очистки:
=(К1-К2)/К1
К1 и К2 – концентрация вредных веществ на входе и выходе пылеулавливателя или фильтра.
Вентиляторы.
Вентиляторы характеризуются по следующими параметрами.
-
Производительность вентилятора Q м3/час – количество воздуха, которое прогоняет вентилятор через рабочее сечение.
-
Аэродинамический напор Н кг/м2 – давление, которое создает вентилятор на выходе рабочего сечения.
-
Коэффициент полезного действия (КПД) η отношение производительности к мощности.
-
Число оборотов в минуту n 800 –1500 об/мин.
Применяют два вида вентиляторов:
-
Осевые
-
Центробежные
Преимущество осевого – простота конструкции, универсальность, высокая производительность.
Недостатки – высокий шум, небольшой аэродинамический напор.
Преимущества центробежного – малый шум, делятся на вентиляторы низкого, среднего и высокого давления.
Недостатки – они не универсальны, требуется дополнительный привод.
Методы расчета вентиляции.
Применяются следущие методы:
-
Выбирают конфигурацию сети в зависимости от размещения установок и оборудования в зависимости от особенностей производства.
-
Выбирают тип вентиляции
-
О
пределяют величину воздухообмена для каждого вида вредных выделений. Для обще обменной вентиляции величину определяют по формулам (2,3,4)
Для комбинированной вентиляции воздухообмен определяется по формуле:
L1=Lмв+((Kв-Lмв(Кмв-Кп))/(Ку-Кп)) м3/час.
Lмв – воздухообмен который обеспечивается местной вентиляцией м3/час.
Кв – концентрация или количество вредных веществ выделяющихся в рабочей зоне мГ/час.
Кмв – концентрация вредных веществ в воздухе удаляемая местной вентиляцией мГ/час.
Ку и Кп – концентрация вредных веществ в удаляемом и подаваемом воздухе мГ/м3
-
При местной вентиляции воздухообмен равен
Lмв=3600S*V м3/час
S – площадь воздухозаборника
V – скорость всасывания V=3-10 м/с.
-
Определяют производительность вентилятора: Q=L+(0,1-0,15)L
-
Определяют величину аэродинамического напора: И=Р+(0,1-0,15)*Р;
Р- суммарные потери давления вентиляционной сети.
Р=Ртрение+Рместные потери
Ртр – зависит от материала воздуховода.
Рмест – потери давления в местных участках зависит от конфигурации и размера воздуховода.
Pтр=ni=1 Ртрi*Li
Ртрi –коэф. потерь на трение на 1м. длины
Pмест=ni=1(Ei**Vi)/2
Li – длина расчетного участка.
Ei – коэффициент местных сопротивлений (зависит от согласования переходов- участков)
– плотность воздуха
Vi – скорость на участке
-
По аэродинамическим характеристикам выбирают тип вентилятора (по Н и Q) и его основные параметры.
-
Определение мощности двигателя: N= (Kз*Q*H)/(3,6*n.в*n.перед)*10-6 кВт.
Кз – коэффициент запаса 1,05 …1,5 зависит от вентилятора.
n.в – К.П.Д. вентилятора
n.перед. – К.П.Д.- передачи. Для осевого вентилятора n.перед.=1
Контроль за содержанием вредных веществ в окружающей среде.
Для веществ 1 класса проводят непрерывный контроль. Для веществ 2,3,4 класса периодический. Периодичность контроля зависит от объёмов и характера вредных выделений (1 раз в час, смену, неделю, год).
Контроль за соержимым вредных веществ в воздушной среде.
Для вредных веществ 1го класса проводтся непрерывный контроль, для веществ 2,3,4 классов-периодический
Методы контроля.
Применяются следущие методы:
-
Экспрессные методы
-
линейно-колометрический (изменение окраски индикатора) применяются газоанализаторы.
-
индикаторный – применяется для веществ 1 класса. Прибор имеет 2 предела “норма” и “больше нормы” преимущества: моментальность определения. Недостаток – низкая точность. Имеются индикаторы не на все вещества.
-
Лабораторный метод: заключается в том, что на рабочем месте берется воздух в течении 15мин. , и затем в лаборатории производится его анализ. Преимущества – высокая точность, можно применять для всех вредных веществ. Недостаток – необходимо определенное время.
Кондиционирование воздуха.
Кондиционирование – это создание и поддержание заданных параметров воздушной среды независимо от наружных условий. Для этого применяются установки кондиционирования воздуха УКВ. Кондиционеры подразделяются на:
-
центральные, ля небольших помещений(кондиционер обслуживает несколько помещений)
-
местные.
Центральный кондиционер обслуживает несколько помещений. Кондиционер имеет все элементы системы вентиляции, а также устройство управления, которое состоит из датчиков устанавливаемых в помещении, схема управления.
Шум, инфра и ультра звук.
Шум – сочетание звуков разной частоты и интенсивности. Это механические колебания упругой среды. Область пространства, в котором распространяются звуковые волны, называется звуковым полем.
Основные параметры, характеризующие шум:
-
Звуковое давление P н/м2 [Па]
-
интенсивность I Вт/м2 – поток энергии в какой либо точке, в единицу времени, отнесенных единице площади поверхности, перпендкулярных к направлению распространения.
Интенсивность и звуковое давление среды, связано соотношением I=P2/(с), где
P – давление,
– плотность среды,
a – скорость звука
a – волновое сопротивление среды
При нормальных условиях скорость звука a=343м/с. f, Гц частота.
Человек воспринимает звуковые колебания в виде слышимого звука в диапазоне частот 20 – 20000 Гц.
=с/f , (м) длина волны
Источник шума характеризуется звуковой или акустической мощностью
W= I*4R2 , Вт
Восприятие звука человеком зависит не только от частоты, но и от интенсивности и звукового давления. Наименьшие значения интенсивности и звукового давления, которые воспринимает человек, называются – порогом слышимости. Iо, Ро.
Для f =1000Гц порог слышимости: Io=10-12 Вт/м2 Ро=2*10-5 Па
Наибольшие значения, которые воспринимает человек без повреждения слуха, называются болевой порог:
На частоте f=1000Гц болевой порог P=200Па и I=102 Вт/м2.
Чтобы не оперировать большими числами, ввели относительные логарифмические единицы, которые получили название – уровень интенсивности. Li=lq(I/Io) (Б), где I – интенсивность звука в какой либо точке, Iо- интенсивность на пороге слышимости.
Так как I =P2 /a, то уровень звукового давления Lр=2*lq(P/Po) (Б) .
Ухо человека реагирует на величину в 10 раз меньше, чем Белл, поэтому применяют
L=10lg(I/Io) и LP= 20IgP/P0 . (Дб) – децибел
Так как. ухо реагирует на изменение звукового давления, то понятием уровень звукового давления оперируют при оценке влияния шума на человека, а понятием уровень интенсивности при исследовании шумовых характеристик источников и звукоизолирующих свойств материалов.
При нормальных условиях численные значения уровней интенсивностей и уровней звукового давления равны LI=LP
Уровни звукового давления различны источников.
Г
ромкость.
Для оценки субъективного восприятия шума человеком вводится понятие уровня громкости. Единица уровня громкости – ФОН. ФОН-разность уровней интенсивности в 10 дБ эталонного звука частотой 1000 Гц.
ФОН – физиологическая оценка шума.
На основании исследований построены кривые равной громкости.
Классификация шума.
Шум классифицируют по источнику возникновения:
-
Механический возникает при работе машин и механизмов.
-
Аэродинамический – при истечении газов с большими скоростями.
-
Гидродинамический при движении жидкости по трубопроводам.
-
Электромагнитный или магнитно-стрикционный, возникает в электрических аппаратах
по частоте:
-
Низкочастотный НЧ – до 300 Гц.
-
Среднечастотный СЧ – 300-800 Гц.
-
Высокочастотный ВЧ – f>800 Гц.
Наибольшее влияние на человека оказывает высокочастотный шум с частотами f=1000-4000 Гц
по спектру:
-
Широкополосный.
-
Тональный.
Спектром шума называется зависимость уровня звукового давления от частоты. L = f
Пример спектра шума:
L, дБ
20 f1 fсг f2 20*103 f, Гц
Весь диапазон частот делят на участки определенной ширины – полосы частот.
Полоса частот, у которой отношения частот f2/f1=2, называется октавой.
Х
арактеристикой каждой полосы частот является среднегеометрическая частота fсг.
Для октавы: f
сг.= f1*f2=f1*2=1,41*f1
В ряде случаев октава является очень широкой полосой и требуется исследование шума в более узких полосах.
Полоса частот, у которой f2 f1=
называется 1/3 октавы.
fсг для 1/3 октавы = f1
1.08 f1
Для гигиенических целей пользуются октавными полосами частот. Для исследований акустических свойств материалов пользуются – 1/3 октавными полосами.
Октавные полосы стандартизированы. Установлены следующие стандартные среднегеометрические частоты октавных полос: 31,5; 63; 125; 250; 500; 1000; 2000; 4000; 8000 Гц.
Ш
ум считается широкополосным, если его спектр превышает одну октаву.
Шум считается тональным если его спектр в любой из 1/3 октавы имеет превышение более чем на 10 дБ относительно соседних.
По временным характеристикам шумы бывают постоянные и непостоянные. Постоянный шум – уровень звукового давления за 8 часов меняется не более чем на 5 дБ.
Непостоянные:
-
колеблющиеся – спектр непрерывно меняется во времени.
-
прерывистые – изменяется ступенчато более чем на 5 дБ оставаясь на ступени неизменным более 1с.
-
импульсные состоят из импульсов длительностью менее 1с.
Непостоянный шум оценивается эквивалентным значением Lэкв. Это такое значение, которое соответствует постоянному шуму в пределах исследуемого времени.
Сложение шумов.
Если есть несколько источников, то они складываются энергетически – т.е. складываются интенсивности
-
Имеется n – источников шума с интенсивностями I1, I2, I3 ....In ,тогда
I=I1+I2+I3+…In
Делим левую и правую части на I0 , логарифмируем и умножаем на 10.
Получаем: 10 lg. I/I0 =10 lg.(I1/I0 + I2/I0 +…In/I0)
Или L=10 lg. (10L1/10 + 10L2/10 +….+10Ln/10) ,
L=10 lg =100,1Li дб (1), где L—уровни звукового давления или интенсивности.
-
n–источников шума с одинаковыми интенсивностями
I1=I2=I3=…=In=I
Подставив в формулу (1) получим L=L1+10 lg. N дБ
Действие шума на человека.
Степень воздействия шума на человека зависит от его уровня, характера шума, продолжительности воздействия и индивидуальных особенностей человека.
Шум с уровнем L=50-60 дБ – оказывает воздействие на нервную систему, оказывает психологическое воздействие
L=70-80 ДБ – влияет на сердечно-сосудистую систему и обменные процессы.
L=85-90 ДБ – оказывает влияние на органы слуха и снижает слуховую чувствительность, а также влияет на нервную систему. Может вызвать снижение остроты зрения и чувствительности к различным цветам.
Шум влияет на кору мозга, оказывает раздражающее действие, ведёт к утомлению, снижению внимания, снижает реакцию, снижает работоспособность, может стать причиной возникновения несчастного случая.
Нормирование шума
Нормирование шума ведется в двух направлениях:
-
Гигиеническое нормирование.
Устанавливаются допустимые значения уровней звукового давления на рабочих местах и на территории жилой застройки.
-
Техническое нормирование
Нормирование шумовых характеристик технологического оборудования.
При гигиеническом нормировании шум регламентируется ГОСТ 12.1.003.89*. Нормирование осуществляется двумя методами.
-
Нормирование по предельному спектру – для оценки воздействия постоянного шума.
-
Нормирование по общему уровню в дБА – для ориентировочной оценки постоянного и непостоянного шума.
Предельным спектром называется совокупность нормативных уровней звукового давления в восьми октавных полосах частот. Предельный спектр сокращенно обозначается ПС. Каждый предельный спектр обозначается цифрой, которая соответствует допустимому уровню звукового давления в дБ в октавной полосе частот со среднегеометрической частотой 1000 Гц. Например: ПС – 80
При нормировании по общему уровню устанавливается одно значение допустимого уровня звукового давления для всего диапазона звуковых частот и обозначаются в дБА.
Например: LА= 85 дБ
Допустимое значение по общему уровню связано с предельным спектром соотношением LА=ПС+5
Измерение шума.
Ш
ум измеряют прибором, который называется шумомер. Структурная схема шумомера представлена на рисунке. Он состоит из микрофона, усилителя, измерительного прибора и источника питания.
1 – микрофон 4
2 – усилитель
3 – измерительный прибор
4– источник питания
для измерения шума в полосах частот (октавных и 1/3 октавных) применяют фильтры.
Шумомер со встроенным фильтром называется анализатором шума.
Изменение шума могут производиться по линейной характеристике шумомера – режим Lin и по частотной характеристике “А” (с коррекцией “А”).
lin
‘A’
Fн 1000 Гц Fв f
f, Гц
При изменении по характеристике “А” шум измеряется так, как его воспринимает человек.
Методы и средства защиты от шума.
-
Организационные
-
Архитектурно – планировочные
-
Технические
Технические подразделяются на 2 группы:
-
Снижение в источнике возникновения
-
Снижение на пути распространения
Организационные: ограничение транспортных потоков, рациональное расположение предприятий, рациональное расположение рабочих мест.
Архитектурно – планировочные: зонирование застройки, удаление автомагистралей, увеличение этажности зданий по мере удаления от магистралей, создание шумопоглощающих полос.
Методы снижения на пути распространения подразделяются на звукоизоляцию и звукопоглощение.
Технические мероприятия зависят от природы шума.
Механический шум снижают повышением точности обработки деталей и сборки узлов.
Аэродинамический – снижают применением глушителей.
Электромагнитный – применением демпфирующих материалов (компаунды), заменой пермалоевых сердечников ферритовыми.
Снижение шума на пути его распространения:
Звукоизоляция
Метод основан на снижении шума за счёт отражения звуковой волны от преграды.
Д
I L1 L2 II
P1
P
PI P2
P3
ля этого на пути распространения шума устанавливают перегородки.
PII
Рис.1
Для звукоизоляции применяют материалы с большим удельным весом и высокой лотностью
Звукоизолирующие свойства ограждения определяются коэффициентом звукопроницаемости :
τ=Pпр./Pпад=Iпр/Iпад , где
Рпр – прошедшая через перегородку энергия
Рпад – падающая энергия
Звукоизоляция это величина обратная коэффициенту проницаемости и обозначается R.
R=10 lg. (1/τ) или R=10 lg (Iпад/Iпр.).
Звукоизоляция измеряется в дБ. Звукоизоляцию можно рассчитать по формуле:
R0=20 lg. f +20 lg. Q – 54, дБ (1) ,где
f-расчётная частота, Гц
Q – поверхностная плотность ограждения (вес одного м2 ограждения).
)
Из формулы следует что звукоизоляция зависит от частоты и массы ограничения.
С увеличением частоты в 2 раза звукоизоляция увеличивается на 6дБ.
С увеличением массы звукоизоляция также увеличивается 6дБ.
Формула (1) справедлива не во всем диапазоне частот, а только в определенной области (области 2 на рис. 2)
R
1 2 3
F, Гц
Fн Fв
1.-область дискретных резонансов Рис.2
2.-область управляемая законом массы
3.-область волнового совпадения
Формулы справедливы в том случае, когда звуковые волны за перегородкой распространяются прямолинейно без отражения от внутренних поверхностей, поэтому фактическая звукоизоляция будет меньше, чем рассчитанная по формуле (1)
Rф.=R-10 lg. A/Sогр
A-эквивалентная площадь звукопоглощения
A=α ∙ Sn
α –коэффициент звукопоглощения поверхности
Sn – площадь внутренних поверхностей помещения
Sогр – площадь перегородки
Данным методом можно снизить шум на 40 – 60 дБ.
Чем больше масса перегородки, тем выше звукоизоляция.
Звукоизоляцию можно определить экспериментально по формуле
R=10 lg. (L1/L2) дБ, где
L1 и L2 – уровни звукового давления в помещении I и II.
R=ΔL=L2-L1=20 lg. (L2/L1)
Практическое применение звукоизоляции.
Звукоизоляция применяется в виде ограждений, перегородок, экранов, кожухов и кабин.
-
Звукопоглощение.
Метод основан на снижении шума за счёт перехода звуковой энергии в тепловую в порах звукопоглощающего материала.
Для этого проводят акустическую обработку помещения, на потолок и стены наносят звукопоглощающий материал. Применяются лёгкие пористые материалы.
Звукопоглащающие свойства материала определяются коэффициентом звукопоглощения .
α=Pпогл/Pпад
Коэффициент звукопоглощения зависит от частоты.
Для получения эффекта надо обработать не менее 80% поверхности помещения.
Снижение шума при звукопоглощении составляет
ΔL=6 – 8 дБ ; ΔLmax=10 – 12 дБ
Величина ослабления шума ΔL определяется по формуле
ΔL=10 lg. B1/B2 дБ, где
B1 и B2 постоянные помещения до и после обработки.
B1=A1/(1-α1) ; B2=A2/(1-α2)
A1 и A2 эквивалентные площади звукопоглощения до и после обработки звукопоглощающим материалом A1=α1∙Sп A2=α2∙Sобр , где
Sn- площадь внутренних поверхностей помещения;
Sобр- площадь повехностей,обработанных звукопоглощающим материалом.
Звукопоглощение применяется для снижения шума от источника находящегося в самом помещении.
Практическое применение звукопоглощения.
Используют специальные покрытия конструкции рис.3
Рис.3
1-строительная конструкцич ( стена)
2-звукопоглащающий материал
3-защитное покрытие
4-перфорированый алюминиевый щит.
Рис.3
Индивидуальные средства защиты.
Это могут быть противошумные наушники, вкладыши дают ослабление10 – 15 дБ. Для высокого уровня шума применяются специальные шлемы, противошумные костюмы.
Ультразвук.
Ультразвук имеет ту же природу что и шум, но отличается более высокой частотой f20 КГц. Может распространяться по воздуху и контактным путем.
Особенность ультразвука – он слабо поглощается в упругой среде и может распространяться на большие расстояния. Ультразвук может распространяться узконаправленными лучами, создавая на небольшой площади высокие ультразвуковые давления.
Воздействие ультразвука на человека.
Ультразвук несколько слабее влияет на органы слуха, но оказывает большее влияние на вестибулярный аппарат, на сердечно-сосудистую систему, периферийную нервную систему, и на систему терморегуляции.
Ультразвук нормируется ГОСТ 12.1.001-89* в треть октавных активных полосах частот.
Методы защиты от ультразвука.
-
Уменьшение в источнике. Осуществляется путем повышения рабочих частот оборудования.
-
уменьшение на пути распространения методом звукоизоляции и звукопоглощения,
локализация источника.
-
Индивидуальные средства защиты.
Инфразвук
Инфразвук имеет ту же природу, что и шум, но отличается более низкой частотой f20 Гц. Возникает при работе крупногабаритных, тихоходных агрегатов. Компрессоры, дизельные двигатели, турбины. Оценивается теми же параметрами что и шум.
Особенность – он слабо поглощается в окружающей среде и может распространяться на большие расстояния.
Воздействие инфразвука на человека.
Инфразвук воздействует на все органы и системы человека, как и шум. Воздействует на органы слуха, вестибулярный аппарат, центральную нервную систему, кроме того оказывает психологическое воздействие.
Уровень >150 дБ является смертельным.
f=2-15 Гц – неблагоприятный диапазон, т.к. совпадает с собственной частотой органов.
Cамая опасная частота f=7 Гц – частота биотоков головного мозга.
Инфразвук нормируется санитарными нормами СН 22-77-80 в октавных полосах частот.
| ffсг, Гц | 22 | 44 | 88 | 116 | 331,5 |
| LLдоп, дБ | 105 | 1102 | |||
Методы защиты
Инфразвук характеризуется тем, что для снижения инфразвука звукоизоляция и звукопоглощение неэффективны. Применяется метод снижения в источнике возникновения:
-
Повышение быстроходности агрегата.
-
Повышение жесткости конструкции больших размеров.
-
Устранение НЧ вибрации за счет балансировки и повышение точности сборки.
-
Применение глушителей.
Производственное освещение.
Свет представляет собой электромагнитные колебания с длинами волн =770 – 380 н/м. Выше находится область ультрафиолетового излучения (380 – 10 н/м), ниже – инфракрасного излучения (770 – 1000 н/м).
Основные светотехнические понятия и единицы.
Световой поток – Ф – часть лучистого потока, который воспринимается зрением как свет [лм].
Освещенность – Е – отношение светового потока к площади поверхности [лк].
Е= Ф/S.
Сила света – I – отношение светового потока, исходящего от источника и распространяющегося внутри элементарного телесного угла, к величине этого угла.
I = Ф/, [Кд], = S/r2
Яркость – L – отношение силы света, излучаемой элементом поверхности, к площади проекции излучающей поверхности на плоскость, перпендикулярной этому направлению [Кд/м2].
L= I /(Scos).
Объект различения – наименьший размер рассматриваемого предмета или его часть, которую различают в процессе выполнения работы.
Фон – поверхность прилегающая к объекту различения. Он определяется коэффициентом отражения – .
Фон может быть:
Светлый > 0,4
Средний = 0,2-0,4
Темный < 0,2.
Контраст -К – соотношение яркости рассматриваемого объекта и фона к яркости фона.
K=(Lo-Lф)/Lф
Контраст может быть большим, средним и малым.
Классификация освещения
Освещение может быть 3х видов:
-
Естественное- создаваемое солнцем и светом небосвода (прямым или отраженным);
-
Искусственное- осуществляемое электрическими источниками света- лампами;
-
Совмещенное – при котором, недостаточное естественное освещение дополняется искусственным.
Естественное освещение бывает:
боковое (односторонее и двухсторонее)- осуществляемое через проемы в наружных стенах;
верхнее- осуществляемое через аэрационные фонари и проемы в перекрытиях;
комбинированное- верхнее и боковое.
Искусственное освещение по конструктивному исполнению может быть двух систем:
общее (равномерное и локализованное)- светильники располагаются в верхней зоне помещения;
комбинированное (общее и местное)
Искусственное освещение по функциональному назначению подразделяется:
-
Рабочее – предусматривается во всех помещениях с постоянным пребыванием людей.
-
Освещение безопасности. Делится на аварийное и эвакуационное. Аварийное освещение обеспечивает минимально необходимые условия для продолжения работ в случае внезапного отключения рабочего освещения, когда недопустимо прекращение работ. Эвакуационное – для эвакуации людей из помещений при отключении рабочего.
-
Охранное – для освещения охраняемых границ территории
-
Дежурное – для освещения помещения в нерабочее время.
Основные требования к производственному освещению:
-
Освещение в рабочей поверхности должна соответствовать характеру зрительных работ согласно нормам.
-
Освещенность рабочей поверхности должна быть равномерной. Соотношение освещенности рабочей поверхности и окружающего пространства должно не должно превышать 10:1.
-
В поле зрения не должно быть блесткости (повышенной яркости светящихся поверхностей.
-
Величина освещенности должны быть постоянной во времени.
-
Спектральный состав источников света должен обеспечивать правильную цветопередачу.
-
Осветительная установка должна быть безопасной, надежной и удобной в эксплуатации.
Нормирование естественного и искусственного освещения
Естественное освещение имеет особенность: освещенность изменяется в очень широких пределах и зависит от многих факторов (время суток и года, метеорологических факторов). Поэтому для оценки естественного освещения пользуются относительной величиной – коэффициентом естественной освещенности – КЕО:
е = (Евн/Енар)*100% , где
Евн – освещенность внутри помещения
Енар – наружная освещенность
КЕО зависит от расстояния от окна и размера оконного проема.
Естественное освещение нормируется СНиП 23-05-95.
е – зависит от разряда зрительных работ (восемь разрядов), от вида освещения (естественное или совместное) и номера группы административного района.
Нормами установлено восемь разрядов зрительных разрядов зрительных работ (1 – У111). Разряд зрительной работы определяется размером объекта различения.
1-й разряд – размер объекта до 0.15мм – наивысшей точности
У111-й разряд самые грубые работы – размер объекта различения не регламентируется.
Так как территория РФ протяженная, она разделена на 5 групп административных районов в зависимости от поясов светового климата.
Центральная часть относится к первой группе административного района.
Для зданий, расположенных в других районах КЕО определяется по формуле:
eN = eн * mN, где
N- номер группы административного района
mN – коэффициент светового климата данного административного района.
eн – значение КЕО из СНиП.
Нормирование искусственного освещения.
Регламентируется теми же нормами СНиП 23-05-95. Нормируемой величиной является минимальная величина освещенности. Ен min. Эти значения устанавливаются в зависимости от разряда зрительных работ, фона и контраста объекта с фоном. (имеются подразряда подразряда а, б, в, г), системы освещения (общее или комбинированное), и и от типа источника света (лампы накаливания, газоразрядные лампы).
Для ламп накаливания величины освещенности снижается на один подразряд.
При комбинированном освещении освещенность Еобщ должна быть не менее 10% от Ен
Для искусственного освещения регламентируются не только количественные характеристики, но и качественные.
К качественным характеристикам относятся показатель ослепленности Р, Рн = 20-60%
и коэффициент пульсации светового потока для газоразрядных ламп Кп, Кп =10-20%.
Кп = (Еmax – Emin)/ 2Еср
Величина освещенности соответствует разрядам и подразрядам зрительных работ.
Наибольшая величена освещенности составляет 5000 лк для Iа разряда, наименьшая – 50 лк для VIIIв.
Расчет естественного и искусственного освещения.
Целью расчета естественного освещения является определение размеров световых проемов, при которых обеспечиваются заданные значения КЕО.
Расчет искусственного освещения.
Целью расчета является выбор источников света, при которых обеспечиваются нормируемые количественные и качественные показатели освещенности. При этом обычно определяют число и мощность ламп. Иногда выполняют поверочный расчет. При заданных параметрах осветительной установки обеспечивают ли источники света нормируемое значение.
Для расчета искусственного освещения применяются два метода:
-
Метод коэффициента использования светового потока, для расчета общего равномерного освещения горизонтальных поверхностей, учитывает световой поток, отраженный от внутренних поверхностей.
-
Точечный метод – для расчета равномерного, локализованного, общего и местного освещения горизонтальных и наклонных поверхностей. Применяется в тех случаях, когда можно пренебречь световым потоком, отраженным от внутренних поверхностей.
Метод коэффициента использования светового потока .
Пусть имеется n- источников света, каждый из которых имеет световой поток Ф.
Тогда общий световой поток
Ф общ = n * Ф,
однако не весь этот поток попадает на освещаемую поверхность, часть теряется в светильниках, падает на стены.
Отношение полезного светового потока, падающего на освещаемую поверхность, ко всему потоку ламп, называется коэффициентом использования светового потока
Фполез/Фполн = , где – коэффициент использования светового потока.
Фп = n * Ф * , этот поток, падая на поверхность, создает среднюю освещенность:
Еср = (n * Ф * ) / S, где
S – площадь помещения.
Ообычно расчет ведут на минимальную освещенность.
Еср = Z * Emin, где
Z – коэффициент минимальной освещенности
Тогда
Еmin = (n * Ф * ) / (S *Z)
Минимальная освещенность должна быть несколько выше нормированной, так как. при эксплуатации часть ламп перегорает и загрязняется ,поэтому вводят коэффициент запаса Кз:
Еmin Ен * Кз
Тогда
Ен = (n * Ф * ) / (S *Z * Кз)
Величина светового потока определяется по формуле:
Ф = (Ен * S *Z * Кз)/ (n * )
Число светильников:
n = (Ен * S *Z * Кз)/ (Ф * )
Коэффициент использования светового потока зависит от типа светильника, коэффициентов отражения внутренних поверхностей помещения и геометрических характеристик помещения (индекса помещения i ).
При выборе источников света допускается их выбирать -5%+20%
Точечный метод
Точечный метод применяется для расчета локализованного и комбинированного освещения горизонтальных и наклонных поверхностей и в случаях, когда можно пренебречь световым потоком, отраженным от внутренних поверхностей.
Каждый источник света можно считать как точечный
– угол между направлением силы света и нормали к поверхности
Освещенность в точке А определяется по формуле:
ЕА = (I/r^2)cos , где
I – сила света
r – расстояние от источника до точки А
Часто вместо r используют показатель h – высота подвеса светильника, тогда
Е = ( I/h^2 )cos^3
h = H – hp, где H – высота помещения, hp – высота рабочей поверхности
Источники света
Это основная часть светильника. Они определяются следующими характеристиками:
-
Электрические (Uпит, Рпотр, род тока)
-
Светотехнические (I – сила света, Ф – поток)
3.Эксплуатационные световая -отдача Ф / P лм/Вт и срок службы, tc- время в течение которого световой поток уменьшается на 20%
4.Конструктивные: форма колбы, давление газа.
В качестве источников света применяют
-
Лампы накаливания
-
Газоразрядные лампы
Лампы накаливания имеют преимущества низкая себестоимость, просты в эксплуатации, достаточно компактные, некритичные к условиям среды, к концу срока службы световой поток уменьшается на 15%.
Недостатки. Низкая световая отдача. =7-20 лм/Вт , срок службы t=1000 ч, спектр света отличается от естественного.
Разновидностью ламп накаливания являются:
Кварцевые галогенные лампы = 30 лм/Вт, t=2000 ч., пары иода
Газоразрядные лампы = 70-110 лм/Вт, t=10000 ч., спектр можно получить любой.
Недостатки – для работы газоразрядной лампы нужно пускорегулирующая аппаратура, эти лампы имеют повышенный коэффициент пульсации светового потока и возможно возникновение стробоскопического эффекта, эти лампы могут создавать помехи и зависят от условия окружающей среды.
Люминесцентные лампы представляют собой стеклянную трубку, внутренняя часть которой покрыта люминофором = 75 лм/Вт, t=12000 ч.,
Недостаток большие габариты, люминесцентные лампы плохо работают на холоде. При низком напряжении лампа может не загораться.
В зависимости от типа газа лампы могут быть:
ЛД – лампы дневного света
ЛХБ – лампы холодно-белого света
ЛТБ – лампы теплого белого света
ЛДЦ -лампы с улучшенной светопередачей
-
Дуговые ртутные люминесцентные лампы высокого давления – ДРЛ. Более компактны, имеют высокую единичную мощность.
-
Металлогенные лампы МГЛ (ДРИ), = 100 лм/Вт.
-
Дуговые натриевые лампы ДНаТ = 110 лм/Вт, Р – до нескольких кВт, большой коэффициент пульсации светового потока.
-
Дуговые ксеноновые лампы, Р до 10 кВт, имеют большую долю ультрафиолетового излучения.
Светильники.
Светильник состоит из источника света, арматуры и пускорегулирующего аппаратуры. Различаются по светотехническим характеристикам и конструктивным.
По светотехническим:
по распределению светового потока они делятся:
-светильники прямого света – световой поток в нижнюю полусферу не менее 80% от всего светового потока. П.
-преимущественно прямого света Ф= 60-80% Ф Н.
-рассеянного света Ф=40-60% Ф Р.
-отраженного света Ф > 80% Ф О.
-преимущественно отраженного Ф=60-80%
По конструктивному исполнению светильники могут быть открытые, закрытые и защищенные.
Защищенные делятся на:
пылезащищенные, влагозащищенные, пожаро и взывобезопасные
Измерение освещенности.
Контроль освещенности проводят прибором – люксметром
Для искусственного свет проводят в темное время суток и контролируется не менее одного раза в год. Измеряют на рабочей поверхности не менее, чем в 10 точках.
Электробезопасность.
Основные причины поражения человека электрическим током:
-
Нарушение изоляции или потеря ею изолирующих свойств;
-
Непосредственное прикосновение или опасное приближение к токоведущим частям, находящимся под напряжением;
-
Несогласованность действий.
Действие электрического тока на человека
Проходя через тело человека ток оказывает 3 вида воздействий.
-
Термическое (нагрев и ожоги тканей)
-
Электролитическое (разложение крови и жидких компонентов)
-
Биологическое – возбуждение живых тканей вызывающей судорожное сокращение и нарушение внутренних биоэлектрических процессов
Виды поражений
Поражения электрическим током можно разделить на два вида:
1.Местные электротравмы – явно выраженные местные повреждения тканей.
а) электрический ожег
б) электрические знаки
в) металлизация кожи
г) механические повреждения
д) электроофтомия (повреждение глаз электрической дугой)
2. Общие электротравмы – возбуждение живых тканей организма сопровождающееся судорожным сокращением мышц.
а) судорожные сокращения без потери сознания
б) с потерей сознания, но с сохранением дыхания и кровообращения
в) потеря сознания, нарушения сердечной деятельности, дыхания или того и другого
г) клиническая смерть (длится 4-5 минут)
Факторы, влияющие на опасность поражения током
Исход воздействия электрического тока зависит от следующих факторов:
-
Сила тока, I
-
Сопротивление тела человека, Rh
-
Длительность воздействия, t
-
Путь, род и частота тока
-
Индивидуальные особенности
-
Условия окружающей среды
Главным фактором является величина тока, проходящего через человека: чем больше ток, тем опаснее его воздействие
Для характеристики воздействия установлены 3 пороговых значения:
-
Пороговый ощутимый – минимальная величина силы тока, кт вызывает болевые ощущения. Для переменного тока 0,6-1,5 мА для 50Гц; для постоянного 5-7 мА для 0Гц.
-
Пороговый не отпускающий – минимальная величина тока, при которой человек не может сам освободиться от токоведущей части 5-25 мА, 50Гц; для постоянного 50-70мА, 0Гц.
-
Порогово фибриляционный – нарушает сердечный ритм 50-350мА, 50Гц; для постоянного 300мА, 0Гц.
Сопротивление тела человека складывается из сопротивления кожного покрова и внутренних органов. Неповрежденная сухая и чистая кожа имеет сопротивление от 2кОм до 2Мом. При расчетах принимают сопротивление человека равным 1000 Ом.
Классификация помещений по степени опасности электропоражений
По степени опасности помещения делятся на 3 класса:
1.Без повышенной опасности. Это сухие безпыльные помещения с нормальной температурой и изолирующими полами. (влажность 70%)
2.Помещения с повышенной опасностью. Это помещения характеризующие хотя бы одним из следующих пяти условий.
-повышенная влажность (>75%)
-наличие высокой температуры (>35C)
-наличие токопроводящей пыли
-наличие токопроводящих полов
-возможность одновременного прикосновения человека к имеющим соединения с землей металлическим конструкциям зданий или сооружений и корпусам электроустановок
3.Особо опасные – это помещения характеризующиеся наличием следующих условий
-особой сырости (>100%)
-наличие агрессивной
-одновременным присутствием 2х и более признаков для помещений с повышенной опасностью
Классификация электроустановок и сетей.
Электроустановки делят на 2 группы
-
Электроустановки в сетях с напряжением до 1000В
-
В сетях с напряжением выше 1000В
Электрические сети делятся на сети переменного тока и сети постоянного тока.
Сети переменного тока делятся на однофазные и многофазные
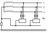
Наибольшее распространение получили трехфазные сети. Они делятся по следующим схемам.
-
3х-фазные 3х-проводные сети с изолированной нейтралью.
Uф – фазное напряжение
Uл – линейное напряжение
2.3х-фазные 4х-проводные сети с изолированной нейтралью.
В этой сети можно получить линейные и фазные напряжения.
3.3х-фазные 3х-проводные сети с заземленной нейтралью.
r0 – сопротивление провода
Заземленная точка называется нулевой точкой. Можно получить только линейные напряжения
4. 3х-фазные 4х-проводные сети с заземленной нейтралью.
При напряжении до 1000В применяются 1 и 4 схемы.
Возможные схемы включения в цепь
1.Однофазное включение
-
Двухфазное включение
Ih=Uл/Rn
Двухфазное включение более опасное. Однофазное включение менее опасное. Ток через человека ограничивается рядом факторов и зависит от схемы сети, режима сети.
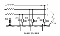
Анализ опасности электропоражения в 3х-фазных сетях.
-
3х-фазная 3х-проводная сеть с изолированной нейтралью, имеющая исправный режим.
R1= R2=R3=R – сопротивление изоляции фаз
Ток, проходящий через человека:
Реально в сетях имеется комплексные сопротивления.
2.Аварийный режим
rзм << R
rзм << Rn
2. 3х-фазная четырехпроводная сеть с заземленной нейтралью
R1=R2=R3=Rn=R
C1=C2=C3=Cn=C
r0 < r0 < Аварийный режим Uф1 = U Uф2 = aU Uф3 = a2Uф r0=0 rзм 0 Ih = Uф\Rh rзм =0 Uф < Un < Uл В этом случае опасность больше, чем в случае исправном режиме 1.Наиболее опасно двухфазное включение человека в цепь 2.В нормальном режиме наименьшей опасностью электропоражения обладает 3х-фазное 3х-проводное сеть с изолированной нейтралью 3.Сеть с заземленной нейтралью опасна в исправном режиме. В аварийном режиме опасность меньше, чем в сети с аварийным режимов с изолированной нейтралью Если в помещении есть опасность, что повреждена изоляция, то применяют сеть с заземленной нейтралью. К техническим способам и средствам защиты относятся Изоляция токоведущих частей, рабочая изоляция должна быть рассчитана на перегрузку 2-3 раза. Применяется двойная и одинарная изоляция Оградительные устройства (экраны, кожухи) Электрическое разделение сетей (для уменьшения емкостной составляющей) Применение малых напряжений (до 42В) Применение средств электрозащиты Блокировка – предотвращают случайные попадания под токоведущие части. Бывает как механическая, так и электрическая. Сигнализация и знаки безопасности. Для предупреждения персонала о наличии или отсутствии напряжения на электроустановке. Бывает звуковое и световое. Знаки безопасности делятся на предупреждающие, запрещающие, предписывающие и указательные 8.Защитное заземление Зануление Защитное отключение Это преднамеренное электрическое соединение с землей или ее эквивалентом металлических нетоковедущих частей, которые могут оказаться под напряжением. Назначение: устранение опасности электропоражения при замыкании на корпус оборудования Принцип действия: уменьшение до безопасных значений напряжение прикосновения Применение: 3х-фазные 3х-проводные сети с изолированной нейтралью при напряжении до 1000 В. Rз << Z Rз = 1...10 Ом Заземлители могут быть естественные и искусственные Одиночный заземлитель обычно не применяется Rз > 8 Ом Применяется групповое заземление При U до 1000В Р > 100кВт Р<100 кВт Rз доп < 4 Ом Rз доп 10 Ом U выше 1000 В Rз доп = 250 \ Iз Зануление. Это преднамеренное электрическое соединение с нулевым защитным проводником металлических нетоковедущих частей, кт превращает замыкание на корпус в однофазное короткое замыкание. В результате чего срабатывает защитный элемент и размыкает фазу. Применяют в 3х-фазной 4х-проводной сетью с заземленной нейтралью. Если применяется плавкий предохранитель Iуст = 3 Iном При электромагнитной или электронной защите Iуст = 1.2...1.4 Iном Защитное отключение.. Быстродействующая защита, обеспечивающая автоматическое отключение установки в случае возникновения опасности электропоражения. Применяется в тех случаях, когда все другие виды защиты ненадежны, трудно осуществимы или когда предъявляются повышенные требования безопасности. Время срабатывания – сотые и тысячные доли секунды. В состав входит датчик и автоматический размыкатель. В зависимости от типа сигнала на кт реагирует датчик устройства могут быть реагирующие на напряжение на корпусе, ток короткого замыкания, напряжение и токи нулевой последовательности. Нормирование предельно-допустимых значений напряжений и токов ГОСТ 12.1.038 – 82 Это значение устанавливаются в зависимости от режимы работы, от рода тока, от частоты. Значение устанавливается в зависимости от времени. Правовые вопросы обеспечения безопасности жизнедеятельности. Одним из условий обеспечения безопасности жизнедеятельности является выполнение требований правовых и нормативно-технических документов, регламентирующих такую деятельность. Основные законодательные документы. Высшим законодательным актом Российской Федерации, в котором отражены вопросы безопасности жизнедеятельности, является Конституция Российской Федерации. Конституционные принципы охраны труда отражены в статье 37 : “Каждый имеет право на труд в условиях ,отвечающих требованиям безопасности и гигиены”. Вопросы охраны окружающей среды отражены в статье 42: “Каждый имеет право на благоприятную окружающую среду, достоверную информацию о её состоянии и возмещение ущерба, причинённого здоровью или имуществу экологическими правонарушениями”. Законодательство РФ об охране труда состоит из соответствующих статей Конституции РФ, основ законодательства РФ об охране труда и издаваемых в соответствии с ними нормативных актов, кодекса законов о труде (КЗоТ РФ). Основы законодательства РФ об охране труда (далее сокращённо “Основы”) устанавливают гарантии осуществления права работника на охрану труда и обеспечивают единый порядок регулирования отношений в области охраны труда между работодателями и работниками на предприятиях, в учреждениях и организациях всех форм собственности и направлены на создание условий труда, отвечающих требованиям сохранения жизни и здоровья работников в процессе трудовой деятельности. Основные положения основ законодательства РФ об охране труда. Статья 3: устанавливает основные принципы государственной политики в области охраны труда. Основными направлениями государственной политики в области охраны труда являются: Признание и обеспечение приоритета жизни и здоровья работников, по отношению к результатам деятельности предприятий. Государственное управление деятельностью в области охраны труда. Проведение эффективной налоговой политики, стимулирующей создание безопасных условий труда. Применение экономических санкций в целях соблюдения предприятиями и работниками нормативных требований по охране труда. Обязательное расследование каждого несчастного случая и профессионального заболевания на производстве. Установление компенсации и льгот за тяжёлые работы, работы с вредными и опасными условиями труда. Защита интересов работников пострадавших от несчастных случаев на производстве или получивших профессиональные заболевания. Статья 4: устанавливает гарантии права работника на охрану труда. Каждый работник имеет право на охрану труда, в том числе: на рабочее место, защищённое от воздействия опасных и вредных факторов; возмещение вреда, причинённого увечьем или профессиональным заболеванием, связанным с невыполнением трудовых обязанностей; получение достоверной информации от работодателя о состоянии условий труда на рабочем месте, о существующем риске повреждения здоровья; обеспечение средствами защиты за счёт работодателя; обучение безопасным методам труда за счёт средств работодателя. В соответствии со статьёй 8 возлагается ответственность за состояние условий и охраны труда работодателя. Статьи 9 и 10: определяют обязанности соответственно работодателя и работника по обеспечению охраны труда на предприятии. В статье 16: установлен экономический механизм обеспечения охраны труда. Статьёй 19 установлена ответственность работодателя за вред, причинённый здоровью работника трудовым увечьем, а статьёй 20 ответственность предприятий за невыполнение требований по созданию безопасных условий труда. Организация охраны труда на предприятии. В соответствии со статьёй 8 “Основ”, ответственность за состояние условий и охраны труда на предприятии возлагается на работодателя в лице руководителя. Работодатель несёт ответственность за вред, причинённый здоровью работника трудовым увечьем. По отдельным подразделениям такая ответственность возлагается на руководителей подразделений. Работодатель обязан обеспечить: Безопасность при эксплуатации производственных зданий, сооружений, оборудования, безопасность технологических процессов и материалов, эффективную эксплуатацию средств защиты. Условия труда на каждом рабочем месте в соответствии с требованиями законодательства об охране труда. Режим труда и отдыха работников, установленный законодательством. Выдачу спецодежды и средств индивидуальной защиты. Эффективный контроль за уровнем воздействия опасных и вредных факторов на здоровье работников. Возмещение вреда, причинённого работникам, связанным с исполнением трудовых обязанностей. Обучение инструктаж и проверку знаний работников. Информирование работников о состоянии условий и охраны труда на рабочем месте, о существующем риске повреждения здоровья и необходимых средствах индивидуальной защиты. Беспрепятственный допуск представителей органов государственного надзора и контроля для проведения проверок условий и охраны труда на предприятии, соблюдения законодательства об охране труда, а так же для расследования несчастных случаев и профессиональных заболеваний. Необходимые меры по обеспечению сохранения жизни и здоровья работников при возникновении аварийных ситуаций и оказанию первой помощи пострадавшим. Обязательное страхование работников от временной нетрудоспособности в следствии профессиональных заболеваний и при несчастных случаях. Наряду с работодателем (директором) ответственность за организацию и руководство работой по охране труда, её состояние несут должностные лица. Главный инженер несёт личную ответственность за работу всех подразделений предприятия в области охраны труда. Он осуществляет техническое руководство создания безопасных условий труда на всех рабочих местах, контролирует соблюдение стандартов безопасности труда, правил, норм и инструкций по охране труда. Начальник цеха (отдела, лаборатории и другого структурного подразделения) несёт ответственность за работу по охране труда в своём подразделении, создание безопасных условий труда. На него возлагается ответственность за случаи травматизма и профессиональных заболеваний, за невыполнение подчинёнными ему работниками своих обязанностей, правил и норм по охране труда, трудового законодательства. Для организации работы по охране труда на предприятии создаются службы охраны труда или привлекаются специалисты на договорной основе. На крупных предприятиях эти функции выполняют отделы охраны труда (ООТ) или бюро, на других эти функции возлагаются на инженеров по охране труда. Служба охраны труда – самостоятельное структурное подразделение предприятия, непосредственно подчинённое директору или главному инженеру. Обязанности работников службы охраны труда. Организация разработки мероприятий по охране труда в подразделениях и участие в их внедрении. Контроль за соблюдением законодательства по охране труда, состояния охраны труда на каждом рабочем месте. Участие в приёмке объектов и оборудования при вводе их в эксплуатацию. Расследование причин аварий и несчастных случаев. Права работников службы охраны труда. Право выдачи указаний руководителям подразделений в виде предписаний об устранении недостатков и нарушений правил безопасности. Право запрещать работу (через администрацию) на отдельных производствах, участках и агрегатах в условиях явно опасных для жизни и здоровья работающих. Право привлекать через администрацию нарушителя к дисциплинарной ответственности. Обязанности работника по обеспечению охраны труда на предприятии. Согласно статьи 10 «Основ» работник обязан: Соблюдать нормы, правила и инструкции по охране труда. Правильно применять средства защиты. Немедленно сообщать своему непосредственному руководителю о несчастных случае происшедшим на производстве, о признаках профессионального заболевания, а также о ситуациях, которые создают угрозы для жизни и здоровья. Инструктаж по охране труда и его виды. Все работники предприятий обязаны проходить обучение, инструктаж и проверку знаний правил, норм, инструкций по охране труда в порядке и в сроки, установленные для определенных видов работ. Обязанность проведения инструктажа и обучения безопасным методам работы возлагается на работодателя (статья 12 «Основ»). Существуют следующие виды инструктажа : Вводный. Первичный на рабочем месте. Повторный. Внеплановый. Текущий. Вводный инструктаж – проходят все вновь поступающие на предприятие, а также командированные и учащиеся, прибывшие на практику. Первичный инструктаж на рабочем месте – проводят со всеми вновь принятыми, переведенными из одного подразделения в другое, командированными. Повторный инструктаж – проводится не реже, через 6 месяцев для восстановления в памяти работающего правил по охране труда. Внеплановый – проводят при изменении технологического процесса, изменения правил по охране труда, внедрение новой техники, нарушение работниками требований безопасности труда, при перерывах работы. Текущий – проводят с работниками перед производством работ повышенной опасности, на которые оформляется допуск – наряд. Надзор и контроль за соблюдением законодательства, правил и норм по охране труда. В соответствии со статьей 3 «Основ» установлен государственным надзором и контроль за соблюдением законодательных и других нормативных актов об охране труда и общественный контроль за соблюдением законных прав и интересов работников в области охраны труда. Государственный надзор и контроль осуществляется федеральными органом надзора за охраной труда, а также соответствующими органами субъектов федерации. Государственный надзор и контроль за соблюдением законодательства РФ о труде и охране труда осуществляется Федеральной инспекцией труда РФ (Рострудинспекция) и подведомственными ей государственными инспекциями труда республик, краёв, областей, районов, городов. Руководителем Рострудинспекции является Главный государственный инспектор труда Российской Федерации, назначаемый и освобождаемый от управления Президентом РФ. Государственный санитарно-эпидемиологический надзор за соблюдением предприятиями, организациями гигиенических норм и санитарно-гигиенических правил осуществляется Государственным комитетом санитарно- эпидемиологического надзора РФ и территориальным учреждениями государственной санитарно-эпидемиологической службы. Государственный надзор в угольной, горнорудной, нефтеперерабатывающей, газодобывающей промышленности, а также надзор за устройством и безопасной эксплуатацией всех видов подъёмных устройств, сосудов, работающих под давлением осуществляется Федеральным горным и промышленным надзором РФ. Госэнерго надзор РФ – государственный энергетический надзор осуществляет государственный надзор за техническим состоянием и безопасным обслуживанием электростанций, электро и теплоустановок. Госпожнадзор РФ – государственный пожарный надзор. Осуществляет надзор пожарной безопасности объектов. Государственный комитет по стандартизации метрологии и сертификации осуществляет надзор за соблюдением стандартов безопасности труда. Общественный контроль за охраной труда. Общественный контроль за соблюдением законных прав и интересов работников в области охраны труда осуществляют профсоюзы, при которых создаются комиссии по охране труда или другие соответствующие органы. На предприятиях общественный контроль осуществляют уполномоченные лица по охране труда ( например : старший общественный инспектор по охране труда ). Ответственность за нарушение законодательства, правил и норм по охране труда. Статья 26 «Основ» устанавливает, что работодатели и должностные лица, виновные в нарушении законодательных и других нормативных актов об охране труда, препятствующие деятельности органов государственного надзора и общественного контроля, могут привлекаться к административной, дисциплинарной и уголовной ответственности. Статья 27 «Основ» устанавливает, что работники предприятий за нарушение требований нормативных документов по охране труда могут привлекаться к дисциплинарной, материальной и уголовной ответственности в порядке, установленным законодательством РФ. Виды юридической ответственности. Дисциплинарная – ответственность перед администрацией в порядке подчинения . Санкции – замечание, выговор, перевод на нижеоплачиваемую работу ( до 3-х месяцев рабочих и служащих и до 1 года должностных лиц), уведомление. Административная – ответственность перед органами государственного надзора. Санкции- предупреждения, штраф налагаемые органами государственного надзора. Материальная – возмещение суммы ущерба. Уголовная – штраф, увольнение, исправительные работы, лишение свободы. Расследование и учет несчастных случаев на производстве. Одним из основных принципов государственной политики в области охраны труда является обязательное расследование каждого несчастного случая и профессионального заболевания на производстве. Расследование проводит в соответствии с « Положением о порядке расследования и учета несчастных случаев » (далее «Положение»). «Положение» устанавливает единый порядок расследования и учета несчастных случаев на производстве, обязательный для предприятий, учреждений и других организаций всех форм собственности. В соответствии с «Положением» расследованию и учету подлежат несчастные случаи, а также травмы, полученные в результате нанесения телесных повреждений другим лицом, острое отравление, тепловой удар, обморожение, утопление, поражение молнией, ионизирующим излучением, повреждения полученные в результате взрывов, аварий, разрушения зданий, сооружений, стихийных бедствий и других чрезвычайных ситуаций, повлекших за собой необходимость перевода работника на другую работу, утрату работоспособности (временную или постоянную), либо смерть, которые произошли при выполнении работником своих трудовых обязанностей на территории организации или вне ее, а также во время следования к месту работы или с работы на транспорте, предоставленном организацией. Расследованию подлежат также несчастные случаи, которые произошли перед и по окончании работ, при выполнении работ в сверхурочное время, в выходные и праздничные дни. Однако, не все несчастные случаи, расследуемые в соответствии с «Положением» , квалифицируются как связанные с производством. Случай не считается связанным с производством, если в момент травмы действия пострадавшего не соответствовали правилам внутреннего порядка. Если несчастный случай, происшедший в организации, признан не связанным с производством, то за такой несчастный случай администрация ответственности не несет, а назначение и выплата пособий по нетрудоспособности производится в обычном порядке. Порядок расследования несчастных случаев. О каждом несчастном случае пострадавший или очевидец должен сообщить своему непосредственному руководителю ( например: мастеру или цеховой структуре). Мастер должен организовать первую помощь пострадавшему, направить его в медицинский пункт и сообщить своему вышестоящему начальнику – начальнику цеха. При этом он должен по возможности сохранить обстановку, при которой произошел несчастный случай. Начальник цеха обязан сообщить о несчастном случае руководителю предприятия, в профсоюзный комитет и в отдел охраны труда. Руководитель незамедлительно создает комиссию по расследованию в составе: Руководитель подразделения (начальник цеха, бюро, отдела). Инженер по охране труда. Представитель профсоюзного органа. Комиссия расследует несчастный случай в течение трех суток, выясняет причины, разрабатывает мероприятия и составляет акт «Н-1». Этот акт вместе с документами о расследовании направляется руководителю предприятия. Руководитель обязан утвердить его в течение трех суток, принять меры по устранению причин, вызвавших несчастный случай. Оформление и учет несчастных случаев. Каждый несчастный случай, который вызвал потерю трудоспособности на один рабочий день и более, перевод на другую (более легкую) работу или смерть, оформляется актом по форме «Н-1» в двух экземплярах, а при групповом несчастном случае – на каждого пострадавшего. Если несчастный случай произошел с работником другой организации, то акт по форме «Н-1» составляется в трех экземплярах, два из которых вместе с остальными материалами направляется в организацию, работником которой являлся пострадавший. В акте «Н-1» должны быть подробно изложены обстоятельства и причины несчастного случая, а также указаны лица, допустившие нарушение нормативных требований по охране труда. Акт «Н-1» подписывается членами комиссии и утверждается работодателем в течение трех дней. Один экземпляр акта выдается пострадавшему (его доверенному лицу) или родственникам погибшего, не позднее трех дней после расследования. Второй экземпляр хранится в организации вместе с материалами расследования 45 лет. Каждый несчастный случай, оформленный актом «Н-1» включается в статический отсчет о травматизме на производстве. Результаты расследования руководством в целях разработки мер по предупреждению аналогичных несчастных случаев. Методы учета и анализа несчастных случаев. Для анализа несчастных случаев на производстве применяют следующие методы: Статистический; Групповой; Топографический; Монографический; Статистический метод. Этот метод позволяет определить общую картину состояния травматизма и его динамики за каждый период. Для оценки уровня травматизма пользуются относительными статистическими показателями: -Коэффициентом частоты Кч Кч=(N/P)*1000 Коэффициент частоты определяет число несчастных случаев, приходящихся на 1000 работающих за определенный календарный период. N – количество несчастных случаев за рассматриваемый период; Р – среднесписочное число работающих; -Коэффициент тяжести Кт: Кт=(Т/N) , где Т – суммарное число дней нетрудоспособности. Кт – характеризует среднюю продолжительность, приходящуюся на один несчастный случай. -Интегральный коэффициент Ки =Кч*Кт Групповой метод На основании актов «Н-1» , Кч и Кт определяются группы пострадавших по профессии, характеру работ, возрасту, повреждениям и т.д. Позволяет определить группы людей, на которые падает число несчастных случаев. Топографический метод. Данный метод изучает причины и обстоятельства, при которых произошли несчастные случае по месту их происшествия с целью выявления участков повышенной травмоопасности. Монографический метод. Этот метод включает детальное исследование всего комплекса условий труда, в которых произошел несчастный случай: трудового и технологического процесса, рабочего места, оборудования, выявляет скрытые опасные факторы. 1
Выводы
Технические способы и средства защиты от поражения электрическим током
Защитное заземление.
,
Характеристики
Тип файла документ
Документы такого типа открываются такими программами, как Microsoft Office Word на компьютерах Windows, Apple Pages на компьютерах Mac, Open Office - бесплатная альтернатива на различных платформах, в том числе Linux. Наиболее простым и современным решением будут Google документы, так как открываются онлайн без скачивания прямо в браузере на любой платформе. Существуют российские качественные аналоги, например от Яндекса.
Будьте внимательны на мобильных устройствах, так как там используются упрощённый функционал даже в официальном приложении от Microsoft, поэтому для просмотра скачивайте PDF-версию. А если нужно редактировать файл, то используйте оригинальный файл.
Файлы такого типа обычно разбиты на страницы, а текст может быть форматированным (жирный, курсив, выбор шрифта, таблицы и т.п.), а также в него можно добавлять изображения. Формат идеально подходит для рефератов, докладов и РПЗ курсовых проектов, которые необходимо распечатать. Кстати перед печатью также сохраняйте файл в PDF, так как принтер может начудить со шрифтами.
















