magisterLec4 (558854)
Текст из файла
Формирователь смещения на затвор каскадного транзистора без использования резистора.
Рис. 4-1:
Формирователь смещения без использования резистора.
Пусть режимные токи в усилителе и в формирователе одинаковы и равны I0. В этом случае пусть N1=N2=N3. Выбором параметра
N4 необходимо добиться равенства VB=VA.
Также: V=B = V=A = m(V=ВХ – VTO) (2)
V=C
VЗАТВ.(N2) = V=A + VTH(N2;N3) {порог с учетом смещения VB подложки} +
{= (V=ВХ – VTO)} (3)
Подставляем в (1) выражения (2) для VB и (3) для VC и получаем
N4.
Чувствительность формирователя на Рис. 4-1 к наводкам от VВЫХ меньше чем для схемы с резистором. Наводка
ВЫХ на узел С изменяет потенциал затвора N4, в результате чего потенциал узла В изменяется в сторону, противоположную измерения потенциала узла С. Эффект иллюстрируется системой уравнений (для достаточно малого тока смещения
СМ через емкость С3С(N2), при котором крутизну N3 можно считать постоянной):
(1)
см = С3С(N2)
здесь не учитывается паразитная емкость узла В
Достоинство схемы формирователя без резисторов — также в уменьшении опасности (по сравнению с вариантом с резистором) перехода N1 в крутую область при изменении температуры T вследствие одинаковости зависимости от нее подвижности во всех транзисторах.
Итак, величина V=A = m(V=ВХ – VTO) выбирается исходя из следующих паразитных эффектов:
— комплексного воздействия VВЫХ усилителя как на узел С, так и непосредственно на узел В;
— разности порогов VTH транзисторов N2 и N3 вследствие естественного разброса параметров слоев;
— температуры.
Анализ передаточной ф—ции каскадного усилителя. Роль емкости в выходном узле:
Базовый каскадный усилитель, приведенный на рис. 4—1 является составной частью большинства ОУ. Основной плюс ОУ, разумеется, определяется большим выходным сопротивлением каскадного усилителя (в качестве нагрузки — также каскадная сборка). Ожидается, что в остальных узлах вых. сопротивл. будет небольшим, тем более, что это сопротивление в истоке транзистора, где, подобно истоковому повторителю, вых. сопрот. ожидается порядка
. Проверим это.
Рис. 4—6: схема базового каскадного усилителя с резистором RH в нагрузке.
Проведем расчет выходного сопротивления RВЫХ-А узла А.
Рис. 4—7: Эквив. схема для расчета RВЫХ-А:
Име-
ем схе-
му
уравнений:
Как уже упоминалось выше, нагрузка представляет собой каскадную пару транзисторов с параметрами, близкими к N1 и N2, т.е. RH = R2(g2R1).
Тогда RВЫХ-А =
— высокое сопротивление!!!
Если RН уменьшить до хотя бы R2, то тогда RВЫХ-А
— еще допустимо, но при этом к—нт усиления будет ниже в (g2R2) раз, т.е. потеряет смысл добавление каскадного транзистора.
Физически большое выходное сопротивление в истоке N2 получено из—за ограничения резистором нагрузки в стоке N2 тока, требуемого для протекания в N2 из-за изменения VA.
Спасением ситуации служит добавление к выходному узлу нагрузочной емкости CH, которая является накопителем заряда и которая поставляет этот заряд в канал N2 для протекания в нем тока. Иначе говоря, CH служит виртуальным источником питания на достаточно больших частотах, когда за период колебаний CH не успевает сильно разрядиться (зарядиться), и потенциал на CH остается приблизительно постоянным. Последнее как раз является формальным признаком того, что узел подключен к источнику питания т.е. к нулю для малого переменного сигнала большой частоты.
Кстати, требование достаточно высокой частоты не является искусственным. Вспомним, что опасность фазовых сдвигов появляется именно на больших частотах, т.е. именно на больших частотах необходимо иметь низкие сопротивления во всех узлах, кроме одного.
Далее искусственно добавлять CH также не требуется, поскольку каскадный усилитель всегда работает на какую—нибудь емкостную (!!!) нагрузку, что присуще КМОП ИС.
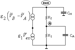
Итак, добавим к усилителю на рис. 4—10 нагрузочную емкость CH в выходной узел, а в узел А добавим паразитную емкость CА (см. рис. 4—12). Найдем передаточную функцию такого усилителя, а также полюса этой функции. Значения сопротивления в этих полюсах будут определять как бы эффективные выходные сопротивления в узлах на высоких частотах малого сигнала. Величину же сопротивления нагрузки RH предположим бесконечно большой, что лишь оттенит эффект от полезной роли CH.
Р
ис. 4—8: базовый каскадный усилитель с емкостью нагрузки CH и паразитной емкостью CА узла А.
Рис. 4—9: эквивалентная схема для расчета передаточной функции базового каскад-
ного усили-
теля.
Имеем систему уравне-
ний:
Получаем:
(ПРОМЕЖУТОЧНЫЕ ФОРМУЛЫ СМОТРИ НА ДОСКЕ )
=
здесь (g1R1)(g2R2) — максимальный к—нт усиления при ω<ω1. Обозначим (g1R1)(g2R2) = K0.
Мы не без основания ожидаем, что один полюс (основной) оценивается величиной
, где R2(g2R1) — выходное сопротивление выходного узла. Другой полюс (неосновной) оценим как
, где
— есть выходное сопротивление узла А. Отношение полюсов
.
Как правило, СН>>СА, поскольку СА — всего лишь паразитная емкость в истоке N2, (см. ниже), а
СН достаточно велика. К тому же (g2R1)>>1, так что
>>>1.
Имея это виду, запишем
. Итак, сразу имеем
= (g2R2)(СНR1), а P1 =
, как и ожидал R1 R2 CH CA Также
= (САR1)(СНR2). Поскольку P1 известен, получаем P2=
, что также ожидали.
Итак: в каскадном усилителе имеем действительные полюса, очень сильно отличающиеся по величине, что дает возможность предполагать, что частота неосновного полюса
больше частоты ωЕ единичного усиления. И это предположение правильное!!!
В самом деле, ωЕ = ω1K0 =
Как правило, g2 >= g1, а СН всегда больше СА! Следовательно, ωH1 > ωЕ!
Оценим величину СА: СА = СPN + C3И(N2) + C3C(N2) (см. рис. 4—10 НА ДОСКЕ). СPN — емкость P-N перехода в промежутке между N1 и N2. Ширина полоски этого перехода — минимальна, поскольку равна топологической норме минимального расстояния между поли Si затворами. Площадь этого перехода
в 2.5…3 раза меньше площади N+ дифф. области на выходе усилителя и еще в 7…9 раз меньше площади P+ дифф. области на выходе усилителя (паразитные емкости обоих, N+ и P+, областей, входят в суммарную емкость СH).
С3И(N2) = С0W(L — 2LD) + C0WLD = C0W(L — LD) — даже без специально сформированной полезной нагрузочной емкости как правило меньше входной емкости какого-либо усилителя.
Итак, всегда СН > CA и, следовательно, ωН1 > ωE.
Концепция активного каскадного транзистора.
Приведем пример того, как добавление в нужном месте базового каскадного усилителя дополнительно усилителя с к—нтом усиления КА, позволяет в КА раз улучшить хар—ки. Для простоты предположим, что во всем, кроме конечности к—нта усиления, дополнительный усилитель является идеальным. На рис. 4—11 приводится схема базового каскадного усилителя с активным каскадным транзистором.
Рис. 4—11: базовый каскадный усилитель с активным каскадным транзистором.
Рис. 4—12: эквивалентная схема усилителя.
Малый переменный ток, текущий в N2, равен:
=
=
Итак, результат эквивалентен увеличению крутизны N2 в кА+1
кА раз, поэтому к—нт усиления усилителя также увеличивается в кА раз: к0 = кА(g1R1)(g2R2).
На самом деле дополнительный усилитель не идеальный, он содержит каскад с высоким выходным сопротивлением. Другими словами, если дополнительный усилитель является простейшим, даже не каскадным, требуется найти и проанализировать передаточную функцию 3го порядка. На рис. 4—12 приведена простейшая (базовая) схема усилителя с активным каскадным транзистором.
Рис. 4—12:
СА — пара-
зитная ем-сть узла А
СВ — паразитная ем-сть узла В
Что можно ска-
зать:
-
выходное сопротивление дополнительного усилителя должно быть
, поскольку по переменному току затвор N3 через повторитель на N2 закорочен на свой сток, т.е. выход усилителя на базе N3. Вследствие этого полюс, ассоциируемый с узлом В, должен быть порядка
(в первом приближении); -
эффективная крутизна N2 должна быть больше своего номинального значения g2 благодаря усилителю на базе N3 (расчет показывает, что больше в (g3R3) раз). Соответственно полюс, ассоциируемый с узлом А, будет
, т.е. очень большим; -
усиление всего усилителя должно быть больше, чем (g1R1)(g2R2). Расчет автора этих строк показывает:
; -
расчет автора этих строк показывает, что существует нуль в отрицательной полуплоскости, равный
.
Характеристики
Тип файла документ
Документы такого типа открываются такими программами, как Microsoft Office Word на компьютерах Windows, Apple Pages на компьютерах Mac, Open Office - бесплатная альтернатива на различных платформах, в том числе Linux. Наиболее простым и современным решением будут Google документы, так как открываются онлайн без скачивания прямо в браузере на любой платформе. Существуют российские качественные аналоги, например от Яндекса.
Будьте внимательны на мобильных устройствах, так как там используются упрощённый функционал даже в официальном приложении от Microsoft, поэтому для просмотра скачивайте PDF-версию. А если нужно редактировать файл, то используйте оригинальный файл.
Файлы такого типа обычно разбиты на страницы, а текст может быть форматированным (жирный, курсив, выбор шрифта, таблицы и т.п.), а также в него можно добавлять изображения. Формат идеально подходит для рефератов, докладов и РПЗ курсовых проектов, которые необходимо распечатать. Кстати перед печатью также сохраняйте файл в PDF, так как принтер может начудить со шрифтами.
















