Схемотехника ЭВМ0 (558136), страница 6
Текст из файла (страница 6)
Третий вариант схемы сумматора можно получить, реализуя функцию
с помощью элементов «Сложения по модулю два», а функцию переноса преобразуем к виду:
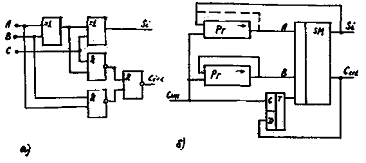
Соответствующая схема сумматора показана на рис. 8.1, а. Эта схема содержит минимальное число элементов и Соединений, потребляет мощность
и имеет задержки переключения
и
Рис. 8.1
В эквивалентности данных функций, приведенных выше, нетрудно убедиться. Кроме того, необходимо помнить, что комбинационный сумматор не обладает свойством памяти, коды слагаемых поступают на входы сумматора одновременно, выходные сигналы вырабатываются только во время действия входных сигналов.
Быстродействие одноразрядного комбинационного сумматора характеризуется временем установления выходных сигналов суммы и переноса после подачи входных сигналов. Наиболее важным с точки зрения быстродействия является время формирования сигнала переноса, так как при образовании многоразрядного сумматора из одноразрядных схем сигнал переноса может распространяться от разряда к разряду.
Одноразрядные комбинационные сумматоры часто используются для сложения последовательных кодов чисел (рис. 8.1, б), при этом слагаемые размещаются в сдвигающих регистрах и поразрядно передаются в сумматор, начиная с младшего разряда. Выработанный разряд суммы поступает на сдвигающий регистр результата, а перенос задерживается на время сдвига и затем поступает в сумматор одновременно с цифрами разряда слагаемых.
Четырехразрядный комбинационный сумматор с одновременным переносом. Перепишем уравнения i-ro разряда сумматора в несколько ином виде:
Введя дополнительные функции:
– функцию генерирования переноса и
– функцию распространения переноса, получим:
Запишем уравнения для суммы и выходного сигнала переноса четырехразрядного сумматора с одновременным переносом:
Важно, что все эти уравнения могут быть записаны в виде выражений, в который входят только, значения входных сигналов
и
четырехразрядного сумматора, т.е. в этой схеме осуществляется предварительное формирование сигнала переноса
. Этот тип сумматора называют сумматором с одновременным (параллельным) переносом.
Задание
-
Собрать схему одноразрядного комбинационного сумматора, проверить его функционирование в соответствии с табл. 8.1, определить быстродействие.
-
Составить и собрать схему комбинационного сумматора для сложения последовательных кодов трехразрядных чисел (с использованием двух трехразрядных сдвигающих регистров и триггера-задержки переноса).
Порядок выполнения работы
-
Провести коммутацию исследуемой схемы.
1.1 провести коммутацию одноразрядного комбинационного сумматора (рис. 8.1. а), выходы
и
подключить на лампочки индикации
. Подавая с переключательного регистра
переменные
и
,
и
,
и
, проверить правильность функционирования сумматора по его таблице истинности (табл. 8.1);
1.2 собрать две схемы трехразрядного сдвигающего регистра РгА и РгВ на триггерах типа D или j-k c цепью циклического переноса (подробнее см. работу №5). Сигнал синхронизации (ГОИ) подать одновременно на все шесть входов С триггеров. Записав в сдвигающие регистры код 100 (с использованием входа
), проверить правильность работы регистров по лампочкам индикации;
1.3 закоммутировать триггер-задержку D, для чего на его вход С подать общий со сдвигающими регистрами сигнал синхронизации ГОИ, а на вход D — сигнал
с выхода комбинационного
сумматора;
1.4 собрать полную схему последовательного сумматора (рис. 8.1, б) для чего перекоммутировать соединения с выходов переключательных регистров Т5 на выход РгА (3-й разряд), Т6 — на выходы РгВ, T7 - на выход триггера D. Разорвать цепь циклического переноса РгА и на его выход D подать сигнал с выхода сумматора Si;
1.5 записать в регистр РгА код первого числа, в регистр РгВ — код второго числа и осуществить операцию сложения, нажимая три раза на кнопку ГОИ. При этом на регистре РгА будет зафиксирована сумма, а на регистре РгВ сохранится код второго числа.
1.6 переключив вход синхронизации с ГОИ на СИ1, снять осциллограмму работы сумматора. Для этого один вход осциллографа подключить на выход регистра РгА, а другой — сначала на выход переноса pi, а затем на выход регистра РгВ (осциллограф при этом должен находиться в режиме внешней синхронизации, синхронизация осуществляется от регистра РгВ с цепью циклического переноса).
2. Поверить работу схемы, найти и устранить неисправности. Правильная работа сумматора может быть установлена только после подачи на вход каждого разряда всех наборов входных переменных, поэтому проверку сумматора следует проводить в таком порядке:
2.1 задать код первого слагаемого 11, код второго слагаемого — 00 (или 111, 000). Подать со схемы ГОИ два сдвинутых по времени сигнала (один на входы R, а второй на входы С). Первый сигнал установит регистр хранения суммы “0” и выдаст слагаемые на сумматор. Второй сигнал запишет результат операции в регистр суммы. Результат выполненной операции проверяется по индикаторным лампочкам регистра суммы (или сумматора). При неверном результате в каком-либо разряде необходимо устранить неисправность. Для этого сначала проверяют коммутацию схемы. Если коммутация верна, то фиксируют состояние данного разряда сумматора и проверяют значения сигналов на входах и выходах логических элементов, относящихся к неисправному разряду;
2.2 повторить п.2.1 для кодов первого слагаемого 001 и 000. При правильном полученном результате приступить к проверке цепи распространения переноса;
2.3 для проверки цепи переноса установить коды 001 и 001. После подачи с ГОИ двух сигналов проверить полученный результат. В случае ошибки поступают по аналогии с п.2.1. Указанные действия повторить для кодов 010 и 010, 106 и 100;
2.4 повторить п.2.3 для кодов 001 и 011, 011 и 001 и т.д.
3. Проверить работу сумматора в динамическом режиме. Для этого на исследуемую схему подать сигналы от СИ.
Экспериментально определить время, суммирования и время задержки сигнала переноса для исследуемой схемы сумматора:
3.1 осциллограф синхронизировать импульсом выдачи кодов слагаемых на сумматор (РгВ);
3.2 установить коды первого 110 и второго 001 слагаемых;
3.3 измерить время задержки сигнала переноса от начала развертки до момента появления сигнала переноса с выхода старшего разряда;
3.4 полное время суммирования измерить от начала развертки до момента установления окончательной суммы в старшем разряде;
3.5 полученный результат сверить с расчетным.
Содержание отчета
1. Функциональные схемы исследуемых сумматоров.
2. Временная диаграмма работы сумматора.
3. Экспериментальные оценки времени суммирования и задержки сигнала переноса.
4. Анализ полученных результатов и выводы.
5. Подпись выполнявшего работу.
Контрольные вопросы
-
Какие типы сумматоров вы знаете?
-
Объясните работу сумматоров.
-
Каковы причины построения цепи распространения сигнала переносов в параллельном сумматоре?
-
Чему равна минимальная задержка переноса в одноразрядном сумматоре
-
Как определить быстродействие сумматора?
-
Какая схема сумматора имеет наибольшее быстродействие?
-
Какая схема сумматора имеет минимальное оборудование?
-
Определить неисправность в схеме.
Работа №9. Исследование принципов
построения компараторов
Цель работы: изучить структуры и исследовать работу компараторов.
Компараторы (устройства сравнения кодов) выполняют микрооперацию определения отношения между двумя символами. Основными отношениями принято считать «равно» и «больше». Другие отношения могут быть определены через основные. Так, признак равенства слов можно получить как отрицание признака равенства (
), отношение «меньше» путем перемены местами аргументов в функции
(
), а нестрогие неравенства согласно формулам:
Отношения широко используются как логические условия в микропрограммах, а также в устройствах контроля и диагностики.
Устройства сравнения на равенство строятся на основе поразрядных операций над одноименным разрядами обоих слов. Признак r равенства разрядов имеет единичное значение, если в обоих разрядах содержатся либо единицы, либо нули, т.е.
В свою очередь признак неравенства разрядов















