книга1234_2 (558021)
Текст из файла
СОДЕРЖАНИЕ
§ I. Введение………………………………………………………………………………
§ 2. Выбор и обоснование блок-схемы радиопередатчика………………………………
§ 3. Пример принципиальной схемы радиопередатчика с амплитудной модуляцией………
§ 4. Порядок технического расчета высокочастотных каскадов радиопередатчика………
§ 5. Общие вопросы расчёта режима работы транзистора на повышенных частотах……………
§ 6. Выбор типа транзистора………………………………………………………………
§ 7. Энергетический расчёт режима транзистора………………………………………………
§ 8. Расчёт элементов схемы питания транзисторного каскада……………
§ 9. Расчёт выходного каскада - мощного усилителя высокой частоты
10. Растёт каскада промежуточного усилителя высокой частоты ……
§ 11. Расчёт задающего генератора-автогенератора высокой частоты…………………………
§ 12. Дальнейший порядок проектирования…………
Приложения………………………………………………………………………………………
Литература………………………………………………………………………………………………………………………………………………
Роза Алексеевна Грановская
РАДИОПЕРЕДАТЧИК С АМПЛИТУДНОЙ МОДУЛЯЦИЕЙ НА ТРАНЗИСТОРАХ
Редактор Л.М.Коршунова техн.редактор А.Г.Мухина Л.75119 от 29/1-1973 г."объем 5.75 печ.л'
Зак. /6136Цена 23 коп. Тираж 1
1. ВВЕДЕНИЕ
Данное руководство содержит рекомендации по выбору блок-схемы и порядок технического расчета каскадов транзисторных радиопередатчиков малой и средней мощности с амплитудой модуляцией, работающих в коротковолновом диапазоне волн и длинноволновой части ' диапазона у.к.в. (>3м.). Предлагаемые рекомендации основаны на теоретическом материале, изложенном в учебнике проф. М.С. Неймана "Курс радиопередающих устройств" гл. УП ("Советское радио", 1965ц)
Для облегчения расчетов каскадов радиопередатчика в руководстве приведены таблицы параметров некоторых отечественных транзисторов и ряд вспомогательных таблиц и графиков.
В подготовке материалов к данному руководству принимал участие ст. инженер кафедры 406 Матосов М.М. Автор благодарит проф. Неймана М.С. доцентов Андреевского М.Н. и Телятникова Л.И., просмотревших рукопись и давших ценные советы по улучшению методической части данного руководства.
§ 2.ВЫБОР И ОБОСНОВАНИЕ БЛОК-СХМЫ РАДИОПЕРЕДАТЧИКА
В задании на курсовой проект обычно указываются полезная мощность пол* радиопередатчика в режиме несущих колебаний, рабочая частота(длина волны) или диапазон частот (длин волн), род работы, назначение радиопередатчика, вид питания (от сети переменного тока или батарейное),.сопротивление нагрузки, Интервал температур окружающей среды. В некоторых случаях оговаривается стабильность частоты радиопередатчика, максимальный коэффициент нелинейных искажений и др., также конструктивные требования, например, требуемая форма, габариты радиопередатчика и прочее
На первом этапе проектирования радиопередатчика производится анализ и уточнение предъявляемых к нему технических требований, указанных в задании, и на основании этого анализа выбирается и обосновывается блок-схема радиопередатчика.
Чаще всего разнообразные технические требования к радиопередатчику удается удовлетворить, строя передатчик по сложной схеме (рис,2,1). Подобная схема обычно включает в себя сравнительно маломощный автогенератор, являющийся задающим генератором, промежуточный усилитель, состоящий из одного иди нескольких каскадов, и выходной каскад - мощный усилитель.
_______________
* Под пол подразумевается мощность, выделяемая в нагрузке,
которой обычно является входное сопротивление антенны либо фидера,
связывающего радиопередатчик с антенной.
П
ромежуточный. усилитель обеспечивает, мощность, необходимую для возбуждения мощном усилителя, а также позволяет уменьшить влияние изменения режима мощного усилителя на работу автогенератор и тем самым способствовать повышению стабильности частоты колебаний автогенератора. Число каскадов промежуточного усилителя зависит от величин мощности, необходимой для возбуждения мощного усилителя, от величины выходной мощности и коэффициента усиления каждого каскада радиопередатчика и от требований к стабильности частоты автогенератора.
При выборе количества каскадов промежуточного усилителя желательно ограничиться меньшим их числом. Нередко при амплитудной модуляции удаётся обойтись однокаскадной схемой промежуточного усилителя. Окончательное число каскадов промежуточного усилителя уточняется при техническом расчете радиопередатчик
В тех случаях, когда о: радиопередатчика требуется полезная мощность, которую нельзя обеспечить одним транзистором, в выходном каскаде можно использовать двухтактную или параллельную работу транзисторов.
Выбор блок-схемы радиопередатчика предполагает также выбор вида модуляции с учетом заданного рода работы. При работе радиопередатчика в режиме амплитудно-модулированных колебаний возможна коллекторная модуляция, модуляция на базу иди комбинированная коллекторно-базовая модуляция [3], осуществляемая, как правило, в последних каскадах.. Модуляция на базу смещением достаточно проста в осуществлении, требует маломощного модулятора, но отличается существенной нелинейностью статической модуляционной характеристики (рис.2.2). Кроме того, при модуляции на базу выходной каскад работает в недонапряжённом режиме, что снижает его к.п.д.
При коллекторной модуляции получается более линейная статистическая модуляционная характеристика (рис.2.3), при этом выходной каскад работает в перенапряженной режиме и энергетические показатели его будут выше, чем при модуляции на базу. Однако при оценке энергетических показателей выходного каскада при коллекторной модуляции следует иметь в виду, что транзисторы не допускают на коллекторе напряжение, превышающее максимально допустимое напряжение, указываемое в паспорте. Поэтому при достаточно глубокой коллекторной модуляции приходится снижать постоянное напряжение на коллекторе примерно в 2 раза по сравнению со случаем базовой модуляции, вследствие чего колебательная мощность каскада при коллекторной модуляции будет примерно такой же, как и при базовой модуляции транзисторного каскада. Кроме того, при коллекторной модуляции требуется модулятор, мощность которого примерно равна выходной мощности в режиме несущих колебаний модулируемого каскада
В радиопередатчиках более широкое распространение получила коллекторная модуляция, позволяющая " получить более качественную глубокую модуляцию чем при модуляции на базу, особенно при коэффициенте модуляции >0,7. Однако и здесь надо иметь в виду, что при 1 минимальное напряжение на коллекторе приближается к нулю, импульс тока коллектора в течение некоторой части колебаний становится отрицательным, при этом коллекторный ток меняет свое направление на обратное (по сравнению с нормальным), а базовый ток резко возрастает.
Такой режим может оказаться опасным для транзистора и привести к выходу транзистора из строя, поэтому его следует избегать. Учитывая это, коллекторную модуляцию предпочитают осуществлять одновременно - на два последних каскада радиопередатчика. При этом в выходном каскаде используется базовое автосмещение, а в предыдущем - пониженная глубина коллекторной модуляции (или модуляция на базу). При таких условиях облегчаются режимы работы обоих каскадов. Выходной каскад в этом случае работает в режиме комбинированной коллекторно-базовой модуляции.
Для комбинированной коллекторно-базовой модуляции характерны линейная статическая модуляционная характеристика и режим работы транзистора при модуляции, близкий к граничному. Сравнительная сложность осуществления коллекторно-базовой модуляции затрудняет ее применение.
В маломощных радиопередатчиках с: целью уменьшения веса и габаритов аппаратуры целесообразно применение базовой модуляции смещением.
Модуляционное устройство радиопередатчика с амплитудной модуляцией в общем случае состоит из собственного модулятора (усилителя низкой частоты), непосредственно воздействующего на режим выходного каскада, и подмодулятора, осуществляющего предварительное усиление управляющего сигнала.
Расчет радиопередатчика ведется в такой последовательности:
а) расчет высокочастотного тракта;
б) расчет низкочастотного тракта;
в) расчет цепей питания;
г) конструктивный расчет основных элементов схемы. После расчета производится разработка конструкции отдельных блоков и всего радиопередатчика в целом.
_________________
*Расчет низкочастотного тракта при выполнении курсового проекта не производится.
§ 3. Пример принципиальной схемы радиопередатчик с амплитудной модуляцией
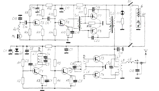
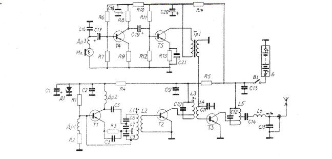
В качестве примера на рис.3.1 и 3.2 приведены принципиальные схемы радиопередатчиков с базовой и коллекторной модуляцией.
коротковолновый не перестраиваемый радиопередатчик с амплитудной базовой модуляцией смещением (рис.З,1)состоит из трех высокочастотных каскадов: задающего генератора, промежуточного усилителя, .мощного усилителя и модуляционного устройства.
Рис.3.1. Принципиальная схема радиопередатчика с базовой модуляцией смещением.
Задающий генератор-автогенератор, выполненный по схеме емкостной трёхточки, - собран на транзисторе Т . Частота автогенератора задается колебательным контуром L1 , C6, С7, C8, включенным не полностью в коллекторную цепь для уменьшения влияния изменения выходной емкости транзистора на частоту генерации. Первоначальная подстройка контура осуществляется изменением индуктивности L1 специальным сердечником. Связь задающего генератора со следующим каскадом - трансформаторная. Для повышения стабильности режима автогенератора стабилизировано напряжение коллекторного питания (D1, R1, C1) и применена стабилизация начальной рабочей точки транзистора при изменении температуры по схеме с третья резисторами R1,R2,RЗ, осуществляющими подачу комбинированного (фиксированного и автоматического) смещения на базу за счет тока от источника коллекторного напряжения и постоянной составляющей эмиттерного тока транзистора. Промежуточный усилитель собран на транзисторе Т2 по схеме с общим эмиттером. Каскад работает при нулевом смещении на базе. Коллекторный контур усилителя L3,C10 настроен на частоту . возбуждения и не полностью включен в цепь коллектора. Связь усилителя с выходным каскадом - трансформаторная.
Рис.3.2. Принципиальная схема радиопередатчика с коллекторной модуляцией
Выходной каскад - мощный усилитель — собран на транзисторе ТЗ по схеме с общий эмиттером. Коллекторный контур L5, С12 настроен на рабочую частоту радиопередатчика и автотрансформаторно связан с настроенным антенным контуром, образованным катушкой индуктивности L6 и частью катушки L5, конденсатором С15 и входным сопротивлением антенны Za Базовая модуляция смещением осуществляется подачей на базу транзистора Т3 модулирующего напряжения, снимаемого со вторичной обмотки трансформатора Тр1, включенного в коллекторную цепь выходного каскада модуляционного устройства.
Модуляционное устройство состоит из микрофонного усилителя и выходного каскада. Микрофонный усилитель собран на транзисторе Т4. Электродинамический микрофон - (Мк) подключен ко входу усилителя через фильтр Dp3,
С16, для предотвращения попадания напряжения высокой частоты радиопередатчика в модуляционное устройство В коллекторную цепь каскада включено сопротивление - резистор R8. Напряжение, снимаемое с R8, подается через разделительный конденсатор C19 на базу транзистора выходного каскада. Выходной каскад собран на транзисторе Т5 по схеме с общим эмиттером с трансформатором Тр1 в коллекторной цепи и работает в режиме А. Подача на базу транзисторов Т4, Т5 напряжения, необходимого для установления выбранного режима работы, и температурная стабилизация осуществляется по схеме стремя резисторами (R6, R7, R9, R11, R12, R13).
Характеристики
Тип файла документ
Документы такого типа открываются такими программами, как Microsoft Office Word на компьютерах Windows, Apple Pages на компьютерах Mac, Open Office - бесплатная альтернатива на различных платформах, в том числе Linux. Наиболее простым и современным решением будут Google документы, так как открываются онлайн без скачивания прямо в браузере на любой платформе. Существуют российские качественные аналоги, например от Яндекса.
Будьте внимательны на мобильных устройствах, так как там используются упрощённый функционал даже в официальном приложении от Microsoft, поэтому для просмотра скачивайте PDF-версию. А если нужно редактировать файл, то используйте оригинальный файл.
Файлы такого типа обычно разбиты на страницы, а текст может быть форматированным (жирный, курсив, выбор шрифта, таблицы и т.п.), а также в него можно добавлять изображения. Формат идеально подходит для рефератов, докладов и РПЗ курсовых проектов, которые необходимо распечатать. Кстати перед печатью также сохраняйте файл в PDF, так как принтер может начудить со шрифтами.















