Лаба1 (555331)
Текст из файла
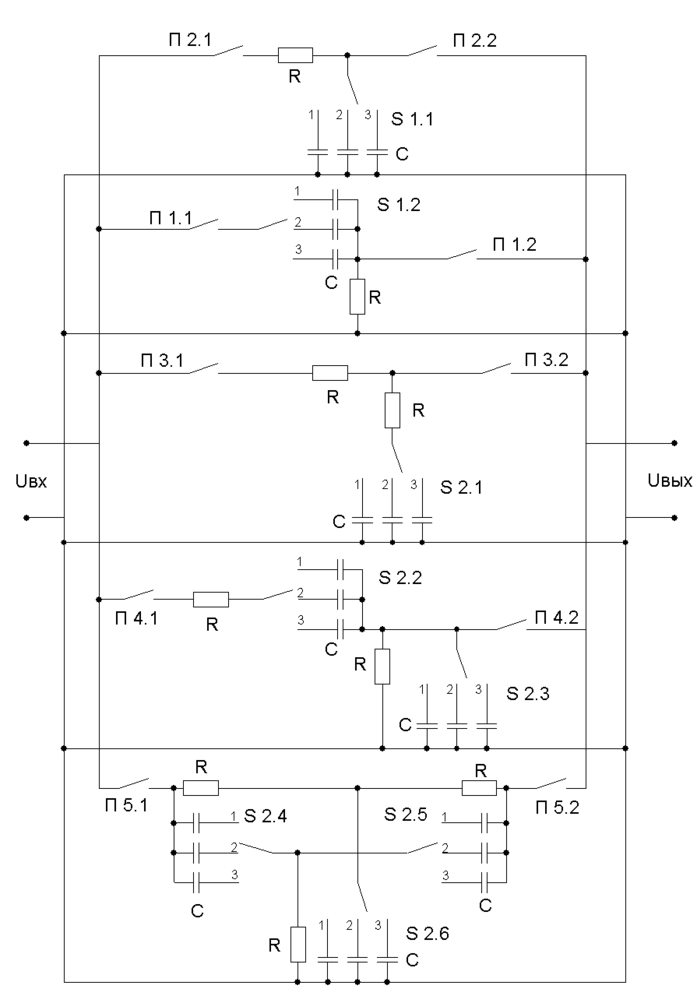
Лабораторная работа №1 (№55).
Исследование пассивных линейных LCR цепей.
Цель работы:
1) Ознакомление с характеристиками некоторых типов пассивных линейных цепей, содержащих LRC элементы.
2) Экспериментальное исследование прохождения различных электрических
колебаний через эти цепи.
Задание:
1) Снять и построить АЧХ дифференцирующей и интегрирующей, при трех значениях постоянной величины цепи. Определить граничные частоты.
2) По известным величинам R и C, рассчитать граничные частоты АЧХ. Сравнить расчетные и экспериментальные результаты.
3) Снять и построить АЧХ Т-моста для трех значений постоянной времени цепи. Определить полосу пропускания и добротность.
4) Снять и построить АЧХ двойного Т-моста, для трех значений емкостей в плечах моста (постоянной времени цепи).
5) Снять переходную характеристику цепей.
Ход работы:
В работе для всех цепей измеряем зависимость амплитуды выходного напряжения Uвых от частоты f входного напряжения Uвх.
Для дифференцирующей и интегрирующей цепей изменяем частоту от 100 Гц до 200 кГц, измерения проводим для трёх постоянных времени цепи.
Для двойного Т–моста следует сначала найти минимум коэффициента передачи, затем перестраивая частоту генератора в сторону увеличения и уменьшения в радиусе от 50 Гц до 200 кГц снять показания выходного напряжения.
Аналогичные действия проводятся для Т-моста, но там ищем максимум коэффициента передачи. Если для первых двух цепей мы ориентировались на частоту входного сигнала, то для Т-мостов мы снимаем частоту в зависимости от конкретной амплитуды сигнала.
Устанавливаем Uвх = 3…5 V.
| Таблица 1 – Дифиренцирующая цепь | ||||||||||||
| f (KHz) | 0,1 | 0,3 | 0,5 | 1 | 1,5 | 3 | 10 | 30 | 50 | 100 | 150 | 200 |
| S1 U (V) | 0,5 | 1,5 | 2,25 | 2 | 5 | 6,25 | 7,5 | 7,25 | 7,25 | 7,25 | 7,25 | 7,25 |
| S2 U (V) | 0,1 | 0,15 | 0,25 | 0,35 | 0,55 | 1,05 | 3 | 6 | 6,5 | 6,5 | 7 | 7,5 |
| S3 U (V) | 0,015 | 0,02 | 0,02 | 0,025 | 0,03 | 0,045 | 0,11 | 0,3 | 0,5 | 1 | 1,4 | 1,7 |
| Таблица 2 - Интегрирующая цепь | ||||||||||||
| f (KHz) | 0,1 | 0,3 | 0,5 | 1 | 1,5 | 3 | 10 | 30 | 50 | 100 | 150 | 200 |
| S1 U (V) | 7,5 | 7,5 | 7,5 | 7,5 | 7,5 | 7,5 | 5 | 2,25 | 2,4 | 0,65 | 0,5 | 0,35 |
| S2 U (V) | 7,5 | 7,5 | 7,5 | 7,5 | 7,5 | 7,5 | 7,5 | 7,25 | 6,25 | 5 | 3,5 | 3 |
| S3 U (V) | 7,5 | 7,5 | 7,5 | 7,5 | 7,5 | 7,5 | 7,5 | 7,4 | 7,3 | 6 | 5 | 4 |
| Таблица 3 - Т-мост | |||||||
| f (KHz) | 0,14 | 0,18 | 0,37 | 0,64 | 1,6 | 2,5 | 3,3 |
| S1 U (V) | 1,35 | 1,75 | 2,125 | 2,25 | 2,1 | 1,75 | 1,35 |
| f (KHz) | 1,7 | 2,4 | 4 | 12 | 25 | 40 | 65 |
| S2 U (V) | 1,1 | 1,5 | 2 | 2,2 | 2 | 1,5 | 1,1 |
| f (KHz) | 30 | 40 | 70 | 150 | 210 | ||
| S3 U (V) | 1,1 | 1,5 | 2 | 2,25 | 2,2 | ||
| Таблица 4 - Двойной Т-мост | |||||||||||||
| f (KHz) | 0,11 | 0,25 | 0,45 | 0,6 | 0,8 | 1 | 1,3 | 1,6 | 2,5 | 5,5 | … | 200 | |
| S1 U (V) | 6,25 | 4 | 2 | 1 | 0,25 | 1 | 2 | 2,75 | 4 | 6,25 | 7 | 7 | |
| f (KHz) | 0,5 | 1,3 | 3,4 | 6 | 7,5 | 9,5 | 10 | 10,8 | 13,4 | 18 | 30 | 80 | 200 |
| S2 U (V) | 7,5 | 6,25 | 4 | 2 | 1 | 0,25 | 0,05 | 0,25 | 1 | 2 | 4 | 6,25 | 7 |
| f (KHz) | 4 | 18 | 45 | 80 | 110 | 140 | 150 | 160 | 200 | ||||
| S3 U (V) | 7,5 | 6,25 | 4 | 2 | 1 | 0,25 | 0,075 | 0,25 | 1 | ||||
Характеристики
Тип файла документ
Документы такого типа открываются такими программами, как Microsoft Office Word на компьютерах Windows, Apple Pages на компьютерах Mac, Open Office - бесплатная альтернатива на различных платформах, в том числе Linux. Наиболее простым и современным решением будут Google документы, так как открываются онлайн без скачивания прямо в браузере на любой платформе. Существуют российские качественные аналоги, например от Яндекса.
Будьте внимательны на мобильных устройствах, так как там используются упрощённый функционал даже в официальном приложении от Microsoft, поэтому для просмотра скачивайте PDF-версию. А если нужно редактировать файл, то используйте оригинальный файл.
Файлы такого типа обычно разбиты на страницы, а текст может быть форматированным (жирный, курсив, выбор шрифта, таблицы и т.п.), а также в него можно добавлять изображения. Формат идеально подходит для рефератов, докладов и РПЗ курсовых проектов, которые необходимо распечатать. Кстати перед печатью также сохраняйте файл в PDF, так как принтер может начудить со шрифтами.
















