Главная » Просмотр файлов » Шпоры по АСУ

Шпоры по АСУ (546324)

Файл №546324 Шпоры по АСУ (Шпоры по АСУ)Шпоры по АСУ (546324)2015-08-23СтудИзба
Просмтор этого файла доступен только зарегистрированным пользователям. Но у нас супер быстрая регистрация: достаточно только электронной почты!

Текст из файла

1. Системы управления. Понятие больших систем управления Объединенную систему (ОС) образуют агрегаты и аппараты технологич. процессов направленных на выпуск продукции: комплекс технологических цепочек и пред-приятий, которые объединены единой целью производства. Признак ОС: одновременность процессов производства продукции и необходи-мость баланса между суммарными мощностями, в системе. ОС относится к большим системам (сложным). Такие системы следует называть сложной системой многофункциональных элементов (подсистем), имеющих общую цель управления, в результате взаимодействия которых система в целом приобретает новые качества. Современная объединенная единая система (ОЕС) — огромный и чрезвычайно сложный производст-венный комплекс, имеющий внутрен. и внешние технологические, транс-портные, информационные и экономические связи. Управление таким комплексом требует быстрого принятия ответственных решений. Перерывы в работе ОЕС ведут к тяжелым экономическим и социальн последствиям.

2. Принцип Декомпозиции больших систем управления.

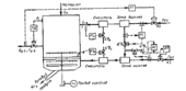
Сложные объекты управляются с помощью больших систем. АСДУ представлена в виде многоуровневой системы, состоящей из ряда подсис-тем, расположенных одна над дру-гой. В каждой из них осуществля преобразование входных сигналов в выходные. На нижнем уровне в технологич. установках протекает процесс, характеризуемый преобра-зованием входных сигналов (расходов воды, топлива, воздуха и др.) в регулируемые величины. Входными сигналами следующей ступени — системы управления предприятием, служат: 1)технико-экономические показатели (ТЭП) отдельных технологий, 2)суточный график мощности предприятия; координирующие сигналы вышестоящего центра управления; сигналы о состоянии основного работающего и резервного оборудования и др.

Подсистемы верхнего уровня наделяют правом вмешательства в работу объектов и подсистем, расположенных ниже. Наряду с этим главные показатели работы ОЕС и ЭС полностью зависят от исполнения своих функций подсистемами и объектами нижнего уровня — технологиями и предприятиями.

Решение многомерной задачи оптимизации для больших систем выполняют поэтапно, используя преимущества многоступенчатого управления

3. Многоуровневые иерархические модели.

Многоуровневая иерархическая система (МИС). Признаки МИС:1) вертикальная соподчиненность подсистем 2) приоритет верхнего уровня 3) взаимозависимость действий всех подсистем

Выделение уровней управления —вертикальная декомпозиция. Призна-ки выделения уровней:1)общность математического описания или абстракции 2)общность критериев управления;3) общность организацио функций.

4. Математическое регулирование в задачах управления.

Математические модели предприятия составляют для описания технологических процессов и формирования критериев управления на различных уровнях Пред составлением математических моделей предприятия необходимо определить каналы передачи регулирующих, управляющих и возмущающих воздействии для каждого объекта управления. При этом технологический объект управления (ТОУ), рассматриваемый в виде самостоятельного звена сложной системы, определяют как совокупность технологического оборудования и реализованного на нем по соответствующим технологическим инструкциям или регламентам технологического процесса производства .

В качестве объекта управления, характеризующего технологический процесс на предприятии в целом, обычно выбирают типичный поток. Технологический процесс, протекающий в таком потоке, можно представить в виде двух последовательных процессов: в паровом котле и турбогенераторе.

5. Методы оптимизации технологических объектов управления Задачи оптимизации технико-экономических показателей работы ТОУ, сформулированные выше в общей постановке, решают, в зависимости от режимов работы оборудования, топливу и др.

К статической оптимизации относят задачи определения экстремума функции цели в
зависимости от значений переменных параметров системы уi и управляющих воздействий
ui не являющихся функцией времени:

(4.1)
Наиболее распространенные задачи статической оптимизации применительно к системам
управления объектами сводят:

к нахождению экстремума того или иного ТЭП,
используемого в качестве критерия управления ,

к отысканию оптимума соотношения влияющих на него параметров системы, например минимизации удельных расходов топлива по технологическим производствам, или отысканию оптимума численных значений технологических параметров, влияющих на сокращение энергетических потерь.

К динамической оптимизации относят задачи определения значений управляющих и
выходных воздействий в функции времени u(t) и yi(t), обеспечивающих достижение
заданных критериев управления для технологических процессов в переходных режимах.

Наиболее распространенную задачу динамической оптимизации применительно к
управлению объектами сводят к достижению желательной формы переходных
процессов yi(t) при заданных граничных условиях уi(0), уi(Т) и детерминированных входных сигналах. При возмущениях, имеющих случайный характер, минимизируют статистические показатели качества технологического процесса по выбранному параметру
yi(t), например дисперсию, среднеквадратичное отклонение и др.

7 Состав функций АСУ ТП. Информационные функции.

Функций АСУ ТП:

- по предприятию

- по агрегатам

Информац-ые ф-ции по агрегатам:

- Оперативный контроль технологиче параметров.

-Технологическая сигнализация;.

- Расчет технико-экономических показателей.

- Определение достоверности инфы.

- Диагностика состояния оборудования.

- Регистрация аварийных положений.

- Формирование банков данных

Информац-ые ф-ции по предприяти:

- контроль технологич параметров и состояния оборудыв по редприятию;

- расчет общих ТЭП

- регистрация аварий

- обмен инфой с другими уровнями

- формирование развитых баз данных

8 Состав функций АСУ ТП. Функции управления.

Функций АСУ ТП:

- по предприятию

- по агрегатам

Ф-ции управления по агрегатам:

- статическая оптимизация режимов работы оборудования;

- динамическая оптимизация технологических процессов;

-переключен и дискретные операции

- исследование объекта управления

- имитация экстремальных условий.

Ф-ции управления по предприятию:

-оптимальное распределение нагрузок между технологическими цепочками

- оптимальное распределение экологическ нагрузок между цехами

- выбор состава работающего оборудования цехов

- управление вспомогательным оборудованием.

9. Принципы автоматизированно управления ТП. Управление в режиме советчика оператора.

Сигналы измерительной инфы, поступающие с объекта, преобразуют в цифровую форму (код) для передачи в ЭЦВМ Далее их используют в алгоритмах расчета управляющих воздействий u и ТЭП Последние представляют оператору в наглядной форме и регистрируют в случае необходимости. Оператор, руководствуясь ими, управляет процессом с помощью изменения задания АСΡ или воздействуя на систему дистанционного управления регулирующими органами.

«+» УВК постоянно "помогает" оператору в его стремлении оптимизировать технологической процесс. «-» ограниченное число управляющих воздействий, которые может реализовать оператор в единицу времени.

Этот вид управления существенно облегчает работу оператора только в базовом режиме эксплуатации. Он применяется также при отладке и опробования новых программ автоматизированною управления, нуждающихся в квалифицированной оценке со стороны операторов, обладающих опытом оптимизации технологических процессов с помощью обычных технических средств.

10. Принципы автоматизированно управления ТП. Супервизорное управление.

В режиме супервизорного управления УВК периодически подключают к автоматическим системам непрерывного регулирования. 1) автоматическая коррекция заданных значений регулируемых величин

2) автоматическая коррекция динамических параметров настройки АСР нижнего уровня

В первом случае УВК используют в решении задач статической оптимизации ТОУ, во втором — привлекают к решению задач динамической оптимизации.

Процесс самонастройки (адаптации) осуществляют в два этапа: на первом - решают задачу идентификации ТОУ, на втором — проводят расчет и коррекцию динамических параметров настройки АГР.

11. Принципы автоматизированно управления ТП. Централизованное цифровое управление на основе ПТК

Сигнал от первичного измерительного преобразователя поступает в арифметическое устройство ЭВМ, сравнивается с заданным значением и преобразуется в соответствии с требуемым алгоритмом управления для данного контура. Результаты вычислений преобразуются устройством вывода УВК в электрический сигнал, воздействующий на исполнительный механизм, установленный на объекте.

«+»:1)отсутствие лишнего звена в системе передачи сигналов управления к объекту; 2) возможность формирования разнообразных по виду законов регулирования в зависимости от сложности задачи и типа технологического объекта управления;

3)возможность сочетания в одном и том же контуре различных принципов регулирования (по отклонению и возмущению) и принципов управления (дуального и критериального), а также изменения алгоритмов управления простой заменой программы вычисления по заданному контуру.

12. Принципы автоматизированно управления ТП. Распределенное управление.

Управление с использованием микроЭВМ (универсальных модульных станций — УМС) получившее условное название распределенного, становится особенно удобным в системах, построенных по функционально-групповому принципу. Система в целом сохраняет многоуровневую структуру и с точки зрения иерархии целей и принятия решений служит примером четырехслойной системы. Нижний слой образуют автоматические системы стабилизации технологических параметров котла и турбины, реализующие простые (типовые) законы регулирования. Второй слой составляют УМС, целью управления которых служит статическая оптимизация ТОУ с помощью АСР и УЛУ нижнего уровня в пределах ФГ и ФПГ (изменение заданных значений регулируемых параметров, перевод на другой режим работы переключением регулирующих и запорных органов и др.).

При этом УМС становится высшим уровнем по отношению к ФГ или ФПГ и используется в сочетании с главной или вспомогательной ролью оперативного персонала, имеющего возможность влиять на протекание технологического процесса посредством подсистем дистанционного управления (СДУ). Третий слой, состоящий из общепоточной УМС, имеет целью оптимизацию общих параметров и режимов.

Верхний слой системы распределенного управления образует общую УМС. Она осуществляет оптимизацию технологических процессов в масштабе всего производства перераспределением нагрузок между отдельными цепочками и выполняет другие общезаводские функции (критериальное управление по отношению к блочным системам управления и АСР нижнего уровня, определение статических или динамических характеристик отдельных цехов и др.).

13. Информационные подсистемы АСУ. Способы представления информации оператору.

Процесс восприятия (приема) информации опытным оператором характеризуют двумя основными свойствами: осмысленностью и избирательностью, понимаемой как преимущественное выделение одних признаков по сравнению с другими. Технические средства передачи и отображения информации чаще всего рассчитаны на визуальный прием и реже на слух. Свет имеет преимущество в приеме дискретных сигналов, звук — в приеме непрерывных. Время реакции человека на звук меньше, чем на свет, но менее всего при тактильном раздражении (130 мс).

Зрительная индикация. Существуют три вида зрительной индикации: стрелочная, знаковая и графическая.

Графическая индикация применяется:

- в системах оперативного управления для выявления тенденций в отклонениях медленно меняющихся параметров;

- в системах диагностики для анализа аварийных ситуаций;

- в информационных системах при расчете ТЭП в зависимости от решаемых задач отчетности и при определении динамических характеристик ТОУ.

Акустическая индикация звуковых и речевых сигналов. Звуковые сигналы применяют в следующих случаях:

-поступающая информация требует немедленной реакции;

-появление новой зрительной информации уже ограничено ввиду перегрузки оператора существующей, а условия его работы, например, необходимость постоянного перемещения в зоне трудовой деятельности, не позволяют осуществлять непрерывный визуальный контроль;

-необходимость предупреждения о поступлении последующего более важного сигнала или о предстоящей речевой связи.

14. Информационные подсистемы АСУ. Теплотехнический контроль и сигнализация (ТС)

Теплотехнический контроль-процесс измерения теплотехническ величин (температуры, давления, расхода пара, воды и т. п.) с помощью совокупности средств, осуществляю эти измерения.

Большинство теплотехнических измерений выполняют с помощью измерительных систем дистанционно действия, состоящих из первичных измерительных преобразователей (датчиков), вторичных показывающих или самопишущих приборов и электрических или трубных линий связи между ними.

Современные системы теплотехнического контроля создают на основе использования унифицированных сигналов связи между первич. преобразователями и вторичными приборами. Физическая сущность информационных унифицированных сигналов может быть различной: электрической, пневматической или гидравлической. Однако диапазон изменения их численных значений строго регламентируется: наиболее употребительных пределы: 0—5 мА; 0—20 мА; 0—100 мА; 0—10 В постоянного электрического тока; для пневматического сигнала 0,2—1 кгс/см (0,02—0,1 МПа).

Устройства ТС оповещают персонал о происшедших нарушениях ТП, установленных режимов работы основного и вспомогательного оборудования или же о неисправностях в самой АСУ ТП .

Виды ТС:

- отклонения параметров от допустимых значений по условиям надежности и без­опасности работы оборудования;

- аварийные отклонения параметров, требующие немедленного останова оборудования;

- срабатывания тепловых или электрических защит, приводящие к сбросу тепловой и электрической нагрузок или к останову того или иного оборудования;

- вызов к месту очевидной неисправности того или, иного энергетического обо­рудования или элементов АСУ ТП;

- нарушение электропитания технических средств автоматизации.

15. Автоматические защиты теплового оборудования. Логические элементы защит.

Автоматические системы защиты, обслуживающие тепловую часть предприятий, называют тепловыми защитами (ТЗ). Устройства ТЗ должны быть в постоянной готовности, но срабатывать только в том случае, когда возможности авто-матического или дистанционного уп-равления по предотвращению откло-нений параметров от установленных значений исчерпаны, а оператор не может вовремя на это реагировать.

По степени воздействия на защища-емые установки ТЗ разделяют на главные и локальные. К главным относят ТЗ, срабатывание которых приводит к останову основного обо-рудования, технологии в целом или к глубокому снижению их нагрузки. Локальные защиты предотвращают развитие аварии без останова основн агрегатов и снижения нагрузки.

Логические элементы защит.

Инверсия. НЕ Ложное сообщение противоположно по смыслу истинному, г.е. служит его отрицанием. Обозначив истинную форму через 1, а ложную через 0, можно записать логическую операцию отрицания

Логическое усиление.Сигнал на выходе появится вместе с сигналом на входе, но усиленный в k раз.

Конъюнкция (функция И) Сложное сообщение истинно только тогда, когда истинны все отдельные сооб-щения, его составляющие Сигнал на выходе элемента реализующего функцию И, появится только тогда, когда есть сигнал на всех его входах

Дизъюнкция (функция ИЛИ) Сложное сообщение истинно, когда истинно хотя бы одно из сообщений, его составляющих Сигнал на выходе логического элемента, реализующего функцию ИЛИ, появится только тогда, когда есть сигнал хотя бы на одном из его входов

16. Автоматические защиты теплового оборудования. Обеспечение надежности действия тепловых защит

Автоматические системы защиты, обслуживающие тепловую часть предприятий, называют тепловыми защитами (ТЗ). Устройства ТЗ должны быть в постоянной готовности, но срабатывать только в том случае, когда возможности авто-матического или дистанционного уп-равления по предотвращению откло-нений параметров от установленных значений исчерпаны, а оператор не может вовремя на это реагировать.

По степени воздействия на защища-емые установки ТЗ разделяют на главные и локальные. К главным относят ТЗ, срабатывание которых приводит к останову основного обо-рудования, технологии в целом или к глубокому снижению их нагрузки. Локальные защиты предотвращают развитие аварии без останова основн агрегатов и снижения нагрузки

Надежность ТЗ определяют как числом отказов в срабатывании, так и количеством ложных срабатываний. Под ложным срабатыванием понимают отказ какого-либо элемента системы ТЗ, например отказ типа короткого замыкания в электрической схеме, приводящий к срабатыванию системы в целом. Мерой надежности систем защит служит среднее время, ч, наработки на один отказ (ложное срабатывание):

Мероприятием, повышающим надежность действия систем ТЗ, служит использование для них высоконадежных источников электрического питания. Таким источником на ТЭС служит аккумуляторная батарея с напряжением на выходе 220 В, которая продолжает снабжать цепи защиты электрической энергией при авариях, сопровождаемых полной потерей напряжения переменного тока в системе собственных нужд.

Кроме того, питающее напряжение подводят к панелям защит по двум независимым линиям, одна из которых служит резервной. Оповещение персонала о прекращении электрического питания каждой из групп ТЗ осуществляют автоматически с помощью сигнальных устройств, привлекающих повышенное внимание.

17.Автоматические защиты теплового оборудования. Технологические защиты барабанных котлов.

Защита от потускнения и погасания факела. Тепловую защиту этого вида предусматривают в случае погасания факела в топке при неустойчивом горении. Подача топлива при этом должна быть прекращена, так как его скопление в топке может привести к образованию взрывоопасной смеси. Останов котла в системе защиты от погасания факела осуществляют в следующей последовательности: датчики, установленные с двух сторон топки с контактами — включенными по схеме И;промежуточное реле — отключающее устройство дутьевых вентиляторов и далее по линиям связей электроблокировки В качестве датчиков применяют фоторезисторы, визируемые на ядро факела и включаемые последовательно с обмоткой фотореле, которое срабатывает при заданном уровне излучения факела. В качестве подтверждающего сигнала может использоваться разрешение вверху топки, резко возрастающее при обрывах факела. С этой целью контакты сигнализатора падения давления в топке включаются последовательно с контактами фотореле.Котлы, работающие на пылевидном топливе, снабжают защитой от потускнения факела, воздействующей на подачу резервного топлива (включение газовых горелок или мазутных форсунок) при снижении уровня светимости факела. Система ТЗ содержит реле времени, задерживающее сигнал на открытие клапана с электромагнитным приводом, установленного на линии подвода резервного топлива, на 5—10 с. Это необходимо для предотвра-щения ложных срабатываний ТЗ в случае кратковременных потускне-ний факела. Защита от погасания и потускнения факела и связанная с нею система звуковой и световой сигнализации приобретают особенно большое значение на крупных ТЭС с блочными или групповыми щитами управления, когда оператор лишен возможности прямого наблюдения ш состоянием факела в тапках. В этом случае используют специальный автомат защиты котла, определяющий потускнение факела по уровню светимости, а погасание - по пульсациям факела в видимой и инфракрасном частях спектра свечения.Защита от понижения температуры перегрева первичного пара. При понижении температуры пара до предельного значения сигнал от температурного датчика (термопары), пройдя через электронный усилитель поступает на вход релейного устройства И, которое воздействует на останов дутьевого вентилятора и далее по линии электроблокировочной связи на останов котла (см. рис. 9.5)Автоматические защитные устройства этого вида предохраняют паропровод и проточную часть турбины от заброса частиц воды. Аналогично устроена и действует система защиты от повышения температуры первичного пара сверх установленного максимального значения.

18.Автоматические защиты теплового оборудования. Технологические защиты прямоточных котлов.

Защита от прекращения подачи воды Для котлов предусматривают автоматическую защиту, воздействующую на останов при снижении расхода воды Gпв. на контур до 30% расчетной производительности. Сигналом, подтверждающим необходимость действия защиты, может служить снижение давления у за регулирующим питательным клапаном (РПМ до 15% по сравнению с дав гением при полном расходе. Одновременное появление этих сигналов вызывает включение резервных питательных насосов, а в случае их отказа через Δτ -= 15—20 с зашита производит останов котла возведением на дутьевые вентиляторы. Защита от разрыва труб водяного экономайзера. Утечка воды в экономайзере из-за появления свища в трубах может привести к нарушению нормального режима работы испарительного контура и повышению температуры пара в тракте. Поэтому появление небаланса ↑ ΔG в 25—30% между расходами воды до и после водяного экономайзера (ВЭ) на каждом из его потоков служит сигналом для срабатывания защиты, воздействующей на останов котла с выдержкой времени Δτ = 20 с, необходимой для предотвращения ложного останова из-за небаланса расходов по режимным условиям. В качестве подтверждающего сигнала этой защиты используют резкое повышение температуры пара по тракт.

Аналогично могут быть устроены ТЗ от повреждения других поверхностей нагрева.

19. Системы противоаварийной защиты теплоиспользующих агре-гатов. Общие принципы построен систем противоаварийной защиты.

Системы противоаварийной защиты -совокупность элементов и приборов, с помощью которых выявляются ава-рийные ситуации технологических процессов и принимаются меры по предупреждению и локализации ава-рийного состояния.

Способы предупреждения и локали-зации взрывов: 1) сброс взрывоопасн веществ из закрытых сосудов и аппа-ратов в аварийные емкости в целях вывода этих веществ из рабочей зоны производства;2) локализация взрыва путем подачи флегматизиру-ющего вещества (инертных газов) в аппараты, где в результате нарушени технологии наступила аварийная ситуация;3) предотвращение самовоспламенения взрыво- и пожа-роопасных веществ путем снижения температуры и давления;4) прекра-щение подачи взрыво- и пожароопас жидкостей и газов в аппараты с помощью автоматической блокиров-ки коммуникаций;5) предупреждение взрыва в производственных помеще-ниях путем включения аварийной вентиляции;6) локализация пламени или очага пожара путем применения средств автоматического пожаротуш;

7) исключение импульса, вызыва-ющего вспышку и. загорание в зоне взрыво- и пожароопасной смеси.

Системы противоаварийной защиты должны безотказно работать, не подвергаться влиянию внешних факторов (температуры, влажности, сотрясений, электрических помех и т. д.) в условиях длительной эксплуатации.

Системы противоаварийной защиты имеют общую структуру построения, которая включает:

1)индикаторы аварийных ситуаций;

2)усилительно-преобразующие элементы; 3)исполнительные механизмы и устройства.

20. Системы противоаварийной защиты теплоиспользующих агре-гатов. Системы противоаварийной защиты сосудов, работающих под давлением

Для защиты сосудов, работающих под давлением, применяют электрич и пневматические блок-схемы проти-воаварийного назначения. «+» электрических блок-схем по сравне-нию с пневматическими схемами является возможность централизован управления и объединения в единую систему, в которой можно применять дублирующие приборы в особо опасных процессах. «-» ограниченн применен во взрывопожароопасных производствах с точки зрения искрообразования.

В электрической блок-схеме широко применяют приборы с контактными датчиками; пригодными для измерен предельных значений давления, темперры и расхода теплоносителей.

В целях обеспечения безотходного и быстрого срабатыва­ния системы противоаварийной защиты применяют блок-схе­мы, состоящие из индикаторов, преобразователей и исполни­тельных механизмов. В практике применяют дроссельные, зо­лотниковые и мембранные устройства для создания блок-схе­мы, предназначенные для прекращения подачи реагентов, сброса избыточного давления или подачи инертного газа для локализации очага взрыва.

Основным элементом в блок-схеме является датчик с высокой чувствительностью к параметрам среды. В качестве датчиков применяют индикаторы температуры, давления; уровня, концентрации среды и расхода теплоносителя.

21. Системы противоаварийной защиты теплоиспользующих агре-гатов. Противоаварийная защита теплообменной аппаратуры

Теплообменные аппараты широко применяют для нагрева или охлаждения жидких и газообразных веществ.

В любой технологической схеме теплообменники должны иметь обвязку трубопроводов и соответствующую запорную, регулирующую и предохранительную арматуру.

Причины нарушающие нормальную работу ТА: 1) нарушение гидродинамического режима, связанного с подачей раствора, например, при внезапном отключении электродвигателя насоса;2) нарушение подачи теплоносителя или резком снижении и повышении давления пара; 3) повреждения внутренних частей ТА в результате коррозии трубок, разрушения прокладок и появления течи; 4) повреждения автоматически регуляторов и клапанов в результате отложения солей, засорения проходных каналов, а также в случае нарушения работы пневматической системы управления.

22. Системы противоаварийной защиты реакционной аппаратуры. Система противоаварийной защит выпарной станции

Причины, нарушающие норм работу реакционной аппаратуры: 1) измене-ния соотношений подаваемых реагентов или теплоносителей; 2)воз-можность остановки перемешивающ устройств 3) попадания в аппарат веществ или продуктов, не предусмо-тренных регламентом, в результате ошибок обслуживающего персонала;

4) нарушение герметизации системы аппарата и трубопроводов;5) неис-правность приборов управления и систем противоаварийной защиты.

Для ликвидации аварийной ситуации применяют локальные устройства для сброса избыточного давления и подачи в аппарат дефлегматора с целью затормаживания процесса и предупреждения взрыва.

Объектом защиты могут быть один или несколько реакторов, для которых подбирают датчики согласно параметрам технологического режима и аварийной ситуации для подачи в реактор. Блокирующие клапаны устанавливают на линиях подачи греющего пара, газа и других необходимых компонентов, которые при аварийной ситуации не должны поступать в реакционную аппаратуру. В некоторых системах защиты включены локальные независимые противоаварийные устройства в виде взрывных мембран и предохранитель клапанов. Главным элементом системы являются датчики давления, температуры и концентрации, которые установлены на аппаратах и определяют параметры аварийной ситуации. Поданный от них импульс через вторичные приборы на пульт управления влечет за собой включен устройств для локализа­ции взрыва.

Система предупреждения взрывов вступает в действие автоматически при возникновении недопустимых температур,

Процесс выпаривания растворов про-изводится в выпарных аппаратах, ко-торые могут работать под избыточн давлением или вакуумом.

Выпарные аппараты снабжают, как правило, трубчатыми нагревательн. камерами или выносными кожухотру кипятильниками для повышения циркуляции раствора и достижения высокой производительности.

Греющий пар поступает в межтрубн. пространство и омывает трубки снаружи, а выпариваемый раствор циркулирует по трубам. Такая схема нагрева раствора позволяет избежать отложения солей на поверхностях нагрева, а в случае образования накипи можно проводить периодич чистку. В целях достижения высокой экономии греющего пара выпарные аппараты группируют так, чтобы вторичный пар первого аппарата служил теплоносителем для нагрева раствора во втором выпарном аппарате, а вторичный пар второго ап­парата — третьему аппарату и т. д. Общее количество корпусов выпарной станций может составлять до 7—8 выпарных аппаратов.

Одним из важных элементов противоаварийной защиты является наличие уровнемеров, соединенных с автоматическими регуляторами уровня раствора в аппарате.

23. Системы противоаварийной защиты сушильных установок. Система защиты перегонной установки

При сушке органических веществ в сушилках могут образоваться взрывоопасные концентрации паров и пыли. Способность пыли к взрыву тем больше, чем меньше значение нижнего предела воспламенения. Если пыль способна выделять газообразные продукты в количествах, превышающих 10% ее массы, то такая пылевоздушная смесь весьма опасна. Во избежание воспламенения и взрыва в камере сушилки необходимо производить сушку при температуре на 50— 100°С ниже температуры самовоспламенения материала. Если по технологическим причинам снижение температуры не допускает-ся, то процесс сушки ведут в присутствии инертного газа, азота, углекислого газа, водяного пара. В некоторых случаях достигаются безопасные условия сушки материал с помощью дымовых газов при содержании кислорода менее 5%.

В сушильных установках, где возможно загорание материала при нарушениях температурного режима, необходимо предусматривать сис-му противоаварийного назначения.

В случае остановки электродвигателя вентилятора в камере может образо-ваться взрывная концентрация паровоздушной смеси.

Для избежания взрыва необходимо применять систему защиты, контро-лирующую работу вентилятора. В случае его остановки должна сраба-тывать сигнализация для предупреж-дения обслуживающего персонала.

Перегонка - процесс разделения жидких смесей на составные компоненты путем выпаривания одного из них, который обладает большей легколетучестью при температуре кипения смеси. Для создания безопасных условий работы перегонных (дистилляционных) установок процесс перегонки ведут под вакуумом. В этом случае испарение растворов протекает при низких температурах, что устраняет опасность термического разложения кубового остатка при перегревах. Кроме того, при вакууме сокращается область взрывных концентраций многих горючих паров. Вакуум исключает проникновение токсичных и взрыво­опасных паров из аппарата в атмосферу производственных помещений, что обеспечивает безопасную работу установки.

В некоторых случаях процесс дистилляции горючих ве­ществ ведут с применением водяного пара, что также снижа­ет опасность эксплуатации установок.

Несмотря на наличие большого числа приемов безопасно­го ведения процессов дистилляции, во многих производствах они остаются неэффективными вследствие снижения каче­ства продукции.

25

26. Барабанный котел. Регулирование экономичности процесса горения.

27

28

29. Регулирование непрерывной продувки и расхода корректирующ добавок химочищенной воды

30

31

32

33 Регулирование выбросов вредных веществ с дымовыми газами.

Количественную зависимость между температурой в зоне горения и степенью рециркуляции устанавливают из баланса теплоты. составленного для дымовых газов при условии, что вся теплота топочных газов, выделяющихся при их охлаждении, идет на нагрев газов рециркуляции, и дополнительном условии неизменности теплоемкости и плотности газов:

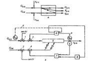
I способ регулирования степени рециркуляции в парогенераторах поддержанием соотношения между расходом газов, отбираемых на рециркуляцию и нагрузкой котла, характеризуемой расходом питательной воды. Данный способ реализуется в АСР изображенной на рис. 14.2, линия а.

II способ, реализуемый в АСР, изображенной на рис. 14.2, линия б и рекомендуемый для газомазутных котлов, состоит в поддержании соотношения между расходом топлива и расходом газов на рециркуляцию.

«-» низкое качество регулирования рециркуляции вследствие оценки расхода дымовых газов с помощью косвенных сигналов по Gnа или Βт в соответствии с упрощенной функциональной зависимостью, не учитывающей наличие переменного коэффициента избытка воздуха на выходе газовоздушного тракта парового котла:

Рис. 14.2. Функциональная схема АСР степени рециркуляции дымовых газов

а — с косвенным сигналом по нагрузке — Gna (прямоточный котел); б — то же по нагрузке — Βт (газомазутный котел), РП ВРГД — регулятор подачи газов на рециркуляцию

где kдг — коэффициент пропорциональности, определяемый по результатам теплового расчета или испытаний котла при постоянном (нормативном) значении αхr.

Отмеченный недостаток рассмотренн систем, выполняющих также функции первичной стабилизации температуры перегрева пара, может быть причиной превышения контрольного уровня выбросов, вследствие низкой точности поддержания требуемой степени рециркуляции, или работы АСР с неоправданно большими значениями г, ведущей к росту потерь теплоты с уходящими газами и снижению КПД котла

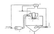
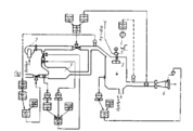
34. Регулирование шламового режима осветителей.

Регулирование шламового режима в осветлителях состоит в поддержании заданного значения уровня взвешен-ного осадка (шлама) в корпусах осветлителя и шламоотделителя. Его осуществляют с помощью непрерывной и периодической продувок.

Рис. 14.3. Схема регулирования шламового режима осветлителей

1 — осветлитель; 2 — шламоотде-литель; 3 — вентили, 4 — вентиль периодической продувки, 5, 6 — сигнализаторы верхнего и нижнего у pi что и шлама, 7,8 — элементы управления Элементы управления органом продувки

Количество воды, непрерывно сбрасываемой из осветлителя 1 в дренаж через вентили 3, как правило, не регулируют, а устанавливают вручную при включениях осветли-теля в схему очистки.

Периодическую продувку осуществ-ляяют с помощью системы двухпозиционного регулирования, состоящей из сигнализаторов верхнего 5 и нижнего 6 уровней шлама в осветлителе 1 и шламоотделителе 2. Сигнализатор уровня шлама устроен по принципу фотореле, непрерывно контролирующего прозрачность потока воды, проходящего через датчик. Фотореле управляем черсч устройство пуска 7 исполнительным механизмом А. которыи открывает вентиль периодической продувки 4 при достижении шламом верхнего уровня и закрывает при достижении нижнего уровней.

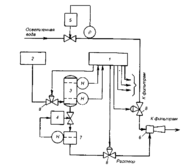
35. Автоматическое регулирование периодических процессов химводоочистки.

Периодические операции состоят из приготовления растворов реагентов, отключения на промывку механическ и регенерации химических фильтров.

Система управления приготовлением регенерационных растворов для ионитных фильтров. Промывку и восстановление ионитных фильтров, используемых в технологических схемах химической очистки воды, осуществляют осветленной водой с введенным в нес регенерационным раствором.

1— атомат регенерации; 2 — бак; 3 — бачок концентрированного раствора. 4 — регулятор уровня; 5 — регулятор давления, 6 — гиродроэлеватор, 7 — промежуточны бак; 8 — МИМ

Исходный концентрированный раствор приготовляют в баке 2.

Система состоит из трех регулято-ров: давления, уровня и регенерации. Регулятор давления 5 эжектирующей осветленной воды. работает по принципу поддержания давления "после себя" и обеспечивает стабилизацию се расхода через гидроэлеватор 6. Регул я тор уровня 4 в бачке концентрированного раствора 3 обеспечиваем

постоянный расход на стоке. Автомат регенерации 1 управляет закрытием и открытием запорных задвижек на линиях осветленной воды и концентрированного раствора и на линиях подвода раствора реагентов к промежуточному баку 7 и к фильтрам.

Для реализации более сложных алгоритмов или совокупности большого числа простых вместо КЭП или его аналогов примени н специализированные логические устройства (автоматы) или микро ЭВМ с необходимой вычислительной мощностью

36. Автоматическое отключение фильтров на промывку и регенерацию

Автоматическое отключение фильтров на промывку и регенерацию осуществляют автоматическим устройством 2, действующим по соотношению гидравлического сопротивления фильтра 1 и водомерной шайбы установленной на трубопроводе воды после фильтра, сопротивление которого возрастает с ростом загрязненности фильтрующего слоя и увеличением общего расход; воды через него. Поэтому увеличение перепада давлений на фильтре служит вполне надежным косвенным по указателем его загрязненности лишь при неизменном расходе воды.

1 — фильтр; 2 — автоматическое уст ройство, 3 — сужающее устройство

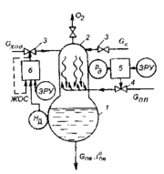
37. Автоматическое регулирование деаэраторных установок


Деаэратор предназначен для удаления растворенного в питательн воде кислорода. В нижнюю часть деаэраторной головки, установленно над аккумуляторным баком питательной воды, подводи греющий пар. Поток пара, стремясь к выходу в атмосферу, расположенному в верхней части головки, нагревает до температуры кипения движущуюся навстречу ему питательную воду.

1 — аккумуляторный бак, 2 — деаэраторная головка, 3 — регулирующий клапан, 4 — поиоротная заслонка, 5 — регулятор давления; 6 — регулятор уровня Выделившийся из воды в процессе кипения кислород вместе с лишками пара сбрасывают в атмосферу или расширитель Для непрерывного нагрева и деаэрирования воды в деаэраторе поддерживают избыточно давление пара и соответствующая ему температура насыщения.

Входным сигналом П- или ПИ-регупятора уровня 6, воздействующего на перемещение клапана 3 на линии химической очищенной воды, служит уровень воды Hб. Обычно регулятор уровня охватывают жесткой отрицательной обратной связью, ЖОС по положению регулирующего клапана, способствующей стабплизаиии расхода воды. Входным сигналом регулятора давления 5, который воздействует на регулирующую заслонку 4 на линии пара, служит давление pд. Из-за необходимости точного поддержания рд и tн регулятор давления должен реализовать ПИ закон регулирования.

При параллельной работе группы деаэраторов регулятор давления и регулятор уровня воздействуют на соответствующие регулирующие клапаны на линиях общего подвода пара и химически очищенной воды.

38. Автоматизация теплофикационных установок.

Как объект регулирования РОУ представляет собой динамическую систему с двумя входными регулирующими воздействиями: Gпп,. и Gпв , и тремя регулируемыми величинами: t, р и G. Динамические свойства РОУ по каналам Gпп— tрп и Gпв - t"рп определяются в основном инерционностью темперного датчика (термопары),

а — функциональная схема связей между входными регулируемыми величина ми, б — принципиальная схема АСР, 1,2 — запорные задвижки, 3, 4 — регу лирующие клапаны, 5 — коллектор редуциро-ванного пара, 6 — регулятор давлен, 7 — регулятор температуры, 8 — устройство динамической связи

Сигнал по давлению редуцированного пара в коллекторе 5 поступает на вход регулятора давления 6, который воздействует на перемещение парового редукционного клапана 3, осуществляя принцип регулирования давления "после себя" Входным сигналом регулятора температуры 7 служит, в зависимости от которой он перемещает регулирующий клапан 4 на линии охлаждающей воды. Для увеличения быстродействия регуля-тора температуры и улучшения качества процесса регулирования на его вход целесообразно подавать опережающий сигнал с выхода регу-лятора давления через устройство динамической связи 8. Быстродейств РОУ отличается от обычной наличие быстрозапорных клапанов 1 и 2 на подводящем паропроводе на трубопроводе охлаждающей воды. Эти клапаны открывают по сигналу от командного устройства (КУ), которое в свою очередь действует в зависимости от назначения БРОУ. Например, в случае резервирования БРОУ промышленного отбора турбины КУ — реле давления, подающее сигнал на открытие быстрозапорных клапанов 1 и, 2 при понижении давления в коллекторе редуцированного пара ниже допустимого.

Если редуцирующее устройство установлено в параллель с турбиной и служит для перепуска пара в конденсатор при внезапных сбросах электрической нагрузки турбогенератора, быстродействующие клапаны открывают при повышении давления пара перед ЬРОУ сверх допустимого (например, при внезапном закрытии стопорного клапана черед турбиной). Регулятор давления РОУ в этом случае действует по принципу регулирования давления пара "до себя".

42. Автоматизация котельных установок малой мощности. Регулирование соотношения топливо-воздух.

Автоматика управления агрегатов с плавным регулированием теплопроизводительности

- для водогрейных котлов поддержанием оптимального соотношения “топливо-воздух” и плавным регулированием подачи топлива и воздуха. Регулирование соотношения ”топливо-воздух” ведется по концентрации кислорода в отходящих топочных газах (параметр a (лямбда)), либо по давлению газа и воздуха. Автоматический пуск и останов горелки;

-Автоматическое регулирование температуры воды в котле;

-Плавное регулирование и автоматическое поддержание соотношения “топливо-воздух”;

-Световая сигнализация режимов работы комплекта и состояние котла;

-Останов котла при аварийных ситуациях; включение световой, звуковой сигнализации;

-Автоматический контроль герметичности газового тракта;

-Поддержание производительности котла в зависимости от температуры окружающей среды (температурный график);

-Контроль и управления с диспетчерского пульта (персонального компьютера).

43. Автоматизация котельных установок малой мощности. Регулирование разряжения в топке.

Объект регулирования по разряжению представляет собой последовательно расположенные топку (камеру сгорания) и газоходы до всасывающих патрубков дымососа. Наличие небольшого разряжения 2-3 мм. вод. ст.(20-30 Па) в верхней части топочного пространства необходимо для устойчивости факела в зоне горения, предотвращения выбивания продуктов горения из котла и косвенно характеризует материальный баланс между воздухом-окислителем топлива и отходящими газами-продуктами горения. Входное регулирующее воздействие-расход отсасываемых дымовых газов, определяемый производительностью дымососа. Внешнее возмущающее воздействие-изменение расхода воздуха, подаваемого в топку при изменении тепловой нагрузки котельного агрегата. Внутренние возмущения - нарушения газовоздушного режима.

Динамические свойства объекта регулирования характеризуются отсутствием запаздывания, малой инерционностью (постоянная времени порядка 5-10 сек), самовыравниванием. Особенностью являются колебания регулируемой величины около среднего значения с амплитудой 3-4 мм. вод. ст.(30-40 Па) с частотой несколько герц. Такие низкочастотные колебания обусловлены, в частности, пульсациями расходов топлива и воздуха, кроме того, процесс горения сам является источником высокочастотных колебаний(100-150 Гц), отдельные низкочастотные моды которых могут резонировать.

Способы регулирования

Регулирующее воздействие можно осуществлять путем изменения производительности дымососа: 1) изменением положения многоосных дроссельных заслонок 2) изменением положения направляющих аппаратов 3) скоростным регулированием

Однако стоит отметить, что контуры регулирования соотношения топливо-воздух и разряжения физически связаны через объект регулирования, поэтому при работе котла в регулирующем режиме (т.е.при частом изменении нагрузки котла) изменение расхода воздуха для поддержания соотношения с топливом нарушает баланс материальных потоков и для предотвращения такой ситуации вводят упреждающий исчезающий сигнал от регулятора воздуха (реальное дифференцирования выходного сигнала регулятора воздуха).

45. Автоматическое регулирование уровня воды в конденсаторе

Среднее значение уровня воды в конденсаторе поддерживают по возможности постоянным независимо от расхода пара через турбину или режима ее работы Положение уровня регулируют изменением подачи конденсатных насосов. Нижний предел подачи насосов задают минимальным пропуском конденсата через эжекторы и систему регенеративных подогревателей. Поэтому при малых нагрузках турбины часть конденсата с напорной стороны конденсатных насосов необходимо вновь сбрасывать в конденсатор. С учетом этого требования выполняют синему регулирования уровня воды в конденсаторе.

К
ак объект регулирования уровня конденсатор 1 — герметический бак с насосом на стоке. Динамику объекта описывают уравнением интегрирующего звена, т.е. он не обладает свойством самовыравнива-ния. Регулирование уровня воды осуществляют изменением подачи конденсатных насосов 5 при воздействии на двухпоточный клапан (3, 4).

/ — конденсатор; 2 — регулятор уровня; .5 — конденсатные насосы,

3,4 — спаренный регулирующий орган

При снижении уровня вследствие сброса нагрузки турбины рабочий клапан 4 прикрывают, обеспечивая требуемый нерегулируемый пропуск воды в системе охлаждения эжекторов 6 и регенеративных подогревателей. При дальнейшем снижении уровня начинают открывать клапан рециркуляции 3, поддерживая уровень воды в конденсаторе. Для удобства управления и согласованности в работе клапаны 3 и 4 выполнены в одном корпусе и управляются одним исполнительным механизмом.

Обычно на регулятор уровня 2 поступают два входных сигнала — по уровню конденсата Нк и по положению регулирующего органа ЖОС.

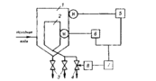
47. Автоматизация приточной системы вентиляции.

Темпе­ратура воздуха после вентилятора 3 в помещении, горячей воды до калорифера 6 и после него измеряют ртутными термометрами /. Регулятор температуры 2 автоматически регулирует температуру воздуха в помещении, воздействуя на регулирующий клапан горячей воды 4.

В схеме предусмотрены два датчика 5 и 7 температуры для защиты калорифера от замерзания. Первый из них измеряет тем- пературу теплоносителя в обратном трубопроводе после калори­фера, а второй —температуру воздуха в пространстве между фильтром 8 и калорифером 6.

При работающей вентиляционной установке, при понижении температуры теплоносителя в обратном трубопроводе до 20—25 С вентилятор отключается, а регулирующий клапан полностью от­крывается и обеспечивает подачу теплоносителя в калорифер для его прогрева. Так как замерзание калорифера при положительной температуре входящего в него воздуха невозможно, то нет необхо­димости отключать вентилятор и открывать регулирующий клапан горячей воды. В этом случае датчик температуры, установленный перед калорифером, отключает узел защиты от замерзания.

Датчик температуры воздуха перед калорифером служит также и для защиты его от замерзания в период, когда вентилятор отклю­чен, например в ночное время. Узел защиты в этом случае работает следующим образом. Если температура воздуха перед калорифе­ром (т. е. в пространстве между фильтром и калорифером) станет ниже -|-3° С, клапан 4 откроется и в калорифер поступит горячая вода. После прогрева калорифера и повышения температуры воз­духа в месте чувствительного элемента датчика клапан 4 снова закрывается. Таким образом осуществляется автоматическое двух-позиционное регулирование температуры воздуха перед калорифе­ром при неработающем вентиляторе. Для защиты калорифера при пуске системы предусматривается его предварительный прогрев перед включением вентилятора.

При включении вентилятора подается команда на открытие приемного воздушного клапана (заслонки) с исполнительным механизмом 9.

48.Автоматизация группы приточных систем.

Автоматизация систем вентиляции воздуха обеспечивает требуемые условия воздуш­ной среды в помещениях, повышение надежности работы систем, включение и отключение их по специальным требованиям (напри­мер, при авариях), сокращение обслуживающего персонала, эко­номию тепла, холода и электроэнергии.

Параметры, наблюдение за которыми необходимо для правиль­ной и экономичной работы систем вентиляции воздуха, контролируются показывающими приборами, при­чем на щиты автоматизации рекомендуется выносить только приборы контроля основных параметров, отображающих работу си­стем в целом. Приборы контроля промежуточных параметров, ха­рактеризующих работу отдельных элементов и узлов систем, устанавливаются по месту.

Параметры, необходимые для учета и анализа работы оборудо­вания, должны контролироваться самопишущими приборами, а па­раметры, отклонение которых от нормы может привести к аварий­ному состоянию оборудования, браку продукции или к нарушению технологического процесса — сигнализирующими приборами.

Приборы контроля рекомендуется устанавливать:

в системах приточной вентиляции — для измерения темпе­ратуры приточного и наружного воздуха и параметров теплоно­сителя;

в системах приточной вентиляции, совмещенных с. воздушным отоплением, для измерения температуры воздуха в обслуживае­мых помещениях, приточного и наружного воздуха и параметров теплоносителя;

Выбор системы автоматического регулирования по закону управления (позиционный, пропорциональный, пропорционально-интегральный и др.) зависит от требований к точности поддер­жания регулируемых параметров, динамических свойств объектов регулирования, назначения систем, а также технической и эко­номической целесообразности.

По виду используемой энергии системы регулирования могут быть пневматическими и электрическими.

Пневматические системы автоматического регу­лирования применяют, как правило, при наличии па предприятии сетей сжатого воздуха давлением 0,3—0,6 МПа, а также при уста­новке приборов в пожаро- и взрывоопасных помещениях.

Э л е к т р и ч е с к и е с и с т е м ы автоматического регули­рования используют, когда на предприятии нет сетей сжатого воздуха, а устройство специальных установок для его приготовле­ния экономически нецелесообразно.

Автоматическое регулирование температуры воздуха в систе­мах приточной вентиляции производят смешиванием наружного и рециркуляционного воздуха, изменением теплопроизводитель-ности калориферов или тем и другим способами

При регулировании систем кондиционирования воздуха преду­сматривается поддержание в помещениях заданной температуры, относительной влажности и давления воздуха.

49. Автоматизация вытяжных систем вентиляции.

Вытяжная вентиляция удаляет из помещения (цеха, корпуса) загрязненный или нагретый отработанный воздух. В общем случае в помещении предусматриваются как приточные, так и вытяжные системы. Их производительность должна быть сбалансирована с учетом возможности поступления воздуха в смежные помещения или из смежных помещений.

В помещениях может быть также предусмотрена только вытяжная или только приточная система. В этом случае воздух поступает в данное помещение снаружи или из смежных помещений через специальные проемы или удаляется из данного помещения наружу, или перетекает в смежные помещения. Как приточная, так и вытяжная вентиляция может устраиваться на рабочем месте ( местная), или для всего помещения ( общеобменная).

50. Автоматизация систем кондиционирования воздуха. Ртутные термометры 4 установлены для контроля температуры воздуха после оросительной камеры 10, после вентилятора 6 и в помещении, а также для измерения температуры горячей воды до и после калорифе-ров первого 13 и второго 8 подогре-вов. Давление воды после насоса контролируется манометром 11. Для конди­ционера предусмотрены два контура регулирования: температуры воздуха в помещении и температуры точки росы. Контур регулирования температуры воздуха в помещении со­стоит из регулятора температуры 5 и регулирующего клапана 7, установ-ленного на обратной линии горячей воды калорифера вто­рого подогрева. Контур регулирования температуры точки росы позволяет получить после оросительной камеры воздух, имеющий практиче­ски постоянное содержание влаги. Если такой воздух подать в по­мещение и поддерживать в нем определенную температуру, то тем са­мым будет обеспечено поддержание в заданных пределах и относительной влажности воздуха. Рассмотрим работу контура регулирования температуры точки росы. Чувствительный элемент регулятора температуры 9 нахо­дится непосредственно за оросительной камерой, где относительная влажность воздуха близка к 100% и где температура воздуха, из­меренная сухим и мокрым термометрами, а также температура точ­ки росы уходящего из камеры воздуха практически совпадают.

В холодный период года регулятор температуры управляет регулирующим клапаном горячей воды 12 калорифера первого подогрева, при этом в кондиционер поступает минимальное коли­чество наружного воздуха по санитарной норме.

В переходный период года регулятор температуры управляет исполнительными механизмами клапанов наружного 1, рецирку­ляционного 2 и выбросного 3 воздуха. Блокировка регулирующего клапана горячей воды 12 выполнена так, что в переходный период он полностью закрыт.

Для калориферов первого подогрева, работающих на смеси наружного и рециркуляционного воздуха, автоматическую защиту от замерзания допускается не предусматривать, если температура смеси перед фильтром 14 при расчетной температуре наружного воздуха (расчетные параметры Б) не опускается ниже 5° С.

62.Автоматизация комбинированной сушильной установки.

РТ — регулятор топлива, PC — регулятор соотношения, РТм — регулятор температуры, РД — регулятор давления; G’m , G”m — расход топлива, G'в1; G’в2 —расход первичного воздуха, t1 t' — температуры смеси топочных газов и воздуха, Gуг — расход уходящих газов, рс — давление в сушилке,
Gn — расход материала на сушку, Gгп — расход готового продукта, tуг — температура уходящих газов.

В качестве теплоносителя в установке используется смесь топочных газов и воздуха. Раствор распиливается пневматическими форсунками. Топочные газы получаются при сжигании газа (G’Т и G"Т} в двух (верхней и нижней, см. рис. 16.5) топках, причем топочные газы, получающиеся в верхней топке, используются для сушки, а топочные газы нижней топки — для термообработки материала на прокалочных тарелках. Получение теплоносителя требуемой температуры (t1 и t2) осуществляется путем добавления к топочным газам вторичного воздуха (G'e2 и G”e2). Схема автоматизации аппарата должна предусматривать возможность его работы как для сушки распылением, так и для
сушки с последующей термообработкой высушенного материала.

Схема автоматизации предусматривает:

а) подачу необходимого количества G'se теплоносителя с заданной температурой ί1 в верхнюю часть аппарата; эта часть теплоносителя используется для сушки распылением;

б) подачу необходимого количества G"гв теплоносителя с заданной температурой tz; эта часть теплоносителя используется для термообработки материала на прокалочных тарелках;

в) поддержание требуемого давления Рс в корпусе аппарата.

Указанные задачи реализуются с помощью автоматических регуляторов пневматической АУС.

Количество газа, подаваемого в верхнюю топку, определяется температурой газов, ухотящих из аппарата. При изменении количества подаваемого в аппарат материала GM, в связи с весьма большой интенсивностью протекаемого в аппарате процесса сушки, температура tгп уходящих газов соответственно меняется через несколько секунд. Сигнал, пропорциональный изменению температуры уходящих газов, подается на регулятор топлива РТ, который изменяем подачу газа в верхнюю топку.

Экономичность процесса горения в топке обеспечивается регулятором соотношения PC, который поддерживает заданный избыток воздуха изменением количества первичного воздуха G'в1 , подаваемого в топку.

Заданная температура t1 теплоносителя, поступающего на сушку, обеспечиваемся регулятором температуры РТ, который изменяет количество вторичного воздуха G'в2, подаваемого к топочным газам.

Автоматизация подачи теплоносителя заданной температуры в нижнюю часть аппарата для термообработки материала на проволочных тарелках осуществляется следующим образом.
Подача газа G"T в нижнюю топку стабилизируется регулятором топлива РТ Экономичность процесса сжигания в нижней топке обеспечивается так же, как и в верхней топке, с помощью регулятора соотношения PC, который поддерживает заданный избыток воздуха, изменяя подачу первичного воздуха G"e1

Температура теплоносителя, поступающего для термообработки высушенного материала, поддерживается на заданном уровне с помощью регулятора температуры РТ, который изменяет количество вторичного воздуха G"в2 , добавляемого к топочным газам, выходящим из нижней топки Поддержание заданной температуры теплоносителя для термообработки материала на прокладочных тарелках имеет весьма существенное значение для технологического процесса, поэтому наиболее правильной былο бы осуществление управления температурой теплоносителя по температуре материала на прокалочных тарелках. Учитывая, достаточную сложность замера температуры материала на прокалочных тарелках, а также сложность измерения
этой температуры в процессе пересыпания материала с одной тарелки на другую, в основу принятой схемы автоматического регулировании температуры теплоносителя для термообработки выбран более простой метод.

В качестве импульса для регулирования температуры теплоносителя t2 принята температура смеси газов и воздуха между прокладочными тарелками.

Заданное давление внутри корпуса аппарата обеспечивается регулятором давления РД, который в зависимости от давления в аппарате изменяет количество отсасываемых из сушилки газов G уг.

Таким образом, тепловой баланс аппарата осуществляется автоматически.

59. Общие принципы автоматизац сушильных установок.

Автоматическое регулирование процесса распылительной сушки направлено на обеспечение получения кондиционного сухого продукта при максимальной производительности сушилки и минимальных энергетических затратах.

По источнику информации автоматическое управление процессом сушки может быть прямым или косвенным. При прямом управлении система получает информацию от датчиков по влажности или температуре материала, его качестве и т. д. Это не исключает одновременное использование информации по температуре газов, статическому состоянию системы и др.

При косвенном управлении информация о качестве готового продукта отсутствует полностью. Для работы установки и управления используются только косвенные показатели — параметры теплоносителя на входе и выходе из сушилки, давление в системе и т. д. Отдельную группу составляют системы автоматизации, в которых управление производится по так называемому сводному параметру.

По объекту приложения управляющего воздействия системы управления делятся на системы с воздействием на газовый теплоноситель (температура, количество, влажность) и системы с воздействием на высушиваемый материал (его количество). Для
распылительных сушилок можно считать, что прямой информации по влажности продукта получить пока нельзя из-за отсутствия надежных приборов определения влажности полидисперсного продукта. По этой причине реально применяемые схемы автоматизации осуществляются по косвенному параметру.

В распылительных сушилках в большинстве случаев температура отходящих газов однозначно определяет влажность и температуру высушенного продукта. Оба эти параметра сухого материала являются основными, указывающими косвенно на сыпучие свойства его и качественные показатели (химический состав, сохранность витаминов и т. д.). С достаточной точностью можно принимать, что температура материала в периоде падающей скорости сушки является функцией влажности его. Таким
образом, стабилизация температуры отходящих газов обеспечивает получение продукта с определенными качественными показателями.

Стабилизация температуры газов на выходе может быть достигнута тремя способами: 1) воздействием на температуру сушильного агента, 2) на количество подаваемого сушильного агента и 3) на подачу исходного материала.

В зависимости от свойств материала начальная температура в номинальных условиях применяется максимальной, при которой качество продукта не ухудшается, а интенсивность сушки обеспечивается максимальная при минимальных затратах тепла
и электроэнергии.

Поэтому в случае возмущения могут быть такие условия, когда начальная температура газов может подняться до такой величины, при которой будут ухудшаться качества продукта. Поэтому путь стабилизации температуры на выходе из сушилки при
возмещении в системе вряд ли является перспективным.

Стабилизация температуры за счет изменения количества подаваемого теплоносителя имеет перспективу для распылительных сушилок, в которых используется пневматическое и механическое распыление. При этих методах распыла трудно изменять
подачу раствора без изменения дисперсности факела.

При распылении центробежными дисками просто осуществлять стабилизацию температуры газов за сушилкой за счет изменения подачи раствора на диск. Основными возмущениями в системе являются: возможное изменение влажности раствора,
уменьшение количества просасываемых газов при частичном засорении газового тракта и пылеотделительных аппаратов. Таким образом, остальные входные параметры как-то: начальная температура газов, соотношение топливо — первичный воздух, температура раствора стабилизируются по независимому контуру. Таковы возможные структурные схемы автоматического управления распылительных сушилок. Окончательный выбор схемы автоматизации может быть сделан после проведения экспериментальных работ на действующих промышленных агрегатах по снятию статических и динамических характеристик.

60.Автоматизация распылительной сушильной установки,работающей на воздухе. Автоматизация распылительной сушильной установки со стабилизацией температуры. Схема автоматизации дисковой распылительной сушилки, работающ на воздухе, нагреваемом в паровом калорифере. Стабилизация темперры за сушилкой осуществляется измене-нием подачи раствора на диск с помощью регулируемого клапана. Основным недостатком этой схемы является отсутствие стабилизации темперры воздуха перед сушилкой и расход теплоносителя. Клапаны имеют жесткую характеристику, что затрудняет плавное изменение пода-чи раствора, кроме того, он чувстви-телен к твердым примесям. На суспе-нзиях практически клапаны являются исполнительными неработоспособ-ными механизмами. Фильтры предусмотрены для очистки раствора перед регулирующим клапаном.

Рис. 16.1. Схема автоматизации сушилки, работающей на воздухе:

1 — верхний резервуар; 2 — фильтры; 3 — сушильная камера; 4 — регулирующий клапан подачи; 5 — распылитель; 5 — регулятор температуры, 7 — датчик температуры

Рис. 16.3. Схема автоматизации сушилки со стабилизацией температуры:

1 — топка; 2 — вентилятор дутьевой; 3 — диск; 4 — камера; 5 — насос; 6- направляющий аппарат дымососа.

Стабилизация манометрического режима установки осуществляется регулятором разряжений, который получает импульс по разряжению в сушильной камере и воздействует на направляющий аппарат дымососа.

Качество готового продукта однозначно определяется температурой отходящих газов. Стабилизация этой температуры осуществляется регулятором подачи раствора на диск. За счет изменения числа оборотов насоса происходит плавное изменение производительности его

52. Автоматизация системы горячего водоснабжения.

Автоматизированные системы горячего водоснабжения современных европейских зданий имеют отличия от наших традиционных систем. В них осуществляют:
• терморегулирование циркуляционных трубопроводов;
• термическую дезинфекцию трубопроводов;
• стабилизацию температуры воды у потребителя;
• стабилизацию давления воды у потребителя.

Системы горячего водоснабжения в подавляющем большинстве случаев имеют переменный гидравлический режим. Гидравлически уравновесить такие системы возможно лишь автоматическими клапанами. При невозможности увязки давлений в сети трубопроводов систем горячего водоснабжения путем соответствующего подбора диаметров труб следует предусматривать установку регуляторов температуры воды или диафрагм на циркуляционном трубопроводе системы. Однако, даже в современных отечественных зданиях, идут иным путем: устанавливают либо шайбы, либо ручные балансировочные клапаны по норме. Терморегулированием циркуляционных трубопроводов достигают энергосберегающего и санитарно-гигиенического эффектов. Они основаны на следующем:

• во-первых, выравнивается температура воды во всех стояках системы за счет ее перераспределения с ближних от теплового пункта стояков к дальним, чем устраняются излишние теплопотери в ближних стояках;
• во-вторых, сочетаются положительные свойства системы горячего водоснабжения без циркуляционных трубопроводов и системы с их наличием, т. е. снижаются затраты на перекачивание воды и обеспечиваются требуемые ее параметры у потребителя;
• в-третьих, система динамически подстраивается под неравномерность водоразбора и ограничивает расход воды в циркуляционных трубопроводах на минимально необходимом уровне.

Терморегулирование циркуляционных трубопроводов систем горячего водоснабжения современных зданий создает всем потребителям равные условия обеспечения горячей водой с требуемыми параметрами; обеспечивает рациональную циркуляцию воды; имеет возможность термической дезинфекции трубопроводов, снижает теплопотребление до 55 %.

61. Автоматизация распылительной сушильной установки, работающей на топочных газах.

Стабилизация отходящих газов за сушилкой осуществляется по подаче раствора на диск с помощью регулирующего клапана. Начальная температура газов стабилизируется по расходу топлива. В этой схеме не предусмотрено регулирование расхода теплоносителя. Применяется совмещенный регулятор 4.

По этой схеме стабилизируется температура газов перед сушилкой и количество теплоносителя. Температура газов стабилизируется регулятором подачи топлива в топку. Импульс подается на регулятор от малоинерционной термопары, установленной в
газоходе перед сушилкой.

Нормальный режим горения в топочной камере поддерживается регулятором соотношения топливо — воздух, получающим импульсы по расходу газообразного или жидкого топлива и первичного воздуха и воздействующим на подачу первичного
воздуха. Стабилизация количества теплоносителя осуществляется регулятором вторичного воздуха, получающим импульс по расходу уходящих из сушильной камеры газов. Стабилизация количества теплоносителя осуществляется по выходу, а не по входу с целью компенсации возможных изменении гидравлического сопротивления установки вследствие забивания пылью продукта газоходов, пылеотделителей и т. д.


1 - диск 2 — камера; 3 — топка, 4 — регулятор температуры

Характеристики

Тип файла
Документ
Размер
286 Kb
Материал
Тип материала
Высшее учебное заведение

Тип файла документ

Документы такого типа открываются такими программами, как Microsoft Office Word на компьютерах Windows, Apple Pages на компьютерах Mac, Open Office - бесплатная альтернатива на различных платформах, в том числе Linux. Наиболее простым и современным решением будут Google документы, так как открываются онлайн без скачивания прямо в браузере на любой платформе. Существуют российские качественные аналоги, например от Яндекса.

Будьте внимательны на мобильных устройствах, так как там используются упрощённый функционал даже в официальном приложении от Microsoft, поэтому для просмотра скачивайте PDF-версию. А если нужно редактировать файл, то используйте оригинальный файл.

Файлы такого типа обычно разбиты на страницы, а текст может быть форматированным (жирный, курсив, выбор шрифта, таблицы и т.п.), а также в него можно добавлять изображения. Формат идеально подходит для рефератов, докладов и РПЗ курсовых проектов, которые необходимо распечатать. Кстати перед печатью также сохраняйте файл в PDF, так как принтер может начудить со шрифтами.

Список файлов ответов (шпаргалок)

Свежие статьи
Популярно сейчас
А знаете ли Вы, что из года в год задания практически не меняются? Математика, преподаваемая в учебных заведениях, никак не менялась минимум 30 лет. Найдите нужный учебный материал на СтудИзбе!
Ответы на популярные вопросы
Да! Наши авторы собирают и выкладывают те работы, которые сдаются в Вашем учебном заведении ежегодно и уже проверены преподавателями.
Да! У нас любой человек может выложить любую учебную работу и зарабатывать на её продажах! Но каждый учебный материал публикуется только после тщательной проверки администрацией.
Вернём деньги! А если быть более точными, то автору даётся немного времени на исправление, а если не исправит или выйдет время, то вернём деньги в полном объёме!
Да! На равне с готовыми студенческими работами у нас продаются услуги. Цены на услуги видны сразу, то есть Вам нужно только указать параметры и сразу можно оплачивать.
Отзывы студентов
Ставлю 10/10
Все нравится, очень удобный сайт, помогает в учебе. Кроме этого, можно заработать самому, выставляя готовые учебные материалы на продажу здесь. Рейтинги и отзывы на преподавателей очень помогают сориентироваться в начале нового семестра. Спасибо за такую функцию. Ставлю максимальную оценку.
Лучшая платформа для успешной сдачи сессии
Познакомился со СтудИзбой благодаря своему другу, очень нравится интерфейс, количество доступных файлов, цена, в общем, все прекрасно. Даже сам продаю какие-то свои работы.
Студизба ван лав ❤
Очень офигенный сайт для студентов. Много полезных учебных материалов. Пользуюсь студизбой с октября 2021 года. Серьёзных нареканий нет. Хотелось бы, что бы ввели подписочную модель и сделали материалы дешевле 300 рублей в рамках подписки бесплатными.
Отличный сайт
Лично меня всё устраивает - и покупка, и продажа; и цены, и возможность предпросмотра куска файла, и обилие бесплатных файлов (в подборках по авторам, читай, ВУЗам и факультетам). Есть определённые баги, но всё решаемо, да и администраторы реагируют в течение суток.
Маленький отзыв о большом помощнике!
Студизба спасает в те моменты, когда сроки горят, а работ накопилось достаточно. Довольно удобный сайт с простой навигацией и огромным количеством материалов.
Студ. Изба как крупнейший сборник работ для студентов
Тут дофига бывает всего полезного. Печально, что бывают предметы по которым даже одного бесплатного решения нет, но это скорее вопрос к студентам. В остальном всё здорово.
Спасательный островок
Если уже не успеваешь разобраться или застрял на каком-то задание поможет тебе быстро и недорого решить твою проблему.
Всё и так отлично
Всё очень удобно. Особенно круто, что есть система бонусов и можно выводить остатки денег. Очень много качественных бесплатных файлов.
Отзыв о системе "Студизба"
Отличная платформа для распространения работ, востребованных студентами. Хорошо налаженная и качественная работа сайта, огромная база заданий и аудитория.
Отличный помощник
Отличный сайт с кучей полезных файлов, позволяющий найти много методичек / учебников / отзывов о вузах и преподователях.
Отлично помогает студентам в любой момент для решения трудных и незамедлительных задач
Хотелось бы больше конкретной информации о преподавателях. А так в принципе хороший сайт, всегда им пользуюсь и ни разу не было желания прекратить. Хороший сайт для помощи студентам, удобный и приятный интерфейс. Из недостатков можно выделить только отсутствия небольшого количества файлов.
Спасибо за шикарный сайт
Великолепный сайт на котором студент за не большие деньги может найти помощь с дз, проектами курсовыми, лабораторными, а также узнать отзывы на преподавателей и бесплатно скачать пособия.
Популярные преподаватели
Добавляйте материалы
и зарабатывайте!
Продажи идут автоматически
6991
Авторов
на СтудИзбе
262
Средний доход
с одного платного файла
Обучение Подробнее
{user_main_secret_data}