Main (543274)
Текст из файла
МОСКОВСКИЙ ЭНЕРГЕТИЧЕСКИЙ ИНСТИТУТ
(ТЕХНИЧЕСКИЙ УНИВЕРСИТЕТ)
Кафедра электротехники и интроскопии
Лабораторная работа № 1
Выполнил | |
Студент | . |
| Группа | А-15-0 |
Принял | |
Преподаватель | Культиасов П.С. |
-
Спецификация
Мультиметр В7-38
| Погрешность | 6 % | |
| Постоянный ток | 0,2 / 2 В | |
| 20 / 200 / 1000 В | ||
| Переменный ток | ||
| Сопротивление постоянному току | ||
| Входное сопротивление | 10 МОм |
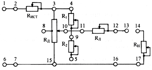
Схема измерительного стенда.
-
Снять и построить зависимость выходного сопротивления датчика от угла поворота.
R1 = Rн = 0
| 2 | 30 | 60 | 90 | 120 | 150 | 180 | 210 | 240 | 270 | 300 | 330 | 333 | ||
| R, Ом | >200000К | 14,49 | 403 | 836 | 1255 | 1662 | 2060 | 2480 | 2880 | 3320 | 3750 | 4176 | 4590 | 4630 |
Рабочий диапазон изменения угла поворота датчика: 2 - 333
-
Подключить к датчику источник питания. Снять и построить зависимость выходного напряжения преобразователя от угла поворота движка.
| 10 | 30 | 60 | 90 | 120 | 150 | 180 | 210 | 240 | 270 | 300 | 330 | ||
| U, В | 0,0002 | 0,228 | 0,857 | 1,747 | 2,676 | 3,56 | 4,446 | 5,35 | 6,219 | 7,157 | 8,067 | 8,951 | 9,821 |
| 5 | 30 | 60 | 90 | 120 | 150 | 180 | 210 | 240 | 270 | 300 | 330 | ||
| U, В | 0,00028 | 0,089 | 0,798 | 1,538 | 2,25 | 2,92 | 3,59 | 4,29 | 5,06 | 5,93 | 6,95 | 8,11 | 9,55 |
| 5 | 30 | 60 | 90 | 120 | 150 | 180 | 210 | 240 | 270 | 300 | 330 | ||
| U, В | 0,00017 | 0,893 | 0,7998 | 1,53 | 2,22 | 2,88 | 3,55 | 4,255 | 5,02 | 5,9 | 6,91 | 8,1 | 9,52 |
R1 = 1 КОм R2 =1 КОм Rн = 5 Ком
| 4 | 30 | 60 | 90 | 120 | 150 | 180 | 210 | 240 | 270 | 300 | 330 | ||
| U, В | 0,00027 | 0,02935 | 0,75 | 1,46 | 2,198 | 2,95 | 3,77 | 4,59 | 5,16 | 5,87 | 6,72 | 7,78 | 9,15 |
| 4 | 30 | 60 | 90 | 120 | 150 | 180 | 210 | 240 | 270 | 300 | 330 | ||
| U, В | 0,00029 | 0,0755 | 1,199 | 2,36 | 3,47 | 4,595 | 5,82 | 6,78 | 7,057 | 7,494 | 8,09 | 8,9 | 9,98 |
R1 = R2 =2 КОм Rн = 5 КОм
| 30 | 60 | 90 | 120 | 150 | 180 | 210 | 240 | 270 | 300 | 330 | ||
| U, В | 5,758 | 5,749 | 5,722 | 5,673 | 5,615 | 5,527 | 5,474 | 5,502 | 5,542 | 5,592 | 5,659 | 5,746 |
-
Погрешность может вноситься сопротивлениями источника и линии связи.
Относительная погрешность преобразователя и погрешность линейности функции преобразования, сравнение с погрешностью линейности самого датчика.
При подсоединении делителя напряжения к источнику питания возникает методическая погрешность определения напряжения, называемая погрешностью взаимодействия.
Суммарную погрешность измерения напряжения считаем по предельным отклонениям вверх и вниз.
-
Относительная погрешность преобразователя
, относительная погрешность линейности передаточной характеристики
. Сопротивление нагрузки, линии связи и внутреннего сопротивления источника питания оказывают большое влияние на передаточную характеристику преобразователя.
5
Характеристики
Тип файла документ
Документы такого типа открываются такими программами, как Microsoft Office Word на компьютерах Windows, Apple Pages на компьютерах Mac, Open Office - бесплатная альтернатива на различных платформах, в том числе Linux. Наиболее простым и современным решением будут Google документы, так как открываются онлайн без скачивания прямо в браузере на любой платформе. Существуют российские качественные аналоги, например от Яндекса.
Будьте внимательны на мобильных устройствах, так как там используются упрощённый функционал даже в официальном приложении от Microsoft, поэтому для просмотра скачивайте PDF-версию. А если нужно редактировать файл, то используйте оригинальный файл.
Файлы такого типа обычно разбиты на страницы, а текст может быть форматированным (жирный, курсив, выбор шрифта, таблицы и т.п.), а также в него можно добавлять изображения. Формат идеально подходит для рефератов, докладов и РПЗ курсовых проектов, которые необходимо распечатать. Кстати перед печатью также сохраняйте файл в PDF, так как принтер может начудить со шрифтами.















