протокол к первой лабе (542157)
Текст из файла
Московский Энергетический Институт
(технический университет)
Кафедра электротехники и интроскопии
Лабораторно-практическое занятие № 1.
Изучение особенностей генераторов
постоянного тока.
| Группа: | |
| Студент: | |
| Бригада: | |
| К работе допущен: | |
| Работу выполнил: | |
| Работу сдал: |
МОСКВА 2006
Цель работы: изучение основных эксплуатационных особенностей генератора постоянного тока в зависимости от способа его возбуждения.
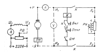
Объект изучения: В работе исследуется генератор постоянного тока П-32, работающий при токе якоря 10-12 А и напряжении 160-190 В. якорь генератора приводится во вращение асинхронным двигателем.
Внутренняя хар-ка :
Холостой ход.
| Iхх, А | ||||||||
| Е(Iв), В |
Iв = 0.8 А
| 1 | 2 | 3 | 4 | 5 | 6 | 7 | |
| U,В | |||||||
| I,А |
Iв = 0.4 А
| 1 | 2 | 3 | 4 | 5 | 6 | 7 | |
| U,В | |||||||
| I,А |
Внешняя хар-ка (цепь с параллельным возбуждением).
| Iя, А | |||||||
| Iв, А | |||||||
| U, B |
Характеристики
Тип файла документ
Документы такого типа открываются такими программами, как Microsoft Office Word на компьютерах Windows, Apple Pages на компьютерах Mac, Open Office - бесплатная альтернатива на различных платформах, в том числе Linux. Наиболее простым и современным решением будут Google документы, так как открываются онлайн без скачивания прямо в браузере на любой платформе. Существуют российские качественные аналоги, например от Яндекса.
Будьте внимательны на мобильных устройствах, так как там используются упрощённый функционал даже в официальном приложении от Microsoft, поэтому для просмотра скачивайте PDF-версию. А если нужно редактировать файл, то используйте оригинальный файл.
Файлы такого типа обычно разбиты на страницы, а текст может быть форматированным (жирный, курсив, выбор шрифта, таблицы и т.п.), а также в него можно добавлять изображения. Формат идеально подходит для рефератов, докладов и РПЗ курсовых проектов, которые необходимо распечатать. Кстати перед печатью также сохраняйте файл в PDF, так как принтер может начудить со шрифтами.
















