1-17 (540713), страница 3
Текст из файла (страница 3)
Больш 1-низк част с fгр=3 МГц
мощн 2-средн част с fгр от 3 до 30 МГц
Рк>1,5Вт 3-выс част с fгр>30 МГц
16.Принцип действия транз-ра и его стат парам.
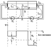
Рассм тр типа p-n-p при подкл к нему ист питания и распр потенциала вдоль структуры. При подкл к(коллектора) напр Uк происх обр смещ к перех и цепи кол поя-вл слабый ток - это обр ток к Iкбо. Этот ток явл-ся одним из важн парам тр и представ собой ток ч/з кол-ый перех при заданном обр напр Uкб и разомкн выводе э(эмиттер). При подкл э напр Uэ происх прям смещ э перехода и цепи появл ток Iэ который в осн опр-ся током дифф и имеет эл и дырочн составл-е. Технол изготов тр такова что э имеет ↑ конц осн носит(в p-n-p –дырок), а в базе таковых мало, то дырочная сост тока э у тр >> эл сост (Iэ>>Iэп) Iэп замык ч/з цепь базы и не участв в созд тока к. Дифф э-нов из базы в э восполн прито-ком к базе э-нов из внешн цепи, сто и опр напр эл сост тока э. Для цепи базы Iэп явл одной из сост тока базы. Инжектированные из э в б(базу) дырки по действ дифф, стремящиеся выровн их конц по всему объем базы перем в напр к. Приближ к обр смещ кол перех дырки как неосн носители безпреп проходят из б в к увел ток к. Некоторое кол-во дырок при их движ к базе рекомбинирует с э-ми что вызывает доп приток э-ов в базу из внешн цепи т.е. наличие рекомбинир сост Iэрек тока э, явл-ся сост тока базы. За счет соотв констр тр на к попадает больш инжектированных в базу дырок поэтому Iэрек>>Iкр. Вел-на, αинт=Iкр/Iэ=0,95-0,99 (1), наз-ся статич или интегр коэфф передачи тока э. Он показывает какая часть тока э замыкается ч/з кол це-пь. По 1 з-ну Кирхгофа Iэ=Ik+Iб (2),где Iэ=Iэп+Iэрек+Iкр
Iб=Iэп+Iэрек+Iкбо; Ik=Ikp+Iкбо; исп (1) и(2) получим:
Ik= αинтIэ+ Iкбо
наряду с αинт часто исп статический (интегр) коэфф передачи тока базы βи=Iкр/(Iэп+Iэрек)=(Iк-Iкбо)/(Iб+Iкбо)(3)
Статит параметры измер в стат режиме при неизм токах и напр.
17.Схемы включения тр и дифференц парам-ры.
В завис от того какой электрод явл общим для вх и вых цепей разл 3 схемы вкл тр: с ОК,ОБ,ОЭ.
Согласно (Iэ=Ik+Iб (2)) при возр Iэ на вел-ну ∆ Iэ возр также и ост токи. Iэ+∆ Iэ= Ik+∆Ik+Iб+∆Iб (4)
Вычтем (2) из (4) : ∆Iэ=∆Ik+∆Iб (5)
отношение приращ вых тока к вызывающему его приращ вх тока при неизм U вых цепи наз-ся коэф (диффренц) прямой передачи по току. Для сх с ОБ: ток вх- Iэ, вых-Iк поэтому для сх с ОБ коэфф пр предачи по току = α=∆Ik/∆Iэ при Uк=const (6)
В усил режиме в схеме с ОБ αи ≈ α. Из (6) можно найти приращ Iк: ∆Ik= α*∆Iэ(7). Приращ тока б есть разность приращ Iэ и Iк: ∆Iб=∆Iэ- ∆Ik подставим сюда (7): ∆Iб=∆Iэ- α*∆Iэ= ∆Iэ(1± α)(8)
В схеме с ОЭ вых током явл Iк, вх-Iб, поэтому коэфф прям перед по току: β=∆Iк/∆Iб при Uк=const (9)
Коэфф β можно выр-ть ч/з α: β= α*∆Iэ/(∆Iэ(1± α))=
= α/(1- α)≈1/(1- α) т.к. α≈1 (10)
Отсюда видно что чем ближе α к 1 тем больше коэф
β. Из (10)=> β(1- α)= α; β- β *α= α ; α= β/( β+1) (11)
В схеме с ОК вых ток –Iэ вх-Iб коэфф; пр перед по току в сх с Ок ≈1 и опр по ф-ле:
∆Iэ/∆Iб=|исп ф-лу 8|=∆Iб/(∆Iб(1- α))=1/(1- α)=|исп ф-лу 11|=1/(1- β/(β+1))= (β+1)/( β+1- β)= β+1≈ β(12) т.к. β>>1.
При работе тр-ра в линейном режиме на практике исп след равенства: α≈ αи=Iк/Iэ (13) β≈ βи= Iк/Iб (14)
Iк>> Iб>> Iкбо зная α и β по (13) и (14) можно опр токи
Iк ;Iб ; Iэ
Iк≈ α Iэ
Iэ= Iк/ α (15)
Iб≈ Iк/ β
Iб≈ Iэ(1- α) (16)
В схеме с ОЭ при отсутствии Iб ч/з тр протекает сквозн ток Iкэс, аналогично току Iкбо в сх с ОБ. Подставим (2) в выр-е Iк= α Iэ+ Iкбо при Iб=0 и получим Iкэс= Iкбо/(1- α)= Iкбо(β+1) (17)















