1-17 (540713), страница 2
Текст из файла (страница 2)
Емкость p-n - перех обр так назыв барьерной и дифф емкостями.
Барьерная емк Сб хар-ся сосредоточением по обе стороны границы раздела р и n слоев объемных зар-ядов, создаваемых ионами примес. Наличие бар емк
обуславл протекание тока ч/з ЭДП при изм U на нем Величина Сб опр-ся соотношением: Сб=dQ/dU.
Вел-на Сб завис от площади р-n - перех и м/б до 10-ов и 100-тен пФ. Это физ явл, т.е. зависимость Сб отUобр исп-ся в варикапах, прим-х в качестве конденсаторов перем емк, управл U.
Дифф емк Сдиф обусл изм суммарных зарядов нерав-новесных э-ов и дырок, соотв-но в р и n обл в рез-те изм U на ЭДП. Эти заряды созд-ся за счет дифф нос-ителей ч/з ЭДП, поэтому Сдиф обр при Uпр на нем. Величина Сдиф завис от протек ч/з перех Iпр и может составл 100-ни и 1000-чи пФ,т.е. Сдиф>>Сб Т.о. при прямом смещении ЭДП его емк опр в основном Сдиф, а при обр, когда Сдиф=0,-барьерной емк Сб.
8.П/п.диоды, схема замещ, классиф, УГО.
П/п.диодом наз-ся двухэлектродный прибор, осно-ву которого сост p-n-структура с р и n обл-ми раздел-ми ЭДП. При произв-ве д ,одну из обл легируют >,и она имеет > конц осн носит заряда (обычно p-обл) и обозн как р+. Эту обл наз-ют- эмиттером, а другую – базой.
р-n - перех с неодинаковой конц примесей наз-ся несимметричным и обозн (р+-n).
При расчете эл схем с п/п.д. возникает необх в уче-те всех парам-в д. С этой целью исп-ся схема замещ:
Элем схемы зам явл-ся:
Сд-емк диода
= сумм Сб и Сдиф, и завис от режима работы
Сд=Сб+Сдиф; R - интегр сопр перех, опр по ВАХ диода
rб-распределенное эл сопр базы д ,его электродов и выводов. В точных расчетах учитыв-ся емк м/у выв-одами Св, их индуктивность Lв, входн Свх и выходн Свых емк-ти д относ-но общей шины устр-ва.
Типы диодов:
-выпрямительные
-высокочастотные
-импульсные
-стабилитроны и стабисторы
-варикапы
-туннельные
-обращенные
-двухбазовые
-диоды Шотки
-светодиоды
-фотодиоды
Букв цифр маркировка д состоит из неск эл-ов:
1)Буква или цифра обозн материал:
Г или 1-Ge, К или 2-Si, А или 3-соед Ga, И или 4-In.
2)Буква обозн подкласс д.
Д - выпрям, импульсн, магнитодиоды
Ц - выпрям столбы и блоки, мосты.
С - стабилитроны и стабисторы
В - варикапы, Л - светодиоды, И - туннельные
А - СВЧ диоды.
3)Цифра обозн подкл по частоте раб и расс мощн-ти
4)5)6)Цифры и буквы обозн № разработки,а для ста-билитр и стабисторов U стабилизации и последов-ть разработки.
7)Буква опр-ая различия в параметрах
Пример: КД2102А
9.Выпрямительные диоды.
П/п.д., предназн для выпр перем тона низк частоты наз-ся выпрям.д. В них исп-ся асимметрия ВАХ р-n -перех. Выпр.д. пр мощн подразд на:
1)малой(Iпр до 300 мА, Uобр до 1,2 кВ)
2)средней(Iпр=0,3…10А, Uобр=1,2кВ)
3)большой мощн(Iпр до 1кА, Uобр до 3,5кВ)
Параметрами выпр.д. явл-ся:
1)Допустимый выпр ток(средн знач-е прям-го тока ), определ как допустимое среднее за период знач-е тока синусоидальной формы при работе цепи с част 50 Гц в заданном диапазоне температур.
2)Прямое падение U(Uпр на диоде при токе Iпр).
3)Max Uобр, классифицир при max раб t-ре.
4)Iобр, опр-ся при max раб t-ре и Uобр
Кремниевые д имеют по сравн с герм более высо- кую раб t-ру и Uобр, более низк цену и Iобр, но больш-ее прямое падение U.
Схема замещ имеет 2 эл-та: Rn и rб.
10.Высокочастотные диоды.
Всч.д. предн-ны для раб-ты в цепях с част тока до сотен МГц, они подр-ся на :
1)Детекторные - исп-е для выдел-я низкочастотного сигнала из модулированного колебания.
2)Смесительные - предназн для изм несущей частоты модулированного колебания.
3)Модуляторные - использ для модуляции высокочастотных колебаний.
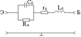
Для изготовл всч.д. исп-ся спец технологии позвол-е ↓ емкость д-да Cд. Параметрами этих диодов, кроме указ для выпрям диодов явл-ся предельная раб частота. Схема замещ: Rn, rб, Сд, Сб, Lв.
11.Импульсные диоды.
Они предназн для работы в качестве ключа с двумя состояниями: открыт- когда R д мало, закрыт– когда R д велико. Время перехода из одного сост в другое опр-ся быстродействием аппаратуры с этими д-ми.
Длительность процесса перекл имп.д. из закр сост в откр опр временем накопл необх конц неравновесн-ых носителей в близких к p-n-переходу слоях за счет их дифф ч/з переход. В рез-те прям напр на д при его отпирании Uпримп имеет > вел-ну, чем в установ режиме Uпр. Это наз-ся имульсн прям напряж-ем д-а, а интервал времени в теч которого U на д-де уст от Uпримп до 1,1Uпр наз-ся временем установления,tуст.
Переключение д-да из отк сост во вкл сост хар-ся резким увел обр тока до величины Iобримп и наличием интервала t изм обр тока до низк знач-я. Это обусл-но стягиванием неосн носит-ей заряда обратно в р-n-переход под действ обр напр-я и их рекомбинацией с осн носителями з-да. Временем восст-я аппаратно-го сопр-я tвос наз-ся интервал времени от момента прохождения тока ч/з 0 после перекл диода с задан-ного Iпр на заданное Uобр до мом-та достиж-я Iобр зад-анного низкого значения. По tвос имп. диоды дел на:
-высокого быстродействия tвос<10мс
-среднего быстродействия 10мс<tвос<100мс
-низкого быстродействия tвос>100мс
12.П/п стабилитроны и стабисторы.
Д-ды в кот исп св-во незначительного изм аппарат-ного напр-я на p-n - пререходе при электр(лавинном или туннельном) пробое наз-ся п/п стабилитроном.
ВАХ:
Рабочим участком ВАХ п/п. стаб. явл-ся уч-к 1-2 обр ветви хар-ки. Осн парам-ми явл :1)U стабилизац
Uст; 2)Min тол стабилиз Iст min; 3)Мах ток стаб Iст мах;
4)Динамическое или дифференц-е сопротивл-е Rд;
5)Прямое сопр Rпр; 6)Темпер коэфф напряж стаб (ТКН).
Напряж стаб в совр стабилитроне и стабисторе лежит в пределе от 0,7 до 180 В. Min ток стаб Iст min
может изм от 10-х долей до 180В. Iст max огр-ся допус-тимой мощностью рассеивания и м/б от 2мА до 1,5мА
Rд хар-ет наклон раб точки учс-тка.(1-2):
Rд=d/d(I)≈∆Uст/∆Iст
Прямое сопр в раб точке А опре по ф-ле: Rн=UaIа
ТКН хар-ет измен Ucт в % при изм t-ры окр среды на 10С.Он может сост то 0,0005 до 0,2 %.
Стабилитроны прим в схемах || стаб U.Раб точка п/п. стабистора обычно выбир в сер уч-ка 1-2: Iст=(Icт min+Iст мах)/2. Для данной схемы можно сост Ур-е Кирхгофа.(по 2-3 з-ну):
Е=Rб/(Iп+Iуст)+Uст.
найдем изм напр стабил-ции при изм напр ист пит-я:
∆Е=∆Uст+Rб(∆Iп+∆Icт)=∆Ucт+Rб(∆Ucт/Rп+∆Uст/Rд)
∆Uст=∆Е/(1+Rб/Rп+Rб/Rд); Rб/Rд>>1, получим ∆Uст<<∆Е ,т.е. напр на нагр и стабил-не измен знач-но < чем напр исп пит. При измен Rп измен Iп на вел-ну ∆Iп; тогда при Е=const ∆I0=∆Iп-∆Iст при этом изм напр стаб-ции : ∆Uст=Rб(∆Iп-∆Iст)=Rб(∆Iп-∆Uст/Rд)
∆Uст=RбIп/(1+ Rб/Rд)
=>чем ↑ отклонение Rб/Rд тем ↑стабилизация напр на нагр-ке. Однако при очень >Rб расс мощн на нем так же увел, падает КПД. устройства.
Стабилитр исп для стабил низк напр. Они раб на прямой ветви ВАХ. ЭДП.
13.Туннельные диоды.
Т.д. - это п/п д-д, в принципе раб которых исп тунн эф преноса з-да ч/з потенц барьер р-n - перех.
Т.д. отлич-ся высокой конц носителей примесей (1019 атом/см3). Благодаря чему обедненный слой станов очень тонк это прив-т к появл тун эфф прох носит заряда ч/з р-n - перех.
ВАХ:
Т .эфф действ-ет от отриц напр до Umin, ч/з тун д-д протекает дифф ток, экспоненциально зависящий от прилон напр. Наклон падающ участка ВАХ опр вел-ну дифф отриц сопр тунн д-да: Rд=dU/dI≈∆U/∆I
Другими параметрами явл-ся:
-ток пика ВАХ Imax
-Umax cоотв напр
-Imin ток падения хар-ки
-Umin соотв напр.
-отношение Кi = Imax /Imin
-Uп - мах напр допуст при работе т.д. в схеме гене-ра
-Сд - емк диода.
Ток в т.д. созд-ся осн носит, поэтому прибор обл высоким быстродействием и может раб на частотах до сотен ГГц.
Т.д. хар-ся малой потр мощн, массой и габарит, уст-ю к радиации, малым темп коэфф напр и тока.
Схема замещ и генератор на его основе:
14.Диоды Шоттки.
Кроме полупроводниковых переходов сущ-ет также переход “металл-полупроводник”, который обозн-ся как m-p и m-n, в завис-ти от типа п/п-ка.
Осн-ые матем-е соотн-я получил для них немецкий ученый Шоттки, поэтому они названы в его честь, а потенциальный барьер на переходе “металл-полупроводник” наз-ся барьером Шоттки.
Прямой ток в них создается основными носителями заряда. Накопление заряда в базе отсутствует, а барьерная емкость мала (доли пикофарад).
За счет этого, предельная частота работы составляет 10 ГГц. Их исп-ют в качестве быстродейств логарифм эл-ов. Д.Ш. имеют Uобр до 500В, Iпр до 10А,Uпр≈0,3В, что озн-ет из высокий КПД; технолог их пр-ва дешевая, однако коммутируемый ими ток невелик, а допустимое обратное напряжение ограничено.
15.Общие сведения от тр-рах.Маркировка.УГО.
Биполярным транзистором наз-ся трехэлектродный полупроводниковый прибор, имеющий 2 ЭДП (электронно-дырочных перехода) и предназначеный для усиления мощности.
В завис-ти от чередования областей различают p-n-p и n-p-n. Их п/п структура и УГО:
Одну из крайних обл легируют п/п структуры сильнее чем другую. Ее исп для инжектирования носит заряда в средн обл и наз-ют эмиттером. Дру-гая крайн обл наз-ся коллектором, функц которого яв-ся сбор носит заряда, пошедших ч/з базовую обл. Пластина п/п явл основ конструкции и наз-ся базой. Переходы обр с базой наз-ся соотв эмиттерный(Э) и коллекторный(К). В обоих типах тр функц слоев и пр-осих действ аналог. Отличие их в том что измен тип носит заряда, приход в базу. В p-n-p –дырки, в n-p-n – эл-ны. Букв-цифр маркировка аналогична марк диода:
2)Буква Т - биполярные П - полевые
3)Цифра указ мощн и частотн св-ва :
Мал 1-низк част с fгр=3 МГц
мощн 2-средн част с fгр от 3 до 30 МГц
Рк<0,3Вт 3-выс част с fгр>30 МГц
Сред 1-низк част с fгр=3 МГц
мощн 2-средн част с fгр от 3 до 30 МГц
Рк=0,3-1,5Вт 3-выс част с fгр>30 МГц















