3 лаба (539130)
Текст из файла
Лабораторная работа №3
«Испытание токарного станка на виброустойчивость»
Динамическое качество станка определяется устойчивостью системы и характеристикой ее реакции на внешнее воздействие. Динамическое качество станка можно оценить лишь как динамическое качество одной системы, включающей собственно станок, приспособление, инструмент и обрабатываемую деталь в их взаимодействии с рабочими процессами (резанием, трением и т.д.).
Основные показатели динамического качества станка запас устойчивости и степень устойчивости; отклонение параметров динамической системы при внешних воздействиях; быстродействие.
Запас устойчивости определяет возможность изменения того или иного параметра системы без потери его устойчивости. Потеря системой устойчивости выражается в появлении автоколебаний, подрывании инструмента, в неравномерном скачкообразном перемещении узлов. Степень устойчивости характеризует способность системы рассеивать энергию, вносимую внешним воздействием.
Отклонение параметров динамической системы различаются по виду внешних воздействий на: статические, вызванные постоянным по времени воздействием (лабораторная работа №2); стационарные динамические, вызванные установившемся во времени воздействием; переходные динамические отклонения, возникающие при неустановившихся воздействиях и случайные динамические. Быстродействие системы определяет быстроту завершения переходного процесса.
При испытаниях на виброустойчивость решают обычно следующие задачи: сравнение характеристик различных станков; определение качества изготовления станков; определение режимов обработки, допускаемых станков; изучение особенностей возникновения вибраций.
В данной работе в качестве контролируемых показателей динамического качества станка приняты: запас устойчивости и отклонение параметров динамической системы в зависимости от условий обработки.
Наиболее удобным параметром для оценки устойчивости системы является предельная ширина срезаемого слоя. Границу устойчивости целесообразно строить в координатах «предельная ширина среза – скорость резания (частота вращения шпинделя)» при различных подачах. Так как эти параметры определяют производительность и качество обработанной поверхности. Испытания проводятся при различных условиях резания до появления на поверхности обрабатываемой детали характерных следов вибрации.
При токарной обработке могут возникать два вида автоколебаний: низкочастотные, порядка десятков и сотен герц и высококачественные, порядка тысяч герц и выше. Эти виды автоколебаний имеют характерные внешние признаки: первые сопровождаются звуком низкого тона, и вторые – звуком высокого тона (свистом). При низкочастотных колебаниях вибрирует весь станок, а при высокочастотных инструмент и связанные с ним детали.
Отклонение параметров динамической системы оценивается на холостом ходу по амплитуде (ускорении) колебаний отдельных узлов станка, так и в зависимости от режимов резания.
Цель работы:
Экспериментальное определение динамических показателей качества токарного станка.
Объект исследований:
Токарно-винторезный станок.
Применяемые приборы и инструмент: осциллограф С1-15; измеритель ускорений ПИУ-1М; заготовка диаметром 80мм; и длиной 300..350 мм; проходной резец.
Порядок выполнения работы:
1. Измерить ускорения передней бабки станка при измерении частоты вращения шпинделя. Результаты занести в протокол № 3.1.
2. Измерить ускорения динамической системы станка при изменении условий резания (частоты вращения шпинделя, подачи и глубины резания). Результаты занести в протокол №3.2.
3. Определить предельную глубину резания в зависимости от частоты вращения шпинделя и подачи. Результаты фиксируются в протоколе № 3.3.
4. Выполняется анализ полученных данных, и строятся необходимые графики.
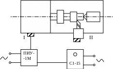
Для определения реакции динамической системы станка на внешние воздействия необходимо предварительно собрать экспериментальный стенд. Схема измерительной установки приведена на рис. 3.1. Пьезокристаллический датчик ускорений, при выполнении п.1, устанавливается на передней бабке токарного станка. Измерения выполняются во всем диапазоне частот вращения шпинделя от
до
. При выполнении п.2 и п.3 датчик ускорений необходимо установить на инструмент. Реакция динамической системы на изменение условий резания контролируется по индикатору прибора ПИУ-1М и осциллографу. Частота вращения шпинделя, глубина и подача резания изменяются последовательно и в соответствии с протоколом № 3.2.
Исследование запаса устойчивости динамической системы станка выполняется в зависимости от частоты вращения шпинделя и подачи резания. Увеличение глубины резания выполняется до появления автоколебаний или апериодической неустойчивости. Контроль осуществляется по следам обработки, по тону возникающих колебаний, по виду стружки и по измерительным приборам.
По результатам экспериментальных исследований строятся зависимости: ускорения от частоты вращения шпинделя при рабочем и холостом ходе; границы зоны устойчивости работы станка.
Рис. 3.1. Схема измерительного стенда.
Протокол 3.1.
| №№ пп | Частота вращение в [об/мин] | Ускорение в [g] | Примечание |
| 1 | 200 | 0,9 | |
| 2 | 630 | 2,6 | |
| 3 | 630 | 2,8 | |
| 4 | 1600 | 2,9 |
Протокол 3.2.
Протокол 3.3.
Характеристики
Тип файла документ
Документы такого типа открываются такими программами, как Microsoft Office Word на компьютерах Windows, Apple Pages на компьютерах Mac, Open Office - бесплатная альтернатива на различных платформах, в том числе Linux. Наиболее простым и современным решением будут Google документы, так как открываются онлайн без скачивания прямо в браузере на любой платформе. Существуют российские качественные аналоги, например от Яндекса.
Будьте внимательны на мобильных устройствах, так как там используются упрощённый функционал даже в официальном приложении от Microsoft, поэтому для просмотра скачивайте PDF-версию. А если нужно редактировать файл, то используйте оригинальный файл.
Файлы такого типа обычно разбиты на страницы, а текст может быть форматированным (жирный, курсив, выбор шрифта, таблицы и т.п.), а также в него можно добавлять изображения. Формат идеально подходит для рефератов, докладов и РПЗ курсовых проектов, которые необходимо распечатать. Кстати перед печатью также сохраняйте файл в PDF, так как принтер может начудить со шрифтами.















