21a (535579)
Текст из файла
Подготовка к работе.
1
Напряжение
в виде меандра, график которого показан на рисунке, а временная зависимость описывается в виде:
относится к случаю периодических кривых, когда они симметричны относительно оси ординат, т.е.
. В этом случае присутствуют гармоники только нечетных номеров.
Гармоники меандра определяются слагаемыми
Ограничиваясь пятью гармониками, можно записать
т.е.
– амплитуда k-ой гармоники меандра уменьшается в k раз по сравнению с основной.
2.
|
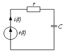
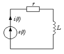
| Напряжение однополупериодного выпрямления |
Кривые мгновенных значений первых 4-ех слагаемых ряда Фурье и их результирующая.
Амплитудный и фазовый спектры напряжения однополупериодного выпрямления.
3.
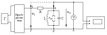
Для определения амплитуды напряжения 2-ой гармоники необходимо, чтобы частота этой гармоники
совпадала с резонансной частотой контура
. Для этого, уменьшая частоту напряжения генератора до значения
, добиваются совпадения резонансной частоты контура и частоты 2-ой гармоники напряжения на выходе преобразователя. Показание вольтметра V, подключенного к контуру, при этом достигнет максимального значения. Амплитуда
, соответствующая второй гармонике исследуемого напряжения
на выходе преобразователя, вычисляется с учетом коэффициента передачи, т.е.
. Из пункта 2
4
5
Характеристики
Тип файла документ
Документы такого типа открываются такими программами, как Microsoft Office Word на компьютерах Windows, Apple Pages на компьютерах Mac, Open Office - бесплатная альтернатива на различных платформах, в том числе Linux. Наиболее простым и современным решением будут Google документы, так как открываются онлайн без скачивания прямо в браузере на любой платформе. Существуют российские качественные аналоги, например от Яндекса.
Будьте внимательны на мобильных устройствах, так как там используются упрощённый функционал даже в официальном приложении от Microsoft, поэтому для просмотра скачивайте PDF-версию. А если нужно редактировать файл, то используйте оригинальный файл.
Файлы такого типа обычно разбиты на страницы, а текст может быть форматированным (жирный, курсив, выбор шрифта, таблицы и т.п.), а также в него можно добавлять изображения. Формат идеально подходит для рефератов, докладов и РПЗ курсовых проектов, которые необходимо распечатать. Кстати перед печатью также сохраняйте файл в PDF, так как принтер может начудить со шрифтами.
















