Пособие к ТСН 31-312-98 (МГСН 4.10-97) Выпуск 1 (524720), страница 6
Текст из файла (страница 6)
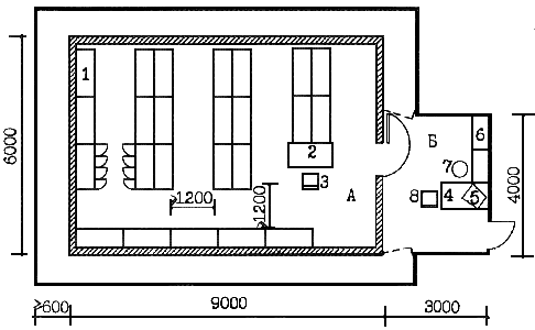
| А - тамбур главного входа или вестибюль | 3 - компьютерный информационный киоск |
| Б - зал автоматического обслуживания клиентов. | 4 - перегородка |
| 1 - ячейки банковской почты /с открыванием магнитной картой/ | 5 - кресло |
| 2 - ячейки банковской почты /с открыванием ключом/ |
Рис. 4.44. ЗАЛ АВТОМАТИЧЕСКОГО ОБСЛУЖИВАНИЯ КЛИЕНТОВ
4.5. Помещения индивидуальных сейфов (депозитарий)
4.5.1. В соответствии с МГСН 4.10-97 депозитарий предназначен для хранения ценностей клиентов (в индивидуальных сейфах) и представляет собой кладовую с фибробетонной оболочкой или же сейфовую комнату с несгораемыми сейфами класса устойчивости к взлому не ниже IV (по ГОСТ Р 50862-96) со встроенными ячейковыми индивидуальными сейфами.
4.5.2. Состав помещений депозитария зависит от количества сдаваемых внаем клиентам сейфовых ячеек.
Депозитарий с количеством ячеек не более 1000 состоит из кладовой (сейфовой) и предкладовой (предсейфовой). В этом случае кладовая является хранилищем, а предкладовая - помещением для ожидания и идентификации клиента и размещения рабочего места сотрудника, оснащенного контрольной картотекой и устройством (сейфом) для хранения вторых ключей от ячеек.
Предкладовая депозитария оборудуется техническими средствами контроля доступа.
4.5.3. Депозитарий с количеством ячеек 1000 и более включает следующие помещения:
- контрольный тамбур-шлюз;
- помещение приема и идентификации клиентов;
- помещение сотрудника депозитария, предкладовую с картотекой (электронной или на бумажных носителях) и вторыми ключами от сейфовых ячеек;
- хранилище с индивидуальными сейфами.
Для увеличения пропускной способности депозитария в хранилище могут быть устроены закрывающиеся дверьми боксы для индивидуальной работы клиентов. Индивидуальные боксы оснащаются вызывной связью с сотрудниками депозитария. При отсутствии боксов в хранилище единовременно может находиться только один клиент.
При невозможности устройства боксов для клиентов непосредственно в хранилище допустим вход в них из предкладовой.
В зависимости от типа хранилища - кладовая в фибробетонной оболочке или сейфовая комната - вход в него оборудуется специальной бронированной или металлической дверью. В обоих случаях в том же проеме устанавливается дополнительная решетчатая дверь для изоляции кладовой (сейфовой), когда сотрудник депозитария работает в ней с клиентом при открытой бронированной (металлической) двери.
На рис. 4.45 приведены примеры планировки депозитария с сейфовым хранилищем и боксами для индивидуальной работы клиентов, а на рис. 4.46 - депозитария с предкладовой.
| А - помещение ожидания и идентификации | 5 - сейф для ключей |
| Б - помещение для сотрудников депозитария /предсейфовая/ | 6 - сейф депозитный ячейковый |
| В - депозитарий сейфовый /сейфовая комната/ | 7 - бокс для клиентов |
| Г - контрольный тамбур-шлюз | 8 - стол |
| 1 - стол рабочий | 9 - стул |
| 2 - компьютер | 10 - стол журнальный |
| 3 - шкаф-картотека | 11 - кресло для ожидания |
| 4 - стул подъемно-поворотный |
Рис. 4.45. ДЕПОЗИТАРИЙ СЕЙФОВЫЙ
| А - депозитарий | 4 - стол рабочий |
| Б - предкладовая /помещение сотрудника и приема клиентов/ | 5 - компьютер |
| 1 - сейф ячейковый | 6 - шкаф-картотека |
| 2 - стол для клиента | 7 - стул подъемно-поворотный |
| 3 - стул | 8 - стул /кресло/ для клиентов |
Рис. 4.46. ДЕПОЗИТАРИЙ С ПРЕДКЛАДОВОЙ
(В ФИБРОБЕТОННОЙ ОБОЛОЧКЕ)
Помещение для оформления документов на аренду сейфов должно находиться за пределами депозитария.
5. Требования к помещениям информатизации,
офисным и вспомогательным помещениям
5.1. Помещения информатизации
Состав и планировка помещений информатизации коммерческого банка зависит от его назначения, степени развития телекоммуникационной сети, от того, является ли данное здание центральным офисом или филиалом, и от многих других факторов.
Центр информатизации крупного коммерческого банка, имеющего центральный офис, филиалы, должен включать:
а) узел приема-передачи и первичной обработки данных в составе:
помещения технических средств связи и помещения операторов;
б) центр обработки и хранения электронной информации в составе:
помещения для серверов, комнаты операторов, помещения или зоны архива электронных носителей информации;
в) помещения программного обеспечения в составе: комнаты программистов и помещения или зоны архивов электронных носителей информации (специализированные сейфы);
г) помещения технического обслуживания.
Некоторые коммерческие банки, расположенные в г. Москве, для обработки данных по каждому операционному дню пользуются услугами Межрегионального центра информации (МЦИ) при Центральном банке Российской Федерации, обеспечивающего проведение межбанковских операций кредитных учреждений Московского региона. Для банков, пользующихся услугами МЦИ, состав помещений информационного обслуживания может быть ограничен серверной и помещением аппаратуры связи.
Для филиалов коммерческих банков характерно наличие локальных вычислительных сетей, обеспечиваемых работой серверной и терминальных устройств телекоммуникационной сети данного банка.
5.2. Офисные помещения
В состав офисных помещений входят рабочие комнаты отделов, кабинеты и приемные руководства структурных подразделений и банка в целом.
Все рабочие места сотрудников оснащаются современной организационной и компьютерной техникой. Типы рабочих мест руководителей подразделений, сотрудников отделов банка, сотрудников управленческих и хозяйственных подразделений, а также секретаря в приемной приведены на рис 5.1-5.7.
| 1 - стол рабочий | 5 - шкаф для документов |
| 2 - стол компьютерный | 6 - тумба |
| 3 - кресло подъемно-поворотное | 7 - персональный компьютер |
| 4 - стулья для посетителей | 8 - факс |
Рис. 5.1. РАБОЧЕЕ МЕСТО РУКОВОДИТЕЛЯ ОТДЕЛА /ВАРИАНТ 1/
| 1 - стол рабочий | 7 - шкаф металлический |
| 2 - стол компьютерный | 8 - шкаф для документов |
| 3 - стол-вставка | 9 - персональный компьютер |
| 4 - тумба | 10 - факс |
| 5 - кресло подъемно-поворотное | 11 - стол для приема посетителей |
| 6 - стул для посетителей |
Рис. 5.2. РАБОЧЕЕ МЕСТО РУКОВОДИТЕЛЯ
ОТДЕЛА /ВАРИАНТ 2/
| 1 - стол рабочий | 6 - стулья для посетителей |
| 2 - стол компьютерный | 7 - шкаф металлический |
| 3 - стол-вставка | 8 - персональный компьютер |
| 4 - тумба | 9 - факс |
| 5 - кресло подъемно-поворотное |
Рис. 5.3. РАБОЧЕЕ МЕСТО РУКОВОДИТЕЛЯ
ОТДЕЛА /ВАРИАНТ 3/
| 1 - стол рабочий | 4 - стул подъемно-поворотный |
| 2 - тумба | 5 - персональный компьютер |
| 3 - стол компьютерный |
Рис. 5.4. РАБОЧЕЕ МЕСТО СОТРУДНИКА ОТДЕЛА
БАНКА /ВАРИАНТ 1/
| 1 - стол рабочий | 4 - тумба |
| 2 - стол компьютерный | 5 - стул подъемно-поворотный |
| 3 - стол-вставка | 9 - персональный компьютер |
Рис. 5.5. РАБОЧЕЕ МЕСТО СОТРУДНИКА ОТДЕЛА БАНКА /ВАРИАНТ 2/
| 1 - стол рабочий | 8 - стул подъемно-поворотный |
| 2, 3 - тумба | 9 - стул |
| 4, 5 - стол рабочий | 10 - персональный компьютер |
| 6 - стол компьютерный | 11 - факс |
| 7 - стол-вставка |
Рис. 5.6. РАБОЧИЕ МЕСТА СОТРУДНИКОВ
УПРАВЛЕНЧЕСКИХ И ХОЗЯЙСТВЕННЫХ ПОДРАЗДЕЛЕНИЙ БАНКА
| 1 - стол рабочий | 6 - шкаф-картотека |
| 2 - тумба | 7 - персональный компьютер или пишущая машина |
| 3 - стол для компьютера или пишущей машины | 8 - факс |
| 4 - стул подъемно-поворотный | 9 - корзина для мусора |
| 5 - стул |
Рис. 5.7. РАБОЧЕЕ МЕСТО СЕКРЕТАРЯ В ПРИЕМНОЙ
На рис. 5.8 показан пример решения блока помещений руководства центрального офиса коммерческого банка, а на рис. 5.9 - руководства его филиала.
| А - кабинет руководства - 54 м | 8 - сейф |
| Б - комната отдыха - 9 м | 9 - стул |
| В - санитарный узел с душевой кабиной - 4,5 м | 10 - кресло для отдыха |
| Г - помещение для обслуживания деловых встреч и совещаний - 4,5 м | 11 - стол журнальный |
| Д - приемная - 24 м | 12 - диван |
| Е - кабинет первого заместителя - 24 м | 13 - стул подъемно-поворотный |
| 1 - стол рабочий | 14 - рабочее место секретаря |
| 2 - кресло подъемно-поворотное | 15 - шкаф для одежды |
| 3 - стол компьютерный | 16 - стол рабочий |
| 4 - шкаф-витрина | 17 - тумба |
| 5 - шкаф для документов | 18 - персональный компьютер |
| 6, 7 - стол для совещаний | 19 - набор кухонной мебели /бытовой/ |
Рис. 5.8. БЛОК ПОМЕЩЕНИЙ РУКОВОДСТВА КОММЕРЧЕСКОГО
БАНКА /ЦЕНТРАЛЬНЫЙ ОФИС/
| А - кабинет начальника - 24 м | 6 - сейф |
| Б - приемная - 18 м | 7 - стул для посетителей и участников совещаний |
| В - кабинет заместителя - 18 м | 8 - стол журнальный |
| 1 - стол рабочий | 9 - рабочее место секретаря |
| 2 - стол-приставка для посетителей | 10 - персональный компьютер |
| 3 - стол компьютерный | 11 - стол для совещаний |
| 4 - шкаф-витрина | 12 - кресло подъемно-поворотное |
| 5 - шкаф для документов |
Рис. 5.9. БЛОК ПОМЕЩЕНИЙ РУКОВОДСТВА ФИЛИАЛА
КОММЕРЧЕСКОГО БАНКА
















