4 (519821)
Текст из файла
Лабораторная работа №4 по ВМСС
Реализация и построение рекуррентные кодов.
Выполнил: Ахремцев Я. В.
Проверил: Евсеев А. И.
А-13-07
Длина исправляемой пачки ошибок b=4.
Вход: 000010100010111
Кодер:
| № такта | с.1 | с.2 | с.3 | с.4 | Проверка |
| 1 | 0 | 0 | 0 | 0 | 0 |
| 2 | 0 | 0 | 0 | 0 | 0 |
| 3 | 0 | 0 | 0 | 0 | 0 |
| 4 | 0 | 0 | 0 | 0 | 0 |
| 5 | 1 | 0 | 0 | 0 | 0 |
| 6 | 0 | 1 | 0 | 0 | 0 |
| 7 | 1 | 0 | 1 | 0 | 1 |
| 8 | 0 | 1 | 0 | 1 | 0 |
| 9 | 0 | 0 | 1 | 0 | 0 |
| 10 | 0 | 0 | 0 | 1 | 0 |
| 11 | 1 | 0 | 0 | 0 | 1 |
| 12 | 0 | 1 | 0 | 0 | 0 |
| 13 | 1 | 0 | 1 | 0 | 1 |
| 14 | 1 | 1 | 0 | 1 | 0 |
| 15 | 1 | 1 | 1 | 0 | 0 |
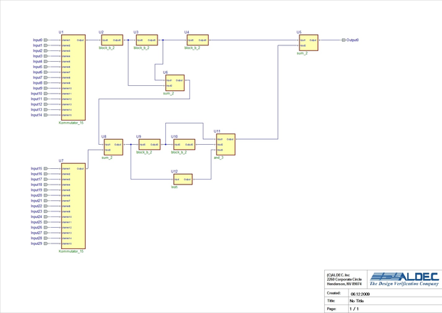
Схема кодера:
Временная диаграмма:
В линию связи: 000000001000110000001100111010
Ошибка: 001111000000000000000000000000
Декодер:
Из Л.С: 001111001000110000001100111010
| № такта | с.1 | с.2 | с.3 | с.4 | Проверка |
| 1 | 0 | 0 | 0 | 0 | 0 |
| 2 | 1 | 0 | 0 | 0 | 0 |
| 3 | 1 | 1 | 0 | 0 | 0 |
| 4 | 0 | 1 | 1 | 0 | 1 |
| 5 | 1 | 0 | 1 | 1 | 1 |
| 6 | 0 | 1 | 0 | 1 | 1 |
| 7 | 1 | 0 | 1 | 0 | 0 |
| 8 | 0 | 1 | 0 | 1 | 0 |
| 9 | 0 | 0 | 1 | 0 | 0 |
| 10 | 0 | 0 | 0 | 1 | 0 |
| 11 | 1 | 0 | 0 | 0 | 1 |
| 12 | 0 | 1 | 0 | 0 | 0 |
| 13 | 1 | 0 | 1 | 0 | 1 |
| 14 | 1 | 1 | 0 | 1 | 0 |
| 15 | 1 | 1 | 1 | 0 | 0 |
Схема декодера:
Временная диаграмма(1):
Временная диаграмма(2):
На выходе получаем:
0000101000101111
Характеристики
Тип файла документ
Документы такого типа открываются такими программами, как Microsoft Office Word на компьютерах Windows, Apple Pages на компьютерах Mac, Open Office - бесплатная альтернатива на различных платформах, в том числе Linux. Наиболее простым и современным решением будут Google документы, так как открываются онлайн без скачивания прямо в браузере на любой платформе. Существуют российские качественные аналоги, например от Яндекса.
Будьте внимательны на мобильных устройствах, так как там используются упрощённый функционал даже в официальном приложении от Microsoft, поэтому для просмотра скачивайте PDF-версию. А если нужно редактировать файл, то используйте оригинальный файл.
Файлы такого типа обычно разбиты на страницы, а текст может быть форматированным (жирный, курсив, выбор шрифта, таблицы и т.п.), а также в него можно добавлять изображения. Формат идеально подходит для рефератов, докладов и РПЗ курсовых проектов, которые необходимо распечатать. Кстати перед печатью также сохраняйте файл в PDF, так как принтер может начудить со шрифтами.
















