dz_emp_v19 (513200), страница 3
Текст из файла (страница 3)
Размеры 1-й шестерни позволяют закрепить ее на валу двигателя (Øвала = 3 мм), т.к диаметр впадины шестерни заметно больше диаметра её ступицы.
Табл. 5.1. Параметры колес
Табл. 5.2. Делительные межосевые расстояния
6. Расчет валов и опор редуктора
6.1. Расчет валов
Для расчета диаметров валов используем следующую формулу:
Mкр – момент, действующий на вал, Нּмм
σ – допускаемое касательное напряжение для выбранного материала, рассчитывается по формуле:
σ-1 – предел выносливости материала при симметричном цикле
n – коэффициент запаса
назначаем n = 1,5
В качестве материала для валов выбираем сталь 40Х после улучшения.
Характеристики: σ-1 = 380 МПа,
HB = 280,
G = 1,5ּ105 МПа,
[σи]=294,3 МПа
При значительной длине и недостаточной крутильной жесткости валика упругий мертвый ход в редукторе может оказаться недопустимо большим. Для учета этого фактора расчет диаметра валика ведут из условия:
l – длина рабочего участка валика, на которой действует крутящий момент Mкр
Назначим l = 32 мм из геометрических размеров зубчатых колес
G – модуль упругости при сдвиге
[φ] – допускаемое значение угла закрутки вала
По условию: [φ] = 15'
Табл. 6.1. Расчет диаметров валов (с учетом стандартного ряда [3])
| Параметр | I (входной) | II | III | IV | V | VI(выходной) |
| Mкр, Нּмм | 24.5 | 66.2 | 181 | 509 | 1383 | 3750 |
| dmin, мм | 0.78 | 1.09 | 1.52 | 2.15 | 2.98 | 4.15 |
| dmin φ, мм | 0.28 | 0.35 | 0.43 | 0.54 | 0.67 | 0.83 |
| d, мм | 3.0 | 3.0 | 3.0 | 3.0 | 5.0 | 5.0 |
Расчет вала на жесткость.
При расчете принимаем:
-
За ширину колес и шестерен принимаем наибольшее значение ширины 7,5 мм
-
Расстояние между шестернями 3 мм
-
Расстояние между шестернями и опорой 2 мм
-
Ширина опоры 5 мм
-
Из этого следует, что длина вала 32 мм
Расчет сил, действующих на вал, ведем по формулам [4]:
d – диаметр начальной окружности колеса
Принимаем d равным диаметру делительной окружности, т. к. x = 0
MКР – крутящий момент на валу
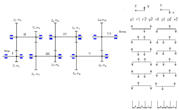
Табл. 6.2. Значения реакций, действующих на валы, и расстояния между точками их приложения
| Параметр | I | II | III | IV | V | VI |
| Mкр | 24.4 | 66.2 | 181 | 509 | 1383 | 3750 |
| dшестерни | 10.2 | — | ||||
| dколеса | — | 28.8 | ||||
| pш | 4.75 | 12.98 | 35.49 | 99.8 | 271.17 | 0 |
| rш | 1.72 | 4.72 | 12.92 | 36.32 | 98.7 | 0 |
| pк | 0 | 4.59 | 12.57 | 35.35 | 96.05 | 260.42 |
| rк | 0 | 1.67 | 4.58 | 12.86 | 34.9 | 94.7 |
| a | 8.25 | |||||
| b | 10.5 | |||||
| c | 8.25 | |||||
Рис. 6.1. Схема редуктора и нагрузок на валы
Находим неизвестные силы реакции x1, x2, y1, y2, используя уравнения моментов и сил:
Плоскость ZY:
Плоскость ZX:
Плоскость ZY:
Плоскость ZX:
Для вала II
Плоскость ZY:
Плоскость ZX:
Для вала IV
Плоскость ZY:
Плоскость ZX:
Плоскость ZY:
Плоскость ZX:
Для вала III
Плоскость ZY:
Плоскость ZX:
Для вала V
Плоскость ZY:
Плоскость ZX:
Плоскость ZY:
Плоскость ZX:
Радиальная нагрузка на опору рассчитывается по формуле:
Табл. 6.3. Значения реакций в опорах и радиальная нагрузка на опоры
Далее, строим эпюры моментов.
Эпюры нагрузок в плоскости ZY:
Табл. 6.4. Моменты в сечениях валов в плоскости ZY
| Сечение | I | II | III | IV | V | VI |
| 1 | - | -21.45 | 58.74 | -165.25 | 448.8 | -542.52 |
| 2 | 9.8 | -31.22 | 85.41 | -240.53 | 653.55 | - |
Эпюры нагрузок в плоскости ZX
Табл. 6.5. Моменты в сечениях валов в плоскости ZX
| Сечение | I | II | III | IV | V | VI |
| 1 | - | 6.44 | 17.49 | 49.01 | 133.65 | -1492.02 |
| 2 | 27.19 | 62.82 | 171.74 | 482.55 | 1312.28 | - |
Рассчитываем диаметры валов, исходя из эпюр нагрузок
араметр
№ вала
№ вала














