120 (511536)

Файл №511536 120 (120)120 (511536)2013-08-18СтудИзба
Просмтор этого файла доступен только зарегистрированным пользователям. Но у нас супер быстрая регистрация: достаточно только электронной почты!

Текст из файла

120. Лодка длиной L= 3 м и массой M = 120 кг стоит на спокойной воде. На носу и корме находятся два рыбака массами m1 = 60 кг и m2 = 90 кг. На сколько сдвинется лодка относительно воды, если рыбаки поме­няются местами?

L=3 м

M=120кг

m1 = 60 кг

m2 = 90 кг

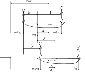
Систему люди — лодка относительно горизонтального направления можно рассматривать как замкнутую. Согласно следствию из закона сохранения импульса, внутренние силы замкнутой системы тел не могут изменить положение центра масс системы. Приме­няя это следствие к системе люди — лодка, можно считать, что при перемещении людей по лодке центр масс системы не изменит своего положения, т. е. оста­нется на прежнем расстоянии от берега.

Пусть центр масс сис­темы люди—лодка нахо­дится на вертикали, прохо­дящей в начальный момент через точку C1 лодки (рис.), а после переме­щения лодки – через дру­гую ее точку C2. Так как эта вертикаль неподвижна относительно берега, то искомое перемещение S лодки относительно берега равно перемещению лодки относительно вертикали. А это последнее легко определить по перемещению цен­тра масс О лодки. Как видно из рисунка, в начальный мо­мент точка О находится на расстоянии a1 слева от верти­кали, а после перехода людей — на расстоянии a2 справа от вертикали. Следовательно, искомое перемеще­ние лодки S=a1+a2.

Для определения a1 и а2 воспользуемся тем, что ре­зультирующий момент сил, действующих на систему от­носительно горизонтальной оси, перпендикулярной про­дольной оси лодки, равен нулю. Поэтому для начального положения системы M×g×a1+m1×g×(L–l+a1) =m2×g×(l–a1), откуда . После перемещения лодки M×g×a2+m1×g×(a2+l)=m2×g×(L–a2–l), откуда . Подставив полученные значения a1 и a2 в S=a1+a2 найдем . Подставляем числа. .

S = ?

Характеристики

Тип файла
Документ
Размер
106,5 Kb
Материал
Тип материала
Предмет
Учебное заведение
Неизвестно

Тип файла документ

Документы такого типа открываются такими программами, как Microsoft Office Word на компьютерах Windows, Apple Pages на компьютерах Mac, Open Office - бесплатная альтернатива на различных платформах, в том числе Linux. Наиболее простым и современным решением будут Google документы, так как открываются онлайн без скачивания прямо в браузере на любой платформе. Существуют российские качественные аналоги, например от Яндекса.

Будьте внимательны на мобильных устройствах, так как там используются упрощённый функционал даже в официальном приложении от Microsoft, поэтому для просмотра скачивайте PDF-версию. А если нужно редактировать файл, то используйте оригинальный файл.

Файлы такого типа обычно разбиты на страницы, а текст может быть форматированным (жирный, курсив, выбор шрифта, таблицы и т.п.), а также в него можно добавлять изображения. Формат идеально подходит для рефератов, докладов и РПЗ курсовых проектов, которые необходимо распечатать. Кстати перед печатью также сохраняйте файл в PDF, так как принтер может начудить со шрифтами.

Список файлов решённой задачи

Свежие статьи
Популярно сейчас
Почему делать на заказ в разы дороже, чем купить готовую учебную работу на СтудИзбе? Наши учебные работы продаются каждый год, тогда как большинство заказов выполняются с нуля. Найдите подходящий учебный материал на СтудИзбе!
Ответы на популярные вопросы
Да! Наши авторы собирают и выкладывают те работы, которые сдаются в Вашем учебном заведении ежегодно и уже проверены преподавателями.
Да! У нас любой человек может выложить любую учебную работу и зарабатывать на её продажах! Но каждый учебный материал публикуется только после тщательной проверки администрацией.
Вернём деньги! А если быть более точными, то автору даётся немного времени на исправление, а если не исправит или выйдет время, то вернём деньги в полном объёме!
Да! На равне с готовыми студенческими работами у нас продаются услуги. Цены на услуги видны сразу, то есть Вам нужно только указать параметры и сразу можно оплачивать.
Отзывы студентов
Ставлю 10/10
Все нравится, очень удобный сайт, помогает в учебе. Кроме этого, можно заработать самому, выставляя готовые учебные материалы на продажу здесь. Рейтинги и отзывы на преподавателей очень помогают сориентироваться в начале нового семестра. Спасибо за такую функцию. Ставлю максимальную оценку.
Лучшая платформа для успешной сдачи сессии
Познакомился со СтудИзбой благодаря своему другу, очень нравится интерфейс, количество доступных файлов, цена, в общем, все прекрасно. Даже сам продаю какие-то свои работы.
Студизба ван лав ❤
Очень офигенный сайт для студентов. Много полезных учебных материалов. Пользуюсь студизбой с октября 2021 года. Серьёзных нареканий нет. Хотелось бы, что бы ввели подписочную модель и сделали материалы дешевле 300 рублей в рамках подписки бесплатными.
Отличный сайт
Лично меня всё устраивает - и покупка, и продажа; и цены, и возможность предпросмотра куска файла, и обилие бесплатных файлов (в подборках по авторам, читай, ВУЗам и факультетам). Есть определённые баги, но всё решаемо, да и администраторы реагируют в течение суток.
Маленький отзыв о большом помощнике!
Студизба спасает в те моменты, когда сроки горят, а работ накопилось достаточно. Довольно удобный сайт с простой навигацией и огромным количеством материалов.
Студ. Изба как крупнейший сборник работ для студентов
Тут дофига бывает всего полезного. Печально, что бывают предметы по которым даже одного бесплатного решения нет, но это скорее вопрос к студентам. В остальном всё здорово.
Спасательный островок
Если уже не успеваешь разобраться или застрял на каком-то задание поможет тебе быстро и недорого решить твою проблему.
Всё и так отлично
Всё очень удобно. Особенно круто, что есть система бонусов и можно выводить остатки денег. Очень много качественных бесплатных файлов.
Отзыв о системе "Студизба"
Отличная платформа для распространения работ, востребованных студентами. Хорошо налаженная и качественная работа сайта, огромная база заданий и аудитория.
Отличный помощник
Отличный сайт с кучей полезных файлов, позволяющий найти много методичек / учебников / отзывов о вузах и преподователях.
Отлично помогает студентам в любой момент для решения трудных и незамедлительных задач
Хотелось бы больше конкретной информации о преподавателях. А так в принципе хороший сайт, всегда им пользуюсь и ни разу не было желания прекратить. Хороший сайт для помощи студентам, удобный и приятный интерфейс. Из недостатков можно выделить только отсутствия небольшого количества файлов.
Спасибо за шикарный сайт
Великолепный сайт на котором студент за не большие деньги может найти помощь с дз, проектами курсовыми, лабораторными, а также узнать отзывы на преподавателей и бесплатно скачать пособия.
Популярные преподаватели
Добавляйте материалы
и зарабатывайте!
Продажи идут автоматически
6799
Авторов
на СтудИзбе
279
Средний доход
с одного платного файла
Обучение Подробнее