Для студентов МГТУ им. Н.Э.Баумана по предмету Металлорежущее оборудованиеРазработка роботизированного участка для изготовления детали «Крышка» Разработка роботизированного участка для изготовления детали «Крышка»
5,0052
2024-01-182024-01-18СтудИзба
Курсовая работа: Разработка роботизированного участка для изготовления детали «Крышка» вариант 4
Описание
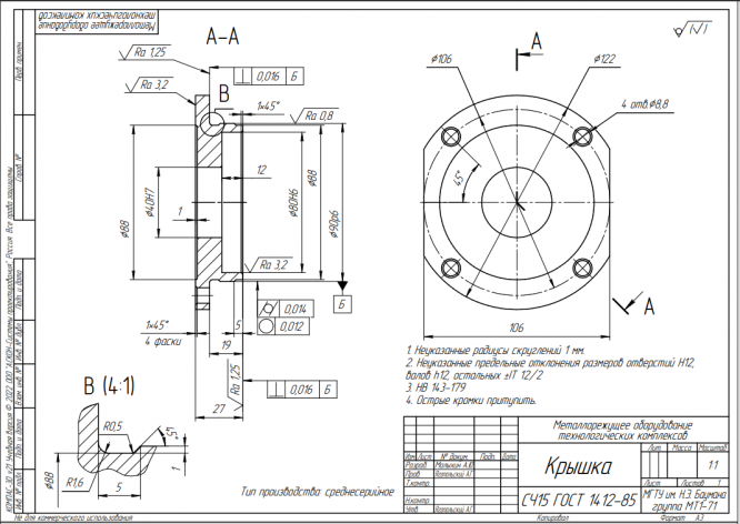
Деталь для которой разрабатывался участок. В архиве есть все исходники. Курсач сдан на Отл Молчанову.
![]()
Характеристики курсовой работы
Предмет
Учебное заведение
Семестр
Вариант
Теги
Просмотров
57
Качество
Идеальное компьютерное
Размер
19,94 Mb
Преподаватели
Список файлов
фул
BLANK_na_KURSOVOJ_PROEKT.doc
BLANK_na_KURSOVOJ_PROEKT.pdf
Лист 1.1..cdw
Лист 1.2.cdw
Лист 1.3..cdw
Лист 1.4..cdw
Лист 1.pdf
Лист 2.cdw
Лист 2.pdf
Лист 3.cdw
Лист 3.pdf
Лист 4.cdw
Лист 4.pdf
Лист 5.cdw
Лист 5.pdf
РПЗ.docx
РПЗ.pdf
доклад говна.docx
МГТУ им. Н.Э.Баумана

alexyloveyou



















