Для студентов МГТУ им. Н.Э.Баумана по предмету Инженерная графикаЗадача 3Задача 3
4,9957712
2023-02-172023-02-17СтудИзба
Задача 3 вариант 14
Описание
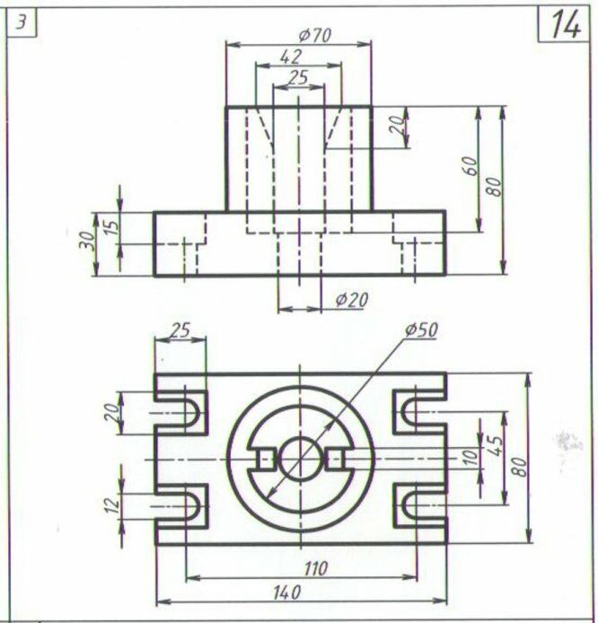
Вариант №14 - Задача 3
- 3D-модели детали выполнены в программе Inventor 2018 (.ipt)
- 3D-модели детали сохранены в 3D-PDF
- Чертежи детали в формате Inventor 2018 (.idw)
- Чертежи детали в формате Autocad 2007 (.dwg)
- Чертежи детали в формате PDF (Лист А3)

ДЕМО

Задача 2 Вариант 14.
Характеристики решённой задачи
Предмет
Учебное заведение
Семестр
Номер задания
Вариант
Программы
Просмотров
4
Качество
Идеальное компьютерное
Размер
866,32 Kb
Список файлов
0.JPG
ЗАДАЧА 3_ ВАРИАНТ 14.dwg
ЗАДАЧА 3_ ВАРИАНТ 14.idw
ЗАДАЧА 3_ ВАРИАНТ 14.ipt
ЗАДАЧА 3_ ВАРИАНТ 14.pdf
ЗАДАЧА 3_ ВАРИАНТ 14_3D.pdf

Если работа Вам была полезна, Пожалуйста, потратьте несколько секунд, чтобы оставить нам 5 ЗВЁЗД и положительный отзывы. Мы Вам глубоко признателены!