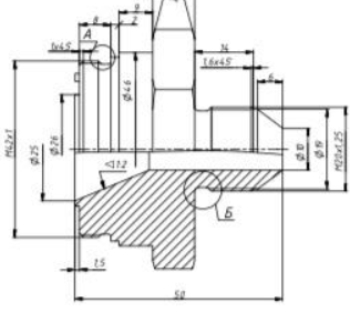
Для студентов МГТУ им. Н.Э.Баумана по предмету Инженерная графикаШтуцер 37Штуцер 37
5,0055
2020-04-212020-04-21СтудИзба
ДЗ: Штуцер 37 вариант 37
Описание

Характеристики домашнего задания
Предмет
Учебное заведение
Семестр
Вариант
Теги
Просмотров
209
Размер
74,99 Kb
Список файлов
ReadMe.txt
з-37.jpg
Комментарии
Нет комментариев
Стань первым, кто что-нибудь напишет!
МГТУ им. Н.Э.Баумана
Сильвестр Сталлоне


















