Отчет по ЛР №18 - Исследование линейной однородной цепной схемы (1267079)
Текст из файла
Министерство Образования и науки Российской Федерации
Новосибирский Государственный Технический Университет
Кафедра Общей электроники
Отчет по лабораторной работе № 18
По ОТЦ
Исследование линейной однородной цепной схемы.
Факультет: РЭФ
Группа: РТC9-81
Студенты: Бобров К.И.
Карпаева Е.А.
Преподаватель: Касаткина Е.Г.
Новосибирск 2009г.
Цель работы: Научиться экспериментально исследовать распределения действующих значений напряжений и токов вдоль конечной однородной цепной схемы при различных гармонических режимах её работы. Познакомиться с методикой теоретического исследования распределения действующих значений гармонических напряжений и токов вдоль конечной однородной цепной схемы.
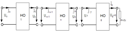
рис. 18.1
Практические измерения:
2)Режим холостого хода:
рис. 18.4
| n | 0 | 1 | 2 | 3 | 4 | 5 | 6 | 7 | 8 |
| U(n), B | 3 | 2,4 | 2 | 1,66 | 1,33 | 2,16 | 2,16 | 2,66 | 3 |
| I(n),мA | 32,8 | 33,5 | 32,8 | 32 | 25 | 24 | 15 | 8,3 | 0 |
U(n) I(n)
n n
3)Режим короткого замыкания:
рис. 18.5
| n | 0 | 1 | 2 | 3 | 4 | 5 | 6 | 7 | 8 |
| U(n), B | 3,16 | 3,66 | 4 | 4 | 3,16 | 2,4 | 1,66 | 0,833 | 0 |
| I(n),мA | 34,5 | 28 | 20 | 16 | 20 | 24,3 | 28 | 30,6 | 31,5 |
U(n) I(n)
n n
4)Режим согласованной нагрузки: R=Zc=102.40508+j12.49431
рис. 18.6
| n | 0 | 1 | 2 | 3 | 4 | 5 | 6 | 7 | 8 |
| U(n), B | 3 | 2,96 | 3 | 2,9 | 2,73 | 2,63 | 2,33 | 2 | 1,66 |
| I(n),мA | 35 | 32 | 28,3 | 25 | 21 | 18,5 | 18 | 16 | 15,7 |
U(n) I(n)
n n
5) Режим не согласованной нагрузки:
| n | 0 | 1 | 2 | 3 | 4 | 5 | 6 | 7 | 8 |
| U(n), B | 3 | 2,83 | 3,16 | 2,8 | 2,66 | 2,566 | 2,4 | 2,16 | 1,9 |
| I | 34,6 | 32 | 29,3 | 26,4 | 22,2 | 18,8 | 15,8 | 13,6 | 12,5 |
U(n) I(n)
n n
Характеристики
Тип файла документ
Документы такого типа открываются такими программами, как Microsoft Office Word на компьютерах Windows, Apple Pages на компьютерах Mac, Open Office - бесплатная альтернатива на различных платформах, в том числе Linux. Наиболее простым и современным решением будут Google документы, так как открываются онлайн без скачивания прямо в браузере на любой платформе. Существуют российские качественные аналоги, например от Яндекса.
Будьте внимательны на мобильных устройствах, так как там используются упрощённый функционал даже в официальном приложении от Microsoft, поэтому для просмотра скачивайте PDF-версию. А если нужно редактировать файл, то используйте оригинальный файл.
Файлы такого типа обычно разбиты на страницы, а текст может быть форматированным (жирный, курсив, выбор шрифта, таблицы и т.п.), а также в него можно добавлять изображения. Формат идеально подходит для рефератов, докладов и РПЗ курсовых проектов, которые необходимо распечатать. Кстати перед печатью также сохраняйте файл в PDF, так как принтер может начудить со шрифтами.
















