Отчет по ЛР №10 - Исследование связанных колебательных контуров (1267056)
Текст из файла
Новосибирский государственный технический университет
Кафедра Общей электроники
Отчёт по лабораторной работе № 10
по ОТЦ
"Исследование связанных колебательных контуров"
Факультет: РЭФ
Группа: РТ5-24
Студенты: Доценко С.А.,
Воронин К.Е.,
Каминский И.В.
Преподаватель: Богданов В.В.
Новосибирск – 2004
Цель работы
Произвести экспериментальные исследования частотных характеристик и резонансных свойств колебательных контуров с трансформаторной связью при различных коэффициентах связи.
Рабочее задание
-
Настроить первичный и вторичный контуры в резонанс. Снять нормированную АЧХ вторичного тока
при критическом коэффициенте связи. -
Снять нормированную АЧХ вторичного тока
при коэффициенте связи меньше критического. -
Снять нормированную АЧХ вторичного тока
при коэффициенте связи больше критического. -
Построить на одном графике АЧХ вторичного тока, снятые в пп. 1, 2, 3. Определить полосы пропускания для трёх связанных контуров.
-
Определить значение критического коэффициента связи.
-
Построить на ЭВМ АЧХ для нормированного тока в функции обобщённой растройки.
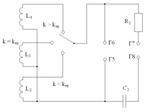
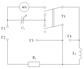
Схема экспериментальной установки
а) первичный контур б) вторичный контур
1. Снятие нормированной АЧХ вторичного тока
при критическом коэффициенте связи
Частотная характеристика при k = kкр (ƒ0 = 11.5 кГц; UR20 =0.291 В)
2. Снятие нормированной АЧХ вторичного тока
при коэффициенте связи
меньше критического
Частотная характеристика при k < kкр (ƒ0 = 10.85 кГц; UR20 = 0.582 B)
3. Снятие нормированной АЧХ вторичного тока
при коэффициенте связи
больше критического
а) ƒ10 = 12 кГц; ƒ20 = 30 кГц
б) ƒ1 = 8 кГц; ƒ2 = 36 кГц
Частотная характеристика при k > kкр (ƒ0 = 21 кГц; UR20 = 5.52 В)
4. Построение нормированных АЧХ вторичного тока
1 – АЧХ вторичного тока при k = kкр,
2 – АЧХ вторичного тока при k < kкр,
3 – АЧХ вторичного тока при k > kкр
Полосы пропускания связанных контуров
-
k = kкр, 2∆ƒ0 = (1.03 – 0.93)11.5 = 1.15 (кГц)
-
k < kкр, 2∆ƒ0 = (1.045 – 0.97)10.85 = 0.81 (кГц)
-
k > kкр, 2∆ƒ0 = 2∆ƒ01 + 2∆ƒ02 = (0.71 - 0.52)21 + (1.49 – 1.28)21 = 3.99 + 4.41 = 8.4 (кГц)
Вывод: при увеличении фактора связи (параметра связи) засчёт увеличения коэффициента связи полоса пропускания связанных контуров расширяется, причем при коэффициенте связи больше критического АЧХ имеет «двугорбую» форму – имеется две резонансных частоты.
5. Определение значения критического коэффициента связи
UL1 = 25.2 B; UL3 = 3 B
Пренебрегая активным сопротивлением катушек контуров,
6. Построение на ЭВМ АЧХ нормированного тока в функции обобщённой растройки
Зависимость нормированного тока
можно выразить следующим образом:
где а – обобщенная расстройка,
А – параметр связи.
С использованием аппроксимации в среде MathCAD получаем графики теоретических зависимостей.
1 – A = 1 (k = kкр)
2 – A < 1 (k < kкр)
3 – A > 1 (k > kкр)
Вывод: теоретические АЧХ нормированного тока вторичного контура в функции обобщенной расстройки показывают, что при увеличении коэффициента связи, а, как следствие, и увеличении параметра связи, расширяетя полоса пропускания связанных контуров. При параметре связи больше единицы имеется две резонансных частоты (два максимума АЧХ).
Заключение: в данной работе были экспериментально исследованы частотные характеристики и резонансные свойства колебательных контуров с трансформаторной связью при различных коэффициентах связи, а также построены АЧХ идеальных связанных контуров в функции обощенной расстройки. Экспериментальные данные сходятся с теоретическими (АЧХ по форме схожие).
Характеристики
Тип файла документ
Документы такого типа открываются такими программами, как Microsoft Office Word на компьютерах Windows, Apple Pages на компьютерах Mac, Open Office - бесплатная альтернатива на различных платформах, в том числе Linux. Наиболее простым и современным решением будут Google документы, так как открываются онлайн без скачивания прямо в браузере на любой платформе. Существуют российские качественные аналоги, например от Яндекса.
Будьте внимательны на мобильных устройствах, так как там используются упрощённый функционал даже в официальном приложении от Microsoft, поэтому для просмотра скачивайте PDF-версию. А если нужно редактировать файл, то используйте оригинальный файл.
Файлы такого типа обычно разбиты на страницы, а текст может быть форматированным (жирный, курсив, выбор шрифта, таблицы и т.п.), а также в него можно добавлять изображения. Формат идеально подходит для рефератов, докладов и РПЗ курсовых проектов, которые необходимо распечатать. Кстати перед печатью также сохраняйте файл в PDF, так как принтер может начудить со шрифтами.
















