Отчет по ЛР №6 Пассивный двухполюсник в цепи синусоидального тока и его схемы замещения (1267040)
Текст из файла
| Новосибирский Государственный Технический Университет Кафедра Общей электротехники Отчёт по лабораторной работе №6 по ОТЦ “Пассивный двухполюсник в цепи синусоидального тока и его схемы замещения” Факультет: РЭФ Группа: РС8-51 Студенты: Гончиков А.Н. Малолеткин М.В. Преподаватель: Сапсалев А.В. Новосибирск 2006 |
Цель работы:
Изучить методы автоматизированного анализа установившихся процессов в линейных электрических цепях (подготовку задачи для решения на компьютере, ввод исходных данных и интерпретацию результатов анализа)
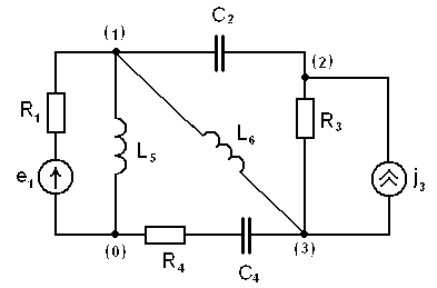
Схема №13.
Схема замещения:
Граф схемы:
Характеристики
Тип файла документ
Документы такого типа открываются такими программами, как Microsoft Office Word на компьютерах Windows, Apple Pages на компьютерах Mac, Open Office - бесплатная альтернатива на различных платформах, в том числе Linux. Наиболее простым и современным решением будут Google документы, так как открываются онлайн без скачивания прямо в браузере на любой платформе. Существуют российские качественные аналоги, например от Яндекса.
Будьте внимательны на мобильных устройствах, так как там используются упрощённый функционал даже в официальном приложении от Microsoft, поэтому для просмотра скачивайте PDF-версию. А если нужно редактировать файл, то используйте оригинальный файл.
Файлы такого типа обычно разбиты на страницы, а текст может быть форматированным (жирный, курсив, выбор шрифта, таблицы и т.п.), а также в него можно добавлять изображения. Формат идеально подходит для рефератов, докладов и РПЗ курсовых проектов, которые необходимо распечатать. Кстати перед печатью также сохраняйте файл в PDF, так как принтер может начудить со шрифтами.
















