Афанасьев В.В. - Анализ гармонического процесса в отрезке радиочастотного кабеля (1266774), страница 2
Текст из файла (страница 2)
с отрезком радиочастотного кабеля
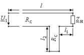
Рис. 1. Согласование четвертьволновым
трансформатором
| Рис. 2. Согласование четвертьволновым трансформатором и последовательным короткозамкнутым шлейфом | Рис. 3. Согласование четвертьволновым трансформатором и последовательным разомкнутым шлейфом |
| Рис. 4. Согласование четвертьволновым трансформатором и параллельным разомкнутым шлейфом | Рис. 5. Согласование четвертьволновым трансформатором и параллельным замкнутым шлейфом |
| Рис. 6. Согласование последовательным короткозамкнутым шлейфом | Рис. 7. Согласование последовательным разомкнутым шлейфом |
| Рис. 8. Согласование параллельным разомкнутым шлейфом | Рис. 9. Согласование параллельным короткозамкнутым шлейфом |
МЕТОДИЧЕСКИЕ УКАЗАНИЯ
Существует, казалось бы, заколдованный круг, из которого нет выхода: нельзя сделать никакую работу без ясного понимания, но ясное понимание возникает только в кон-це работы и то не всегда. Стремление сначала понять все, а потом уж работать – очень частая причина неудач.
Акад. А.Б. Мигдал
1. Выбор марки радиочастотного кабеля
Марку радиочастотного кабеля выбирают по сборнику государственных стандартов ГОСТ 11326.1-79 – ГОСТ 11326.92-79 «Кабели радиочастотные», исходя из заданных значений параметров генератора: мощности Рг, частоты fг и сопротивления Rг. Для справки: Волновое сопротивление типичного коаксиального кабеля лежит в пределах 50…100 Ом, в то время как, например, для линии с параллельными проводниками его значения находятся в диапазоне 300…1000 Ом.
Для уменьшения трудоемкости данной курсовой работы ограничимся здесь согласованием отрезка кабеля только с его на-грузкой, в результате которого отрезок кабеля окажется согласо-
ванным и с генератором и с нагрузкой. Это, очевидно, возможно лишь в тех случаях, когда значения волнового сопротивления кабеля и сопротивления генератора (в зависимости от варианта – 50 либо 75 Ом) одинаковы.
Выбранный кабель (соответственно РК-50 или РК-75) на частоте fг должен пропускать заданное значение мощности генератора. Забегая несколько вперед, отметим, что в этой работе отрезок кабеля моделируется отрезком однородной линии той же длины, характеристическое сопротивление Rc которой равно волновому сопротивлению кабеля.
В соответствии с приложением 1 ГОСТ 11326.0-78 значение предельной длительно допустимой мощности Рk, передаваемой кабелем в режиме несогласованной нагрузки, должно удовлетворять неравенству:
где Рk0 – предельно допустимая мощность, передаваемая кабелем в согласованном режиме; k – коэффициент стоячей волны напряжения (КСВн) в отрезке кабеля, значение которого вычисляется по формуле
Здесь – модуль коэффициента отражения волны напряжения в конце отрезка кабеля. При пассивной сосредоточенной нагрузке сопротивлением
коэффициент отражения по напряжению
определяется выражением
при этом на значения и налагаются следующие ограничения:
Поскольку до выбора марки кабеля и последующего выполнения работы значение мощности Рk, передаваемой по отрезку кабеля, неизвестно, в неравенство (1.1) вместо Рk подставляют заведомо большее значение заданной мощности генератора Рг.
Графики частотной зависимости Рk0 = Рk0(f), по которым выбирают марку кабеля, приводятся в справочном приложении к каждому из указанных стандартов на радиочастотные кабели.
На рис. 10 для примера представлен график частотных зависимостей предельно допустимой мощности Рk0 = Рk0(f) и коэффициента затухания на единицу длины = (f) [дБ/м] радиочастотного кабеля РК 50-2-12 ГОСТ 11326.64-79. На этом графике указаны значения мощности генератора Рг(fг) (точка A) и предельно допустимой мощности Рk0 = Рk0(fг), передаваемой кабелем в согласованном режиме (при k = 1) (точка B).
Рис. 10. Частотные зависимости:
1 – предельно допустимая мощность Рk0 при темпе-
ратуре 40 С и коэффициенте стоячей волны, равном 1;
2 – коэффициент затухания при температуре 20 С
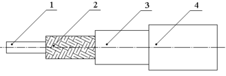
В пояснительной записке нужно также привести эскиз конструктивных элементов кабеля (к примеру, как на рис. 11) с относящейся к нему таблицей конструктивных данных и размеров (первая страница ГОСТа выбранного кабеля), а также основные характеристики и параметры кабеля (приложение справочное).
Ниже в качестве примера приведены указанные сведения для радиочастотного кабеля РК 50-2-12 ГОСТ 11326.64-79.
Рис. 11. Конструктивные элементы кабеля
| Наименование элемента | Конструктивные данные и размеры |
| 1. Внутренний проводник | Семь медных посеребренных проволок номинальным диаметром 0.24 мм; номинальный диаметр проводника 0.72 мм |
| 2. Изоляция | Сплошная; полиэтилен низкой плотности; диаметр по изоляции (2.2 0.1) мм |
| 3. Внешний проводник | Оплетка из медных посеребренных проволок номинальным диаметром 0.1 мм; плотность оплетки 85…92 %; угол оплетки 50…60 |
| 4. Оболочка | Светостабилизированный полиэтилен низкой плотности; наружный диаметр (3.2 0.25) мм |
Основные характеристики кабеля
Волновое сопротивление на период эксплуатации, Ом 505
Электрическая емкость, пФ/м 100
Коэффициент укорочения длины волны 1.52
Электрическое сопротивление изоляции, ТОмм,
не менее 5
Расчетная масса 1 км кабеля, кг 16.4
2. Моделирование генератора, нагрузки
и отрезка радиочастотного кабеля
Высокочастотный генератор гармонических колебаний мощ-ностью Pг и внутренним сопротивлением Rг можно заменить эквивалентными автономными сосредоточенными двухполюсниками, состоящими либо из последовательно включенных источника гармонического напряжения U0г и резистора сопротивлением Rг (рис. 12, a), либо из параллельно включенных источника гармонического тока Iкг и резистора проводимостью
(рис. 12, б) с комплексными характеристиками
и соответственно
с
с
а б
с
с
с
с
в г
Рис. 12. Схемы замещения
Внимание! Под значением мощности Pг в более узком смысле понимают значение мощности генератора, отдаваемой им в согласованную нагрузку (рис. 12, в и г). Если, например, генератор моделируется активным двухполюсником с источником напряжения (рис. 12, в), то его мощность Pг, очевидно, равна
Отсюда напряжение холостого хода активного двухполюс-
ника U0г
По принципу дуальности значение тока короткого замыкания активного двухполюсника Iкг подсчитывается по формуле
Рис. 13. Нагрузка кабеля
Сосредоточенная нагрузка отрезка кабеля в установившемся гармоническом процессе моделируется неавтономным сосредоточенным двухполюсником (рис. 13) с комплексными характеристикамии
Кстати, из выражений (2.4), (2.5) легко обнаружить, что
с,
с
с
Рис. 14. Схема отрезка
радиочастотного кабеля
Наконец, отрезок радиочастотного кабеля моделируется отрезком однородной линии той же длины, характеристическое сопротивление Rc которой равно волновому сопротивлению кабеля (рис. 14). Выделим одно из двух направлений вдоль отрезка однородной линии, совместив его с направлением положительной потребляемой мгновенной мощности в произвольном сечении отрезка. Таким образом, одна пара полюсов отрезка линии (на рис. 14 – левая) окажется началом (входом) отрезка, а противоположная пара полюсов – его концом (выходом). Направления напряжения и тока в любом сечении отрезка, включая его границы, согласуют с выбранным направлением положительной мощности в этом сечении. Начало отсчета координат можно совместить, в принципе, с любым сечением отрезка линии. Однако, если ограничиться положительными значениями координаты сечения на интервале [0, l], то начало их отсчета придется совместить с одной из границ отрезка. Ради будущего удобства записи характеристик отрезка линии выберем координатную ось 0x (0 x l), направленную против положительного направления потока мощ-ности (см. рис. 14). При этом x = l относится к началу отрезка линии, а x = 0 – к его концу. Комплексы действующих значений напряжения и тока в произвольном сечении отрезка с координа-той x обозначают как U(x) и I(x). Тогда в начале отрезка линии
(x = l) имеем соответственно U(l) и I(l), а в конце его (x = 0) – U(0)
и I(0). Последние две пары величин иногда для краткости обозначают как U1, I1 и U2, I2.















