МУ к ЛР №16-20 (1265912), страница 2
Текст из файла (страница 2)
ПЕРЕХОДНЫХ ПРОЦЕССОВ
Цель работы – освоить методику составления уравнений переменных состояния цепи и их численного решения в среде Mathcad.
Объект и средства исследования
Задается схема RL- или RC-цепи с одним реактивным элементом и источником импульсного напряжения или тока. Требуется найти в качестве выходной величины на заданном интервале времени ток (или напряжение), указанный на схеме стрелкой. Для этого сначала составляется дифференциальное уравнение, определяющее ток катушки или напряжение конденсатора этой схемы, которое решается с помощью одной из функций решения задачи Коши пакета Mathcad. Численное решение этого уравнения состоит в построении таблицы приближенных значений переменной состояния цепи на заданном интервале времени в равноотстоящих узлах сетки. Затем определяется последовательность соответствующих значений искомого напряжения или тока элемента цепи, представляемая таблицей и графиком.
Рабочее задание
-
Для полученного индивидуального задания составить в общем случае два уравнения: одно (основное) для определения переменной состояния цепи (тока катушки или напряжения конденсатора) и второе (при необходимости) – для искомого тока или напряжения элемента цепи.
-
Записать выражение импульса задающего напряжения или тока, определенного своим графиком.
-
Сделать заготовку лабораторной работы, содержащую исходные данные для ее выполнения на компьютере (записать стартовое значение переменной состояния цепи, дифференциальное уравнение в нормальной форме для переменной состояния цепи и при необходимости алгебраическое выражение искомого напряжения или тока элемента цепи).
-
Открыть окно Mathcad на экране компьютера и создать рабочий документ со своим именем, сохранив его на рабочем столе компьютера.
-
Пользуясь методическими указаниями и примером расчета, ввести все необходимые значения и формулы в рабочий документ Mathcad, сохраняя его время от времени.
-
Получить таблицу значений переменной состояния цепи и искомого напряжения или тока элемента цепи. Построить совмещенные графики заданного импульса напряжения или тока, переменной состояния и искомой величины. Сделать проверку полученных результатов.
-
Скопировать документ Mathcad с рабочего стола компьютера на личную дискету.
-
Распечатать рабочий документ. Распечатку подшить к заготовке лабораторной работы.
9. Результаты численного анализа искомой величины сопоставить с результатами аналитического расчета искомой величины при помощи интеграла Дюамеля.
Методические указания и рекомендации
По умолчанию начало отсчета относительного времени t совмещают либо с моментом коммутации, либо с моментом появления определенного значения задающего напряжения
или тока
.
В качестве переменных состояния электрической цепи принимаются токи катушек
и напряжения конденсаторов
. Предполагается, что значения переменных состояния при
:
и
(их начальные значения) известны.
В Приложении к настоящей работе приведен алгоритм формирования уравнений состояния в общем виде для схемы любого порядка сложности. В данной же работе исследуется цепь первого порядка сложности, что, естественно, упрощает задачу.
Численное решение уравнения первого порядка вида
При численном решении этого уравнения с помощью любых предназначенных для этих целей функций результат вычислений – матрица, в первом столбце которой содержатся координаты узлов сетки t0, t1,…, tn, а во втором — значения приближенного решения в соответствующих узлах. Смысл аргументов этих функций разъяснен в Приложении. Отметим лишь, что вектор D*, содержащий правую часть дифференциального уравнения, теперь вырождается в скаляр D(t, x) =
= f (x0, t).
Точность вычислений повышается с уменьшением величины ша-
га
, которую следует соразмерять с постоянной времени исследуемой цепи .
Пример
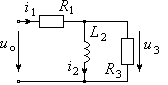
Вычислить значения тока i1(t) резистора R1 и напряжения u3(t) резистора R3 двухполюсника (рис. 17.1) с параметрами его элементов: R1 = 15 Ом, L2 = 200 мГн, R3 = 30 Ом на интервале [0, 100 мс], если задающее напряжение uо (t) определяется графиком (рис. 17.2).
| | |
| Рис. 17.1 | Рис. 17.2 |
––––––––––––––––––––––––––––––
* Derivative (англ.) – производная.
Решение
Получим уравнение состояния цепи (см. рис. 17.1). По законам Кирхгофа
i1 = i2 + i3 = i2 + G3u3,
R1i1 + uL = uо.
После подстановки первых двух уравнений в третье и очевидных преобразований получим уравнение состояния цепи
Интегрируя это уравнение на бесконечно коротком интервале времени в пределах от t = 0– до t = 0+, находим при нулевом начальном значении тока катушки i2(0–)= iL (0–) = 0 стартовое значение тока катушки:
Выражения искомых зависимых переменных цепи – тока
резистора R1 и напряжения
резистора R3 – являются линейными функциями тока катушки
и задающего напряжения
:
Найдем численное решение уравнения переменной состояния цепи для
мс, например, с помощью функции rkfixed математического пакета Mathcad 2000 Professional, реализующей метод Рунге–Кутта с фиксированным шагом.
Исходные данные:
R1: = 15 R3: = 30 L2: = 0.2 a: = –50 b: = 3.333 c1: = 0.667
d1: = 0.0222 c2: = –10 d2: = 0.667. Время импульса tи = 0.04 с. Будем исследовать переходной процесс в течение времени импульса плюс (3…4)τ.
– стартовое значение переменной состояния цепи i2(0+);
– выражение ее первой производной;
– вычисление значений переменной со-
стояния в тысяче равноотстоящих точках (1000) интервала
времени [0,0.1] с;
– номера точек разбиения интервала времени про-
бегают значения от 0 до числа строк без 1 матрицы Z.
– элементам вектора t присваивают значения элементов пер-
вого столбца матрицы Z.
– элементам вектора i2 присваивают значения элементов вто-
рого столбца матрицы Z.
Выражения искомых зависимых переменных цепи – тока
резистора R1 и напряжения
резистора R3 есть линейные функции переменной состояния цепи i2(t) и задающего напряжения uo и в протоколе Mathcad выглядят так:
Результаты численного решения этой задачи представлены графиками искомых функций рис. 17.3 и 17.4 и таблицей.
uo(tk)
50i2k
tk103
Рис. 17.3
tk103
uo(tk)
30i2k
Рис. 17.4
-
Разрывы графиков зависимых переменных цепи i1(t) и u3(t) при
и t1 = 40 мс в нашем конкретном примере (скачки напряжения при t = 0 и при t = t1 одинаковы) должны быть одинаковы и равны
Проверка показывает, что
Далее
Проверка показывает, что
Программа домашней подготовки
к выполнению работы
-
По конспекту лекций и учебным пособиям изучить раздел «Метод переменных состояния».
-
Внимательно ознакомиться с примером решения аналогичной задачи.
-
Выполнить пп. 1 – 3 рабочего задания.
Контрольные вопросы
-
Напряжения и токи каких элементов цепи называются переменными ее состояния?
-
Какие уравнения называются уравнениями состояния цепи?
-
Чем определяется число уравнений, составленных по методу переменных состояния цепи?
-
В каких случаях система уравнений цепи, составленная по методу переменных состояния, наряду с дифференциальными уравнениями будет содержать и линейные алгебраические выражения?
-
Какова стандартная форма записи уравнений состояния цепи?
-
Чем определяется порядок сложности цепи?
-
Как вычислить значение постоянной времени цепи первого порядка по ее схеме?
-
Как вычислить значение постоянной времени цепи первого порядка по ее уравнению состояния?
ПРИЛОЖЕНИЕ
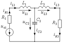
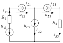
Рассмотрим алгоритм формирования «вручную» уравнений для вычисления переменных состояния цепи – уравнений ее состояния.
Считая известными мгновенные значения токов катушек и напряжений конденсаторов и опираясь на принцип компенсации*, изобразим схему замещения заданной цепи для момента времени
.
Например, для схемы цепи, показанной на рис. 17.5, в результате описанной замены получим схему замещения, как на рис. 17.6. Далее записываем полную систему уравнений для мгновенных значений токов или напряжений элементов схемы (по законам Кирхгофа).
В рассматриваемом случае искомые выражения выглядят следующим образом:
––––––––––––––––––––––––––
* Любой элемент цепи с известным значением тока или напряжения может
быть эквивалентно заменен, соответственно, источником тока или напря-















