ЛР №2 - Отчет (1265910)
Текст из файла
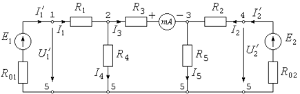
| Министерство образования и науки Российской Федерации Новосибирский Государственный Технический Университет Кафедра ОТЦ Лаборатория 523-534 Лабораторная работа № 2 ИССЛЕДОВАНИЕ стационарного состояния линейной электрической ЦЕПИФакультет: РЭФ Группа: РТС9-21 Студентка: Дяглева Марина Ивановна Преподаватели: Отметка о защите: 1) Цели работы: 1. Изучить методы экспериментального исследования распределения токов и напряжений резисторов, а также напряжений узлов разветвленной цепи с источниками постоянного напряжения. 2. Ознакомиться с методикой экспериментального определения значений параметров активного двухполюсника. 3. Получить экспериментальное подтверждение принципов суперпозиции (наложения), обратимости (взаимности) и линейности. 2) Объект и средства исследования На панели (рис. 2.1) имеются пять резисторов R1…R5 и два источника питания исследуемой цепи. Тумблер для включения и отключения обоих источников расположен в левом нижнем углу панели. Имеются тумблеры, позволяющие выводить источник из схемы, но сохранять его внутреннее сопротивление (при переключении тумблера сопротивление резистора, включаемого вместо источника питания, равно внутреннему сопротивлению источника). Ток одной из ветвей измеряется миллиамперметром, расположенным на панели. Значения токов остальных ветвей определяются косвенным путем либо цифровым комбинированным прибором. Напряжения элементов цепи и ее узлов, а также сопротивления резисторов цепи измеряются цифровым комбинированным прибором. 3) Порядок выполнения работы
Т а б л и ц а 2.1 4) Значения параметров элементов исследуемой цепи
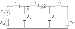
2. Собрать цепь по схеме, приведенной на рис. 2.3. Установить тумблер переключения полярности миллиамперметра в левое положение. При таком положении тумблера показания миллиамперметра считаются положительными, а его полярность соответствует показанной на схеме. Включить источники питания цепи. Приняв (по указанию преподавателя) один из узлов 1…5 цепи за базисный, т.е. считая его напряжение равным нулю, измерить значения напряжений остальных узлов цепи относительно базисного. Вычислить значения токов резисторов I1…I5 и активных ветвей , схемы на рис. 2.3. Сравнить значение тока I3 с показанием миллиамперметра третьей ветви. Заполнить табл. 2.2. 3. Проверить соблюдение первого закона Кирхгофа для первого и третьего узлов цепи. Записать результат. Рис. 2.3 Т а б л и ц а 2.2 5) Значения напряжений узлов и токов ветвей
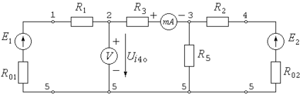
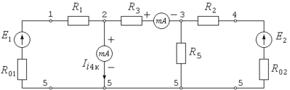
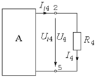
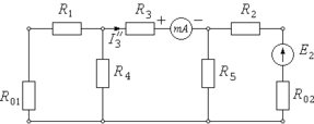
4. Вычислить значения внутренних сопротивлений источников питания цепи Rо1 и Rо2. 5. Оставляя в схеме поочередно каждый из двух источников питания цепи (рис. 2.4, а и б), измерить значения частичных токов и . При измерении тока по схеме рис. 2.4, б тумблер переключения полярности миллиамперметра придется поставить в другое положение, 6. Поставить тумблер переключения полярности миллиамперметра в исходное положение. Исключить из схемы второй источник питания цепи (рис. 2.5, а). Измерить ток . Поменять местами первый источник питания и миллиамперметр (рис. 2.5, б). _0?8A0BL ?>:070=85 ?@ибора. Объяснить результаты измерений. а б Рис. 2.4 а б Рис. 2.5 Рис. 2.6 7. В исходной цепи (см. рис. 2.3) исследовать состояния одной Измерить (под контролем преподавателя!) цифровым комбинированным прибором напряжение холостого хода активного двухполюсника Ui4o (рис. 2.7, а) и его ток короткого замыкания Ii4к (рис. 2.7, б). Внимание! Студентам, намеренным выполнить следующий (факультативный) пункт работы, рекомендуется одновременно записать значения токов I3о и I3к, используемых для вычисле- На основании теоремы об эквивалентном двухполюснике и известных значений R4 (п. 1), Ui4о и Ii4к вычислить значение тока I4 резистора R4 и сравнить полученный результат с данными табл. 2.2. а б Рис. 2.7 Решить эту же задачу графически путем построения совмещенных графиков вольтамперных характеристик (ВАХ) активного двухполюсника и резистора R4. Сравнить полученный результат с данными табл. 2.2. 7. Между значениями токов и напряжений ветвей линейной цепи существуют линейные соотношения, например . Определить значения коэффициентов a34 и b34, имея две пары результатов измерения в двух последних опытах: токов холостого хода |
Характеристики
Тип файла документ
Документы такого типа открываются такими программами, как Microsoft Office Word на компьютерах Windows, Apple Pages на компьютерах Mac, Open Office - бесплатная альтернатива на различных платформах, в том числе Linux. Наиболее простым и современным решением будут Google документы, так как открываются онлайн без скачивания прямо в браузере на любой платформе. Существуют российские качественные аналоги, например от Яндекса.
Будьте внимательны на мобильных устройствах, так как там используются упрощённый функционал даже в официальном приложении от Microsoft, поэтому для просмотра скачивайте PDF-версию. А если нужно редактировать файл, то используйте оригинальный файл.
Файлы такого типа обычно разбиты на страницы, а текст может быть форматированным (жирный, курсив, выбор шрифта, таблицы и т.п.), а также в него можно добавлять изображения. Формат идеально подходит для рефератов, докладов и РПЗ курсовых проектов, которые необходимо распечатать. Кстати перед печатью также сохраняйте файл в PDF, так как принтер может начудить со шрифтами.
















