пояснительная записка (1235563), страница 5
Текст из файла (страница 5)
Использование двухуровневых ячеек для построения многоуровневого инвертора напряжения значительно упрощает понимание принципов работы преобразователя частоты среднего напряжения и, в конечном итоге, экономит средства на обслуживание оборудования, поскольку эксплуатационному персоналу легко изучить Altivar 1200.
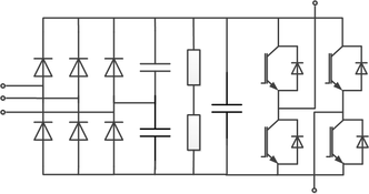
Основным компонентом преобразователя частоты Altivar 1200 является ячейка инвертора, рисунок4.1, представляющая собой однофазный двухуровневый инвертор напряжения, получающий питание от одной из вторичных обмоток многообмоточного силового трансформатора. Напряжение вторичной обмотки трансформатора - 700 В.
Рисунок 4.1 - Ячейка инвертора
Огромное преимущество многоуровневой топологии заключается в использовании в качестве переключающих элементов современных низковольтных электронных компонентов. Кривая выходного напряжения формируется последовательным соединением двухуровневых инверторных ячеек. Количество используемых ячеек определяется необходимым напряжением на выходе преобразователя частоты. Большое количество ячеек обеспечивает маленький „шаг“ результирующей кривой напряжения, и, как следствие, отсутствие негативного влияния на обмотки двигателя. Смещение вторичных обмоток трансформатора позволяет получить эквивалент многопульсной схемы выпрямления и синусоидальную кривую тока, потребляемого из сети.
Как правило, секция трансформатора расположена с левой стороны преобразователя частоты. секция инвертора - с правой. Доступ к сеции управления осуществляется с передней панели преобразователя, секции низкого и среднего напряжения полностью разделены. Секции трансформатора и инвертора разделены и могут устанавливаться и транспортироваться раздельно. Вентиляторы охлаждения, расположенные на крыше преобразователя, питаются от дополнительной вторичной обмотки трансформатора, что исключает необходимость дополнительного трехфазного источника питания.
На рисунке 4.2 представлен преобразователь частоты, общий вид
Рисунок 4.2 - Преобразователь частоты, общий вид
На рисунке 4.3 представлено внутреннее устройство преобразователя частоты
Рисунок - 4.3 Внутреннее устройство ПЧ
4.4 Выбор средств контроля параметров системы
4.4.1 Выбор датчика давления
Для контроля давления в сети необходимо выбрать преобразователи давления соответствующие техническому заданию. Согласно гидравлическим данным насоса 1Д 1600-90а напор равен 75 метров водяного столба, что соответствует 7,5 бар.
Следовательно, выбираем преобразователь давления типа MBS 3000 2011 – 1AB04, диапазон измерения 0…10 бар, выходной сигнал 4…20мА. [16]
4.4.2 Выбор расходомера
Для контроля расхода воды необходимо выбрать расходомеры соответствующие техническому заданию. Согласно гидравлическим данным насоса 1Д 1600-90а подача воды равна 1450 м3/ч.
Следовательно, выбираем электромагнитный расходомер Proline Promag 50W40 фирмы Endress Hauser диапазон измерения 0…2500 м3/ч, выходной сигнал 4…20мА. [17]
4.5 Структурная схема управления
На чертеже БР 13.03.02.025.Э12 представлена структурная схема управления.
Предусмотрены три режима работы насосной станции - режим по давлению, режим по расходу, режим по уровню РЧВ. Оператор задает требуемый режим на сенсорной панели шкафа управления насосом (ШУН). Как правило выставляется режим по давлению, то есть требуется всегда поддерживать определенное значение давления – 63 метров водяного столба. Затем оператор подает команду главному контролеру – «запуск», включается высоковольтная ячейка номер 12, ПИД регулятор высчитает нужную частоту, откроется инвертор и начнется разгон двигателя на пониженной частоте. В зависимости от изменения давления ПИД регулятор просчитывает нужную частоту.
Также предусмотрен ручной режим управления, то есть нужная частота выставляется оператором вручную, а не по какому-либо технологическому параметру.
4.6 Схема электрическая принципиальная управления
На чертеже БР 13.03.02.025.Э33 представлена схема электрическая принципиальная управления.
Запуск производится поворотом ключа на ШУНе – включается высоковольтная ячейка номер 12, напряжение протекает по дискретного входу преобразователя частоты, открывается инвертор (по этой же команде), подается выходное напряжение с преобразователя частоты на двигатель. Когда замыкается блок контакта выключателя, тогда замыкаются все релейные контакты. Лампочки HL1, HL2, HL3 сигнализируют о состоянии преобразователя частоты и загораются поочередно. С помощью других блоков задается частота, отображается частота и ток, а также предусмотрена сигнализация, оповещающая с помощью лампочек о состоянии блок контакта выключателя.
4.7 Однолинейная схема РУ 6 кВ
На чертеже БР 13.03.02.025.Э34 представлена однолинейная схема РУ 6 кВ.
ВНС относится к 1 категории по степени обеспечения подачи воды-следовательно должно быть не менее двух независимых подключения к ЛЭП. Имеем ввод номер 1 от подстанции электрической (ПС) «Энергомаш» и ввод номер 2 от ПС «Ц». Обеспечено два резервных ввода питания – ввод номер 3 от ЦРП 19 и ввод номер 4 от ТП-240 . По проекту предусмотрена установка 6 асинхронных электродвигателей насоса с преобразователями частоты (по одному ПЧ на двигатель). Следовательно, в РУ предусмотрены следующие типы ячеек:
-ячейки ввода (основное питание) типа VTM-F.Предназначены для контроля напряжения на вводном кабеле;
-ячейки ввода (резервное питание) типа VTM-F;
-ячейки защиты отходящих линий типа D06H;
-ячейки защиты отходящих линий (для подключения двигателей) типа D06H;
-ячейка секционного выключателя в качестве защиты, управления и контроля, которая выполняет следующие функции релейной защиты: максимальная токовая защита с действием на отключение выключателя; токовая отсечка с действием на отключение выключателя; максимально токовая защита от замыканий на землю; защита минимального напряжения (L-L или L-N); защита максимального напряжения (L-L или L-N);
-ячейка секционного разъединителя I06T. В качестве выключателя нагрузки применим разъединитель;
-ячейка заземления сборных шин типа ES-B;
-ячейки шинного измерительного трансформатора напряжения типа VTM-D (с 3-мя трансформаторами напряжения типа 3xVRU1/S2n «фаза-земля»).
ЗАКЛЮЧЕНИЕ
В данной выпускной квалификационной работе была представлена модернизация существующей насосной повысительной станции.
Выполнен обзор существующих методов регулирования подачи воды. Выбрана система управления, построенная на базе асинхронного двигателя с короткозамкнутым ротором и частотного преобразователя. Произведен расчет мощности электродвигателя и исходя из значения мощности выбран асинхронный двигатель. Преобразователь частоты выбран согласно мощности и напряжения управляемого двигателя. Всем заданным требованиям удовлетворил ПЧ компании «Schneider electric» серии ALTIVAR 1200. Приведены технические характеристики и основные функциональные возможности ПЧ.
Внедрение частотно регулируемого электропривода позволит значительно сократить расходы на электроэнергию, исключит гидроудары, что значительно увеличит срок службы трубопроводов и запорной арматуры, увеличит срок службы электродвигателей, так как они будут работать на пониженной нагрузке, отсутствие больших пусковых токов, что также благоприятно сказывается на сроке службы электродвигателей, значительная экономия воды за счет оптимизации давления в сетях и уменьшения разрывов трубопроводов, в перспективе возможность полной автоматизации насосной станции, в связи, с чем будет отсутствовать необходимость в обслуживающем персонале.
СПИСОК ИСПОЛЬЗОВАННЫХ ИСТОЧНИКОВ
-
Автоматизированный электропривод типовых производственных установок и технологических комплексов: практикум /Л.В. Ющенко – Хабаровск: Издательство ДВГУПС, 2016.-114 с.
-
Насосы, вентиляторы, компрессоры: учебник для ВУЗов / В.М. Черкасский. – 2-е изд., перераб. и доп. – М.: Энергоатомиздат, 1984. – 416с.
3. Электроприводы переменного тока с частотным регулированием: учебник для ВУЗов / Г.Г. Соколовский. – М.: Издательский центр «Академия», 2006. – 272с.
4. Насосы и насосные станции: учебное пособие / П.П. Якубчик. – М: Издательский центр «Академия», 1997. – 107с.
5. Насосы и насосные станции: учебник для ВУЗов / В.Я.Карелин, А.В. Минаев. – 2-е изд., перераб. и доп. – М.: Стройиздат, 1986. – 320с.
6. Силовые преобразователи в электроснабжении: учебное пособие /Лукутин Б.В., Обухов С.Г. – Томск, Изд. ТПУ, 2006. – 154с.
7. Промышленная электроника: учебник для вузов/ Ю. С. Забродин— 2-е изд., стер.—Москва: Альянс, 2013. — 496 с
8. Насос [Электронный ресурс]: http://gidroprom.ru/nasos-1d-1450-75.html
9. Типовые расчеты по электрооборудованию: практ. пособие / В.И. Дьяков. – 7-е изд., перераб. и доп. – М.: Высшая школа, 1991. – 160с.
10. Основы автоматизированного электропривода: учебник для ВУЗов / П.А. Свириденко, А.Н. Шмелев. – М.: Высшая школа, 1969. – 388с.
11. Электрические машины: учебник для ВУЗов /А.И. Вольдек. – 3-е изд., перераб. – Л.: Энергия, 1978. – 832с.
12. Асинхронные двигатели в трехфазном и однофазном режимах: учебник / И.И. Алиев. – М.: Радиософт, 2004. – 128с.
13. Асинхронный двигатель [Электронный ресурс]: http://www.weg.kiev.ua/catalog/product_info.php?cPath=39_41&products_id=344
14. Электропривод: энерго- и ресурсосбережение: учеб. пособие для студ. высш. учеб. заведений / Н.Ф. Ильинский, В.В. Москаленко.- М. : Издательский центр «Академия»,2008.-208 с.
15. Преобразователь частоты [Электронный ресурс]:http://www.schneider-electric.com/products/ua/uk/2900-privodnaa-tehnika/2920-komplektnye-pc-nv-i-vv/61394-altivar-1200/
16. Датчик давления [Электронный ресурс]: http://www.kipia.info/upload/NOVOSTI_Kartinki/Danfoss/MBS3000.pdf
17. Электромагнитный расходомер [Электронный ресурс]: http://pzip.ru/catalog/endress+hauser/?sku=50W















