Методический комплекс по лабораторным работам (1233911), страница 3
Текст из файла (страница 3)
Плавно нажмите на рукоятку тормозного устройства, наблюдая за величиной тормозного момента (Н-м) по измерительному прибору и величиной силы тока по амперметру. Плавное торможение осуществляйте до величины тока, указанного в таблице П3.1. Значение тормозного момента и силы тока сравните с таблицей П2.1. В том случае, если модуль и число зубьев проверяемого стартера отличаются от указанных на стенде (2,5^9; 3^11; 4,25x10), то значение тормозного момента необходимо умножить на нормированный коэффициент, приведенный в таблице П3.1.
ВНИМАНИЕ! Продолжительность работы в режиме торможения должна быть не более 10 с. Повторное включение рекомендуется производить через 20-30 с. После двух включений рекомендуется сделать перерыв не менее 5 мин.
По результатам испытаний тягового реле, двигателя в режимах холостого хода и торможения сделайте заключение об исправности испытываемого стартера.
-
Составление отчета о проделанной работе.
В отчете следует привести не только схемы проведения испытаний, но и технологию испытаний конкретного стартера и развернутое аргументированное заключение об исправности стартера.
-
Защита лабораторной работы.
Контрольные вопросы
-
Каково назначение стартеров автомобилей?
-
Какую роль играет тяговое реле стартера?
-
Какова технология проверки тягового реле стартера?
-
Какие схемы включения обмоток тягового реле используются на автомобилях?
-
Каково назначение электрического двигателя стартера?
-
Почему ограничено время рабочего режима двигателя стартера?
-
По каким показателям делается заключение об исправности двигателя стартера?
-
Какова технология испытания стартера на работоспособность?
-
Каким образом производятся испытания стартера в режиме холостого хода?
-
Каким образом производятся испытания стартера в нагруженном режиме?
Лабораторная работа № 3
ИССЛЕДОВАНИЕ АВТОМОБИЛЬНОГО ГЕНЕРАТОРА Г221 А
Цель работы: экспериментальное определение основных характеристик автомобильного генератора Г221 А.
Основные этапы работы
-
Внеаудиторная подготовка к работе в лаборатории.
-
Работа в лаборатории, связанная с изучением стенда, конструкции и параметров генератора Г221 А.
-
Работа в лаборатории, связанная с исследованием характеристик генератора.
-
Обработка результатов исследования и оформление отчета по лабораторной работе.
-
Защита лабораторной работы.
Программа работы
-
Внеаудиторная подготовка к работе в лаборатории:
-
Используя учебники, учебные пособия и справочные данные, определите основные характеристики вентильных генераторов.
-
По имеющейся литературе ознакомьтесь с технологией снятия этих характеристик.
-
В процессе подготовки к работе в лаборатории ответьте на контрольные вопросы.
-
-
Работа в лаборатории, связанная с изучением лабораторной установки.
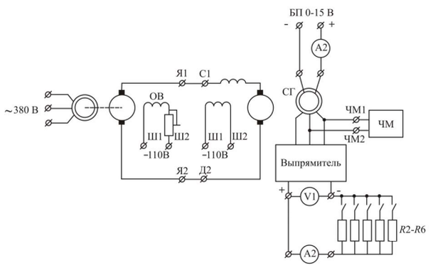
Экспериментальная установка, схема которой представлена на рисунке 4.1, состоит из следующих электрических машин:
-
генератора постоянного тока ( ГПТ);
-
асинхронного двигателя (АД)
-
двигателя постоянного тока (ДПТ) смешанного возбуждения;
-
исследуемого автомобильного синхронного генератора.
В состав экспериментальной установки также входят:
-
реостат в цепи возбуждения ГПТ R1 сопротивлением 500 Ом;
-
источник постоянного напряжения Б5-7, питающий цепь возбуждения исследуемого генератора;
-
частотомер Ч3-63;
-
блок нагрузочных резисторов R2-R6;
-
универсальный вольтметр V1;
-
амперметры А1, А2;
Для сборки необходимых цепей на панелях макета выведены следующие клеммы и выводы электрических машин:
-
клеммы параллельной обмотки возбуждения Ш1 и Ш2 ГПТ;
-
клеммы обмотки якоря Д1 и Д2 ГПТ;
-
выводы параллельной обмотки возбуждения Ш1 и Ш2 ДПТ;
-
выводы для подключения якорной цепи и последовательной обмотки возбуждения С1 и Д2 ДПТ;
-
клеммы «+» и «-» выпрямленного выходного напряжения исследуемого генератора;
-
клеммы для подключения частотомера;
-
Рис. 4.1 Экспериментальная лабораторная установка для исследования автомобильного генератора
клеммы «+» и «-» обмотки возбуждения генератора.
Асинхронный двигатель установки вращает вал генератора постоянного тока. На клеммы Ш1 и Ш2 ГПТ через реостат R1 подается постоянное напряжение на параллельную обмотку возбуждения. Через клеммы Д1 и Д2 ГПТ подается питание для якорной цепи ДПТ (клеммы С1 и Д2).
ДПТ вращает вал исследуемого генератора. Источник постоянного напряжения Б5-7 питает обмотку возбуждения исследуемого генератора.
К выходу исследуемого генератора подключается блок резисторов R2-R6.
Амперметр А1 позволяет контролировать значение тока в обмотке возбуждения исследуемого генератора.
Вольтметр V1 и амперметр А2 измеряют соответственно выпрямленные напряжение и ток на выходе исследуемого генератора.
Частотомер, подключаемый непосредственно к статорным обмоткам исследуемого синхронного генератора, используется для измерения частоты генерируемого напряжения.
3. Работа в лаборатории, связанная с исследованием характеристик генератора:
-
Ознакомьтесь с экспериментальной установкой, включающей четыре электрические машины, измерительные приборы, регулировочный реостат, панель нагрузочных резисторов, источник постоянного напряжения.
-
Соберите электрическую цепь экспериментальной установки, схема которой представлена на рисунке 4.1.
-
Снимите характеристику холостого хода исследуемого генератора
-
Подключите асинхронный двигатель к сети. Изменением сопротивления регулировочного реостата R1 в обмотке возбуждения ГПТ добейтесь такой частоты вращения ДПТ, при которой частота тока в обмотке исследуемого генератора равна 400 Гц, что соответствует скорости вращения n = 4000 об./мин.
-
Изменяя ток в обмотке возбуждения
до значения 2 А с помощью источника питания, измерьте вольтметром V1 значения напряжения генератора
в 6-7 точках. Полученные значения запишите в таблицу 4.1.
Таблица 4.1
Характеристика холостого хода
| |
| Примечание |
-
Установите скорость вращения исследуемого генератора n равной 2500 об./мин (f = 250 Гц) с помощью регулировочного реостата R1.
-
Получите характеристику холостого хода для данной скорости.
-
Проведите аналогичные измерения для скорости n = 1600 об./мин (f = 160 Гц).
3.4 Снимите внешнюю характеристику исследуемого генератора
с использованием резисторов нагрузки R2-R6:
-
С помощью регулировочного реостата задайте частоту вращения генератора равной n = 4000 об./мин.
-
Задайте генератору максимальную нагрузку, подключив параллельно все резисторы R2-R6. Изменением тока возбуждения генератора установите на его выходе номинальное напряжение
= 14 В. Запишите в таблицу 4.2 полученные значения. Уменьшая нагрузку генератора последовательным отключением резисторов R2-R6 до значения
, снимите несколько точек внешней характеристики генератора.
Таблица 4.2
Внешняя характеристика
| | | Примечание |
3.5 Снимите регулировочную характеристику генератора
:
-
При токе нагрузке
= 0 установите частоту вращения генератора равной 4000 об./мин с помощью регулировочного реостата. -
Изменением тока возбуждения
генератора установите номинальное напряжение на выходе генератора
= 14 В. -
Увеличивая нагрузку генератора подключением резисторов R2-R6, изменяйте ток возбуждения
так, чтобы на выходе генератора поддерживать номинальное напряжение
= 14 B. -
Полученные значения занесите в таблицу 4.3.
Таблица 4.3
Регулировочная характеристика
| | | Примечание |
3.6 Снимите токоскоростную характеристику генератора n(
):
-
При токе нагрузки генератора
= 0 установите значение тока возбуждения
= 1,4 А. -
Изменением скорости вращения генератора добейтесь номинального значения напряжения на его выходе
= 14 В. -
Повышая нагрузку генератора с помощью резисторов R2-R6, увеличьте частоту вращения генератора так, чтобы напряжение иг составляло номинальное значение.
Таблица 4.4
Токоскоростная характеристика
| | n, об./мин | Примечание |
-
Занесите полученные значения в таблицу 4.4.
По окончании работы следует отключить асинхронный двигатель от сети, питание измерительных приборов и блока питания Б5-7, разобрать электрическую цепь.
-
Обработка результатов исследования и оформление отчета по лабораторной работе:
-
По данным таблицы 4.1 постройте характеристики холостого хода исследуемого генератора
для скоростей 1600, 2500 и 4000 об./мин. -
По данным таблицы 4.2 постройте внешнюю характеристику исследуемого генератора
. -
По данным таблицы 4.3 постройте регулировочную характеристику исследуемого генератора
:. -
По данным таблицы 4.4 постройте токоскоростную характеристику исследуемого генератора п (
). -
Объясните характер полученных зависимостей. Сделайте выводы.
-
Составьте отчет о проделанной работе. В отчете приведите не только схему экспериментальной установки для исследования автомобильного генератора, но и методику снятия характеристик.
-
-
Защита лабораторной работы.
Методический материал к лабораторной работе Конструкция генератора Г221 А
Генератор Г221 А является трехфазным синхронным генератором переменного тока с электромагнитным возбуждением и контактными кольцами.
Основными конструктивными элементами генератора являются (см. рис. 4.2):
-
статор 21 - пакет, набранный из стальных листов, имеющий форму трубы; в его пазах расположена обмотка, в которой индуцируется ЭДС. генератора;
-
ротор - стальной вал с расположенными на нем двумя стальными втулками клювообразной формы. Между ними находится обмотка возбуждения, выводы которой соединены с контактными кольцами. Генераторы оборудованы преимущественно цилиндрическими медными контактными кольцами;
-
крышки - передняя 19 (со стороны шкива) и задняя 1 (со стороны контактных колец). Предназначены для крепления статора, установки генератора на двигателе автомобиля и размещения подшипников (опор) ротора. На задней крышке размещаются выпрямитель, щеточный узел и внешние выводы для подключения к системе электрооборудования;
-
щеточный узел - съемная пластмассовая конструкция, в ней установлены подпружиненные щетки 13, контактирующие с кольцами ротора;
-
подшипники 6, 18 - как правило, радиальные шариковые со встроенными уплотнениями и заводской закладкой смазки на заданный срок службы генератора;
-
выпрямитель 2 - объединяет шесть мощных диодов 3, запрессованных по три в положительный и отрицательный теплоотводы;
-
вентилятор 15 - обеспечивает охлаждение узлов генератора; располагается на приводном шкиве генератора.
до значения 2 А с помощью источника питания, измерьте вольтметром V1 значения напряжения генератора
в 6-7 точках. Полученные значения запишите в таблицу 4.1.
= 14 В. Запишите в таблицу 4.2 полученные значения. Уменьшая нагрузку генератора последовательным отключением резисторов R2-R6 до значения
, снимите несколько точек внешней характеристики генератора.
, В
:.













