ЗАПИСКА (1230577), страница 7
Текст из файла (страница 7)
о местонахождении крана;
о назначении инженерно-технических работников, ответственных за содержание кранов
в исправном состоянии;
о проведенных ремонтах и реконструкции;
о проведенных предыдущих технических освидетельствованиях.
При рассмотрении паспорта следует обратить внимание на соответствие условий эксплуатации крана паспортным данным по климатическому ветровому и сейсмическому району, группе классификации (по режиму) и назначению крана.
При рассмотрении Руководства по эксплуатации (технического описания Инструкции по эксплуатации) производится:
ознакомление с конструкцией крана;
выявление требований к проведению технического обслуживания, ремонта и оценке их выполнения;
выявление дополнительных требований к проведению технического
освидетельствования.
Инструкция по монтажу рассматривается в случае проведения внеочередного технического освидетельствования после монтажа крана на новом объекте. При рассмотрении Инструкции оценивается правильность монтажа и установки крана.
Акт предыдущего обследования представляется только в ходе проведения
технического освидетельствования кранов с истекшим сроком службы. При этом проверяется выполнение записанных в Акте рекомендаций. Акт последнего обследования рассматривается владельцем на предмет выполнения записанных в нем рекомендаций для получения разрешения на дальнейшую эксплуатацию крана.
ППРк, ПОС и другие организационно-технологические документы рассматриваются на предмет оценки правильности установки крана, обозначения границ опасной зоны в соответствии с требованиями СНиП 12-03-99, зоны работы крана, наличия ограждений рабочей площадки, наличия схем строповки, технических условий на погрузку и разгрузку, схем складирования грузов и других регламентов по безопасной эксплуатации кранов. При проверке места установки крана необходимо следить, чтобы расстояние от выступающих частей зданий, колонн, сооружений до крана было не менее 700 мм во избежание возможности защемления людей при работе крана.
График проведения технических обслуживаний и ремонтов кранов, и грузозахватных приспособлений проверяется(ются) на предмет его (их) наличия, соответствия требованиям эксплуатационной документации и своевременности выполнения намеченных графиком видов работ.
Специалисты, проводящие техническое освидетельствование, должны убедиться в том, что обслуживающий кран персонал (крановщики, помощники крановщиков, стропальщики, слесари, электромонтеры, наладчики приборов и устройств безопасности) аттестован и имеет удостоверения на право производства выполняемых работ.
При ТОс должны быть проверены документы о назначении специалистов а также о проверке их знаний правил.
В процессе проведения ТОс должно быть проконтролировано наличие
должностных инструкций для ответственных специалистов и производственных инструкций для обслуживающего кран персонала.
При наличии предписаний органов госгортехнадзора по изменению конструкции или условий эксплуатации данного типа крана они рассматриваются на предмет выполнения указанных предписаний.
Осмотр и проверка исправности и работоспособности всех узлов крана проводятся непосредственно на кране и имеют целью оценку технического состояния узлов.
При визуальном осмотре выявляется исправность всех узлов крана, кранового пути и грузозахватных приспособлений, обеспечивающих их безопасную эксплуатацию.
2.4 Основные характерные дефекты в узлах кран.
Основные характерные дефекты механизмов и канатно-блочных систем приведены в таблице 12.
Таблица 12 Основные характерные дефекты механизмов и канатно-блочных систем
Продолжение таблицы 12
Основные характерные дефекты электрооборудования, приборов и
устройств безопасности приведены в таблице 13
Таблица 13 Основные характерные дефекты электрооборудования, приборов и устройств безопасности
2.5 Состав и основные функции крано-испытательной станции
Основными функциями КИС является выполнение работ :
- полное техническое освидетельствование грузоподъёмных механизмов;
- техническое диагностирование ГПМ и сосудов, работающих под давлением,
- отработавших нормативный срок службы;
- проведение экспертизы промышленной безопасности технических устройств;
- проверка и пуско-наладка приборов безопасности грузоподъемных механизмов;
- разработка проектов производства работ, технологических карт с применением грузоподъёмных машин и механизмов;
- обеспечение безопасной эксплуатации объектов котлонадзора и ГПМ.
Передвижная крано-испытательная станция представляет из себя состав представленный на рисунке 9.
1 – вагон №093 72293 - лаборатория «ПРОМБЕЗОПАСНОСТЬ»;
2 - такелажный вагон (вагон для спецтехнадобностей и испытательных стендов);
3 - кран ЕДК-300 грузоподъёмностью 60 т;
4, 5, 6, 7, 8, 9 - грузовые 4 –х осные платформы для контрольных грузов.
Рисунок 9 Состав крано - испытательной станции
Набор грузов предназначен для использования его при статическом и динамическом испытаниях грузоподъёмных кранов посредством подбора из отдельных составных грузов по формулам испытательной массы, соответствующей данному крану и виду испытаний.
Данный комплект набора контрольных грузов позволяет проводить испытания кранов: на ж. д. ходу ЕДК-25, ЕДК-50, ЕДК-80, ЕДК-300,/2,/5, ЕДК-500, ЕДК-1000, ЕДК-2000, Сокол –60-01, Сокол-80М, Сокол-80-01, СГК-80, СМ-515, КДЭ-16, КДЭ-25 и др. типов, а также кранов мостового, башенного и козлового типов, специальных кранов и др. ГПМ на железнодорожных и сторонних предприятиях.
Изготовленные грузы имеют массу и габариты, позволяющие их использование как непосредственно в стационарных условиях на испытательном полигоне, так и для доставки набора грузов в составе испытательной станции по железной дороге на платформах непосредственно к заказчику.
Все грузы рассчитаны по специальной научно-технической документации,
сертифицированы, имеют паспорта и промаркированы.
3 ТЕХНОЛОГИЧЕСКИЙ ПРОЦЕСС ИЗГОТОВЛЕНИЯ ПЛИНЫ-ОСНОВАНИЯ
3.1 Описание конструкции плиты и выбор заготовки
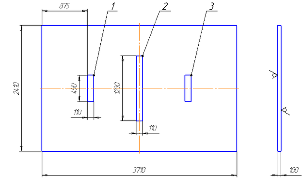
Плита является частью штатива и является основанием на котором располагаются грузовые пластины. Общий вид плиты представлен на рисунке 10.
Рисунок 10 Общий вид плиты
Метод получения заготовки и величина припуска оказывают существенное влияние на материалоемкость и трудоемкость процесса изготовления деталей, точность и качество обработанных поверхностей, на величину амортизационных расходов и другие технико-экономические показатели в машиностроении.
Для изготовления деталей машин применяют заготовки, получаемые литьем, обработкой давлением (ковка, штамповка), отрезкой из сортового проката (круг, шестигранник, труба и т.д.), прессованием порошковой смеси, комбинированными методами (например, отрезка из сортового проката и сварка).
На выбор метода получения заготовки влияют материал детали, ее форма и размеры. Материал детали в ряде случаев является определяющим фактором при выборе метода получения заготовки.
Форма и размеры детали накладывают свои ограничения на выбор метода получения заготовки, например, сложные по форме заготовки невозможно получить свободной ковкой на молотах и прессах. Такие заготовки с формой и размерами близкой к детали логично получить штамповкой. При этом часть поверхностей может не подвергаться в дальнейшем механической обработке.
В нашем случае мы имеем дело с единичным производством плиты. Наиболее рациональный метод получения заготовки при единичном производстве -выбор из сортового материала.
Принимаем, что заготовка будет получена газокислородной резкой из листового материала марки:
.
3.2 Расчет величины припуска на обработку
Назначаем маршрут обработки поверхности: газокислородная резка, черновое фрезерование поверхностей, кроме граней, образующих толщину листа – 100 мм.
Припуск на обработку поверхностей плиты, подвергающихся мехобработке, принимаем 5 мм.
Размеры плиты, получаемой после резки приведены на рисунке 11.
Рисунок 11 Размеры заготовки с учетом припуска на обработку
3.3 Выбор методов и инструментов механической обработки
Выбор методов обработки осуществляется с учетом формы поверхностей детали, требований на отклонения размеров и шероховатости поверхностей.
Металлорежущие станки выбирают с учетом: принятого метода обработки поверхности (точение, шлифование, зубонарезание и т.д.); обеспечения требований чертежа по точности формы и размеров, параметров шероховатости, расположения поверхностей (станки нормальной, повышенной и высокой точности); размеров обрабатываемой поверхности или габаритов детали (заготовки).
Выбор режущего инструмента производится с учетом вида выполняемой работы и формы конструктивного элемента (обтачивания, растачивания, фрезерования шпоночного паза и т.д.), а также размеров присоединительных мест для инструмента на станке.
Для обработки наружных граней плиты применим торцовую фрезу со вставными ножами из быстрорежущей стали ГОСТ 1092-69 D=80, d=27, z=10.
При помощи торцевых фрез (рисунок 12) выполняется обработка открытых поверхностей. Ось фрезы располагается перпендикулярно обрабатываемой поверхности. Режущие зубья находятся на цилиндрической и торцевой поверхностях фрезы, что позволяет обрабатывать 2 взаимно перпендикулярные плоскости.
Рисунок 12 Общий вид торцевой фрезы
Геометрические параметры режущего зуба торцевой фрезы аналогичны параметрам токарного резца. Зуб имеет три режущие кромки: главную, переходную и вспомогательную.
В зоне контакта работает большое число зубьев, за счет чего снижаются вибрации и соответственно повышается качество обработки. Поэтому применение торцевых фрез для обработки открытых поверхностей более предпочтительно по сравнению с цилиндрическими.
Конструкция торцовой насадной фрезы со вставными ножами, оснащенными твердым сплавом, показана на рисунке 13, а основные геометрические параметры заточки — на рисунке 14.
Рисунок 13 Конструкция фрезы торцевой насадной со вставными ножами, оснащенными твердым сплавом
Рисунок 14 Геометрические параметры режущих элементов торцевой фрезы
Ножи фрезы предварительно затачивают отдельно от корпуса. Окончательную заточку ножей производят в сборе с корпусом.
Рекомендуемые величины углов при заточке зависят от типа фрезы, ее назначения и условий работы. Для фрез, оснащенных твердым сплавом, углы φ в плане затачиваются в пределах 45…75°, а вспомогательный угол φ1 в плане - в пределах 3…5°. Для упрочнения вершины зуба у торцовых фрез затачивается переходная кромка длиной f = 1,5 - 2 мм с углом φо в плане, равным 30…35°, т.е. равным половине главного угла φ в плане. При фрезеровании чугуна угол φ в плане уменьшается до 45…60°. При съеме припуска менее 3 мм в условиях высокой жесткости технологической системы угол φ в плане уменьшают до 30°. Для обработки отверстий в плите примем цилиндрическую фрезу.
На рисунке 15 показаны геометрические элементы цилиндрической фрезы с винтовыми зубьями: передняя поверхность 1, задняя поверхность 4, ленточка (фаска, обычно ленточку (фаску) обозначают буквой f ) 3 шириной 0,05—0,1 мм, затылочная поверхность (спинка) 5, режущая кромка 2. Режущая кромка здесь идет по винтовой линии (спирали). Угол, образованный режущей кромкой и осью фрезы, называют углом наклона винтовой канавки, или углом наклона спирали, и обозначают ω (омега).
а) б)
Рисунок 15 Элементы цилиндрической фрезы
3.4 Выбор оборудования
Для обработки плиты принимаем расточной станок ИС2А637(рисунок 16).
Рисунок 16 Общий вид расточного станка















