ВКР-Пустовойт (1229861), страница 6
Текст из файла (страница 6)
Выявление отклонений производилось следующим образом – при сохранении постоянных углов открытия и закрытия впускных и выпускных клапанов менялся угол опережения впрыска топлива в цилиндр, тем самым имитировалась неправильная регулировка угла опережения впрыска топлива. Характеристики, интересующие нас в данном случае – мощность, удельный расход топлива, удельный эффективный кпд, эмиссия дыма по шкале Хартриджа, а также концентрация влажных NOx в выхлопе.
Для удобства оценки результатов данные расчетов были внесены в таблицы 2.7–2.8, а также построены графики зависимости характеристик (рисунки 2.5–2.8).
Таблица 2.7 – Изменение характеристик дизеля Д49 при постоянных настройках газораспределения и различных углах опережения впрыска топлива
| Угол опережения впрыска топлива θ до ВМТ | Мощность Ne кВт | Удельный эффективный расход топлива ge, кг/(кВт∙ч) | Эффективный КПД ηе | Эмиссия дыма по шкале Хартриджа | Концентрация влажных NOx ‰ |
| 12 | 2448,4 | 0,21764 | 0,38919 | 7,4359 | 950 |
| 13 | 2462,8 | 0,2164 | 0,39142 | 6,5873 | 1009 |
| 14 | 2474,8 | 0,21538 | 0,39328 | 5,8945 | 1068 |
| 16 | 2490,2 | 0,21367 | 0,39644 | 4,6273 | 1198,7 |
| 18 | 2502 | 0,2125 | 0,39863 | 3,6867 | 1328 |
| 19 | 2507,5 | 0,21197 | 0,39962 | 3,2705 | 1393,9 |
| 20 | 2511,1 | 0,21155 | 0,40041 | 2,9009 | 1463,8 |
| 21 | 2511,1 | 0,21141 | 0,40067 | 2,5643 | 1533,6 |
| 22 | 2511,2 | 0,21124 | 0,40099 | 2,2629 | 1601,2 |
| 23 | 2515,0 | 0,21097 | 0,40151 | 2,0034 | 1655,8 |
| 24 | 2512,4 | 0,21101 | 0,40143 | 1,7601 | 1725,5 |
| 26 | 2505,5 | 0,2114 | 0,40069 | 1,3481 | 1847,9 |
| 28 | 2494,3 | 0,2121 | 0,39937 | 1,0438 | 1957,8 |
| 30 | 2479,1 | 0,21324 | 0,39723 | 0,82471 | 2051,3 |
| 31 | 2474,4 | 0,21374 | 0,39631 | 0,74627 | 2082,8 |
| 32 | 2460,9 | 0,21467 | 0,39458 | 0,67952 | 2127,9 |
Р
исунок 2.5 – Графики зависимости эффективной мощности Ne и удельного эффективного расхода топлива ge от установки угла опережения впрыска топлива θ ° до В.М.Т.
Рисунок 2.6 – Графики зависимости эффективной мощности Ne и удельного эффективного КПД ηe от установки угла опережения впрыска топлива θ ° до В.М.Т.
Рисунок 2.7 – Графики зависимости концентрации влажных NOx и эмиссии дыма по шкале Хартриджа SN от установки угла опережения впрыска топлива θ ° до В.М.Т.
Рисунок 2.8 – Графики зависимости эмиссии дыма по шкале Хартриджа, SN и максимальной температуры цикла, Tz, K от угла опережения впрыска топлива, θ ° до В.М.Т.
В ходе проведенных нами исследований выявлено, что правильность установки угла опережения впрыска топлива оказывает значительное влияние на показатели дизеля. Анализ получившихся графиков (рисунок 2.5–2.6) показывает, что оптимальным в плане эффективной мощности, КПД и удельного расхода топлива является угол опережения впрыска топлива 23° до верхней мертвой точки. В этом положении достигается максимальная эффективная мощность при минимальном удельном расходе топлива.
В настоящее время одним из способов определения качества ремонта является анализ экологических показателей выхлопа дизеля, которые снимаются специальными газоанализаторами при проведении испытаний дизелей. Одними из основных параметров являются концентрация влажных оксидов азота NOx, ‰ и эмиссия дыма по шкале Хартриджа, NS. Анализируя графики на рисунке 2.7 можно отметить изменение этих параметров, в зависимости от регулировки угла опережения впрыска топлива. Как видно эмиссия дыма снижается при увеличении угла опережения впрыска топлива. Данный эффект возникает из-за увеличения максимальной температуры рабочего цикла в цилиндре. На рисунке 2.8 показаны графики изменения эмиссии дыма и максимальной температуры цикла от угла опережения впрыска топлива.
Проанализировав графики на рисунках 2.5–2.8 можно сделать вывод, что оценка качества ремонта дизеля только по анализу экологических показателей выхлопа не может являться полным. Немаловажным параметром является точное определение расхода топлива. При существующих способах определения расхода топлива, точность этих показателей является условной, так как расход измеряется в единицах объема и после этого переводится в массу с точностью до килограмма. При определении удельного расхода такая точность является недостаточной. Устройство, спроектированное в ходе выполнения данной дипломной работы, позволяет определить расход топлива с точностью до одного грамма, полностью в автоматическом режиме.
-
УСТРОЙСТВО ДЛЯ ИЗМЕРЕНИЯ РАСХОДА ТОПЛИВА ДИЗЕЛЕМ ПРИ ПРОВЕДЕНИИ СТЕНДОВЫХ ИСПЫТАНИЙ
Целью выполнения данного дипломного проекта было создание устройства для измерения расхода топлива дизелем при проведении стендовых испытаний. В качестве метода измерения расхода мною был выбран весовой способ измерения, как точный и в тоже время простой способ на сегодняшний день. Доступность и развитие программируемой электроники в настоящее время позволяет без особых трудностей создать устройство, выполняющее все измерения в полностью автоматическом режиме.
-
Назначение и состав устройства
Устройство предназначено для измерения расхода топлива в автоматическом режиме по командам оператора. Отображение результатов измерения производится на жидкокристаллический двухстрочный дисплей. Существует возможность вывода информации на персональный компьютер через USB порт.
В состав устройства (рисунок 3.1) входит: 1) расходный бак с топливоподкачивающим насосом; 2) система трубопроводов и кранов; 3) устройство измерения расхода топлива с мерной емкостью.
Расходный бак 1 снабжен горловиной для залива топлива, мерным стеклом для визуального контроля уровня топлива, а также насосом, для наполнения мерной емкости. Трубопроводы 2 выполнены из металлических и гибких труб, внутренним диаметром 12 мм. Трехходовые краны выполнены по «Т»-образной схеме и имеют по два рабочих положения – «Питание из бака» и «Измерения».
Рисунок 3.1 – Состав установки: 1 – расходный бак с насосом; 2 – система трубопроводов и кранов; 3 – устройство измерения расхода топлива с мерной емкостью.
На рисунке 3.3 изображено устройство, с установленной мерной емкостью.
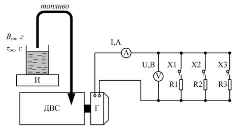
В качестве объекта испытания выбран лабораторный стенд на базе мотор-генератора «YAMAHA-HA EF5200». Схема стенда изображена на рисунке 3.2. При выполнении измерений на генераторе создается нагрузка с помощью электрических нагревателей (ТЭНов) при этом питание топливом двигателя внутреннего сгорания мотор-генератора осуществляется из мерной емкости, установленной на платформе весов измерительной установки. Расход измеряется по изменению массы топлива (Bоп, г) в мерном сосуде за время опыта (τоп, с).
Рисунок 3.2 – Схема лабораторной установки: И – измеритель; Г – генератор; R1, R2, R3 – сопротивления (ТЭНы)
Рисунок 3.3 – Внешний вид устройства: 1 – штатив; 2 – заборные трубки; 3 – мерная емкость; 4 – плита весов; 5 – панель управления; 6 – блок питания; 7 – разъем питания 220 В; 8 – поплавковый ограничитель уровня топлива.
Основой устройства является микроконтроллер ATmega328, установленный на плате Arduino Uno. Основанием выбора для данного контроллера явилось простота программирования, надежность и доступность элементов. Язык программирования контроллера основан на языке С++. Программный код является открытым и доступным для внесения изменений.
Управление устройством осуществляется с помощью кнопок на лицевой панели устройства (рисунок 3.4) либо через команды последовательного интерфейса данных при управлении устройством с помощью персонального компьютера.















