Диплом (1228655), страница 4
Текст из файла (страница 4)
Рисунок 3.1 Крепление датчика на буксе
Рисунок 3.2 – Устройство датчика угла поворота
Частота вращения оси модуля датчика рассчитывается по формуле
n=(V ·1000)/(3,14· D· 60), (3.1)
где n – частота вращения оси модулятора датчика, об/мин;
V – скорость движения транспортного средства, км/ч;
D – диаметр бандажа колесной пары;
1000 – коэффициент пересчета километров в метры;
60 – коэффициент пересчета часов в минуты;
3,14 – число π.
Следует учитывать, что на подвижном составе в процессе эксплуатации происходит обточка бандажа и его диаметр изменяется, на электровозе от 0,45 до 0,90, а на тепловозах 0,36-0,70. При этом увеличивается погрешность датчика перемещения, это следует учитывать при расчете скорости, так при уменьшении бандажа двигателю необходимо больше оборотов для достижения необходимой скорости.
В конструкции датчика имеется два одинаковых канала. Сигналы каждого канала смещены между собой на угол, следования импульсов. Использование разных каналов необходимо для того чтобы определить направление движения локомотива. Фототранзистор, находящийся на одной оси со светодиодом как показано на рисунке 3.3, преобразует оптический поток в электрический сигнал.
Рисунок 3.3 – Расположение светодиодов и фототранзисторов
Электрический сигнал поступает на блок сбора данных и далее через USB интерфейс выводится в виде графика в программе LabView как показано на рисунке 3.4.
Рисунок 3.4 График частоты оборотов в программе LabView
Для осуществления вращения датчика в данной работе используется двигатель ДВ–75 УХЛЗ на который при помощи блока питания 50 В подается напряжение, контроллер ШИМ TL494 осуществляется плавное регулирование частоты оборотов двигателя в соответствии с созданным интерфейсом в LabView. На рисунке 3.5 представлен сигнал модулируемый TL494.
Рисунок 3.5 – TL494 модулируемый сигнал
3.2 Порядок выполнения
Запустите программу National Instruments LabVIEW 15 в результате чего откроется окно программы показанное на рисунке. 3.6.
Рисунок 3.6 – Стартовое окно LabVIEW 15
Создайте программу, которая позволит задавать величину напряжения для двигателя путём вращения тумблера. Приступим к реализации схемы. Создаём новый VI и формируем на панели графический интерфейс в виде тумблера. Далее реализуем простейший алгоритм в окне редактирования диаграмм. Установите в это окно блок управления внешним устройством которая находится в Function Express Output DAQAsist. В появившемся окне выбираем порт куда будем подавать сигнал по напряжению как показано на рисунке 3.7 и 3.8.
Рисунок 3.7 – Панель управления DAQAsist
Так же для задания сигнала можно использовать ток, но в данном примере двигатель будет питаться от источника напряжения 50 В и использование токовой характеристики будет не корректно.
Рисунок 3.8 – Панель управления DAQAsist
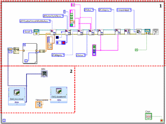
В данном случае мы будем пользоваться аналоговыми входами USB 6008. Следующим шагом необходимо подключить элемент управления сигналом, для этого можно воспользоваться элементом Khob который необходимо поставить на графическую панель Control Numeric Khob , соединить их и поставить в замкнутый цикл. В результате должна получится структура показанная на рисунке 3.9. Так же для установки величины управляющего напряжения можно использовать другие, более удобные, графические компоненты программы, а необходимость замкнутого цикла обуславливается необходимостью непрерывной подачи управляющего сигнала на контроллер ШИМ и далее напряжения на двигатель дабы не допустить его остановки.
Рисунок 3.9 – Схема программы
Следующим шагом необходимо создать программу, которая будет строить график частоты оборотов датчика угла поворота. Для этого необходимо сделать структуру приёма данных, как показано на рисунке 3.10. Так же для полноты полученных данных рекомендуется воспользоваться примером построения графика в Excel, пример схемы такого построения с графиками работы представлен на рисунке 3.11 и рисунке 3.12. Такая структура облегчит восприятие материала, а так же даёт дальнейшую базу для последующих расчётов и прочих операций основанных на графике в структуре Microsoft Office. Но для такой структуры не подойдет наличие замкнутого цикла так как данные в Excel поступают едино моментно и требуют время для обработки, использование непрерывной передачи привело бы к сбою программы или открытию множества файлов содержащего графики в разные моменты времени.
Рисунок 3.10 – Структура приёма данных
Рисунок 3.11 – Общий вид подпрограммы в LabView
Рисунок 3.12 – График частоты оборотов: a – в программе Excel, б – в программе LabView
Для более точного определения оборотов необходимо установить резистор между каналами датчика ДПС-У. А так же для коректного полечения результата необходимо внести собранную схему в подпрограмму и создать структуру как показано на рисунке 3.13.
Рисунок 3.13 – Общий вин программы в Lab View
Как показано на рисунках 3.11 и 3.12 первый блок предназначен для записи и вывода данных в программу Excel, второй блок представляет собой структуру контроля ШИМ, третий блок необходим для графического вывода данных с контроллера ШИМ, четвертый блок служит для вывода данных с датчика угла поворота.
Если схема создана правильно то на графике можно наблюдать импульсы с датчика угла поворота, а так же на циферблатах можно наблюдать значения частоты.
Далее изменяя величину бандажа определить значения скорости для тепловозов и электровозов, заполнить таблицу 3.1 и построить по ней график. Формула расчета приведена в пункте 3.1.
Таблица 3.1 зависимость величины скорости от бандажа
| Бандаж | 45 | 55 | 65 | 75 | 85 | 90 |
| V, м/с |
Сделать вывод о проделанной работе. Вывод должен отражать зависимость скорости движения от бандажа.
Содержание отчёта:
-
цель работы;
-
введение;
-
осциллограммы полученные при снятии характеристик;
-
таблица и график зависимости скорости движения от бандажа;
-
вывод.
Контрольные вопросы:
-
как связаны программы на рисунке 3.11 и 3.13;
-
как функционирует собранная модель;
-
описание полученной осциллограммы;
-
описание графика зависимости скорости движения от бандажа.
4 ОБЕСПЕЧЕНИЕ БЕЗОПАСНОСТИ ТРУДА ПРИ РАБОТЕ И ОБСЛУЖИВАНИИ СТЕНДА
Электробезопасность при работе со стендами один из важных разделов системы охраны труда. Незнание или нарушение основных правил использования электрооборудования и электросетей приводит к различным тяжелым травмам.
Для того чтобы обеспечить защиту от действия электрического тока, поля, дуги и других последствий использования электрооборудования необходимо в точности соблюдать правила безопасности при использовании электроустановок. До работы с электроустановками могут быть допущены только прошедшие спец подготовки квалифицированные специалисты. Уровень подготовки специалиста определяется степенью подготовки работы с электрооборудованием и знания первой медицинской помощи для пострадавших от действия электрического тока.
Обучение персонала, аттестация и проверка знаний работников, постоянный контроль за выполнением норм и требований к эксплуатации электросетей и электрооборудования должны быть приоритетом лиц, ответственных за электрохозяйство. Эти лица, в свою очередь, должны руководствоваться правилами и требованиями по охране труда и электробезопасности. Эти правила распространяются не только на процесс эксплуатации и ремонта электроустановок, но и на процессы монтажа.
Охрана труда это целая система. Она включает в себя не только охрану жизни и здоровья работников, это и правовые акты, и социально-экономические мероприятия, и санитарно-гигиенические и организационно-технические нормы. Также в систему охраны труда входят лечение, профилактика и реабилитация людей, пострадавших на производстве [1].
4.1 Анализ условий поражения в электроустановках
Наиболее частые варианты попадания человека под действие тока сведены в таблицу 4.1.
Таблица 4.1 – Наиболее характерные схемы включения человека под напряжение
| № | Вид прикосновения | Схема прикосновения |
| 1 | Однополюсное прикосновение в сети изолированной от земли | |
| 2 | Однополюсное прикосновение в сети с заземленным полюсом | |
| 3 | Двухполюсное прикосновение | |
| 4 | Двухфазное прикосновение | |
Наиболее частыми являются два случая замыкания цепи тока через человеческое тело: когда работник касается одновременно двух источников тока или когда работник касается только одного провода [11].
4.2 Классификация электроустановок и помещений
По Правилам устройства электроустановок (ПУЭ) в отношении мер электробезопасности электроустановки разделяются на:
- напряжение выше 1 кВ в сетях с глухим заземлением или эффективно заземлённым нулевым проводом;
- напряжение выше 1 кВ в сетях с заземлением или изолированием через дугогасительный реактор;
- напряжение до 1 кВ в сетях с глухозаземленным нулевым проводом;
- напряжение до 1кВ в сетях с изолированным нулевым проводом.
В первую категорию включают электроустановки в сетях 220 кВ и выше с глухозаземлённым нулевым проводом трансформаторов, а также в эту же группу входят электоустановки в сетях 110–220 кВ, работающие с эффективно заземленным нулевым проводом трансформаторов (частично у трансформаторов такой сети нулевой провод не заземлен, или же в нулевой провод многих трансформаторов включены различные активные сопротивления, реактивные сопротивления или нелинейные сопротивления). Эффективно заземленный нейтральный провод предназначен для ограничения тока замыкания на землю [11].
Во вторую категорию включают электроустановки в сетях 3–35 кВ, которые работают с изолированным нейтральным проводом с небольшим емкостным током замыкания на землю, а так же в эту группу входят электроустановки 3–35 кВ, которые работают в режиме резонансного заземления части нейтрального провода. заземления нейтрального провода через дугогасящие реакторы необходимо дл ограничения тока замыкания на землю.
В третью категорию входят сети 110, 220, 380, 660 В, которые работают с глухо заземлённым нейтральным проводом и с большим током замыкания на землю.
В четвертую группу входят сети до 1 кВ, которые работают и с изолированным нейтральным проводом и с малым током замыкания на землю [12].
Условия, при которых производится эксплуатация электроустановок также сильно влияет на поражения электрическим током. На изменения сопротивления изоляция токоведущих частей влияют температура, влажность, едкие пары. Под действием этих факторов так же меняется сопротивление человека [12].
Различные классы помещения в зависимости от характера окружающей среды представлены в таблице 4.2.
Таблица 4.2 – Классификация помещений по характеру окружающей среды
| Класс помещения | Характеристики помещения |
| Сухое | Относительная влажность воздуха 60 % |
| Жаркое | Под действием различных тепловых излучений температура периодически превышает +35 градусов |
| Пыльное | По условиям производства образуется пыль, которая оседает на токоведущих частях, проникать внутрь машин, аппаратов и т.д. |
| С химически активной или органической средой | Постоянно или в течении длительного времени находятся агрессивные пары, газы, жидкости, образуются отложения или плесень разрушающие изоляцию и токоведущие части электрооборудования. |
| Влажное | Относительная влажность воздуха от 60 до 75 % |
| Сырое | Относительная влажность превышает 75 % |
| Особо сырое | Относительная влажность воздуха близка к 100 % (потолок, стены, пол и предметы, находящиеся в помещении, покрыты влагой) |
Различные классы помещения в зависимости от степени опасности поражения людей электрическим током представлены в таблице 4.3.















